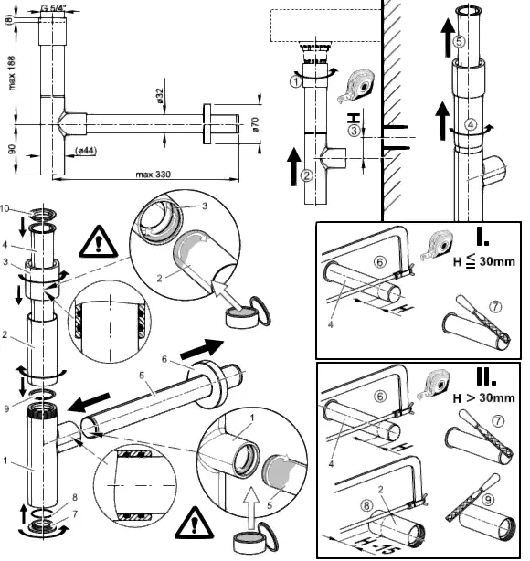
AlcaPLAST A402 Wash-Basin Trap

Wash-basin trap, DESIGN, meatal ø32, massive

Producer:
- Tel.: +420 519 326 499, +420 519 323 456- prodded CR
- Tel.: +420 519 361 641 – export, Fax: +420 519 330 621
- e-mail: [email protected] , www.alcaplast.cz



Producer:
Download manual
Here you can download full pdf version of manual, it may contain additional safety instructions, warranty information, FCC rules, etc.