oras Electra 6104Z Wash Basin

MODELS








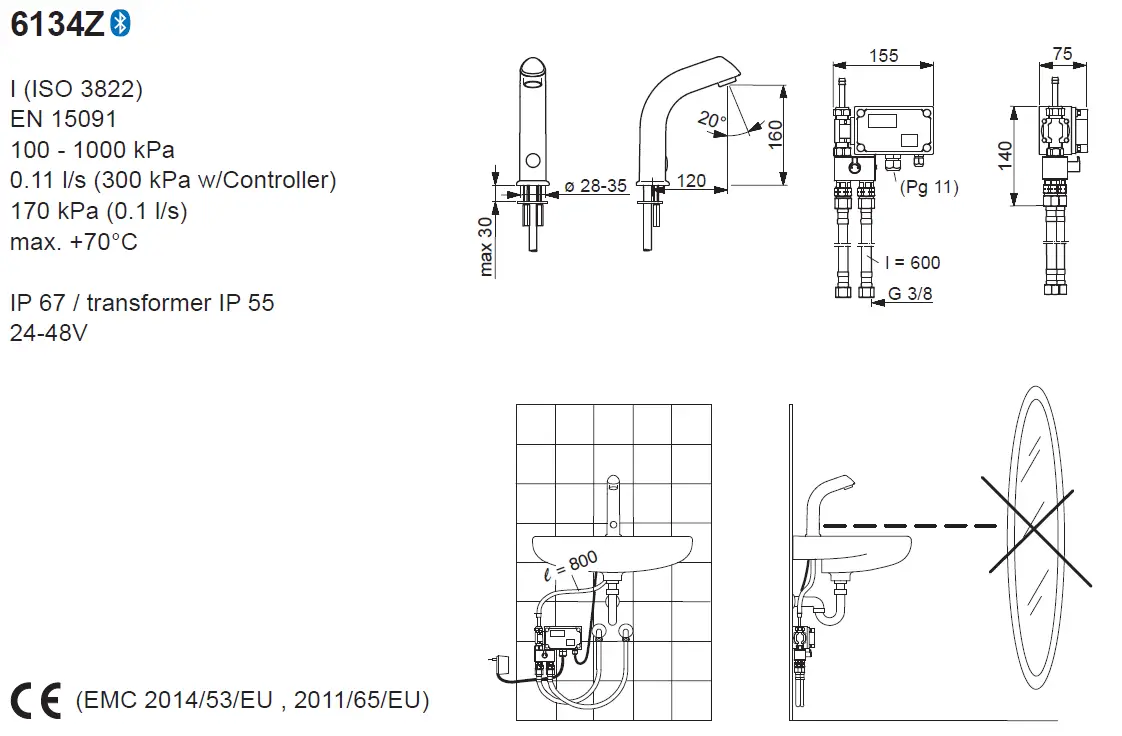
Function
Touchless Electra faucets are turned on and shut off by a solenoid valve that is actuated by a photocell. When the hands are held under the faucet, the solenoid valve opens and water starts to flow. When the hands are removed, the faucet shuts automatically.
Handshower
On models with handshower (6105Z), water begins to flow from the spout when the showerhead (18) is removed from its wall bracket (20). If the button on the showerhead is pressed in, water begins to flow from the showerhead and water flow from the spout stops.
Applications
Touchless Electra faucets are intended for use in areas that require a high standard of hygiene, e.g. hospitals, doctors’ offices, food processing plants etc. Electra faucets are also suitable for use where there is a possibility that a faucet can be left running, e.g. public toilets, restaurants, schools etc. The wash-basin to which the Electra faucet is to be fixed may not be of the kind that can be plugged.
To clean the faucet
When cleaning the surface of the faucet, use neutral liquid detergents only. Do not use any scrubbing or corrosive cleaning agents!
WARNING: Do not clean the appliance with a high pressure washer.
Risk of freezing
When installing the faucet in a place where the temperature may fall below freezing, the entire system must be drained of water to prevent bursting in freezing weather.
- Shut off the water supply.
- Disconnect all flexible hoses and make certain that all parts and hoses are drained of water.
Protection against vandalism
If the eye of the photocell is continuously covered for over 2 minutes, or if the showerhead is used for over 2 minutes (i.e. no contact with the sensor in the wall bracket) the faucet shuts automatically. To regain normal operation, remove the blockage (e.g. chewing gum, tape) from the photocell, or replace the showerhead in the wall bracket.
Installation




- Mount the no-touch faucet on the wash-basin (min. Ø 28–35 mm). Ensure that the seal between the faucet and the wash-basin is correctly installed.
- Slip the fixing washer (1) and stud nuts (2) into position and tighten with a screwdriver or 9 mm adjustable wrench.
- Remove the control-box cover.
- Using the four screws supplied, mount the control box (3) on to a suitable place in the cabinet or on the wall below the basin, in a position that permits easy access for maintenance.
- Cut the hose (4) to the proper length and attach it to the connector (5) on the controlbox.
- Secure the hose with a hose clamp (6).
- On models with handshower (6105Z), attach the handshowerhose (21) to the control-box nipple (22).
Connecting the water-supply hoses
6100Z, 6110Z – Attach one end of the flexible water-supply hose (7) to the control-box attachment nipple (8) and the other end to the pre-mixed waterpipe.

6104Z, 6105Z, 6114Z
Connecting the water-supply hoses
- Attach one end of each of the flexible water-supply hoses (7) to the control-box attachment nipples (13). The nipples contain check valves (29).
- Connect hot water to the left-hand water-supply hose and cold water to the right-hand hose.
Electrical Connections
- Install the sensor wire (9) to the control box and tighten the cable gland with the nut (10)
- On models with handshower (6105Z), install the sensor wire (23) that comes from the wall bracket (20) to the control box and tighten the cable gland with the nut (24).
Connect 24 V voltage to the control box as follows:
- Remove the connector (11) e.g. by prying off with a small screwdriver.
- Make sure that the electric wires are not live and then attach them to the connector.
- Push the connector and wires back into the counterpart.
- Pull any loose wire through the cable gland and out of the control box.
- Tighten the cable gland (12) nut.
PLEASE NOTE!
When connecting the voltage to the appliance, the solenoid valve will always be open for a moment.
- Turn on the water supply to the faucet.
- Check that the connections are watertight and that the faucet operates by placing your hand in front of the photocell (14).
- Replace the control-box cover.
- In product no. 6104Z, 6105Z, 6114Z the water temparature can be regulated with the handle (25)
- Stick the instruction label supplied in a place where it can be seen easily.
After-flow time and recognition range
After-flow time is the period of time between the moment the photocell ceases to be activated and the moment the water stops flowing. The recognition range is the greatest distance that an object can have from the photocell to activate it and open the faucet. The after-flow time and sensing range have been preset at the factory.
Sensing range
- Remove the control-box cover.
- Push the button (1).
- Position a piece of white paper (e.g. the installation instructions) vertically in front of the faucet, at the distance at which the photocell is intended to react (e.g. at the outer edge of the wash-basin).
- Hold the paper at this distance. Water will start to flow after about 30 seconds.
- Pull the paper away after the water flow has stopped!
- The sensing range is now set and stored.
- This information will not be lost from memory due to a power failure.
- Should the distance prove unsatisfactory, simply readjust by changing the position of the piece of paper.
- Replace the control-box cover.
Cleaning the Filter
If the water flow has decreased, this may be because the filter is clogged. Clean the filter as follows:
- Shut off the water supply to the faucet.
- Unscrew the strainer (18) from the valve housing.
- Clean the strainer under running water.
- Screw the strainer back.

Troubleshooting
Symptom
Water flow from the outlet does not stop, or stops after 2 minutes Water flow is low and weak No water comes out of the faucet
Cause / Solution
- The sensing range is too low
- Check that the photocell is clean
- The solenoid valve is damaged
- Filter is clogged
- Check the water supply to the control box
- The solenoid valve is damaged
- Power failure
- The photocell is covered or damaged
- 6105Z: the showerhead is not placed properly in its wall bracket
ORAS Ltd Isometsäntie 2, P.O. Box 40 FI-26101 Rauma
- Tel. +358 2 83 161
- Fax +358 2 831 6300
- [email protected]
- www.oras.com

















