PENTAIR 011642 Whisperflo High Performance Pump User Guide
IMPORTANT SAFETY INSTRUCTIONS READ AND FOLLOW ALL INSTRUCTIONS SAVE THESE INSTRUCTIONS
IMPORTANT SAFETY INSTRUCTIONS
IMPORTANT NOTICE
This guide provides installation and operation instructions for this pump. Consult Pentair with any questions regarding this equipment.
Attention Installer: This guide contains important information about the installation, operation and safe use of this product. This information should be given to the owner and/or operator of this equipment after installation or left on or near the pump.
Attention User: This manual contains important information that will help you in operating and maintaining this product. Please retain it for future reference.
READ AND FOLLOW ALL INSTRUCTIONS SAVE THESE INSTRUCTIONS
This is the safety alert symbol. When you see this symbol on your system or in this manual, look for one of the following signal words and be alert to the potential for personal injury.
Warns about hazards that can cause death, serious personal injury, or major property damage if ignored.
Warns about hazards that may cause death, serious personal injury, or major property damage if ignored.
Warns about hazards that may or can cause minor personal injury or property damage if ignored.
NOTE Indicates special instructions not related to hazards.
Carefully read and follow all safety instructions in this manual and on equipment. Keep safety labels in good condition; replace if missing or damaged.
When installing and using this electrical equipment, basic safety precautions should always be followed, include the following:
FAILURE TO FOLLOW ALL INSTRUCTIONS AND WARNINGS CAN RESULT IN SERIOUS BODILY INJURY OR DEATH. THIS PUMP SHOULD BE INSTALLED AND SERVICED ONLY BY A QUALIFIED POOL SERVICE PROFESSIONAL. INSTALLERS, POOL OPERATORS AND OWNERS MUST READ THESE WARNINGS AND ALL INSTRUCTIONS IN THE OWNER’S MANUAL BEFORE USING THIS PUMP. THESE WARNINGS AND THE OWNER’S MANUAL MUST BE LEFT WITH THE POOL OWNER.
Do not permit children to use this product.
RISK OF ELECTRICAL SHOCK. Connect only to a branch circuit protected by a ground-fault circuitinterrupter (GFCI). Contact a qualified electrician if you cannot verify that the circuit is protected by a GFCI.
This unit must be connected only to a supply circuit that is protected by a ground-fault circuit-interrupter (GFCI). Such a GFCI should be provided by the installer and should be tested on a routine basis. To test the GFCI, push the test button. The GFCI should interrupt power. Push the reset button. Power should be restored. If the GFCI fails to operate in this manner, the GFCI is defective. If the GFCI interrupts power to the pump without the test button being pushed, a ground current is flowing, indicating the possibility of an electric shock. Do not use this pump. Disconnect the pump and have the problem corrected by a qualified service representative before using.
This pump is for use with permanent swimming pools and may also be used with hot tubs and spas if so marked. Do not use with storable pools. A permanently-installed pool is constructed in or on the ground or in a building such that it cannot be readily disassembled for storage. A storable pool is constructed so that it is capable of being readily disassembled for storage and reassembled to its original integrity.
General Warnings
- Never open the inside of the drive motor enclosure. There is a capacitor bank that holds a 230 VAC charge even when there is no power to the unit.
- The pump is not submersible.
- The pump is capable of high flow rates; use caution when installing and programming to limit pumps performance potential with old or questionable equipment.
- Code requirements for electrical connection differ from country to country, state to state, as well as local municipalities. Install equipment in accordance with the National Electrical Code and all applicable local codes and ordinances.
- Before servicing the pump; switch OFF power to the pump by disconnecting the main circuit to the pump.
- This appliance is not intended for use by persons (including children) of reduced physical, sensory or mental capabilities, or lack of experience and knowledge, unless they have been given supervision or instruction concerning the use of the appliance by a person responsible for their safety.
SUCTION ENTRAPMENT HAZARD: STAY OFF THE MAIN DRAIN AND AWAY FROM ALL SUCTION OUTLETS! THIS PUMP IS NOT EQUIPPED WITH SAFETY VACUUM RELEASE SYSTEM (SVRS) PROTECTION AND DOES NOT PROTECT AGAINST BODY OR LIMB ENTRAPMENTS, DISEMBOWELMENTS (WHEN A PERSON SITS ON A BROKEN OR UNCOVERED POOL DRAIN) OR HAIR ENTANGLEMENTS.
THIS PUMP PRODUCES HIGH LEVELS OF SUCTION AND CREATES A STRONG VACUUM AT THE MAIN DRAIN AT THE BOTTOM OF THE BODY OF WATER. THIS SUCTION IS SO STRONG THAT IT CAN TRAP ADULTS OR CHILDREN UNDER WATER IF THEY COME IN CLOSE PROXIMITY TO A DRAIN OR A LOOSE OR BROKEN DRAIN COVER OR GRATE.
THE USE OF UNAPPROVED COVERS OR ALLOWING USE OF THE POOL OR SPA WHEN COVERS ARE MISSING, CRACKED OR BROKEN CAN RESULT IN BODY OR LIMB ENTRAPMENT, HAIR ENTANGLEMENT, BODY ENTRAPMENT, EVISCERATION AND/OR DEATH.
The suction at a drain or outlet can cause:
Limb Entrapment: When a limb is sucked or inserted into an opening resulting in a mechanical bind or swelling. This hazard is present when a drain cover is missing, broken, loose, cracked or not properly secured.
Hair Entanglement: When the hair tangles or knots in the drain cover, trapping the swimmer underwater. This hazard is present when the flow rating of the cover is too small for the pump or pumps.
Body Entrapment: When a portion of the body is held against the drain cover trapping the swimmer underwater. This hazard is present when the drain cover is missing, broken or the cover flow rating is not high enough for the pump or pumps.
Evisceration/Disembowelment: When a person sits on an open pool (particularly a child wading pool) or spa outlet and suction is applied directly to the intestines, causing severe intestinal damage. This hazard is present when the drain cover is missing, loose, cracked, or not properly secured.
Mechanical Entrapment: When jewelry, swimsuit, hair decorations, finger, toe or knuckle is caught in an opening of an outlet or drain cover. This hazard is present when the drain cover is missing, broken, loose, cracked, or not properly secured.
NOTE: ALL SUCTION PLUMBING MUST BE INSTALLED IN ACCORDANCE WITH THE LATEST NATIONAL AND LOCAL CODES, STANDARDS AND GUIDELINES.
TO MINIMIZE THE RISK OF INJURY DUE TO SUCTION ENTRAPMENT HAZARD:
- A properly installed and secured ANSI/ASME A112.19.8 approved antientrapment suction cover must be used for each drain.
- Each suction cover must be installed at least three (3’) feet apart, as measured from the nearest point to nearest point.
- Regularly inspect all covers for cracks, damage and advanced weathering.
- If a cover becomes loose, cracked, damaged, broken or is missing, replace with an appropriate certified cover.
- Replace drain covers as necessary. Drain covers deteriorate over time due to exposure to sunlight and weather.
- Avoid getting hair, limbs or body in close proximity to any suction cover, pool drain or outlet.
- Disable suction outlets or reconfigure into return inlets.
The pump can produce high levels of suction within the suction side of the plumbing system. These high levels of suction can pose a risk if a person comes within the close proximity of the suction openings. A person can be seriously injured by this high level of vacuum or may become trapped and drown. It is absolutely critical that the suction plumbing be installed in accordance with the latest national and local codes for swimming pools.
A clearly labeled emergency shut-off switch for the pump must be in an easily accessible, obvious place. Make sure users know where it is and how to use it in case of emergency.
The Virginia Graeme Baker (VGB) Pool and Spa Safety Act creates
new requirements for owners and operators of commercial swimming pools and spas.
Commercial pools or spas constructed on or after December 19, 2008, shall utilize:
(A) A multiple main drain system without isolation capability with suction outlet covers that meet ASME/ANSI A112.19.8a Suction Fittings for Use in Swimming Pools, Wading Pools, Spas, and Hot Tubs and either:
(i) A safety vacuum release system (SVRS) meeting ASME/ANSI
A112.19.17 Manufactured Safety Vacuum Release systems (SVRS) for
Residential and Commercial Swimming Pool, Spa, Hot Tub, and Wading Pool Suction Systems and/or ASTM F2387 Standard Specification for Manufactured Safety Vacuum Release Systems (SVRS) for Swimming
pools, Spas and Hot Tubs or
(ii) A properly designed and tested suction-limiting vent system or
(iii) An automatic pump shut-off system.
Commercial pools and spas constructed prior to December 19, 2008, with a single submerged suction outlet shall use a suction outlet cover that meets ASME/ANSI A112.19.8a and either:
(A) A SVRS meeting ASME/ANSI A112.19.17 and/or ASTM F2387, or
(B) A properly designed and tested suction-limiting vent system, or
(C) An automatic pump shut-off system, or
(D) Disabled submerged outlets, or
(E) Suction outlets shall be reconfigured into return inlets
For Installation of Electrical Controls at Equipment Pad (ON/OFF Switches, Timers and Automation Load Center)
Install all electrical controls at equipment pad, such as on/off switches, timers, and control systems, etc. to allow the operation (startup, shut-down, or servicing) of any pump or filter so the user does not place any portion of his/her body over or near the pump strainer lid, filter lid or valve closures. This installation should allow the user enough space to stand clear of the filter and pump during system start-up, shut down or servicing of the system filter.
HAZARDOUS PRESSURE: STAND CLEAR OF PUMP AND FILTER DURING START UP.
Circulation systems operate under high pressure. When any part of the circulating system (i.e. locking ring, pump, filter, valves, etc.) is serviced, air can enter the system and become pressurized. Pressurized air can cause the pump housing cover, filter lid, and valves to violently separate which can result in severe personal injury or death. Filter tank lid and strainer cover must be properly secured to prevent violent separation. Stand clear of all circulation system equipment when turning on or starting up pump. Before servicing equipment, make note of the filter pressure. Be sure that all controls are set to ensure the system cannot inadvertently start during service. Turn off all power to the pump. IMPORTANT: Place filter manual air relief valve in the open position and wait for all pressure in the system to be relieved.
Before starting the system, fully open the manual air relief valve and place all system valves in the “open” position to allow water to flow freely from the tank and back to the tank. Stand clear of all equipment and start the pump.
IMPORTANT: Do not close filter manual air relief valve until all pressure has been discharged from the valve and a steady stream of water appears. Observe filter pressure gauge and be sure it is not higher than the pre-service condition.
General Installation Information
- All work must be performed by a qualified service professional, and must conform to all national, state, and local codes.
- Install to provide drainage of compartment for electrical components. These instructions contain information for a variety of pump models and therefore some instructions may not apply to a specific model. All models are intended for use in swimming pool applications. The pump will function correctly only if it is properly sized to the specific application and properly installed.
Pumps improperly sized or installed or used in applications other than for which the pump was intended can result in severe personal injury or death. These risks may include but not be limited to electric shock, fire, flooding, suction entrapment or severe injury or property damage caused by a structural failure of the pump or other system component.
Pumps and replacement motors that are single speed and one (1) Total HP or greater cannot be sold, offered for sale, or installed in a residential pool for filtration use in California, Title 20 CCR sections 1601-1609.
INSTALLATION
Only a qualified plumbing professional should install the WhisperFlo® High Performance Pump. Refer to “Important Safety Instructions” on pages ii – iii for additional installation and safety information.

Pump Rear Clearance

Recommended Piping
Location
Be sure the pump location meets the following requirements:
Note: Do not install this pump within an outer enclosure or beneath the skirt of a hot tub or spa unless marked accordingly.
- Install the pump as close to the pool or spa as possible. To reduce friction loss and improve efficiency, use short, direct suction piping returns.
- Install a minimum of 5 ft. (1.5 m) from the inside wall of the pool and spa. Canadian installations require a minimum of 9.8 ft. (3 m) from the inside wall of the pool.
- Install the pump a minimum of 3 ft. (0.9 m) from the heater outlet.
- Do not install the pump more than 10 ft. (3 meters) above the water level.
- Install the pump in a well ventilated location protected from excessive moisture (i.e., rain gutter downspouts, sprinklers, etc.)
- Install the pump with a rear clearance of at least 3 in. (7.6 cm) so that the motor can be removed easily for maintenance and repair.
Piping
- For improved pool plumbing, it is recommended to use a larger pipe size. When installing the inlet and outlet fittings (male adaptors), use thread sealant.
- Piping on the suction side of the pump should be the same or larger than the return line diameter.
- Plumbing on the suction side of the pump should be as short as possible.
- For most installations Pentair recommends installing a valve on both the pump suction and return lines so that the pump can be isolated during routine maintenance. However, we also recommend that a valve, elbow or tee installed in the suction line should be no closer to the front of the pump than five times the suction line diameter.
Example: A 2 in. pipe requires a 10 in. (25.4 cm) straight run in front of the suction inlet of the pump. This will help the pump prime faster and last longer.
Note: DO NOT install 90° elbows directly into the pump inlet or outlet.
Fittings and Valves
- Do not install 90° elbows directly into pump inlet.
- Flooded suction systems should have gate valves installed on suction and discharge pipes for maintenance, however, the suction gate valve should be no closer than five times the suction pipe diameter as described in this section.
- Use a check valve in the discharge line when using this pump for any application where there is significant height to the plumbing after the pump.
- Be sure to install check valves when plumbing in parallel with another pump. This helps prevent reverse rotation of the impeller and motor.
Electrical Installation
RISK OF ELECTRICAL SHOCK OR ELECTROCUTION.
This pump must be installed by a licensed or certified electrician or a qualified service professional in accordance with the National Electrical Code (NEC) and all other applicable national or local codes and ordinances. Improper installation will create an electrical hazard which could result in death or serious injury to users, installers, or others due to electrical shock, and may also cause damage to property.
Always disconnect power to the pump at the circuit breaker before servicing the pump. Failure to do so could result in death or serious injury to service people, users or others due to electric shock.
Read all servicing instructions before working on the pump.
Wiring
- Be sure all electrical breakers, switches and automatic controls are turned off before wiring motor.
STORED CHARGE – Wait at least sixty (60) seconds before servicing - Become familiar with the wiring diagram, volts, hertz, amps and phase of your particular pump motor. All of this information is provided on the motor nameplate label found on the side of the motor.
- Be sure that the supply voltage meets the requirements listed on the motor nameplate. If these requirements are not met, permanent motor damage may occur.
- For wiring sizes and general guidelines for proper electrical installation, please follow the specifications defined in the National Electrical Code and all other applicable national or local codes.
- 3-Phase motors require external overload protection. An initial inspection is needed to ensure proper rotation of the pump. Once installed, momentarily cycle the power on and then off. Note the rotation of the motor fan or shaft as it comes to a stop. If wired correctly the motor shaft and/or fan will match the rotation arrow noted on the pump.
- Use a strain relief and be sure all electrical connections are clean and tight.
- Cut the wires to the appropriate length so they do not overlap or touch when connected.
Grounding
- Permanently ground the motor using the green ground screw, as shown below. Use the correct wire size and type specified by National Electrical Code. Be sure the ground wire is connected to an electrical service ground.
- The pump should be permanently connected to either a circuit breaker, 2-pole timer or 2-pole relay.
Note: If AC power is supplied by a GFCI circuit breaker, the pump should be wired on its own independent circuit unless the pump is operated in tandem with a Pentair salt chlorine generator.
Bonding
- Bond the motor to the structure in accordance with the National Electrical Code and all other applicable national or local codes. Use a solid copper bonding conductor not smaller than 8 AWG. For Canadian installations, a 6 AWG or larger solid copper bonding conductor is required. Run a wire from the external bonding screw or lug to the bonding structure.
- Connect the wire from the accessible bonding lug on the motor to all metal parts of the swimming pool, spa, or hot tub structure and to all electrical equipment, metal conduit, and metal piping within 5 feet (1.5 m) of the inside walls of the swimming pool, spa, or hot tub. Run a wire from the external bonding screw or lug to the bonding structure.
Before establishing or restoring power to the pump, be sure all electrical connections are tight and all electrical and wiring compartment covers are properly installed.
Note: When the pump is started and stopped by removing power with a relay or timer, a two-pole device should be used to apply and remove power to both POWER LINE TERMINALS.

Pentair offers GFCI breakers which offer appropriate personal protection while meeting 2008 to current NEC Standards for Pool Pumps. See Pentair product catalog for details.
MAINTENANCE
DO NOT open the strainer pot if pump fails to prime or if pump has been operating without water in the strainer pot. Pumps operated in these circumstances may experience a build up of vapor pressure and may contain scalding hot water. Opening the pump may cause serious personal injury. In order to avoid the possibility of personal injury, make sure the suction and discharge valves are open and strainer pot temperature is cool to touch, then open with extreme caution.
To prevent damage to the pump and for proper operation of the system, clean pump strainer and skimmer baskets regularly.
Pump Strainer Basket
The pump strainer basket (or ‘strainer pot’, ‘hair and lint pot’), is located in front of the volute. Inside the chamber is the basket which must be kept clean of leaves and debris at all times. View basket through the ‘See Through Lid’ to inspect for leaves and debris.
Regardless of the length of time between filter cleaning, it is most important to visually inspect the basket at least once a week. A dirty basket will reduce the efficiency of the filter and heater and also put an abnormal stress on the pump motor which would result in a costly repair bill.
Cleaning the Pump Strainer Basket
- Turn off the pump at the circuit breaker.
- Relieve pressure in the system by allowing the water to cool.
- Gently tap the clamp in a counter-clockwise direction to remove the clamp and lid.
- Remove debris and rinse out the basket. Replace the basket if it is cracked.
- Put the basket back into the housing.Be sure to align the notch in the bottom of the basket with the rib in the bottom of the volute.
- Fill the pump pot and volute up to the inlet port with water.
- Clean the cover, O-ring, and sealing surface of the pump pot.
Note: It is important to keep the lid O-ring clean and well lubricated. - Reinstall the lid by placing the lid on the pot. Be sure the lid O-ring is properly placed. Seat the clamp and lid on the pump then turn clockwise until the handles are horizontal.
- Turn the power “ON” at the house circuit breaker. Reset the pool time clock to the correct time.
- Open the manual air relief valve on top of the filter.
- Stand clear of the filter. Start the pump.
- Bleed air from the filter until a steady stream of water comes out. Close the Manual Air Relief Valve.
THIS SYSTEM OPERATES UNDER HIGH PRESSURE.
When any part of the circulating system (e.g., Lock Ring, Pump, Filter, Valves, etc.) is serviced, air can enter the system and become pressurized. Pressurized air can cause the lid to separate which can result in serious injury, death, or property damage. To avoid this potential hazard, follow above instructions.
Winterizing
You are responsible for determining when freezing conditions may occur. If freezing conditions are expected, take the following steps to reduce the risk of freeze damage. Freeze damage is not covered under warranty.
To prevent freeze damage, follow the procedures below:
- Shut off electrical power for the pump at the circuit breaker.
- Drain the water out of the pump housing by removing the two thumb-twist drain plugs from the housing. Store the plugs in the pump basket.
- Cover the motor to protect it from severe rain, snow and ice.
Note: Do not wrap motor with plastic or other air tight materials during winter storage. The motor may be covered during a storm, winter storage, etc., but never when operating or expecting operation.
In mild climate areas, when temporary freezing conditions may occur, run your filtering equipment all night to prevent freezing.

Strainer Pot Assembly
SERVICING
Always disconnect power to the pump at the circuit breaker and disconnect the communication cable before servicing the pump. Failure to do so could result in death or serious injury to service people, users or others due to electric shock. Read all servicing instructions before working on the pump.
DO NOT open the strainer pot if pump fails to prime or if pump has been operating without water in the strainer pot. Pumps operated in these circumstances may experience a build up of vapor pressure and may contain scalding hot water. Opening the pump may cause serious personal injury. In order to avoid the possibility of personal injury, make sure the suction and discharge valves are open and strainer pot temperature is cool to touch, then open with extreme caution.
Be sure not to scratch or mar the polished shaft seal faces; seal will leak if faces are damaged. The polished and lapped faces of the seal could be damaged if not handled with care.
Motor Care
Protect from heat
- Shade the motor from the sun.
- Any enclosure must be well ventilated to prevent overheating.
- Provide ample cross ventilation.
Protect against dirt
- Protect from any foreign matter.
- Do not store (or spill) chemicals on or near the motor.
- Avoid sweeping or stirring up dust near the motor while it is operating.
- If the motor has been damaged by dirt it voids the motor warranty.
- Clean the lid and clamp, O-ring, and sealing surface of the pump pot.
Protect against moisture
- Protect from splashing or sprayed water.
- Protect from extreme weather.
- If the motor has become wet – let it dry before operating. Do not allow the pump to operate if it has been flooded.
- If the motor has been damaged by water it voids the motor warranty.
Note: When replacing the motor, be certain that the motor support is correctly positioned to support the size of motor being installed.
Shaft Seal Replacement
The Shaft Seal consists primarily of two parts, a rotating member and a ceramic seal.
The pump requires little or no service other than reasonable care, however, a Shaft Seal may occasionally become damaged and must be replaced.
Note: The polished and lapped faces of the seal could be damaged if not handled with care.
Pump Disassembly
All moving parts are located in the rear sub-assembly of this pump.
Tools required:
- 3/32 inch hex head wrench
- 1/4 inch hex key wrench
- 9/16 inch open end wrench
- Flat blade screwdriver
- #2 Phillips screwdriver
To remove and repair the motor subassembly, follow the steps below:
- Turn off the pump circuit breaker at the main panel.
- Drain the pump by removing the drain plugs.
- Remove the 6 bolts that hold the strainer pot to the motor/hydraulic sub-assembly.
- GENTLY pull the two pump halves apart, removing the the motor/hydraulic sub-assembly.
- Use a 3/32 inch hex head wrench to loosen the two holding screws located on the diffuser.
- Hold the impeller securely in place and remove the impeller lock screw by using a #2 Phillips screwdriver. The screw is a left-handed thread and loosens in a clockwise direction.
- Using a 1/4 inch hex-key wrench, hold the motor shaft in place at the rear of the motor. This prevents the motor shaft from spinning while removing the impeller and impeller screw.
- Remove the impeller screw and washer using a Phillips screwdriver. The screw is a left-handed thread and loosens clockwise.
- Remove the four bolts from the seal plate to the motor, using a 9/16 inch wrench.
DO NOT run the pump dry. If the pump is run dry, the mechanical seal will be damaged and the pump will start leaking. If this occurs, the damaged seal must be replaced. ALWAYS maintain proper water level. If the water level falls below the suction port, the pump will draw air through the suction port, losing the prime and causing the pump to run dry, resulting in a damaged seal. Continued operation in this manner could cause a loss of pressure, resulting in damage to the pump case, impeller and seal and may cause property damage and personal injury.
Pump Reassembly
- When installing the replacement shaft seal, use silicone sealant on the metal portion before pressing into the seal plate, being careful to keep off of the seal face. Ensure the seal is fully seated and allow 24 hours for sealant to cure. (Complete seal plate w/seal replacement kit available, P/N 350202.)
- Before installing the ceramic section of the seal into the impeller, be sure the impeller is clean. Use a light density soap and water to seal the seal. Press the seal into the impeller with your thumbs and wipe off the ceramic and carbon faces with a clean cloth.
- Remount the seal plate to the motor by installing bolts in a criss-cross (X) pattern and tightening to 70 in-lbs.
- Clean the motor shaft thread and the impeller insert, then screw the impeller onto the motor shaft.
- Screw in the impeller lock screw (counter-clockwise and tighten to 25 in-lbs. while holding the motor shaft with wrench).
- Remount the diffuser onto the seal plate. Make sure the plastic pins and holding screw inserts are aligned.
- Grease the diffuser O-ring and seal plate gasket.
- Grease the bolt threads, assemble the motor subassembly to the strainer pot-pump body by using the two through bolts for proper alignment. Do not tighten the through bolts until all 6 bolts are in place and finger tightened. Torque in a cross pattern to 110 in-lbs.
- Fill the pump with water.
- Reinstall the pump lid and plastic clamp; see the next section, ‘Restart Instructions’.
- Reprime the system.
Restart Instructions
If pump is installed below the water level of the pool, close return and suction lines prior to opening hair and lint pot on pump. Make sure to re-open valves prior to operating.
Priming the Pump
The pump strainer pot must be filled with water before the pump is initially started. Follow these steps to prime the pump:
- Remove the pump lid plastic clamp. Remove the pump lid.
- Fill the pump strainer pot with water.
- Reassemble the pump cover and plastic clamp onto the strainer pot. The pump is now ready to prime.
- Open the air release valve on the filter, and stand clear of the filter.
- Turn on the switch or time clock.
- When water comes out of the air release valve, close the valve. The system should now be free of air and recirculating water to and from the pool.

TROUBLESHOOTING
| Problem | Possible Cause | Corrective Action |
| Pump failure | Pump will not prime – Air leak, too much air. Pump will not prime – Not enough water. Pump stainer gasket is clogged. Pump strainer gasket is defective. | Check suction piping and valve glands on any suction gate valves. Secure lid on pump strainer pot and be sure lid gasket is in place. Check water level to be sure skimmer is not drawing air. Be sure the suction lines, pump, strainer, and pump volute are full of water. Be sure valve on suction line is working and open (some systems do not have valves). Check water level to make sure water is available through skimmer. Clean pump strainer pot. Replace gasket. |
| Reduced capacity and/or head. | Air pockets or leaks in suction line. Clogged impeller. Pump strainer clogged. | Check suction piping and valve glands on any suction gate valves. Secure lid on pump strainer pot and be sure lid gasket is in place. Check water level to be sure skimmer is not drawing air. Turn off electrical power to the pump. Disassemble (see page 4, ‘Pump Disassembly’) Clean debris fromimpeller. If debris cannot be removed, complete the following steps: |
TECHNICAL DATA
Performance Curves

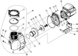
REPLACEMENT PARTS

| Item No. | P/N | Description |
| 1 | 357199 | Clamp |
| 2 | 357151 | Lid, Clear |
| 357156 | Lid, Chemical Resistant | |
| 3 | 350013 | O-Ring, Lid |
| 4 | 070387 | Strainer Basket |
| 5 | 070430 | Bolt, 3/8 – 16 x 1.25 Hex Head. SS, 4 Req. |
| 6 | 072184 | Washer, 3/8 x 13/16 O.D. SS, 6 Req. |
| 7 | 070431 | Bolt, 3/8 – 16 x 1.75 Hex Head. SS, 2 Req. |
| 8 | 071403 | Nut, 3/8, 16 Hex Head, 2 Req. |
| 9 | 357100 | Black Gasket for Seal Plate |
| 10 | 357149 | Volute & Seal Plate Replacement Kit |
| 350015 | Volute | |
| 11 | 355227 | O-Ring Parker No. 2-238 |
| 12 | 071660 | Set Screw, 4-40 x 1-1/8, 2 Req. |
| 13 | 072927 | Diffuser |
| 14 | 071652 | Set Screw, 1/4 – 20 x 1 in. Phillips |
| 15 | 075713 | Rubber Washer |
| 16 | 071734S | Seal PA-7 w/ ceramic seat, PS1000 |
| 071728 | Seal A7 w/ ceramic seat, PS201 |
| 17 | 070429 | Bolt 3/8 – 16 x 7/8 SS Hex Head, 4 Req. |
| 18 | 350202 | Seal Plate Kit (Shaft Seal installed) (Incl. Items 9, 16 & 18) |
| 19 | 070927 | Foot |
| 20 | 070929 | Foot Insert |
| 21 | 071657 | Screw 1/4 – 20 x 1 In. Hex Head, SS, 2 Req. |
| 22 | 071406 | Nut, 1/4 – 20 Hex Head, SS, 2 Req. |
| 23 | 072183 | Washer, 1/4 x 5/8 OD, SS, 2 Req. |
| 24 | 071131 | Drain Plug, 2 Req. |
| 25 | 192115 | O-Ring, Drain Plug, 2 Req. |
| 26 | 357149 | Volute/Seal Plate Replacement Kit, (Incl. Items: 1-4, 9, 10, 16, 18, 24, and 25) |
| 27 | 356363S | Motor |
| 28 | 073126 | Impeller |
| – | 357809 | Motor Fan Guard |
| – | 075451 | Fluid End, (Incl. All Items EXCEPT 27) |
| – | 357243 | Strainer Pot Assembly, (Incl. Items 1-4, 10, 24 and 25) |
CUSTOMER SERVICE / TECHNICAL SUPPORT
If you have questions about ordering Pentair replacement parts, and pool products, please contact:
Customer Service and Technical Support, USA
(8 A.M. to 4:30 P.M. — Eastern/Pacific Times)
Phone: (800) 831-7133
Fax: (800) 284-4151
Web site
Visit www.pentair.com
Sanford, North Carolina (8 A.M. to 4:30 P.M. ET)
Phone: (919) 566-8000
Fax: (919) 566-8920
Moorpark, California (8 A.M. to 4:30 P.M. PT)
Phone: (805) 553-5000 (Ext. 5591)
Fax: (805) 553-5515
1620 HAWKINS AVE., SANFORD, NC 27330 • (919) 566-8000
10951 WEST LOS ANGELES AVE., MOORPARK, CA 93021 • (805) 553-5000
WWW.PENTAIR.COM
All indicated Pentair trademarks and logos are property of Pentair. Third party registered and unregistered trademarks and logos are the property of their respective owners. Because we are continuously improving our products and services, Pentair reserves the right to change specifications without prior notice.
© 2021 Pentair. All rights reserved. This document is subject to change without notice.

















