
INSTRUCTION MANUAL
Digital Fan-Forced
Ceiling Mount Heater
model no.IFH12A-75
IMPORTANT: Please read this manual carefully before running this garage heater and save it for reference.
NOTE: This manual contains important safety and operating instructions. Read all instructions and follow them with the use of this product.
DESCRIPTION
Electric utility heaters are designed to meet a variety of heating requirements by switching a few wires located in the base of the unit. Features horizontal and vertical airflow, built-in thermostat, and overheating safety thermal cut-out.
TECHNICAL SPECIFICATIONS
| Model Number | IFH12A-75 |
| Voltage | 240 V |
| Rated Power | 6,250W / 7,500 W |
| AMPS | 31.3 |
| HEATER RATING& VOLTAGE | HEATER AMPS | MAX. FUSE SIZE | MIN. WIRE SIZE 75° C COPPER |
| 75001/240V | 31. | 45 | #8 |

WARNING:
This appliance must be grounded!
The appliance must be connected to a current protection circuit or device with 50 amp before being connected to the power supply!
IMPORTANT INSTRUCTIONS
When using electrical appliances, basic precautions should always be followed to reduce the risk of fire, electric shock, and injury to persons, including the following:
- Read all instructions before installing or using this heater.
- This heater is hot when in use. To avoid burns, do not let bare skin touch hot surfaces. Keep combustible materials, such as furniture, pillows, bedding, papers, clothes and curtains at least 3′ (0.9 m) from the front of the heater and keep them away from the sides and rear.
- Extreme caution is necessary when any heater is used by or near children or invalids, and whenever the heater is left operating and unattended.
- Always turn off the power when not in use.
- Do not operate any heater after it malfunctions, has been dropped, or damaged in any manner. Disconnect power at service panel and have heater inspected by a reputable electrician before reusing
- Do not use outdoors.
- This heater is not intended for use in bathrooms, laundry areas, and similar indoor locations. Never locate a heater where it may fall into a bathtub or other water container.
- To disconnect the heater, turn controls off, and turn off power to the heater circuit at the main electrical panel.
- Do not insert or allow any foreign objects to enter any ventilation or exhaust openings as this may cause an electric shock, fire, or damage to the heater.
- To prevent a possible fire, do not block air intake or exhaust in any manner. Do not use it on soft surfaces, like a bed, where openings may be blocked.
- This heater has hot and arcing or sparking parts inside. Do not use it in areas where gasoline, paint, or flammable liquids are used or stored.
- All wiring must be carried out by a certified electrician and comply with national and local electrical codes in the United States and Canada.
- Use this heater only as described in this manual. Any other use not recommended by the manufacturer may cause fire, electric shock, or personal injury.
- This heater may include a visual alarm to warn that parts of the heater are getting excessively hot. If the alarm illuminates, immediately turn the heater off and inspect for any objects on or adjacent to the heater that may have blocked the airflow or otherwise caused high temperatures. DO NOT OPERATE THE HEATER WITH THE ALARM ILLUMINATING.
SAVE THESE INSTRUCTIONS
GENERAL SAFETY INFORMATION
- Use only copper wires rated for at least 75ºC.
- Heater airflow must be directed parallel to or away from the adjacent wall.
- Observe wall, floor, and ceiling clearance requirements.
- All wiring must be done according to applicable national and local electrical codes in the United States and Canada. The heater must be grounded as a precaution against possible electric shock. The heater circuit must be protected with proper fuses.
- The mounting and anchoring hardware must be capable of reliably supporting the weight of the heater and its mounting bracket.
- All electrical power must be disconnected and the main service box must be locked before inspecting cleaning or servicing the heater. This precaution must be followed to prevent serious electric shock.
- This heater is not suitable for use in hazardous locations as defined by the National Fire Protection Association (NFPA) in the United States. This heater has hot and arcing sparking parts inside. Do not use it in areas where gasoline paint or flammable liquids are used or stored.
- This heater is not suitable for use in corrosive atmospheres such as marine greenhouses or chemical storage areas.
- This heater must be mounted at least 8′ (2.44 m) above the floor.
WARNING:
This heater requires to hardwire installation (no plug). The installation of this product must be carried out by a certified electrician in accordance with all applicable local and national electrical codes. Read and understand all installation and operation instructions prior to operating this unit. Observe all safety instructions. Improper installation or failure to follow the procedures outlined in this instruction manual can result in serious electric shock.
NOTE: Compatible with a 240 V line voltage single pole wall thermostat. This thermostat must be installed by a certified electrician.
LOCATING HEATER
Install heater out of traffic areas, maintaining clearances stated. The direction of the airflow should not be restricted is by columns or machinery and the airflow should avoid exposed walls rather than blowing directly on them. When more than one heater is used in an area, the heaters should be arranged so that the air discharge of each heater supports the airflow of the others to provide the best circulation of warm air as indicated.

INSTALLATION INSTRUCTIONS
HARDWARE NEEDED
You will need the following hardware, which can be purchased from your local hardware store or electrical supply house:
- Adequate gauge and length of wire for your application.
- Proper size fuse or breaker to handle the amperage.
- Proper wire connectors for your application.
- Fasteners are appropriate for an application that are strong enough to hold the unit.
MOUNTING THE HEATER ON THE CEILING
- Locate a wood stud in the wood ceiling joist. If you cannot locate a wood stud, you have to install a wood piece on the ceiling as this heater must be securely fastened.
- Remove the mounting bracket from the heating unit by loosening bracket screws with a wrench and slipping the handle off over the screw heads.
- Place a washer on screws before inserting through the holes in the mounting bracket and screw them securely into a ceiling joist.

NOTE: If you want to swivel the heater either to the right or left, adding a washer to both sides of the bracket is recommended. A longer lag bolt may be required to properly secure the unit.
HANGING THE HEATER
- Lift the heater up and into the mounting bracket.
- Align the bracket screws with the keyhole slots in the mounting bracket.
- If the heater is to be tilted it must be positioned in the keyhole slots.
- Tighten the bracket screws with a wrench so the unit is securely suspended at a horizontal or vertical level.
model no. IFH12A-75

ADJUSTING AIRFLOW DIRECTION
- To turn the unit when it has been installed with a single lag bolt, simply turn the entire heater as needed. The unit cannot be turned horizontally if it has been installed with 2 lag bolts.
- To tilt the unit vertically, loosen the bracket screws.
- Adjust louvers to the desired position.
NOTE: To prevent possible overheating, please maintain adequate clearance as.

WARNING:
To prevent possible electric shock, disconnect power to the heater at the main service box before attempting to adjust the heat output of this unit.
CONNECTING THE POWER
| HEATER | HEATER | HAX. FUSE | YIN. WIRE SIZE |
| RATING&VOLTAGE | AMPS | SIZE | 75° C COPPER |
| 7500W/240V | 31. | #8 | |

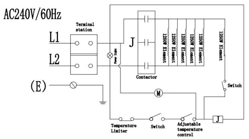
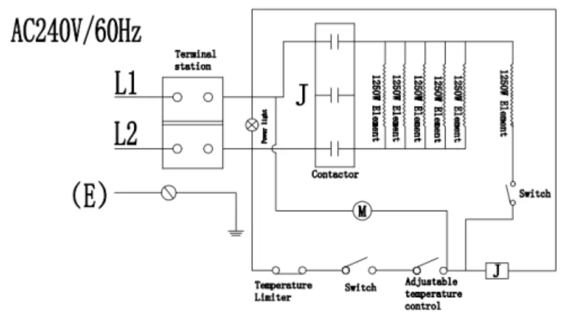
Wiring diagram
NOTE: All wiring must be carried out by a certified electrician and must be in accordance to applicable national and local electrical codes. For certain applications, the conduit may be required. Check local electrical codes. If you run the wiring in conduit and wish to be able to turn the heater be sure to purchase enough flexible conduits to allow the heater to be turned.
- Connect the wire to the power block located in the base of the heater. (Figure 9)
- Turn on the power at the main electrical panel.

OPERATING INSTRUCTIONS

model no. IFH12A-75
- Power indicator Yellow
- CAUTIONindicator Red
- Temperature control
- Switch 1
- Switch 2
INSTRUCTIONS IN NORMAL MODE
| Power indicator Yellow | The power indicator lights up when the product is powered on |
| CAUTIONindicator Red | When the internal temperature of the product is too high and the temperature limiter is disconnected, the fault lamp lights up |
| Temperature control | The adjustable temperature control can only be used when switch 1 is turned on, and when the KNOB is rotated to the maximum angle, the product heats 6250W and the fan starts to work. This mechanical type of adjustable temperature control can be LOW-HIGH and the temperature can be controlled roughly at different angles, when the temperature is too high, the switch will automatically disconnect, product heating and fan work stop |
| Switch 1 | This switch is equal to the main switch, when the second switch is off, the product stop all functions (heating and Fan), want the product to work must first open this switch |
| Switch 2 | When this switch is turned on when the product has a 6250W heating effect, the product will have a 7500W heating effect |
The CAUTIONindicator is on. In this case, immediately turn the heater OFF and inspect for any objects on or adjacent to the heater that may cause high temperatures. DO NOT OPERATE THE HEATER WITH THE CAUTION INDICATOR GLOWING RED.
CLEANING AND MAINTENANCE
- Before cleaning, make sure the power has been turned off at the main breaker panel and that the heating element of the heater is cool.
- To maintain the external appearance of the heater, it need only be wiped occasionally with a dry duster. During the summer months, or at other times when the appliance is not in use and is completely cold, wipe exterior surfaces with a damp cloth. Never allow water or other liquids to drip inside the heater.
- Do not use abrasive cleaning powders or furniture polish. Do not use chemical or abrasive products, metallic scourers or similar items, which may deteriorate the surface, to clean the appliance.
- All other servicing should be performed by qualified service personnel. Do not try to repair the heater yourself.
LIMITED MANUFACTURER WARRANTY
- Year Limited Warranty: Lifeplus warrants this heater against defects in materials and workmanship on functional parts, for a period of one year from the original date of
purchase. Your sales receipt showing the date of purchase of the product is your proof of purchase. Keep it in a safe place for future reference.
Manufacturer Warranty
All Lifeplus products are manufactured with the highest quality materials and are warranted to be free from defects in material and workmanship at the time of purchase. This limited warranty applies to products manufactured or distributed by the Lifeplus brand name, are delivered in the continental United States, and extend to the original purchaser or gift recipient. This warranty becomes valid at the time of purchase and terminates either by the specified time frame listed above and/or owner transfer (unless otherwise authorized by Lifeplus, as the manufacturer). Any extended warranties (warranties that cover above and beyond this manufacturer warranty) that are sold through a retailer or third party, are not directly correlated with this Lifeplus limited warranty, and maybe redirected to said retailer or third party for coverage. Some states do not allow limitations on how long an implied warranty lasts, so the above limitation may not apply to you. Some states do not allow the exclusion or limitation of incidental or consequential damages, so the above limitation or exclusion may not apply to you. This warranty gives you specific legal rights, and you may also have other rights which vary from State to State. The purchaser must present Lifeplus with proof of purchase documents (including the date of purchase) if requested. Any evidence of alteration, erasing, or forgery of proof of purchase documents will be just caused to VOID this limited warranty. Products, in which the serial number has been defaced or removed, are not eligible for warranty coverage.



















