SKIMMER SET
For pools with steel walls with return inlet and winter plug
Installation and instruction manual
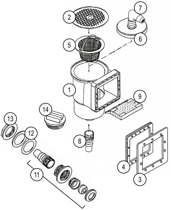
Package list
- Skimmer housing
- Skimmer lid
- Flange for mounting filter opening
- One double gasket, alternatively two single gasketsr
- Skimmer basket
- Suction plate
- Hose coupling elbow
- Hose coupling direct
- Skimmer flap
- Skimmer screws (not depicted)
- Return tube
- Gaskets for return tube
- Plastic nut for mounting return line
- Winter plug
- Teflon tape (not depicted)

Fitting
Use a pool skimmer to clean the water surface and keep your pool looking clean and clear. The skimmer is self-adjusting. Although the water level may vary, the skimmer always cleans a couple of centimetres at the surface. However, the skimmer works best when the water level is at about the centre of the skimmer mouth. At this level, the filter system operates perfectly and there is no risk of it running dry. The skimmer basket (5)(included) must always be fitted inside the skimmer when the filter system is on.
When vacuum-cleaning the pool floor, you can fit a hose to the filter system via the skimmer suction plate (6). Fit the pool hose to the suction plate using the elbow hose connector (7)(included).
2.1 Perforations in pool wall
There are perforations in the pool wall for making holes for the skimmer and return tube. The holes can be cut out and all uneven surfaces are then removed with a file. Lastly, the edges should be treated with an anti-corrosion agent. If this is not done, the edge may rust.
2.2 Fitting the return tube
The pool is filled with water to approximately 5 cm under the perforations for the return tube.
Draw/mark the round hole in the liner and then cut an X in the circle with a sharp knife. Do not cut beyond the marked hole. Now fit the return tube (11) and a gasket (12) from the inside of the pool and out through the pool wall. Attach the return tube to the pool wall by firmly tightening the plastic nut (13). Do not overly tighten the nut. odt fast. Undgå at overspænde omløberen.
To seal the return tube on the outside of the pool wall, use plenty of teflon tape on the hose coupling threads before threading it onto the return tube.
2.3 Fitting the skimmer
To fit the skimmer, repeat the procedure to mark the skimmer hole (see below). The skimmer set may contain either 2 x single gaskets or one double gasket. Fit the double gasket (4) around the skimmer perimeter and the hole in the lining so that the gasket seals both the pool wall and the liner. Fit single gaskets one on each side, i.e. one on the outside of the liner and one on the outside of the pool wall.
Single gasket
A tip to help you fit single gaskets:
- Push a screw through the upper holes on the right and left of the front skimmer frame and the gasket on the inside of the pool.
- The position of the two screw holes is now marked on the inside of the liner by the two screws inserted in the front skimmer frame (3).
- Prick a hole in the liner to mark these two positions.
- Now fit the front frame and skimmer gasket to the inside of the pool.
NB: Both screws must be inserted from the inside and out through the pool wall.
Fit the other skimmer gasket onto the screws on the outside.
The skimmer will now be secured with the screws on the outside of the pool. Now fit the remaining screws in the same way, one after the other, in the skimmer housing.
Wait to fully tighten the screws until all are in place. Once they are in place tighten the screws diagonally and uniformly to ensure that proper sealing is attained.
Note:
To avoid overtightening, use a standard screw driver. Never use a power screw driver.
It is also important to check that the skimmer gasket is evenly mounted around the opening. Lastly, use a sharp knife to cut away the liner in the skimmer opening.
2.4 Fitting the hose
Secure a hose connector (8) to the base of the skimmer housing. Wrap a generous layer of Teflon tape around the thread to seal. Fit hoses to the skimmer and return. Secure the hoses with hose clamps. Connect the hose from the skimmer to the filter pump inlet. Connect the return hose to the top valve outlet on the filter tank (the outlet is usually marked POOL or RETURN).
2.5 Fitting the skimmer weir and basket
Fit the skimmer weir (9) into the skimmer mouth. The skimmer weir stops air from entering the filter system and prevents a vortex from forming in the outlet.
Finally, insert the skimmer basket (5) into the skimmer housing (1) and put on the lid (2).
Important general information
The water level in the skimmer must always be at least up to the middle of the filter opening.
If the water level is only 1 cm above the lower edge of the skimmer, there is a risk that too little water will be added to the filter system.
Regularly check that the skimmer flap is properly functioning and clean the skimmer basket as needed, but at least once weekly.
The included suction plate (6) is only used when a bottom suction hose is to be connected to the filter system. It is very important that the hose is completely filled with water before you begin. Fill the hose by holding it in front of the return tube while the filter pump is running. It is advisable to turn off the filter pump before the bottom suction hose is connected to avoid air in the system when connecting the hose.
TIP!
Priming a non-self-priming pump
Attach a hose to the base of the skimmer and switch on the water. Water now flows towards the pump. Start the pump when it is full of water. The pump begins to suck in water, creating a vacuum in the hoses. There is no need to re-prime unless for some reason the hoses have been disconnected.
Preparing for cold weather
Before cold weather sets in, the water level in the pool must be reduced to a level under the return tube to avoid frost damage to the component parts during the winter. Hoses and filter systems must be removed, emptied and stored at a temperature above freezing. If fixed lines are used, they must be emptied of water. It is advisable to use a skimmer guard during the winter.
It absorbs the extra pressure from any formation of ice in the skimmer.
Guarantee
The guarantee is in effect for 12 months (plus 12 months of entitlement to file guarantee claims) The guarantee period applies from the date on your receipt. The receipt must be presented when requesting service during the guarantee period. It is therefore important that you keep the receipt in a safe place. The guarantee does not apply for normal wear, scratches and cosmetic damage.
More specifically, the guarantee does not apply for damage caused by:
- Improper use or handling.
- Carelessness and lost components.
- Repairs, modifications or similar actions other than those performed by the Swim & Fun service centre.
In the event of guarantee claims and technical questions, contact Swim & Fun Scandinavia Aps.
When returning a defective product, it must be packed in such a way that it is not damaged during transport. It is your responsibility that the product arrives safely. You must state your name, address, phone number and preferably your e-mail address.
We cannot otherwise return the product to you.
Always be sure to describe the problems you are experiencing with your sand filter system.
For more information and tips, see our website: www.swim-fun.com
This manual is protected by copyright law.
Swim & Fun Scandinavia Aps
Denmark +45 7022 6856
Sweden +46 771 188819
POOL WATER Hot, clean and crystal clear
Water care? Get off to a great start! Read our comprehensive guide to pool water maintenance at swim-fun.com. The website also showcases many different pool heating options and a wide range of pool accessories.
swim-fun.com
Swim & Fun A/S
[email protected]
www.swim-fun.com
MV-1533-06-2021
Manual (GB-SE-FI-DK-NO-GB-DE-PL)
© All rights reserved Swim & Fun A/S 2021



















