3-Way Valve Electronic
ART. 1532
USER MANUAL


Introduction
This operating manual relates to the product mentioned above. It contains important information on how to start the product for the first time and how to operate it. Read the operating instructions carefully – especially the safety instructions – before using this product. Failure to follow these operating instructions could result in serious personal
injury or damage to your product. The operating instructions are based on standards and regulations applicable in the European Union. If the product is used abroad, follow all country-specific guidelines and laws. Store the operating manual in a safe place for later reference and passing on to a third party where relevant
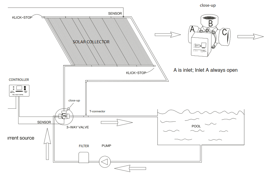
This product is for private use only and is not suitable for commercial use. The electronic three-way valve makes it possible to regulate the direction of water flow in the swimming pool by detecting the temperature via the use of two sensors. Use the product only as prescribed in these operating instructions. Any other use is considered improper and may result in personal injury or property damage. This item is not a toy. The manufacturer nor the distributor assumes no liability for damages resulting from improper use.
Warnings and safety instructions
Read and follow all instructions. Failure to follow these warnings and instructions could result in property damage, serious injury, or death. These product warnings, instructions and safety instructions are comprehensive, but cannot not cover all potential risks and hazards and are therefore not to be considered exhaustive. Be careful and properly assess potential hazards. Improper use and handling may result in life-threatening situations.
Caution
Only open the product as described in this manual. Leave repairs to experts to prevent danger. Contact a specialist workshop. The liability is void and the warranty expires if you make repairs on your own or if the product is incorrectly installed or used. Only original parts corresponding to the original product specifications may be used for repairs. This product contains electrical and mechanical parts that are necessary to protect against potential hazards.
Danger of electric shock
Dangerous for children and people with reduced physical, sensory or mental abilities (such as the disabled, the elderly, people with impaired physical and mental abilities) or people with lack of experience and knowledge. Children must not play with this product. Cleaning must not be performed by children and persons with impaired physical, sensory or mental abilities.
Defective electrical installations or excessive voltage can lead to electric shock. Only connect the product if the mains voltage in the socket meets the technical specifications. Only connect this product using an easily accessible plug to ensure that it can be quickly disconnected from the mains in the event of a fault. Do not operate the product if it shows visible damage or the power cord/plug is defective. As additional protection, it is recommended to install a residual current device (FI/RCD) with a tripping current of a maximum of 30 mA. Consult an electrician for recommendations.
Never touch the plug with wet hands. Never remove the plug from the socket by pulling the cord – always pull on the plug. Keep product, plug and all wires away from open flames and hot surfaces. Place the wire such that there is no risk of tripping over it and do not bury it. Place the wires in such a way that they are not damaged by lawn mowers and other similar appliances. The wire must not be kinked nor placed over sharp edges. Do not use extension cords, manifolds, or other adapters.
Operating/function display
Current temp.: shows the current water temperature (temperature sensor integrated in the three-way valve)
Desired Temp.: allows the temperature to be set to the desired level from 18 °C to 40 °C.
Press ’+’ or ’-’ to set the desired temperature.
The selected temperature then flashes for 5 seconds and automatically switches back to the current water temperature.
Status indicator GREEN LED: Standard circulation = if the desired temperature is the same as or lower than the water temperature in the pool.
Status indicator RED LED: Solar circulation = if the temperature measured by temperature sensor 2 is higher than the desired temperature that has been set.
Flow status
There are three types of flow status:
- When St>Pt and Tt>Pt: B opens and C closes – and the water flows through the solar panel
- When St>Pt and Tt≤Pt: B closes and C opens – and the water does not flow through the solar panel
- When St≤ Pt: B closes and C opens – and the water does not flow through the solar panel.
St is the temperature setting that you desire for the pool. Tt is the water temperature in the outlet of the solar panel. Pt is the water temperature of the pool.
Error code -E0 means that there is a problem with the sensor. All other error codes mean that the water is leaking inside the valve.
NOTE: where the sensor must be installed to sense the water, a hole the size of the sensor often has to be drilled in the solar panel. When the sensor is installed on the solar panel, the edge must be closed tightly with wet room silicone (see figure under Flow status 1).
Flow status 1

Flow status 2 and 3

Technical data
Connection: 230 V, 50 Hz
Isolating transformer: 24 V
Temperature sensor:
- 1: Integrated in the three-way valve temperature sensor
- 2: 10 m cable with integrated sensor
Temperature range:
- -5 – +50 °C
- 18 °C – 40 °C
Water connection: 1½” internal thread Tolerance: +/- 1 °C
Cleaning
Turn off the product before cleaning and unplug it. Use standard cleaning materials. Do not use solvents or abrasive cleaners/tools, i.e. no hard sponges, brushes, etc.
Storage
The product must be dried thoroughly after cleaning. It must then be stored in a dry and frost-free place.
Disposal
Disposal of packaging: The packaging material has been chosen on the basis of environmental considerations and disposal and can therefore be recycled. The paper and
cardboard can be recycled, as can the plastic covers. Disposal of the product: Applicable in the European Union and other European countries with systems for collecting and sorting recyclable materials. Dispose of the product in accordance with all applicable laws and regulations at your place of residence.
Service
We have specialist expertise about our products and in the field, so you can get help quickly and easily. If you have any questions or need more information, please feel free to call Customer service on +45 70 22 68 56
If you need service or to make a warranty claim, you must create a case directly in our support system. Go to the website under SUPPORT.
Guarantee
The product is covered by a 12-month warranty (plus 12-month right of complaint). The warranty period applies from the date of purchase on your purchase receipt. Proof of purchase must be provided when claiming for service under the guarantee.
Note: Keep your purchase receipt in a safe place!
The warranty does not cover normal wear and tear, scratches, abrasions or cosmetic damage. More specifically, the warranty does not cover damage caused as a result of:
- Incorrect use or handling, including frost damage occurring as a result of inappropriate storage.
- Fall or impact
- Repairs, changes or similar conducted by a party other than a Swim & Fun Scandinavia Service Centre.
Complaints
If you wish to register a complaint, you must contact Swim & Fun Scandinavia at swimfun.com/Support. When submitting a defective item it must be packaged so that the product is protected against transport damage. It is your responsibility that the product arrives safely. Please include your name, address and email address in case the product is to be returned to you. Always remember to state what is wrong with the product.
MV-1532-06-2021
swim-fun.com
© Alle rettigheder forbeholdes Swim & Fun A/S



















