CT-5RSA Motherboards Mainboards
User Manual
CT-5RSA Motherboards Mainboards
| Device Type | Mainboard |
| Processor | CX 6X86/IBM 6X86/CX 6X86L/IBM 6X86L/CX 6X86MX/IBM 6X86MX/CX M2/AM K5/AM K6/AM K6-2/Pentium/Pentium MMX/IDT Winchip C6/IDT Winchip 2 |
| Processor Speed | 133/166/180/200/225/233/266/300/333/350MHz |
| Chip Set | ALI |
| Audio Chip Set | ESS |
| Maximum Onboard Memory | 256MB (EDO SDRAM supported) |
| Maximum Audio Memory | Unidentified |
| Cache | 512KB |
| BIOS | Award |
| Dimensions | 244mm x 190mm |
| I/O Options | 32-bit PCI slots (2), floppy drive interface, game port, green PC connector, IDE interfaces (2), parallel port, PS/2 mouse port, serial ports (2), IR connector, USB connectors (2), ATX power connector, AGP slot, line in, line out, microphone in, audio in – CD-ROM |

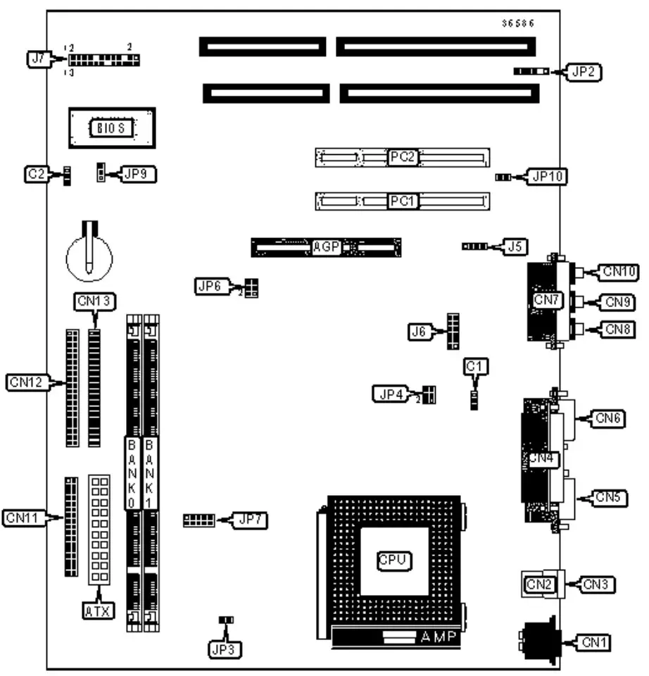
CONNECTIONS
| Purpose | Location | Purpose | Location |
| AGP slot | AGP | Line in | CN9 |
| ATX power connector | ATX | Microphone in | CN10 |
| Audio in – CD-ROM | J5 | Floppy drive interface | CN11 |
| Fan 78 connector | J6 | IDE interface 1 | CN12 |
| CPU fan power | C1 | IDE interface 2 | CN13 |
| System fan power | C2 | Turbo LED | J7/Pins 1 & 2 |
| PS/2 mouse port | CN1 | Green PC connector | J7/Pins 4 & 5 |
| USB connector 1 | CN2 | Green PC LED | J7/Pins 6 & 7 |
| USB connector 2 | CN3 | Reset switch | J7/Pins 9 & 10 |
| Parallel port | CN4 | IDE interface LED | J7/Pins 11 & 12 |
| Serial port 1 | CN5 | Over-ride power connector | J7/Pins 13 & 14 |
| Serial port 2 | CN6 | Speaker | J7/Pins 15-18 |
| Game port | CN7 | Power LED & keylock | J7/Pins 20-24 |
| Line out | CN8 | IR connector | JP2 |
USER CONFIGURABLE SETTINGS
| Function | Label | Position | ||
| CPU I/O voltage 3.3V | JP3 | Open | ||
| CPU I/O voltage 3.5V | JP3 | Closed | ||
| » | CMOS memory normal operation | JP9 | Pins 1 & 2 Closed | |
| CMOS memory Clear | JP9 | Pins 2 & 3 Closed | ||
| On-board audio chip enabled | JP10 | Closed | ||
| On-board audio chip disabled | JP10 | Open | ||
DIMM CONFIGURATION
| Size | Bank 0 | Bank 1 |
| 16MB | (1) 2MB x 64 | None |
| 32MB | (1) 4MB x 64 | None |
| 32MB | (1) 2MB x 64 | (1) 2MB x 64 |
| 48MB | (1) 4MB x 64 | (1) 2MB x 64 |
| 64MB | (1) 8MB x 64 | None |
| 64MB | (1) 4MB x 64 | (1) 4MB x 64 |
| 80MB | (1) 8MB x 64 | (1) 2MB x 64 |
| 96MB | (1) 8MB x 64 | (1) 4MB x 64 |
| 128MB | (1) 16MB x 64 | None |
| 128MB | (1) 8MB x 64 | (1) 8MB x 64 |
| 144MB | (1) 16MB x 64 | (1) 2MB x 64 |
| 160MB | (1) 16MB x 64 | (1) 4MB x 64 |
| 192MB | (1) 16MB x 64 | (1) 8MB x 64 |
| 256MB | (1) 16MB x 64 | (1) 16MB x 64 |
CACHE CONFIGURATION
Note: Location and configuration of cache memory is unidentified
CPU SPEED SELECTION (PENTIUM)
| CPU speed | Clock speed | Multiplier | JP6 | JP4 | ||||||
| 133MHz | 66MHz | 2x | Pins 3 & | 4, | 5 | & | 6 | Pins 1 & 2 | ||
| 166MHz | 66MHz | 2.5x | Pins 3 & | 4, | 5 | & | 6 | Pins 1 & 2, 3 | & | 4 |
| 200MHz | 66MHz | 3x | Pins 3 & | 4, | 5 | & | 6 | Pins 3 & 4 | ||
| Note: Pins designated should be in the closed position. | ||||||||||
CPU SPEED SELECTION (PENTIUM MMX)
| CPU speed | Clock speed | Multiplier | JP6 | JP4 |
| 166MHz | 66MHz | 2.5x | Pins3 &4, 5 &6 | Pins 1 &2,3&4 |
| 200MHz | 66MHz | 3x | Pins3&4,5&6 | Pins 3 & 4 |
| 233MHz | I 66MHz | 4. | Pins 3 & 4, 5 & 6 | Open |
| Note: Pins designated should be in the dosed position. | ||||
CPU SPEED SELECTION (CX 6X86/IBM 6X86)
| CPU speed | Clock speed | Multiplier | JP6 | JP4 |
| 133MHz | 66MHz | 2x | Pins 3 & 4, 5 & 6 | Pins 1 & 2 |
| 150MHz | 75MHz | 2x | Pins 1 & 2, 3 & 4 | Pins 1 & 2 |
CPU SPEED SELECTION (CX 6X86L/IBM 6X86L)
| CPU speed | Clock speed | Multiplier | JP6 | JP4 |
| 133MHz | 66MHz | 2x | Pins 3 & 4, 5 & 6 | Pins 1 & 2 |
| 150MHz | 75MHz | 2x | Pins 1 & 2, 3 & 4 | Pins 1 & 2 |
CPU SPEED SELECTION (CX 6X86MX/IBM 6X86MX)
| CPU speed | Clock speed | Multiplier | JP6 | JP4 |
| 166MHz | 66MHz | 2x | Pins 3 & 4, 5 & 6 | Pins 1 & 2 |
| 200MHz | 66MHz | 2.5x | Pins 3 & 4, 5 & 6 | Pins 1 & 2, 3 & 4 |
| 200MHz | 75MHz | 2x | Pins 1 & 2, 3 & 4 | Pins 1 & 2 |
| 233MHz | 75MHz | 2.5x | Pins 1 & 2, 3 & 4 | Pins 1 & 2, 3 & 4 |
| 233MHz | 83MHz | 2x | Pins 3 & 4 | Pins 1 & 2 |
| 266MHz | 83MHz | 2.5x | Pins 3 & 4 | Pins 1 & 2, 3 & 4 |
Note: Pins designated should be in the closed position.
CPU SPEED SELECTION (CX MII)
| CPU speed | Clock speed | Multiplier | JP6 | JP4 |
| 300MHz | 66MHz | 3.5x | Pins 3 & 4, 5 & 6 | Open |
| 300MHz | 75MHz | 3x | Pins 1 & 2, 3 & 4 | Pins 3 & 4 |
Note: Pins designated should be in the closed position.
CPU SPEED SELECTION (AM K5)
| CPU speed | Clock speed | Multiplier | JP6 | JP4 |
| 166MHz | 66MHz | 2.5x | Pins 3 & 4, 5 & 6 | Pins 1 & 2, 3 & 4 |
Note: Pins designated should be in the closed position.
CPU SPEED SELECTION (AM K6)
| CPU speed | Clock speed | Multiplier | JP6 | JP4 |
| 166MHz | 66MHz | 2.5x | Pins 3 & 4, 5 & 6 | Pins 1 & 2, 3 & 4 |
| 200MHz | 66MHz | 3x | Pins 3 & 4, 5 & 6 | Pins 3 & 4 |
| 233MHz | 66MHz | 3.5x | Pins 3 & 4, 5 & 6 | Open |
| 266MHz | 66MHz | 4x | Pins 3 & 4, 5 & 6 | Pins 1 & 2, 5 & 6 |
Note: Pins designated should be in the closed position.
CPU SPEED SELECTION (AM K6-2)
| CPU speed | Clock speed | Multiplier | JP6 | JP4 |
| 266MHz | 66MHz | 4x | Pins 3 & 4, 5 & 6 | Pins 1 & 2, 5 & 6 |
| 300MHz | 100MHz | 3x | Open | Pins 3 & 4 |
| 333MHz | 95MHz | 3.5x | Pins 1 & 2 | Open |
| 350MHz | 100MHz | 3.5x | Open | Open |
Note: Pins designated should be in the closed position.
CPU SPEED SELECTION (IDT WINCHIP C6)
| CPU speed | Clock speed | Multiplier | JP6 | JP4 |
| 180MHz | 66MHz | 3x | Pins 3 & 4, 5 & 6 | Pins 3 & 4 |
| 225MHz | 75MHz | 3x | Pins 1 & 2, 3 & 4 | Pins 3 & 4 |
Note: Pins designated should be in the closed position.
CPU SPEED SELECTION (IDT WINCHIP 2)
| CPU speed | Clock speed | Multiplier | JP6 | JP4 |
| 240MHz | 60MHz | 4x | Pins 1 & 2, 3 & 4, 5 & 6 | Pins 1 & 2, 5 & 6 |
| 266MHz | 66MHz | 4x | Pins 3 & 4, 5 & 6 | Pins 1 & 2, 5 & 6 |
Note: Pins designated should be in the closed position.
CPU CORE VOLTAGE SETTINGS
| Voltage | JP7 |
| 1.7 | Pins 7 & 8, 9 & 10 Closed |
| 1.8 | Pins 3 & 4, 7 & 8, 9 & 10 Closed |
| 1.9 | Pins 5 & 6, 7 & 8, 9 & 10 Closed |
| 2 | Pins 3 & 4, 5 & 6, 7 & 8, 9 & 10 Closed |
| 2.1 | Pins 1 & 2 Closed |
| 2.2 | Pins 3 & 4 Closed |
| 2.3 | Pins 1 & 2, 3 & 4 Closed |
| 2.4 | Pins 5 & 6 Closed |
| 2.5 | Pins 1 & 2, 5 & 6 Closed |
| 2.6 | Pins 3 & 4, 5 & 6 Closed |
| 2.7 | Pins 1 & 2, 3 & 4, 5 & 6 Closed |
| 2.8 | Pins 7 & 8 Closed |
| 2.9 | Pins 1 & 2, 7 & 8 Closed |
| 3 | Pins 3 & 4, 7 & 8 Closed |
| 3.1 | Pins 1 & 2, 3 & 4, 7 & 8 Closed |
| 3.2 | Pins 5 & 6, 7 & 8 Closed |
| 3.3 | Pins 1 & 2, 5 & 6, 7 & 8 Closed |
| 3.4 | Pins 3 & 4, 5 & 6, 7 & 8 Closed |
| 3.5 | Pins 1 & 2, 3 & 4, 5 & 6, 7 & 8 Closed |


















