STELPRO SPR1002W Prima High-End Compact Baseboard
IMPORTANT INSTRUCTIONS
When using electrical appliances, basic precautions should always be followed to reduce the risk of fire, electric shock, and injury to persons, including the following:
- Read all instructions before using this heater.
- A heater has hot and arcing or sparking parts inside. Do not use it in areas where gasoline, paint, or flammable liquids are used or stored.
- This heater is hot when in use. To avoid burns, do not let bare skin touch hot surfaces. If provided, use handles when moving this heater. Keep combustible materials, such as furniture, pillows, bedding, papers, clothes, and curtains away from heater.
- To prevent a possible fire, do not block air intakes or exhaust in any manner. Do not use on soft surfaces, like a bed, where openings may become blocked.
- Do not insert or allow foreign objects to enter any ventilation or exhaust opening as this may cause an electric shock or fire or damage the heater.
- This product must be installed by a qualified person and connected by a certified electrician, according to the electrical and building codes effective in your region and NEC.
The following instructions must be adhered to avoid personal injuries or property damages, serious injuries and potentially fatal electric shocks. - Protect the heating unit with the appropriate circuit breaker or fuse, in accordance with the nameplate.
- Make sure the line voltage (volt) is consistent with that indicated on the unit’s nameplate.
- This unit must be grounded.
- Switch off the power at the circuit breaker/fuse before installing, repairing and cleaning the unit.
- Make sure the unit is appropriate for the intended use (if needed, refer to the product catalog or a representative).
- Do not install the unit where objects or furniture could be damaged by the heat.
- Respect distances and positions indicated in the installation section.
- If the installer or user modifies the unit, they will be held responsible for any damage resulting from this modification, and the CSA/UL certification could be void.
- When starting up the unit for the first time or after a long period, it is normal that it produces some temporary odours and whitish smoke.
- Do not install on a wall behind a door.
- Make sure the electrical connections are sturdy and have been executed correctly. Failure to comply with this directive could result in a fire.
INSTALLATION
WARNINGS
- Do not install heater in any position other than as shown in this manual.
- Wiring procedures and connections should be done in accordance with the National Elec-trical Code (NEC) and local codes.
- To reduce the risk of fire, do not store or use gasoline or other flammable vapors and liquids in the vicinity of the heater.
- Do not install heaters against combustible low-density cellulose fiberboard surfaces.
- Do not install heaters below an electrical convenience receptacle.
- Use only with copper branch circuit conductors.
- CAUTION – High temperature. Keep electrical cords, drapes, and other furnishings away from heater. Element fins are sharp and may cause cuts; do not touch them.
- Keep drapes at a distance of at least 6 in. (15 cm) from unit.
- Do not install unit in contact with combustible materials.
- Do not remove or bypass the thermal protection ([A] on the following pages).
To ensure safe operation of the heating unit, the clearance specifications shown in the drawing below must be met.
CLEARANCE REQUIRED 
MATERIAL REQUIRED: Phillips screwdrivers, screws, twist-on wire connectors, wire strippers, cable clamp (as required), stud detector (as required).
ELECTRICAL CONNECTION
WARNING: Turn off the power supply.
- Open the shipping box [B] and place it in front of the desired location, as shown at the bottom of the page. Leave the baseboard [C] in its box to protect it during installation.
- Loosen the screw to remove the junction box cover [D]. There is one on each side of the baseboard.
- Carefully pull the two (2) wires [E] connected by a connection cap [F] until they come out of the junction box.
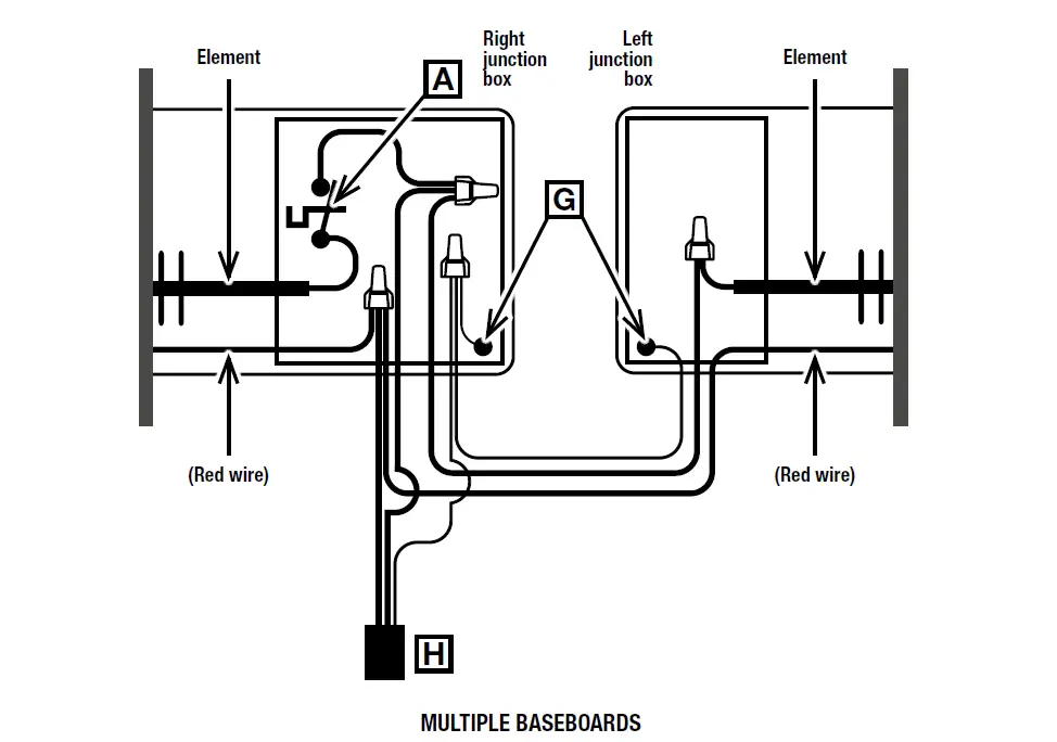
- Depending on the type of installation, use one of the two connection diagrams on the next page. Connect the ground wire securely with the green screw [G] provided for this purpose.
- Connect the baseboard wires [E] to those of the power supply [H]. Tighten the wires securely in connection caps.
- Push all wires into the junction box. Reposition the access cover then retighten the screw [D], making sure to place the power cable [H] in one of the two clearances [J].
Note: If the installation is made in an access cover knockout [K], use a cable clamp to secure the power cable (cable clamp not included).
INSTALLATION AT A CONSTRUCTION SITE: The packaging is designed so that you can make the electrical connection while keeping the baseboard protected in its box. Punch the box [B] along the dotted lines [L] to access the junction box. 
WIRING DIAGRAMS

ATTACHING THE BASEBOARD TO THE WALL
- Remove the baseboard from its box and pivot it toward the wall, as shown.
- To remove the front panel [N], press the plastic tabs [M]. At the same time, pull the front panel toward you and rotate it. Place the front panel in the box to protect it.

- Attach the baseboard to the wall using at least four (4) mounting holes [P]. Use the appropriate screws to install the baseboard. Do not overtighten. To avoid injury, do not touch the fins [Q].
- If no studs are available, anchors may be required.
- To facilitate installation, the baseboard has marks (two small dots)
[R] every 8 in. (20.3 cm) and 16 in. (40.6 cm), which allow you to locate adjacent studs quickly once the first stud is detected.
FINISHING
- Take the front panel [N] from the box and center it above the baseboard, making sure to place the °STELPRO logo in the lower righthand corner.

- Hang the front panel on the top of the baseboard, then pivot it down.
- Push down firmly on the ends of the front panel until it snaps into the hooks [M].
- Once installation is complete, restore power to the electrical panel.
Note: For a baseboard model with a SPRDIS600 disconnect switch, refer to the note at the bottom of the next page for more details.
OPERATION AND MAINTENANCE
WARNING: The baseboard must be properly installed before it is used. Fins are sharp and may cause cuts; do not touch them.
- Once a year, or as required, use a damp cloth and non-abrasive dish soap to remove any dust build-up. All other servicing is to be done by qualified service personnel.
- To inspect or clean the inside of the product, turn off power to the electrical panel circuit breaker and wait until the element’s fins [Q] have cooled. If the unit is in a dusty area, use a vacuum cleaner.
- To access the inside of the baseboard, remove the front panel by following step 2.2 on the previous page.
- Once the maintenance or inspection is complete, replace the front panel by following step 3.1 to 3.3 on the previous page.
- Restore the power at the circuit breaker.
SPRDIS600 OPTION (DISCONNECT SWITCH)
During installation, proceed as follows:
- Complete installation by following steps 1 and 2 on the previous pages.
- Make sure that the SPRDIS600 disconnect switch [S] is in the OFF position.
- Restore power to the circuit breaker.
- Turn the SPRDIS600 disconnect switch to the ON position.
- Replace the front cover by following step 3.1 to 3.3 on the previous page.
During maintenance, proceed as follows:
- Remove the front cover from the unit by following step 2.2 on the previous page.
- Turn the SPRDIS600 disconnect switch [S] to the OFF position.
- Switch off the power to the electrical panel circuit breaker. Wait until the element fins [Q] have cooled before cleaning the unit.
- After cleaning, restore the power at the circuit breaker.
- Turn the SPRDIS600 disconnect switch to the ON position.
- Replace the front cover by following step 3.1 to 3.3 on the previous page.

ºSTELPRO LIMITED WARRANTY
This limited warranty is offered by °STELPRO Design Inc. (“°STELPRO”) and applies to the following product made by °STELPRO: model SPR or ASPR. Please read this limited warranty carefully. Subject to the terms of this warranty, °STELPRO warrants its products and their components against defects in workmanship and/or materials for the fol-lowing periods from the date of purchase: 5 years (3 years on electronic components) and lifetime warranty on the heating element (for first end user). This warranty applies only to the original purchaser; it is non-transferable and cannot be extended.
CLAIM PROCEDURE
If at any time during the warranty period the unit becomes defective, you must cut off the power supply at the main electrical panel and contact 1) your installer or distributor, 2) your service center or 3) °STELPRO’s customer service department. In all cases, you must have a copy of the invoice and provide the information written on the product nameplate. °STELPRO reserves the right to examine or to ask one of its representatives to examine the product itself or any part of it before honoring the warranty. °STELPRO reserves the right to replace the entire unit, refund its purchase price or repair a defective part. Please note that repairs made within the warranty period must be authorized in advance in writing by °STELPRO and carried out by persons authorized by °STELPRO.
Before returning a product to °STELPRO, you must have a °STELPRO authorization number (RMA). To obtain it, call the customer service department at: 1-844-°STELPRO. The authorization number must be clearly written on the parcel or it will be refused.
CONDITIONS, EXCLUSIONS AND DISCLAIMER OF LIABILITY
This warranty is exclusive and in lieu of all other representations and warranties (except of title), expressed or implied, and °STELPRO expressly disclaims and excludes any implied warranty of merchantability or implied warranty of fitness for a particular purpose.
°STELPRO’s liability with respect to products is limited as provided above. °STELPRO shall not be subject to any other obligations or liabilities whatsoever, whether based on contract, tort or other theories of law, with respect to goods or services furnished by it, or any undertakings, acts or omissions relating thereto. Without limiting the generality of the foregoing, °STELPRO expressly disclaims any liability for property or personal injury damages, penalties, special or punitive damages, damages for lost profits, loss of use of equipment, cost of capital, cost of substitute products, facilities or services, shutdowns, slowdowns, or for other types of economic loss or for claims of a dealer’s customers or any third party for such damages. °STELPRO specifically disclaims all consequential, incidental and contingent damages whatsoever.
This warranty does not cover any damages or failures resulting from: 1) a faulty installation or improper storage; 2) an abusive or abnormal use, lack of maintenance, improper maintenance (other than that prescribed by °STELPRO) or a use other than that for which the unit was designed; 3) a natural disaster or an event out of °STELPRO’s control, including, but not limited to, hurricanes, tornadoes, earthquakes, terrorist attacks, wars, overvoltage, flooding, water damages, etc. This warranty does not cover any accidental or intentional losses or damages, nor does it cover damages caused by negligence of the user or owner of the product. Moreover, it does not cover the cost of disconnection, transport, and installation.
The warranty is limited to the repair or the replacement of the unit or the refund of its purchase price, at the discretion of °STELPRO. Any parts replaced or repaired within the warranty period with the written authorization of °STELPRO will be warranted for the remainder of the original warranty period. This warranty will be considered null and void and °STELPRO will have the right to refuse any claims if products have been altered without the written authorization of °STELPRO and if the nameplate numbers have been removed or modified. This warranty does not cover scratches, dents, corrosion or discoloration caused by excessive heat, chemical cleaning products and abrasive agents. It does not cover any damage that occurred during the shipping.
Some states and provinces do not allow the exclusion or limitation of incidental or consequential damages and some of them do not allow limitations on how long an implied warranty lasts, so these exclusions or limitations may not apply to you. This warranty gives you specific legal rights and you may have other rights which vary from state to state or from province to province.
| NET VOLUME (cm3) | |||||
| LEFT JUNCTION BOX | RIGHT JUNCTION BOX | LEFT JUNCTION BOX | RIGHT JUNCTION BOX | ||
| WITHOUT OPTION | 578.46 | 567.16 | SPRRM347C | 436.72 | — |
| SIBTE1 | 526.35 | 515.05 | SPRRM120T/240T | 392.63 | — |
| SPRRE153/156 | 508.82 | — | SPRRM277T/347T | 392.63 | — |
| SPRRE153T | 573.20 | — | SPRDIS600 | 483.40 | 472.10 |
























