STELPRO SBB SERIES Compact Multipurpose Baseboard User Guide
IMPORTANT INSTRUCTIONS
WARNING
Before installing and operating this product, the user and/or installer must read, understand and follow these instructions and keep them handy for future reference. If these instructions are not followed, the warranty will be considered null and void and the manufacturer deems no further responsibility for this product.
This product must be installed by a qualified person and connected by a certified electrician, according to the electrical and building codes effective in your region.
The following instructions must be adhered to in order to avoid personal injuries or property damages, serious injuries and potentially fatal electric shocks.
Protect the heating unit with the appropriate circuit breaker or fuse, in accordance with the nameplate.
Make sure the line voltage (volt) is consistent with that indicated on the unit’s nameplate.
This unit must be grounded.
Switch off the power at the circuit breaker/fuse before installing, repairing and cleaning the unit.
Make sure the unit is appropriate for the intended use (if needed, refer to the product catalog or a representative).
RECOMMENDED HEATING CAPACITY: 1.25 W/cubic foot (0.03 m³)
It corresponds to 10 W/square foot (0.09 m²) based on a standard ceiling height of 8 feet (2.44 m). The recommended capacity is usually sufficient for normal heating needs. Please note that the insulation quality of walls nd windows are some of the factors that influence heat losses, which modify the required capacity to heat a room. If needed, refer to a specialist who will be able to calculate these heat losses and optimize the required capacity or consult the “Online heating calculation” section of the Stelpro Design Web site (residential buildings). To heat a large room and to increase your comfort, it is recommended to install several units instead of one. For example, 2 X 1000 W rather than 1 X 2000 W.
Do not install the unit where objects or pieces of furniture could be heat damaged. Respect distances and positions indicated in the installation section.
If the installer or user modifies the unit, they will be held responsible for any damage resulting from this modification, and the CSA certification could be void.
This unit must not come into contact with a water source and must be protected from splashes (e.g. a wet mop). Do not use it if any part has been immersed. Moreover, do not turn it on or off when standing in water or if your hands are wet.
When mounting the unit, make sure that the anchorage used can support the total weight of the unit with the mounting brackets.
When cutting or drilling into a wall, do not damage electrical wiring and other hidden utilities.
When starting up the unit for the first time or after a long period, it is normal that it produces some temporary odours and whitish smoke.
Because this unit is hot when in use, it may pose risks even in normal operation. Therefore, be careful and responsible when using it. To avoid burns, do not let bare skin touch hot surfaces. Let the unit cool down for a few minutes before handling it (it stays warm for some time after shut-down).
Leave at least 3 inches (7.5 cm) between the front of the unit and objects that have a ground clearance of at least 1 inch (2.5 cm) such as, but not limited to, beds, tables, armchairs, curtains, etc. If these objects are located directly on the floor, leave at least 6 inches (15 cm) between them and the front of the unit. Leave at least 6 inches (15 cm) of space between the top of the unit and objects such as, but not limited to furniture, pillows, curtains, blankets, towels, laundry baskets, clothing, papers, etc. Furthermore, certain materials are more sensitive to heat than others, you must assure that these materials are located at a proper proximity where they can handle the heat released.
Do not install on a wall behind a door.
Never block air vents. This obstruction could lead to overheating, which could result in a fire. Do not use on soft surfaces, like a bed, where openings may become blocked. Do not place a carpet or rug in front of the unit.
Do not insert or allow foreign objects to enter any air vent as this may cause electric shocks, a fire or damages to the unit. This unit has hot and arcing or sparking parts inside. It is not designed to be used or stored in wet areas or areas containing flammable liquids, combustible materials or corrosive, abrasive, chemical, explosive and flammable substanes such as, but not limited to, gasoline, paint, chlorine, sawdust and cleaning products.
Some areas are dustier than others. Thus, it is the user’s responsibility to evaluate if th unit must be cleaned based on the amount of dirt accumulated on and inside air vents. Accumulated dirt can lead to a component malfunction or give a yellowish colour to unit. Failure to install and maintain unit in accordance with these instructions poses a fire hasard.
Thermal protection activation indicates that the unit has been subjected to abnormal operating conditions. If the thermal protection remains activated or activates and deactivates repeatedly, it is recommended that a qualified electrician or a certified repair centre examine the unit in order to make sure it is not damaged. (Refer to the limited warranty.)
If the unit is damaged or defective, cut off power supply at circuit breaker and call a certified repair centre. (Refer to the limited warranty) If the unit is damaged or defective, cut off power supply at circuit breaker and call a certified repair centre. (Refer to the limited warranty.)
If an option must be added, make sure it has been approved by Stelpro. This way, it will ensure that it has been tested in accordance with our safety rules and that an appropriate installation has been planned into the unit.
Make sure that all the electrical connections have been secured and made properly. Pull each wire to ensure it is not loose in the connector as this may cause a fire.
Never paint the unit so as not to affect the performance that can come from the blockage of air passages.
SAVE THESE INSTRUCTIONS
Note: When a part of the product specification must be changed to improve operability or other functions, priority is given to the product specification itself. In such instances, the instruction manual may not entirely match all the functions of the actual product. Therefore, the actual product and packaging, as well as the name and illustration, may differ from the manual.
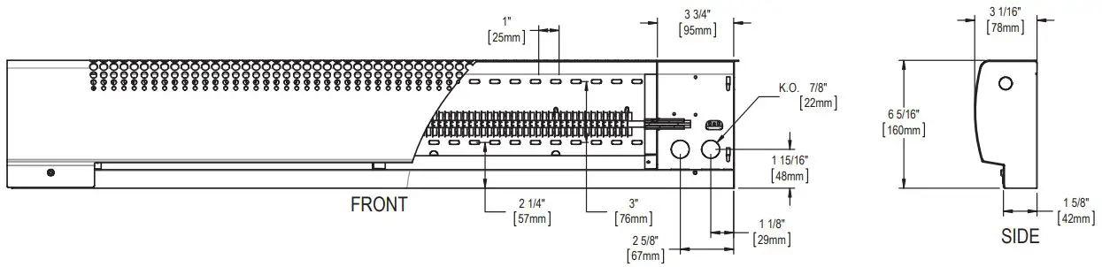
TECHNICAL DRAWINGS & INSTALLATION
TECHNICAL DRAWINGS


INSTALLATION
IMPORTANT NOTES PERTAINING TO THE INSTALLATION
N.B. Cut off power supply at circuit breaker/fuse before proceeding to the installation
CAUTION – HIGH TEMPERATURE, KEEP ELECTRICAL CORDS, DRAPES, AND OTHER FURNISHINGS AWAY FROM UNIT.
Keep drapes at a distance of at least 6 inches (15 cm) from unit. Do not to install unit against combustible low-density cellulose fiberboard surfaces or below an electrical convenience receptacle.
To reduce the risk of fire, do not store or use gasoline or other flammable vapors and liquids in the vicinity of the unit.
Do not install unit in contact with combustible materials.
- To install a thermostat kit or relay, refer to the appropriate user guide.
- Grounding must be made by connecting the ground wire (bare wire) coming from the circuit breaker panel to the green screw located inside the junction box of the heater.
- After the baseboard heater has been tightened to the wall using the mounting holes provided, loosen the mounting screws half a turn to allow for metal expansion.
The junction boxes volume is 53.3 in3 (873.5 cm3 )
N.B. The illustration indicates the airflow generated by the baseboard heater.
This air corridor must remain clear in order to allow the unit to operate efficiently; to ensure good air circulation and to avoid a fire hazard. Leave at least 3 inches (7.5 cm) between the front of the unit and objects that have a ground clearance of at least 1 inch (2.5 cm) such as, but not limited to, beds, tables, armchairs, curtains, etc. If these objects are located directly on the floor, leave at least 6 inches (15 cm) between them and the front of the unit. Leave at least 6 inches (15 cm) of space between the top of the unit and objects such as, but not limited to furniture, pillows, curtains, blankets, towels, laundry baskets, clothing, papers, etc. Furthermore, certain materials are more sensitive to heat than others, you must assure that these materials are located at a proper proximity where they can handle the heat released. Do not install the baseboard under an electrical outlet.
Clearance required
Between the front of the unit and objects that have a ground clearance of at least 1 inch (2.5 cm)

Between the front of the unit and objects located directly on the floor.

INSTALLATION, OPERATION & REPLACEMENT COMPONENT LIST
ELECTRICAL WIRING

SINGLE BASEBOARD WIRING
The baseboard can be wired to a power supply from either end. Remove twist-on connector from selected junction box and secure the power leads.

MULTIPLE BASEBOARDS WIRING
Power connections can be made in either junction box of any heater. Ground continuity must be maintained between heaters that are physically joined to each other and that are supplied from the same branch circuit.

OPERATION:
WARNING : THE UNIT MUST BE PROPERLY INSTALLED BEFORE BEING USED.
REPLACEMENT COMPONENT LIST
| REF. # | PART # | DESCRIPTION | DENSITY |
| 1 | EHD0500-*** | EHD ELEMENT 500 W 16.25 IN. | HIGH |
| 1 | EHD0750-*** | EHD ELEMENT 750 W 22.25 IN. | HIGH |
| 1 | EHD1000-*** | EHD ELEMENT 1000 W 28.25 IN. | HIGH |
| 1 | EHD1250-*** | EHD ELEMENT 1250 W 34.25 IN. | HIGH |
| 1 | EHD1500-*** | EHD ELEMENT 1500 W 40.25 IN. | HIGH |
| 1 | EHD1750-*** | EHD ELEMENT 1750 W 46.25 IN. | HIGH |
| 1 | EHD2000-*** | EHD ELEMENT 2000 W 52.25 IN. | HIGH |
| 1 | EHD2250-*** | EHD ELEMENT 2250 W 58.25 IN. | HIGH |
| 1 | EHD2500-*** | EHD ELEMENT 2500 W 64.25 IN. | HIGH |
| 1 | EBM0400-*** | EBM ELEMENT 400 W 16.25 IN. | MEDIUM |
| 1 | EBM0600-*** | EBM ELEMENT 600 W 22.25 IN. | MEDIUM |
| 1 | EBM0800-*** | EBM ELEMENT 800 W 28.25 IN. | MEDIUM |
| 1 | EBM1000-*** | EBM ELEMENT 1000 W 34.25 IN. | MEDIUM |
| 1 | EBM1200-*** | EBM ELEMENT 1200 W 40.25 IN. | MEDIUM |
| 1 | EBM1400-*** | EBM ELEMENT 1400 W 46.25 IN. | MEDIUM |
| 1 | EBM1600-*** | EBM ELEMENT 1600 W 52.25 IN. | MEDIUM |
| 1 | EBM1800-*** | EBM ELEMENT 1800 W 58.25 IN. | MEDIUM |
| 1 | EBM2000-*** | EBM ELEMENT 2000 W 64.25 IN. | MEDIUM |
| 1 | EBB0300-*** | EBB ELEMENT 300 W 16.25 IN. | LOW |
| 1 | EBB0450-*** | EBB ELEMENT 450 W 22.25 IN. | LOW |
| 1 | EBB0600-*** | EBB ELEMENT 600 W 28.25 IN. | LOW |
| 1 | EBB0750-*** | EBB ELEMENT 750 W 34.25 IN. | LOW |
| 1 | EBB0900-*** | EBB ELEMENT 900 W 40.25 IN. | LOW |
| 1 | EBB1050-*** | EBB ELEMENT 1050 W 46.25 IN. | LOW |
| 1 | EBB1200-*** | EBB ELEMENT 1200 W 52.25 IN. | LOW |
| 1 | EBB1350-*** | EBB ELEMENT 1350 W 58.25 IN. | LOW |
| 1 | EBB1500-*** | EBB ELEMENT 1500 W 64.25 IN. | LOW |
| 2 | PROT-091 | 18 IN. THERMAL PROTECTION | HIGH/MEDIUM/ LOW |
| 2 | PROT-092 | 28 IN. THERMAL PROTECTION | HIGH/MEDIUM/ LOW |
| 2 | PROT-093 | 38 IN. THERMAL PROTECTION | HIGH/MEDIUM/ LOW |
| 2 | PROT-094 | 48 IN. THERMAL PROTECTION | HIGH/MEDIUM/ LOW |
| 2 | PROT-095 | 57 IN. THERMAL PROTECTION | HIGH/MEDIUM/ LOW |
| 2 | PROT-096 | 67 IN. THERMAL PROTECTION | HIGH/MEDIUM/ LOW |
| 3 | SB-024 | RIGHT SLEEVE FOR BASEBOARD ELEMENT | |
| 4 | SB-032 | LEFT SLEEVE FOR BASEBOARD ELEMENT |
MAINTENANCE & TROUBLESHOOTING
MAINTENANCE
N.B. The unit should be cleaned at least once a year. All other servicing is to be done by qualified service personnel. This unit must be cleaned regularly In order for the warranty to be valid. Make sure the power has been turned off at the circuit breaker panel and that the heating element has cooled before cleaning the unit or before removing front panel for cleaning
Use a soft rag for dusting. When cleaning, use only a damp rag and non-abrasive dish soap. If you use a cleaning product, always wipe the product off properly to avoid the discoloration of the unit. Do not use abrasive or chemical cleaners because they may damage the finishing. If the unit is used in a very dusty location, use a vacuum brush to remove dust and other foreign objects from the grilles. Note that cigarette smoke could yellow the unit and especially the discharge grille and that the best way to prevent it is to clean the unit on a regular basis.
Don’t forget to replace front panel (with the screws that were removed) if it was removed for cleaning. Restore the power when cleaning work is complete.
WARNING
Do not use cleaning products identified with these symbols:

![]()
![]()
N.B. Note that there is electrical current linked to the unit even if the thermostat is set off. This means that there is a risk of electric shock as long as the unit is energized.
TROUBLESHOOTING
| PROBLEM | DEFECTIVE PART OR PART TO CHECK |
| THE UNIT DOES NOT WORK |
|
| THE UNIT RUNS CONTINUOUSLY |
|
| THE ENCLOSURE IS EXTREMELY HOT |
|
| THE UNIT CYCLES UNDER CONTROL OF THE THERMAL PROTECTION (OVERHEAT INDICATOR) |
|
| OVERHEATING |
|
| THE BREAKER TRIPS WHEN THE HEATER IS TURNED ON |
|
| THE DESIRED ROOM TEMPERATURE CANNOT BE REACHED |
|
N.B. If you do not solve the problem after checking these points, cut off the power supply at the main electrical panel and contact our customer service (please refer to the limited warranty to obtain the phone numbers)
LIMITED WARRANTY
This limited warranty is offered by Stelpro Design Inc. (“Stelpro”) and applies to the following product made by Stelpro: model SBB. Please read this limited warranty carefully. Subject to the terms of this warranty, Stelpro warrants its products and their components against defects in workmanship and/or materials for the following periods from the date of purchase: 5 years and lifetime warranty on the heating element (for first end user). This warranty applies only to the original purchaser; it is non-transferable and cannot be extended.
CLAIM PROCEDURE
If at any time during the warranty period the unit becomes defective, you must cut off the power supply at the main electrical panel and contact
1) your installer or distributor, 2) your service center or 3) Stelpro’s customer service department. In all cases, you must have a copy of the invoice and provide the information written on the product nameplate. Stelpro reserves the right to examine or to ask one of its representatives to examine the product itself or any part of it before honoring the warranty. Stelpro reserves the right to replace the entire unit, refund its purchase price or repair a defective part. Please note that repairs made within the warranty period must be authorized in advance in writing by Stelpro and carried out by persons authorized by Stelpro.
Before returning a product to Stelpro, you must have a Stelpro authorization number (RMA). To obtain it, call the customer service department at: 1-800-363-3414 (electricians and distributors – French), 1-800-343-1022 (electricians and distributors – English), or 1-866-766-6020 (consumers). The authorization number must be clearly written on the parcel or it will be refused.
CONDITIONS, EXCLUSIONS AND DISCLAIMER OF LIABILITY
This warranty is exclusive and in lieu of all other representations and warranties (except of title), expressed or implied, and Stelpro expressly disclaims and excludes any implied warranty of merchantability or implied warranty of fitness for a particular purpose.
Stelpro’s liability with respect to products is limited as provided above. Stelpro shall not be subject to any other obligations or liabilities whatsoever, whether based on contract, tort or other theories of law, with respect to goods or services furnished by it, or any undertakings, acts or omissions relating thereto. Without limiting the generality of the foregoing, Stelpro expressly disclaims any liability for property or personal injury damages, penalties, special or punitive damages, damages for lost profits, loss of use of equipment, cost of capital, cost of substitute products, facilities or services, shutdowns, slowdowns, or for other types of economic loss or for claims of a dealer’s customers or any third party for such damages. Stelpro specifically disclaims all consequential, incidental and contingent damages whatsoever.
This warranty does not cover any damages or failures resulting from: 1) a faulty installation or improper storage; 2) an abusive or abnormal use, lack of
maintenance, improper maintenance (other than that prescribed by Stelpro) or a use other than that for which the unit was designed; 3) a natural disaster or an event out of Stelpro’s control, including, but not limited to, hurricanes, tornadoes, earthquakes, terrorist attacks, wars, overvoltage, flooding,
water damages, etc. This warranty does not cover any accidental or intentional losses or damages, nor does it cover damages caused by negligence of the user or owner of the product. Moreover, it does not cover the cost of disconnection, transport, and installation.
The warranty is limited to the repair or the replacement of the unit or the refund of its purchase price, at the discretion of Stelpro. Any parts replaced or repaired within the warranty period with the written authorization of Stelpro will be warranted for the remainder of the original warranty period. This warranty will be considered null and void and Stelpro will have the right to refuse any claims if products have been altered without the written authorization of Stelpro and if the nameplate numbers have been removed or modified. This warranty does not cover scratches, dents, corrosion or discoloration caused by excessive heat, chemical cleaning products and abrasive agents. It does not cover any damage that occurred during the shipping.
Some states and provinces do not allow the exclusion or limitation of incidental or consequential damages and some of them do not allow limitations on how long an implied warranty lasts, so these exclusions or limitations may not apply to you. This warranty gives you specific legal rights and you may have other rights which vary from state to state or from province to province.


















