TOPENS TEW3 Exit Wand

You may decrease the sensitivity by adjusting the sensitivity board towards anti-clock direction or even pull sensitivity board directly off. Please make sure the sensitivity is set at a proper level and find a suitable position before burying it. |

Thank you for your purchasing of the EXIT WAND. This product is designed to be used with most brands Gate Opener by providing hands free operation of your gate. An adapter PCB is to be added when it is used with some models of TOPENS gate opener. The gate opens automatically when the wand senses the vehicle moving past. The EXIT WAND is comprised of three elements: the WAND with 5-core cable, range adjustment board and adapter board for some models of TOPENS gate opener.
Installation Overview

NOTE: Keep the WAND and the cable uncovered before the function has been tested OK.
Definition of the 5 –core cable

Wire connection
STEP 1: Insert the adapter board into the socket of the control board before wiring the WAND. Only the TOPENS KD902&AT1202 swing gate opener and the RK990&RK1200&CK1200 need to use the adapter board. You can read the user manual of the opener to check if the adapter board is needed or not.
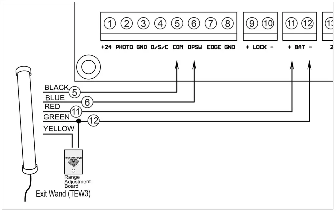
STEP 2: Wiring the WAND to the control board and range adjustment board. Following are the examples to a few models of TOPENS gate opener. More details please refer to the user manual of the gate opener.
Wiring Diagram of the wand to the A series swing gate opener

Wiring Diagram of the wand to the AD/PW series swing gate opener

Wiring Diagram of the wand to the KD902&AT1202 swing gate opener
(Need to plug the adapter board to the control board at first)

Wiring Diagram of the wand to the DK series sliding gate opener

Wiring Diagram of the wand to the RK990&RK1200&CK1200 sliding gate opener
(Need to plug the adapter board to the control board at first)
STEP 3: Power on the gate opener to test. Power off the exit wand and turn the sensitivity board clockwise to increase the sensitivity, turn it counter-clockwise to decrease the sensitivity. If the sensitivity is still too high when the sensitivity board has been adjust to Min., you can disconnect the sensitivity board and ensure the YELLOW wire of the wand is floating (wired to nothing else) to try it again.
Troubleshooting
- Ensure all the wiring connections are correct before testing.
- Ensure there is no moving object around the wand and then try it again.
TOPENS Website
www.topens.com
Any question, please do not hesitate to contact us:
E-mail: [email protected]
Kindly include your Product Model, Purchasing Date & Site, Order #, and your contact information. All your concerns will be replied within 24 hours.
Tel: +1 (888) 750 9899 (Toll Free USA & Canada)

















