TOMAHAWK TR68H Vibratory Rammer User Manual
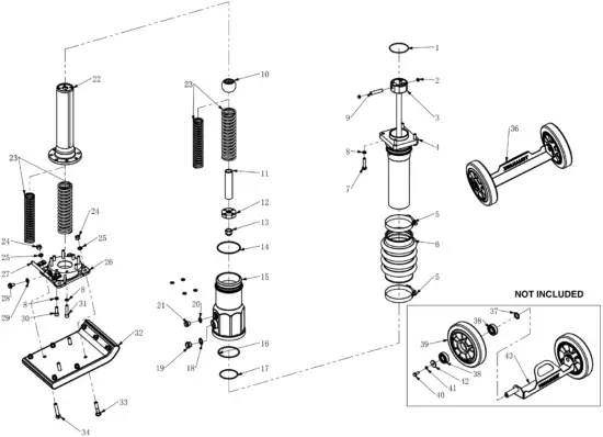
TANK AND HANDLE

No. | Description | Drawing No. | Qty |
| 1 | Plug | 1102-00058-4 | 1 |
| 2 | Screw ST4.8×12 | 16481209 | 1 |
| 3 | Handle Cover | 1102-00057-4 | 1 |
| 4 | Washer M6x25x1.5 | 11062502 | 1 |
| 5 | Bolt M6x35 | 15060350 | 1 |
| 6 | Bolt M8x25 | 15080250 | 6 |
| 7 | Washer M8 | 11080000 | 16 |
| 8 | Fuel Tank Assy. | 1101-21000-4 | 1 |
| 9 | Bolt M6x16 | 15060160 | 2 |
| 10 | Washer M6 | 11060000 | 2 |
| 11 | Trottel Lever Assy. | 1102-06000-3 | 1 |
| 12 | Throttle Wire | 1101-06000-4 | 1 |
| 13 | Handle Assy. | 1101-22000-3 | 1 |
| 14 | Wing Bolt M8x20 | 16082024 | 6 |
| 15 | Spring Washer M8 | 12080000 | 6 |
| 16 | Nut M8 | 13080000 | 4 |
| 17 | Lock Nut M8 | 13080001 | 2 |
| 18 | Engine Shield, Right | 1102-00068-2 | 1 |
| 19 | Washer M10 | 11100000 | 4 |
| 20 | Spring Washer M10 | 12100000 | 8 |
| 21 | Bolt M10x20 | 15100200 | 4 |
| 22 | Allen Screw M10x25 | 16100253 | 4 |
| 23 | Shock Absorber Assy. | 1101-03000-4 | 2 |
| 24 | Roller Assy. | 1101-26000-1 | 1 |
| 25 | 4 | ||
| 28 | 2 | ||
| 26 | Wrench 12×14 | 70000038 | 1 |
| 27 | Wrench 13×16 | 70000039 | 1 |
| 29 | Engine Shield, Left | 1102-00067-2 | 1 |
| 30 | Bolt M8x16 | 15080160 | 4 |
| 31 | Clamp Φ10 | 70000023 | 2 |
| 32 | Fuel Hose | 1101-00038-4 | 1 |
| 33 | Fuel Tank | 1101-21001-4 | 1 |
| 34 | Gap, Fuel Tank | 1101-21002-4 | 1 |
| 35 | Fuel Switch | 1101-21003-4 | 1 |
| 36 | Pin | 1101-16004-4 | 1 |
CRANK CASE ASSEMBLY

No. | Description | Drawing No. | Qty |
| 1 | Air Cleaner Assy. | 1101-07000-1 | 1 |
| 2 | Intake Hose | 1101-00027-4 | 1 |
| 3 | Bolt M6x20 | 15060202 | 11 |
| 4 | Bearing Cover | 1101-00019-1 | 1 |
| 5 | O-Ring Φ40×3.1 | 260403.1 | 1 |
| 6 | Bolt M8x20 (12.9) | 15080208 | 3 |
| 7 | Spring Washer M8 | 12080000 | 2 |
| 8 | Washer M8x24x3 | 11082403 | 1 |
| 9 | Bearing 6203 | 216203 | 1 |
| 10 | Crank Case | 1101-00012-1 | 1 |
| 11 | Bearing 6305 | 216305 | 1 |
| 12 | Crank Gear | 1101-00017-4 | 1 |
| 13 | Connecting Rod | 1101-00018-4 | 1 |
| 14 | Bearing 6304 | 216304 | 1 |
| 15 | Circlip Φ52 | 18520002 | 1 |
| 16 | Washer M8x26x4.5 | 1101-00061-4 | 2 |
| 17 | Packing, Front Cover | 1101-00020-4 | 1 |
| 18 | Front Cover | 1101-00050-1 | 1 |
| 19 | Bolt M10x50 | 15100509 | 4 |
| 20 | Washer M10 | 11100000 | 4 |
| 21 | Spring Washer M10 | 12100000 | 4 |
| 22 | Nut M10 | 13101410 | 4 |
| 23 | Key 5×19 | 20050519A | 1 |
| 24 | Pinion | 1101-00016-4 | 1 |
| 25 | Circlip Φ35 | 18350001 | 1 |
| 26 | Bearing 6007 | 216007 | 1 |
| 27 | Spacer | 1101-00015-1 | 1 |
| 28 | Bearing 6007 | 216007-Z | 1 |
| 29 | Spacer | 1101-00014-1 | 1 |
| 30 | Oil Sealing TCΦ52xΦ40×4 | 2540520702 | 1 |
| 31 | O-RingΦ92×4 | 2609204 | 1 |
| 32 | Clutch Drum | 1101-00013-4 | 1 |
| 33 | O-Ring Φ95×2.4 | 260952.4 | 1 |
| 34 | Engine | 25100002 | 1 |
| 35 | Key 4×13 | 20040013D | 1 |
| 36 | Bolt M8x40 | 150804002 | 4 |
| 37 | Clutch Assy. | 1101-02000-1 | 1 |
| 38 | Bolt M12 | 1101-00030-1 | 1 |
| 39 | Spacer, Engine Shield | 1101-00031-1 | 4 |
| 40 | Engine Shield, Lower | 1102-07000-3 | 1 |
| 41 | Washer M8 | 11080000 | 4 |
| 42 | Bolt M8x40 | 15080400 | 4 |
| 43 | Engine Switch | 35120-Z0D-V81C | 1 |
| 44 | Grip Bolt CP Assy., Air Cleaner | 1101-00026-4 | 1 |
| 45 | Cover, Air Cleaner | 1101-00024-4 | 1 |
| 46 | Packing, Air Cleaner | 1101-00025-4 | 1 |
| 47 | Air Filter (Gray) | 1101-00023-4 | 1 |
| 48 | Air Filter (Yellow) | 1101-00022-4 | 1 |
CYLINDER AND FOOT ASSEMBLY NOT INCLUDED

No. | Description | Drawing No. | Qty |
| 1 | O-Ring Φ82×2.4 | 260822.4 | 1 |
| 2 | Plug | 1101-00011-4 | 2 |
| 3 | Piston Rod | 1101-00046-4 | 1 |
| 4 | Guide Cylinder | 1101-00006-4 | 1 |
| 5 | Clamp, Bellow | 1101-00005-4 | 2 |
| 6 | Bellow | 1101-00049-4 | 1 |
| 7 | Bolt M10x45 | 15100450 | 4 |
| 8 | Spring Washer M10 | 12100000 | 12 |
| 9 | Piston Pin | 1101-00010-4 | 1 |
| 10 | Stopper, Upper | 1101-00044-4 | 1 |
| 11 | Stopper, Lower | 1101-00042-4 | 1 |
| 12 | Piston End | 1101-00040-4 | 1 |
| 13 | Lock Nut M18x1.5 | 13180007 | 1 |
| 14 | O-Ring Φ100×3.5 | 261003.5 | 2 |
| 15 | Protection Sleeve | 1101-00002-1 | 1 |
| 16 | O-RingΦ92×4 | 2609204 | 1 |
| 17 | O-Ring Φ78×3.1 | 260783.1 | 1 |
| 18 | Sealing M20 | 14200002 | 1 |
| 19 | Oil Level Gauge | 1101-00004-4 | 1 |
| 20 | Sealing M16 | 14160002 | 1 |
| 21 | Plug M16x1.5×12 | 70161512 | 1 |
| 22 | Spring Cylinder | 1101-00003-4 | 1 |
| 23 | Main Spring | 1101-20000-4 | 2 |
| 24 | Lock Nut M12 | 13120001 | 4 |
| 25 | Spring Washer M12 | 12120000 | 4 |
| 26 | Foot Plate | 1101-00001-4 | 1 |
| 27 | Handle Bar | 1101-00007-4 | 1 |
| 28 | Plug M10x1x16 | 70101016 | 1 |
| 29 | Washer M10x1 | 70000004 | 1 |
| 30 | Allen Screw M10x30 | 16103015 | 4 |
| 31 | Allen Screw M10x45 | 16104515 | 4 |
| 32 | Foot Assy. | 1101-01000-4 | 1 |
| 33 | Bolt M12x65 | 15120655 | 2 |
| 34 | Bolt M12x70 | 15120705 | 2 |
| 35 | Wheel Kits | 1101-19000-1 | 1 |
| 36 | Spacer | 70000048 | 2 |
| 37 | Bearing 6204 | 216204-2R | 4 |
| 38 | Wheel | 2420050601 | 2 |
| 39 | Bolt M8x20 | 15080200 | 2 |
| 40 | Spring Washer M8 | 12080000 | 2 |
| 41 | Washer M8x30x3 | 11083003 | 2 |
| 42 | Frame, Wheel Kits | 1101-18000-3 | 1 |
LIFT RIGHT Use

Save your back
The Tomahawk Power Rammer Transport Wheel Kit is great for job sites large and small. This is the best tool for headache free rammer transport!
Perfectly balanced, simply line up the wheels to the rammer shoe, hook the wheels into the lifting handle, and roll away!
Fits Tomahawk TR68H and JX60H model rammers.

MODEL# TR68H-WHEEL
AVAILABLE AT TOMAHAWK-POWER.COM
Power Your World
Power Your World
Tomahawk understands to keep a job-site running smoothly the proper equipment and spare parts are needed at the drop of a hat. With same day shipping and faster delivery times, count on Tomahawk to keep you powered throughout the day! With long lasting parts and engines, Tomahawk equipment will be the star of your fleet for years to come. Visit www.tomahawk-power.com to get started today!
Support

Tomahawk Power, LLC
San Diego, CA
Sales Support
(866) 577-4476
[email protected]
Equipment Support
(866) 577-4476
[email protected]
![]()
FACEBOOK
facebook.com/TomahawkPowerUSA
YOUTUBE
youtube.com/TomahawkPower
INSTAGRAM
@tomahawkpower

















