
FOXTECH Halo-60 EFI Engine

General Safety
Read and understand this Owner’s Manual before operating your engine. You can help to prevent accidents by being familiar with the controls and observing safe operating procedures.
Operator’s Responsibility:
The operator should know how to stop the engine quickly in case of any Emergency.
A safety zone around the propeller should be established in which no person or object is allowed to enter. Install a guard around the propeller when appropriate.
WARNING
- Observe all safety precautions when working around the propeller.
- Exhaust contains poisonous carbon monoxide, a colorless and odorless gas. Breathing carbon monoxide can cause loss of consciousness and may lead to death.
- Never run your engine in an enclosed space. Always allow for appropriate ventilation.
- Observe precaution around the muffler. The exhaust system gets hot enough to ignite Some materials.
- Keep flammable materials away from the engine.
- Petrol is extremely flammable and is explosive under certain conditions. Do not smoke Or allow Flames or sparks where the engine is operating
Un-Packing Your Engine
Cautions:
Your Engine comes with wire harnesses attached to the intake assembly. Handle the engine with care when removing the assembly from the box
Package List:
- Engine with Intake Assembly
- Engine (ECU)
- Engine CDI
- Fuel Pressure Regulator
- Fuel Tubing
- Main Wire Harness
- Engine Assembly Hardware
- Operation Manual
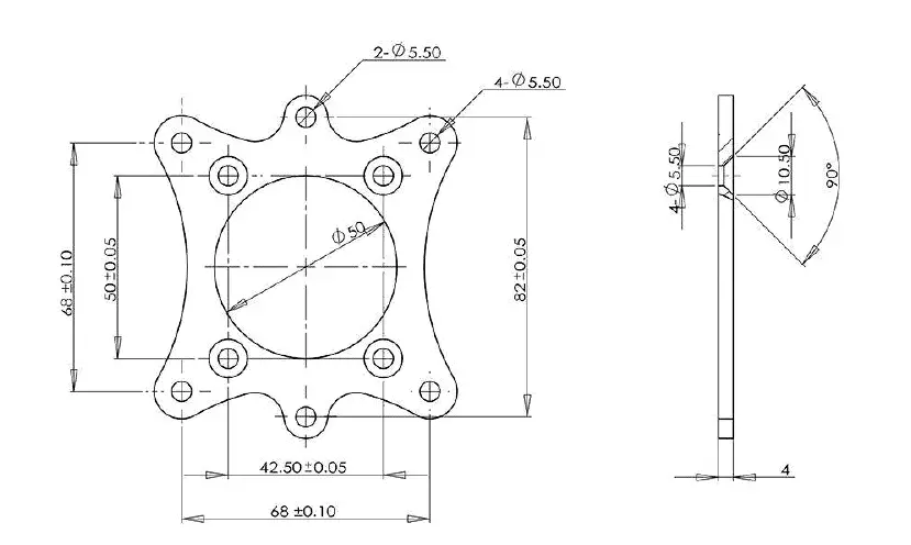
Dimensions



Components & Descriptions

ECU Input Harness from Receiver

CDI Electronic Ignition

Fuel Pressure Regulator

Assembly Hardware


Caution: Strictly connect the wires, wrong connection may cause engine damage.
Engine Installation & Getting Started
Hardware Installation
- Do not install the ECU, fuel pressure regulator and CDI to the engine or motor mount. The vibration will damage the hardware. Route the ECU to a location inside the aircraft and mount it where vibration is minimal. The ECU does not produce excessive heat and can be encapsulated in foam to isolate it from vibration if needed.
- Refer to the diagrams above and make sure wire harness of EFI are well designated & Connected.
- When the engine is mounted, make sure all the wiring harness are connected correctly & the reliability for the connection. It is necessary to ensure the wiring harness does not rub against the body part.
- When the engine is installed, related shock absorption is required, and screw glue is used to ensure reliable installation.
- Connect the thin fuel line from the output port of the fuel pressure regulator to the oil inlet of the throttle valve, push tubing past locking ring in blue to produce a proper seal and lock it, in reverse push the locking ring to release the fuel line (do not fold or twist the fuel line).
- The fuel pressure regulator is installed close to the fuel tank. It is recommended not to be higher than the fuel level, and ensure fuel inlet fuel line & fuel outlet fuel line be not bent or folded; the thin fuel line connecting fuel pressure regulator & the engine should be kept at least 30cm in length in order to reduce fuel pressure change.
- Install the fuel filter between the fuel pressure regulator inlet and the fuel tank, ensure the fuel line is connected properly in place; tighten the non-falling nut for fuel line.
- Any 3 Cell Lipo or 4 Cell Lifepo4 or equivalent battery with a minimum of 2000 mAh rating will run the engine for up to 2 continuous hours (5000 RPM/H). Halo-60 engine is the latest version with CDI voltage from 4.8V-14V. Gaskets for Halo-60 engines (Since September 2021) are in the latest material without air pollution restricted by some countries.
Throttle Setting
- Throttle commands use standard RC TX/RX or flight controller. The voltage of throttle servo installed on the engine is 6V-7.4V by RX or Flight Controller Channel
- Before starting the engine, adjusting the exponential rate of TX throttle curve or flight controller to get the desired throttle response with throttle air valve, which affects the engine performance

- Our EFI system does not need extra Throttle Kill Switch, the engine will stop and automatically the power for fuel pressure regulator is cut off when throttle air valve is fully off.
- For UAV project with the engine applied, providing power to the enable line of
ECU,when the signal of flameout is given, the enable line on an optional module (not recommend) will stop the engine. For most flight controllers on the market, 10% rate for idle RPM is set and will not stop the engine until turning off the button on the flight controller. Suggest the user to set up the idle rate on your TX or flight controller for the first time to operate the engine. Properly adjust and set up the throttle curve and rate to avoid the damage of throttle servo by dead steering.
Engine Oil Mix
This engine was calibrated using 2 Stroke Racing oil at a mix ratio of 30:1 to 40:1. This oil type and mix ratio should be maintained to ensure that the fuel injection system and engine operates as designed.
Fuel Recommendations:
The engine was calibrated with standard 87 octane gasoline (in America), or standard petrol 91/95 in Australia, NEVER USE ETHANOL PETROL, recommended engine oil brand MERCURY 2T,Red Line 2T,MOTUL 710/800 FD class
Starting the engine for the first time
- Prime your system for the first time (or non-use for long time) by removing the fuel line from the inlet of the throttle body
- Cycle the battery power to the ECU in 5 second intervals until fuel is flowing from the fuel line. Re-install the fuel line. You should not have to complete the priming process again unless the engine fuel system is allowed to run dry or has been disconnected for any reason
- Manually hand rotate the propeller in few circles to make sure the hall sensor is working in normal status (the sound “da.da”) with green LED light on & flashing in sync when the engine is running in high speed, now next step starts after the fuel is in。
- Verify that the throttle setting is at about 30%
- The engine should be started using an external spinner, or using a built-in starting alternator ( Be available on our One-Key Starter version soon). Flip starting as an additional option but is not recommended due to possible injuries.
Note: The engine may struggle to run for the first few minutes as it is purging all the air from the fuel system.
This may not be evident until you go to wide open throttle - Allow the engine to run for a few minutes to warm up the engine
- Hold at wide open throttle for 15 seconds to verify that the air in the fuel system has been purged. Reduce the engine speed to idle
- Starting again after the first start. Give the prop several aggressive flips, the engine should start. If the engine does not start, increase throttle above 50% to clear possible flooded condition. Give the prop several more aggressive flips
- LED Lights Patterns on ECU: Red light/Power is on, Yellow light on (fuel pressure regulator is working), Green light flashing in Sync while the engine is running in high speed
- LED light Patterns on fuel pressure regulator: Green light for fuel pressure regulator is in normal status, Red light for fuel pressure regulator pressure is lower (need to checked fuel line)

Maintenance
Use the mixed fuel with mixed engine oil rate 40:1 based on recommended engine oil and petrol
Maintenance Schedule:
| Item | Before each flight | 25 Hours/Per | 50 Hours/Per | 100 Hours/Per | 300 Hours/Per |
| Engine Oil Pre-Mix | √ | ||||
| Spark Plug Check/Adjust | √ | √ | |||
| Spark Plug Replacement | √ | √ | √ | ||
| Air filter Replacement | √ | √ | |||
| Fuel filter Replacement | √ | ||||
| LT OEM Maintenance | √ |
Make sure to maintain the engine periodically and keep the service record for warranty!
Technical Specifications
Technical Data:
- Idle: 2300 RPM
- Max RPM: 7800 RPM
- Thrust: 15KG/100 Meter Altitude
- Propeller Range:22*10; 23*8; 23*10; 23*12; 24*10
- Spark Plug: CM-6
Parameter:
- Displacement: 61cc
- Compression Ratio: 7.6:1
- Lubrication Ratio: 40:1
- Weight of the Main Engnine: 1900G
- ECU: 110G
- Fuel Pressure Regulator: 180G
- CDI: 160G
- Power Waste:12V/2000RPM (4W), 12V/6000RPM (12W)
- Power Generator: 14V 180W
@2022 FOXTECH All Rights Reserved 12



















