IFLIGHT GOCam PM G3 4K Ultra Light Action Camera

Name of Parts
Install Camera
Install Micro SD Card
You will need a Micro SD card (sold separately) to save videos and photos, please choose the SD Card brands which can meet the following requirements:

- MicroSD, MicroSDHC or MicroSDxc
- Class 10 or UHS-3
- Storage up to 256GB
Note: Always wash and dry your hands before handling the SD card. Check the manufacture’ s manual, learn about the acceptable temperature range formemory cards and other important information.
Install Battery Adaptor
Professional Tip: Before using, please use the included BEC adapter cable to power the camera, which supports 2-6S voltage input.

Install Filter
Professional Tip: Please select the appropriate filter for your environment.It comes with 4 filteres.(UV filter, ND8, ND16, ND32)

Camera Operation
Press Power Button GOCam PM G3 will turn on.

Press Power Button for 3 seconds GOCam PM G3 will turn off.

In standby mode single press Record Button then starts recording.
Power on/off
When the camera is off, press the power button. When the camera is on, the blue status light will be on. When the camera is on, a long-press the power button 2s will shut the camera off. Thus blue status light will also shut off.
Start/Stop Recording
When the camera is on, press the recording button to start recording. The status light flashes red. When the camera is recording, press the recording button to stop recording. The status light will turn off.
When the camera is connected to WiFi in the mobile APP the recording button will no longer work.
| State of the LED | Camera status |
| Blue light flashing | SD card error |
| Blue light normally on | The power is on and the SD card is normal |
| Red Light Flashing | Recording |
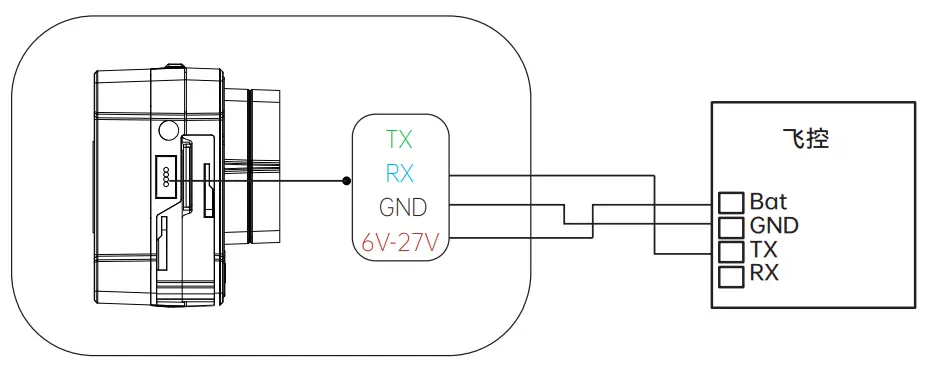
Remote Control Configuration
The GOCam PM G3 camera supports remote control of the camera’s power on/off and startop of the video recording through the controller. The yellow wire controls turning the video recording on/off and the blue wire controls turning the camera on/off. The following example uses the Betaflight F405 flight controller to explain how to configure the remote control to turn the video recording function on/off. The connection diagram is shown in the figure below. Use the TX1 pin on the flight controller to control the recording, and connect the yellow wire. If you use a different flight controller different TX pads may be available instead of TX1 and they may use different resource assignments. You will need to adjust the configuration
Configure the PINIO function of TX1 pin through the following Betaflight commands
resource SERIAL_TX 1 NONE //Turn off the serial port function of TX1 spindle
resource PINIO 2 A09 //Configure the TX1 pin (A09 pin) as the No. 2 PINIO
set pinio_box = 40,41,255,255 //Set PINIO function interval
save //Save configuration
The following diagram configures the PINIO function mapping relationship between the remote control and the flight control. In Betaflight Configuration, the PINIO function No 2 (ie USER2 in the figure below) corresponds to the AUX4 channel of the remote control.

To activate or deactivate functions on the camera, you will need to move the switch Beep from inactive (white area) to the active state (yellow area) and then back to the inactive state (white area).
Your flight controller and radio controller switch configuration must match the setup of your own equipment. Make sure you know what you are doing before configuring. If you do not use the remote control function, cut or insulate the yellow and green wires separately and do not connect to any location.
Download and WIFI Connection
The GOCam PM G3 camera and Insta360 ONE R camera use the same camera control APP.
Scan the QR code below on your mobile phone, or go to the APP Store and search “Insta360 ONE R” to download the APP.

After downloading the APP and installing it successfully, you can use the phone’s WIFI to connect to the camera:
- Turn on your phone’s Bluetooth and WiFi functions.
- If the camera is off, press the power button to start the camera.
- Search for a WiFi station with the name of “ONE R XXXXX” by mobile phone, and connect to the WiFi with the password of 88888888.
- Open the APP and click the camera icon at the bottom of the app page to enter the camera control page. When you see the picture transmitted from the camera, the connection is successful.
- After a successful connection, you can record videos and set them up through the app.
Note: The effective distance of the WIFI connection is 2 meters (no interference and no shielding). Since the GOCam PM G3 camera has no screen, the WiFi connection process is different from Insta360 ONE R. If prompted “First connection requires confirmation on camera”, exit and proceed to step 3 above.
STUDIO Download & Stabilization Processing
Professional Tip: It is recommended to periodically format the SD card regularly to keep it in good condition. This will erase all media files, be sure to save the files first
The GOCam PM G3 camera uses the same app as the Insta360 ONE R. Go to https://www.insta360.com/cn/download/insta360-oner to download Insta360 TUDIO post-processing software.
Insta360 STUDIO has added an FPV augmenting model for processing GOCam PM G3 aerial video. After importing the video, select “Basic Settings” on the right side, check “Use FlowState Stabilization” and select “FPV” from the FOV Options;

Note: Make sure Insta360 STUDIO has been upgraded to version 3.5.5 or later before using the “FPV” stabilization feature. The stabilization function currently supports only four resolutions: 4K30 4:3, 4K30 16:9, 4K60 16:9, and 2.7K60 16:9.
Camera Parameters

9. Technical Support
https://iflightrc.freshdesk.com
Reminder
- Make sure the battery is fully charged before using
- Do not touch the camera’s heat sink directly.
- If you shoot high resolution or high frame rate video when the temperature is high outside, it will cause the camera to heat up and consume more power.
- Please do understand that we are not responsible for the camera damages caused by disassembly.
Included
- GOCam PM GR *1
- UV Filter *1
- ND16 Filter *1
- Manual *1
- BEC Adaptor *1
- ND8 Filter *1
- ND32 Filter *1
- Camera Mount *1

Install Camera


















