ENSTO EFHTM100.4 ThinMat Heating Mat Kit Instruction Manual
Installation in aggregate based levelling compound










Installation Instructions
Ensto Thin Mat is a pre-dimensioned thin underfloor heating mat with an adhesive mesh to ease the installation. The heating mat is intended for installation on a non-flammable surface immediately under parquet, laminate, plastic flooring or clinker. The heating mat is not suitable for mounting on a wall. The maximum power output with parquet, laminate or plastic covering is 100 W/m².
Safety Instructions
Electrically skilled person
- The installation must only be done by an electrician with the appropriate qualifications.
- Read this installation manual carefully before starting the installation work.
- Follow the instructions in this installation manual, and make sure that the installation complies with national safety regulations, installation methods and restrictions.
- The information provided in this installation manual in no way exempts the installer or user from responsibility to follow all applicable safety regulations.
- This installation manual is a part of the product and must be stored in a safe location so that it is available for future installation and service.
WARNING
Danger of electric shock! Risk of fire!
- Improper installation can cause personal injury and property damage.
- Do not operate a defect heating cable.
- Do not switch on the power supply before the installation work is completed.
Delivery contents
- Thin Mat heating mat
- Flexible plastic tube
- Tape
- Installation instruction
Storage
- Store the heating mat and the associated components in a dry environment.
- Keep the heating mat in the sales package until you start the installation work.
Planning
- Plans and working drawings must be made of the installation of the heating mat. Both must be made by a suitably qualified electrical contractor or electrical designer in accordance with the manufacturer’s instructions and in compliance with industry rules and regulations.
- The working drawings must show the following:
- the heating mat type, rating and length
- the area in which the heating mat is installed
- The installation must comply with the working drawings as precisely as possible.
- Indicate possible changes on the final drawings.
General Installation Instructions
- Heating cables must not be shortened and there must not be any tension on the connectors at the cable ends.
- The heating cable can be detached from the mesh, if necessary. The loose heating cable should be installed with same spacing as in the heating mat. The minimum spacing is 60mm.
- Heating mats must not be installed under fixed structures like closets.
- It is not allowed to nail or drill a floor in which a heating mat has been installed.
- It is not allowed to step on the heating mat cable and the heating cable or the connectors at the cable ends must not be subjected to any mechanical stress.
- The heating cable must be completely covered with a leveling compound.
- The minimum radius for bending the heating cable is 30 mm.
- The heating mat must not be installed in a class 0 space.
- In wet areas ensure, that the waterproofing is made according to local building regulations.
- The heating mat must be installed in a medium of equal thermal conductivity over the whole installation area. The heating cable must not touch or overlay itself or the cold cable at any point.
- The joint to cold lead and cable termination have to be in the same medium as the heating cable. They must not be bent and they must be fixed sufficiently close to the base or reinforcement mesh. The cold lead must be protected with a conduit.
- The heating cable must not be passed through the thermal insulation, exception the cold lead.
- The heating cable must not cross a construction joint or be laid in an area where there is a danger of the slab cracking or overheating.
- The heating cable must not be installed in areas where there is a danger of overheating. The distance to a sauna stove, heat storing fire place or other radiant must exceed 0,5m.
- The floor materials and structures must comply with the manufacturer’s instructions and approved
building methods. - The suitability of the floor material for underfloor heating must be ensured with the manufacturer.
- In a floor in which a Thin Mat heating mat has been installed the heating resistance must not exceed 0,125 m²K/W.
- The thickness of the flooring material covering the cable must be greater than > 5 mm.
- The lowest installation temperature is -5 °C.
- The floor to be heated must not be covered with a thick or otherwise well insulating carpet.
- The thermostat sensor is installed in a protective tube. The sensor must be positioned between the heating cables so that it does not touch the cable. The end of the sensor tube must be made watertight.
- Protect the heating mat from damage in the event of possible repair work on the installation site
General Electrical Installation Instructions
- A fault current switch with a nominal operating current of max. 30 mA must be used in installations.
- A suitable thermostat must be used to control the heating.
- The floor heating installation must be provided with an all-pole, overvoltage class III separating device. For example, Ensto’s floor heating thermostat switches meet this requirement. The separating device may be collective or common for all heating groups. An operating switch located in the control circuit can also serve as a separating device.
- In premises where there is an explosion hazard, other consumer appliances must not be connected
to the same branch circuit. - The condition of the heating cable must be inspected before and after casting by measuring the cable resistance (Rj) as well as the insulation resistance (Re) between the supply wires and the earth wire, see figure 7 on page 4.
- The heating cables must not be switched on before the concrete screed has dried out. Follow the concrete screed manufacturer’s instructions.
Installation Protocol and Warranty
- The Installation protocol must be completed properly and carefully. The Installation Protocol and
these installation instructions must be stored in a safe location so as to be available after installation. - Proper heating cable loop resistance (Rj) and insulation resistance (Re) measurements as well as accordingly completed Installation Protocol is required for validating Ensto Building Systems Finland Oy’s warranty.
- In the installation of the Ensto heating cables into wet areas it is required that the water insulation that is used can be partly corrected / defragmented in the event of a possible defect. Report the damage to Ensto Building Systems Finland Oy or an installer authorized by Ensto before you take any actions to repair the installation.
- The warranty period for Ensto Thin Mat heating cable is 20 years from the date of purchase but no longer than 21 years from the date of manufacture. The manufacture date is located on the rating label. Warranty terms, see www.ensto.com/building-systems
Disposal
Do not dispose of electrical and electronic devices including their accessories with the household waste.
- The product’s cardboard packing is suitable for recycling.
- When underfloor heating system is at the end of the life cycle dispose of the cables, conduits and electronic components properly according to local recycling guidelines.
Installation
Remove the old flooring, if necessary. Level uneven floor surfaces before installation. Spread primer on the floor to ensure a proper adhesion of the heating mat and the new layer of concrete. Clean the floor carefully. Install the Thin Mat heating mat according to the figures on pages 2 – 5:
- Plan and draw the size and location of the heating mat. Carefully mark the positions of the connection point at the “cold” end, the opposite end, and the sensors. Keep this drawing with your other electrical drawings.
- Drill an approx. 10 mm deep groove for the thermostat sensor tube. Alternatively, a flexible plastic
tubing can be used, which is extended with stiff plastic tubing to the junction box. The top surface of the plastic tube should not be installed higher than the top surface of the cable. The curve in the tube must be so gentle that the sensor can be replaced, if necessary (see also figure 4). - Ensure the sensor protective tube is sealed in a watertight manner using a suitable material e.g. electrical tape.
- The floor must be level and carefully cleaned from stones and other sharp objects which can damage the heating cable. Roll out the heating mat with the adhesive side of the mat towards the floor. The adhesive prevents the mat from moving during casting. Push the cold end of the cable into the flexible plastic tube. Extend this installation tubing to the junction box. The connector cable must not cross the heating cable or touch it. Make sure, that the thermostat sensor is in the centre of a loop, and that the sensor cable neither crosses nor touches the heating cable.
- If you need to cut the heating mat, make sure not to damage the heating cable.
- Floor drains, sinks etc. can be bypassed as shown in the drawing. If the cable is detached from the mesh, the loose cable must be fixed carefully to the floor for example with aluminum tape.
- Measure the heating cable’s loop resistance (Rj) and insulation resistance (Re) before casting. Repeat these measurements after casting. Enter the measurement results and other information in the measurement table in this instruction.
- 8. Cover the heating mat with floor leveling compound for heated floors, making sure that the cable, the
cold cable connection and the sensor tube are covered entirely. Air gaps between the heating cable
and the leveling compound must have to be avoided. You can cover the dry leveling compound with
parquet, cork, plastic matting or floor clinker. - Place the heating mat and make waterproofing in wet areas (e.g. bathrooms) in accordance with figure 8. If you install the heating mat in a room where no waterproofing is needed, ignore stages 6, 7 and 8. On the market there is available material in which the liquid elastic membrane for water insulation 7 and reinforcement fabric 8 are combined. In this case, one layer is sufficient. The method shown in figure 8 for achieving water insulation is based on the requirements of “Finnish Building Construction Authorities“. Water insulation should be carried out according to the national standards.
- Concrete slab
- Primer
- Levelling compound
- ThinMat heating mat
- Floor levelling-compound for heated floors
- Primer
- Liquid elastic membrane for waterproofing (if necessary)
- Reinforcement fabric
- Powder-based tile adhesive
- Ceramic tiles
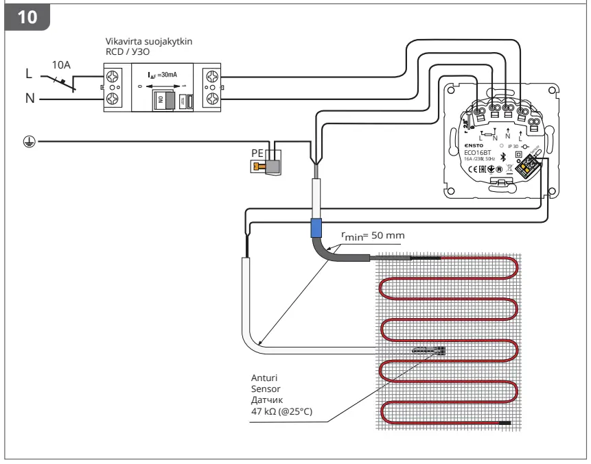
- Wiring diagram for Thin Mat heating cable and thermostat. Connect to the system a thermostat, which is equipped with a floor sensor and is suitable for controlling floor heating. Connect to the supply circuit a fault current switch with a nominal operating current of max. 30 mA.
Installation Protocol
| Cable type | |
| Date of purchase | Place of purchase |
| Date of installation | Installer |
Measurement table
P > 200W => Rj nom +10 …- 5 % / P ≤ 200 W => Rj nom ± 10 % Re ≥ 1,0 MΩ
| Installation site | Rj nom | Before casting | After casting | ||
| (Ω) | Rj (Ω) | Re (MΩ) | Rj (Ω) | Re (MΩ) | |
| Date of measurement | Measurer | Measuring equipment |
| Date | Supervisor | Signature |
The heating mat is installed in the floor.
Do not restrict the thermal emission of the heated floor.
Only attach recommended materials to the heated floor.
Do not insert nails, screws or drill into areas where the heating mat is installed.
Installation drawing – The location of heating cable, joint to cold cable, temperature sensor and thermostat.
















