wallas 1300 Kerosene Heating
Classic paraffin 1300
| Heat output | abt. 1200 W |
| Fuel – consumption | Lamp Paraffine Oil n. 0,125 l/h |
| Supply voltage | 12 V = (11 – 14,5 V) |
| Current consumption – start, 2 minutes | abt. 0,4 A abt. 5 A |
| Dimensions | 220 x 285 x 115 mm |
| Weight | abt. 5 kg |
FUNCTION
Wallas 1300 is a compact free blowing (non-ducted) forced warm air cabin heater with a built-in fan for distribution of the heat in the room in which the heater is mounted. The warm air outlet grill can be freely turned to the desired direction. The vaporizing type kerosene burner ignites automatically with glow coil element when the heater is switched on. All functions are electronically controlled.
The combustion air fan speed and the fuel pump rate are fully stabilized against battery voltage changes to ensure clean burning even with varying battery voltages. The built-in self priming and dosing electromagnetic fuel pump developed by Wallas sucks up the fuel from separate fuel tank below the heater. The unburned excess fuel flows back to tank by gravity.The closeable exhaust head is designed for balanded draught which makes the combustion wind insensitive for wind pressure changes. The combustion is closed and totally separated from the warm air circulation.A built-in overheating thermostat switches off the fuel pump in case of overheating and an aftercooling thermostat keeps the combustion fan running after switching off the heater, until the heater is cooled. The on-off switch and the combustion indication lamp are located at end of the heater.
SPECIFICATIONS
The 1300 heater can be mounted alternatively hanging from its exhaust head on deck or on bulkhead with the mounting fitting nr 1303, which fits for both types of mounting.The heater should be located so that the outflow of the warm air is not hindered but a good warm air circulation is generated. As this heater is of re-circulating type a good ventilation of the heated cabin is necessary. For this a fresh air intake vent located as low as possible and an outlet vent located as high as possible are required.
BEFORE START CHECK
That the heater and exhaust tube are securely mounted and so fixed that the exhaust can not come off from the heater or exhaust head pipe on deck. That the fuel lines are correctly placed (no loops upward on excess return fuel) and the tank filter is placed at the suction tube end, – see page 20.That You have right fuel, -lamp quality paraffin oil = slashed kerosene.That the exhaust head is not closed. The exhaust head is closed by pushing down and turning right and opened by turning left.a The heater should be located so that the out flow of the warm air is not hindered too much, but a good warm air circulation is generated. A good ventilation of the cabin with fresh air intake vent and with a high-placed outlet vent must be secured.
- Red pilot lamp indicates the start of combustion. Should light up in abt. 4-5 minutes after switching on. If not, switch off and wait abt. 5 minutes before restarting.
- Start. For start turn the toggle switch up to ON-position. Do not switch OFF before the red pilot lamp has shown.
- After switching off the heater will not re-start before resting in off-state abt. 5 minutes and not before the red Lamp has gone out.
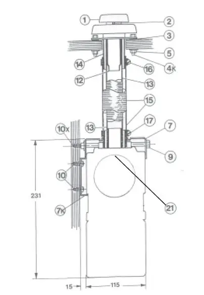
- The overheat thermostat (5 and 21) switches off the fuel pump in case of overheating. For reset, push in after the heater has cooled down.
- If the heater does not suck up fuel. If the fuel pump has gone dry after a long rest or run out of fuel and does not suck up fuel (see the transparent suctionline) –make a restart (after switching off the heater will not restart before resting in off-state abt. 5 minutes) until the combustion starts.A hot heater shall never be switched off with the battery master switch. After switching off the heater must get current for at least 10 min. until the aftercooling switch shuts off the fan motor.
Classic paraffin 1300
- Exhaust head for exhaust through hull board type no 2467. 1Exhaust head type no 2460Exhaust tube no 2448, Ø 28/45 mm.Extra accessory.
- bserve that with type 2467 through hull fittings also the outer Ø 45 mm. Tube must be of stainless quality as the inner tube.
- ounting plate no 1303 for deck and bulkhead mounting is included as standard with bolts, screws and nuts in the basic set.
- he warm air outlet grill can be freely turned to the desired direction. To use a warm air hose 3410 Ø75 mm, pull off the grid from the outlet vent, turn the vent upside-down (mind the three screws) and attach the hose with a clamp to the vent. To maximum length of the hose is 1 m.
- Reset button for overheating thermostat.
- the battery supply cable. Extension cable core area min. 2,5 mm² (SWG 8). To avoid and suppress radio interferences an own direct cable to battery is to be recommended. The red = + lead must be taken through an own app. 15 A fuse and own master switch. Black =
FUEL LINES
| Fuel tanks (mm) | lenght | height | width |
| 2024, 5 L, upright | 195 | 290 | 125 |
| 2027, 10 L, low profile | 380 | 195 | 210 |
Important!
The fuel lines must be placed so that the black excess fuel return tube has continuous fall toward tank. Loops upward from airlocks, which hinder the free return of excess fuel and can cause burning disturbances and shooting.
- The fuel tank must be placed so that it always – also under heeling lies below the heater bottom level.
- tank vent tube end must be taken so high that fuel from tank is not spilled out in the vessel when it heals.
- he tank filter must absolutely be mounted at the end of the fuel suction tube in the tank to shield the pump against impurities and water and to hold the suction tube down pressed.
- tank connector The black return tube
- and transparent suction tube (21) are taken through the connector pipes and secured with rubber sleeves
- The tubes are there after cut to suitable length, the suction tube straight off. The suction filter (16) is mounted at the suction tube end with nut (18), rubber ring (19) and plastic shield washer (20).
- Excess fuel return tube, Ø 5/3 mm, Polyamid, black 21. Fuel suction tube, Ø 5/2 mm, Polyamid, transparent
- Tank vent tube, Ø 7/5 mm, PVC
- ubber sleeves securing the fuel tubes
- ank connector-take through plate
- ank connector screw collar holder
- ubber gasket ring
- Tank filter
- Filter holder nut
- Filter holder nut rubber ring
- Filter shield washer ring 27.
- Shield spiral hinders water intake by holding the suction end free from tank bottom.
Classic paraffin 1300
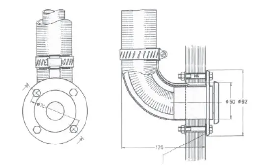
Hole diameter for take through hole = 45 mm. Use the exhaust head base plate as bore template. Attention! The Recommended maximum length for the exhaust pipe is 0,9 m.
- Exhaust head 2460 closes by pressing down and turning clockwise, opens by turning anti-clockwise.
- The exhaust head is opened for mounting by pressing in the pin (2) with a screwdriver etc.
- GasketImportant that the gasket surfaces and the take through hole are carefully sealed with silicone seal.
- The exhaust head is mounted on deck with bolts (4) (M5 x 90) and nuts (5) with lock washer (5x) under. Tight the nuts, but not so hard the base plate deforms.
- The mounting plate (7) is fastened on bulkhead or wall with bolts(M5x25), with lock washer under bolt nut. If screws are used the mounting must be secured with screws (10x) in the upper holes of the mounting plate (7).

- Place the heater on mounting plate (7). The cant (7k) helps to hold up the heater.
- Check that the heater exhaust pipe goes well in the exhaust head middle pipe.
- Cut the exhaust tubes to suitable length Important – The inner smoke tube (13) must be cut 5 cm longer than the outer tube
- The inner tube must be pushed well into the bottom of both heater and exhaust head pipe (12). The outer tube (15) has to be secured at both ends with hose clamps (16/17).
- Check that the heater is mounted so that the reset button (21) of the overheating thermostat is accessible for hand.
EXHAUST TROUGH HULL
With the 2467 through hull fitting must also the outer Ø 45 mm combustion tube be of stainless quality as the inner exhaust tube. The inner smoke tube must be cut 5 cm longer than the outer tube to secure the fastening. The outer tube must be secured at both ends with hose clamps.
WIRING & CONNECTIONS
- Battery cable – min. core area
- 2,5 mm² 0-4 m
- 4,0 mm² over 4 m
- To reduce radio interference created by the heater and to avoid accidental supply interruption to an operating heater, we suggest using a cable direct to the ship’s battery and not via the master switch. 15 A fuse in the positive line (red lead) and own master switch.
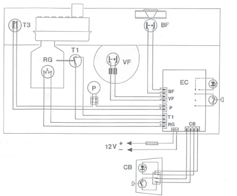
- BF = Combustion blower motor VF = Main blower motor with interference suppressor P = Fuel pump
- T1 = Aftercooling & signal thermistor T1
- Copper heat leader for T1 RG = Glow primer
- T3 = Overheating limit switch EC = Printed circuit board for central electronic control unit CB = Control box connection
IMPORTANT TO OBSERVE
Old fuel – water in fuel
Long storage can cause water confidence which produces wax in Paraffin oil. As this will till up fuel pumps and burner wicks, it is suggested that 3 – 5% of Iso-Propyl alcohol is mixed with the fuel. Filled up fuel pumps and burners can be cleaned by running the heater in cold state for 10-20 minutes with Iso-Propyl alcohol. For this remove the fuel pipe from the tank, start the heater and allow it to run for 10 minutes without fuel before using the alcohol. Use only Iso-Propyl /Propanol based carburetor spiritus, – not Etyl / Methyl based qualities.
Fuel quality
The fuel must be premium-grade paraffin with a Smoke-Point of 35 mm, which should conform to BS 2869. Suitable types are “Pink” and “Blue” in U.K., Esso Blue in Skandinavia and in Europe generally the Esso Exxsol D 60 (D180 –220).
Water intake through exhaust head
The exhaust heads 2466 (cookers) and 2460 (heaters) will, opened, leak water in the heater when submerged or flushed.The penetrating water can then damage the heaters electronics or blower motor.
Limited water penetration in a hot running heater may, however, not be harmful as such water is immediately vaporized and expelled. When closed these exhaust heads do not take water in the heater under above circumstances, provided:
- that the exhaust head is properly closed.
- that the telescope inner tube slide joint of the exhaust head 2460 is tightened by Silicon grease. The greasing is made in factory but it can be removed in mounting –must be checked. New Silicon grease is available from Wallas-Marin representatives or Wallas-Marin.
- that the gaskets in the exhaust head are not defective and that the take through deck joint will not leak.
- Observe, that the exhaust heads are not pressured watertight when closed and will not stand continuous submerging or overflooding without some leaking.
- The water intake can be reduced through raising the exhaust head 30 mm from the deck with the collar 2068 (for 2460) or alternatively 100 mm with extension base or 2069 (for 2460 or 2466) or by using the through hull board fittings 1066 (for cookers) or 2467 (for heaters).

























