fem PI-2 Induction Range User Manual

USE AND CARE INSTRUCTIONS – IMPORTANT SAFEGUARDS
READ ALL INSTRUCTIONS BEFORE OPERATION
- Use an individual , 15 AMPERE electrical socket.
- DO NOT block the air-intake panel, blocking may overheat the
- Use pans 14 cm or larger in We recommend pans be less than 26c m in diameter. Please refer to the next page for a list of suitable and unsuitable pans.
- DO NOT touch the hot surface of the ceramic NOTE: The induction range itself does not produce any heat during cooking, however, the heat from the pan will leave the surface of the ceramic hot!
- DO NOT cook empty pots or Heating an empty pan will automatically activate the overheating protection device and the unit will shut off.
- Place the induction range on a horizontal surface and at least 10cm away from the wall and other objects for proper ventilation.
- DO NOT place any objects or tools in the air-intake Doing so may cause electri-cal shock.
- To protect against electrical shock, DO NOT immerse the unit, the cord or the plug in or near water or other liquids.
- Close supervision is necessary when the induction range is used or near
- DO NOT operate the induction range if it has been damaged in any manner or if the unit Return the unit to the nearest authorized service facility for exami-nation or repair.
- The use of any accessories not recommended by the manufacturer may cause inju-ries.
- Keep the power cord away from
- DO NOT place the induction range in, on or near open flames, electric burners, heated ovens or other high temperature surroundings.
- DO NOT heat any sealed cans on the induction A heated can may explode.
- DO NOT move the induction range while cooking or when the pan is
- After the induction range has cooled down, unplug the cord and clean as follows, ?CERAMIC PLATE: wipe with damp cloth or use a mild, non-abrasive cleaning solution. ?BODY: wipe the control panel with soft cloth or use a mild
- DO NOT use induction range for other than intended
- Unplug when not in
- When storing, DO NOT place any objects on top of the induction
- When using an induction range (smooth top range) for cooking, keep your pacemaker 2 feet (approx. 60 cm) from the heating areas.
SAVE THESE INSTRUCTIONS!!!
SUITABLE COOK UTENSILS- FOR INDUCTION HEATING PLATES
SUITABLE POTS
- Iron
- Cast iron
- Stainless steel
- Enamelware
All pots and pans must have a magnetic bottom. All pots and pans must have a flat bottom.
All pots and pans should have a diameter between 14 and 26 cm.
UNSUITABLE POTS
- Pot with diameter below 5
- Stainless steel pans with aluminum bottom
- Pottery
- Glass pans
- Aluminum pans
- Bronze pans
- Copper pots
- Pans with feet
SAFETY DEVICE
Overtime Detector
If the pan is left on the induction range for more than 2 hours, or if the user does not ope-rate any functions for more than 2 hours, the range will automatically shut off. Automatic Safety Shut-Off
If the induction range is left on for more than 60 seconds without a pan or with an incom-patible pan, the unit will automatically shut off.
Material Compatibility Detector
If the pan’s material or it’s dimensions are not suitable for this induction range, the pan indicator will not light.
Small Object Detector
The induction range will not recognize any objects or utensils smaller than 5 cm in diame-ter. For best results, use pans that are between 14 cm and 26 cm in diameter. Overheating Protection Device
If the pan’s temperature becomes too high, and the temperature remains too high for 60 seconds, the unit will shut off automatically. And there will be a short warning sound after unit shut off automatically.
IC Auto Reset Device
Main control micro processor equipped with watch dog device , the IC will auto reset when the software program goes wrong.
HOW DOES YOUR INDUCTION HOB WORK?
A high frequency (20-35KHz) induction coil underneath the surface ceramic top plate he-ats the cooking utensil by magnetic friction. The heat is produced directly within the pan. It’s controlled by electronic circuit to offer superior performance and functions. During coo-king, no energy is lost between the hob and the food. When you switch off, the cooking is stopped immediately.
PRECAUTION BEFORE USING YOUR INDUCTION HOB
- The glass top is of strong, hard, and non-porous But, in case of breakage, even it’s only slight cracking, disconnect the appliance from the mains immediately and contact the after- sales service.
- The appliances is equipped with ‘small object detector’. But, it’s recommended not to place metal kitchen utensils, pan lids, knives, or other metal objects on the induction heating If an inductor is switched on, there is a risk of becoming hot.
- When using your induction hob, don’t place any magnetable objects on the glass top, such as credit cards, cassettes, etc.
- Scientific tests have shown that the induction hob presents no Whatsoever, for persons using pacemaker, please keep 30 cm distance from the unit while the in-duction hob is in using.
- To prevent from overheating, do not place aluminum-foiled or iron plate on the top
- Put the appliance on a horizontal surface but keep away from wall or articles at least 5 –10 cm
- Do not put any articles like iron wire or tools into the air entrance or outlet to prevent from electric
- Immediate clean-up is recommended when water left on the top
OPERATION INSTRUCTION
- Plug power cord into , 50Hz, 15A power socket.
- Turn on power by rotary the power control knob, power level display led will light
- Rotary power control knob clockwise, the power level led will display from 1 to step.9.
- Put a suitable pan on central position of top plate, and rotate power control knob to desire power Step.1 position is the minimum, step. 9 position is the maximum.
- Heating indicator light will indicates the pan is suitable or If the Heating indicator light is on, then the pan is heating. If the Heating indicator light is off, It indicates that the power is on, but no pan or no suitable pan is on top plate position.
- This unit is equipped with ‘over heating protection device’, which will stop power tem-porally when top plate temperature reaches 230°C (+/-20°C). The power will start a-gain automatically when the temperature of top plate reduced under 230°C (+/- 20°C). If you put an empty pan on it, and heat-up at max. Power, it will reach 230°C very so-on. So, the safety device will stop output power temporarily to prevent Upon this situation, the Heating indicator light will flash to indicate the over heating protection function is on.
Temperature holding function: Push “Temperature” function key, the temperature holding - function will start The LED indicate the temperature holding at 60°C (+/- 5°C), push “Temperature” function key again, the LED indicate the temperature holding at 80°C. “Temperature” function key pushed each time, the holding temperatu-re will be changed as a circulate mold. 60°C -> 80°C -> 140°C -> 180°C – > 220°C -> 60°C ->
- When Temperature holding function working, the “Temperature” indicator light will start It’s mean the temperature not yet arrived the setting temperature. When the pan’s temperature arrive the settino temperature, the Temperature” indicator light will keep steady on.
- Change Temperature holding function to “Power” function: Push “Power” function key, and the function will back to “Power” Then the rotary control knob will be activa-ted again.
Control Panel:
- Power On/ Off Key.
- “Heating” indicator light.
- “Potenza” function indicator light.
- “Temperature”(Holding Temperature) function indicator light.
- “Temperature”(Holding Temperature) function key.
- “Heat” function key.
- Power Level / Holding Temperature display LED lights.
- Power regulator rotary knob
FEATURES & DESCRIPTION:
Legend:
- 2500 watt Induction Heating Zone
- Ceramic Top Plate
- Bottom Chassis
- Rotary Control Knob. (Power regulator)
- Induction Heating Indicator Light
- Heat function indicator light.
- Temperature” function Indicator Light
- Air-Intake
- Air-Outlet
- Foot Stand
SPECIFICATION:
P.I. 25 incasso
| Model | PP..I. 2,5 | P.I. 2,5 Kw incasso |
| Voltage | 230V ~ 50 Hz | |
| Vitro-Ceramic Plate | mm 322 x 270 | mm 322 x 270 |
| Electrical Power Consuption | max 2.500 watt | Max 2.500 watt |
| A | 322 | mm 322 |
| B | 440 | mm 500 |
| C | 115 | mm 100 |
| D | – | mm 38 |
| E x F | – | mm 307×470 |
| Net weight | 7,5 Kg | 9 Kg |
Safety Device
- Over time Protector (2 Hrs)
- Automatic Safety Shut-Off
- Material Compatibility Detector
- Overheating Protection Device
- IC Auto Reset
TROUBLE SHOOTING
| If…………. | It might be caused……………. |
| No indication light when power “on”. | Cable/terminal block is loosed. Broken circuit of fuse; or automatic switch in your house Power supply stopped. |
| Heating indicator does not light-in Appliance fails to hesd up | Unsuitable cooking utensil, Utensil doesn’t located at the center properly. Utensil is small than 5 cm. Over-heating protection is activated. |
| Appliance suddenly stops heating during operation | High ambient temperature. Air entrance or outlet blocked. Over- heating protection activated. |
- If your induction range seems to be working improperly, it doesn’t necessarily mean it’s a faulty. In all cases, check the following points.
- If you fail to identify the problem contact the after-sales service without delay.
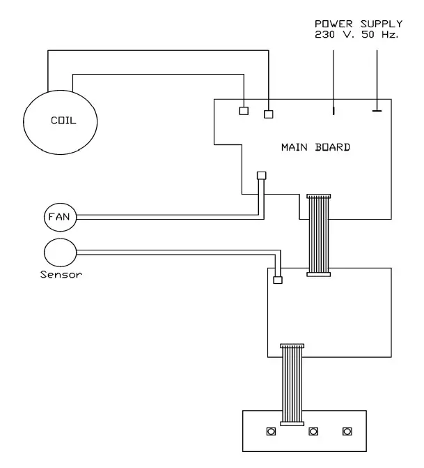
WIRING DIAGRAM























