
USER GUIDE &
INSTALLATION INSTRUCTIONS

Infusion 100 Induction
U110729 - 03a
U110729-03a Infusion 100 Induction Range Cooker
Show off your kitchen with …
This is
#MyRangemaster
Simply snap and share a picture of your kitchen and tag #MyRangemaster for the chance to win £200 of Rangemaster cookware. If selected we will also send a photographer round to professionally photograph you at home with your range. You might even feature in some of the UK’s top home interest titles!
To enter all you have to do is send in photos of your Rangemaster kitchen and tell us in one sentence what makes Rangemaster the heart of your kitchen? Entries can be posted on our Facebook page, Instagram or Twitter by tagging @RangemasterUK and using #MyRangemaster. Or, if you prefer, simply send in your entry via e-mail to
[email protected].
Rangemaster will feature a number of entries on the website online gallery and on the Rangemaster Facebook page, and some kitchens may be selected to be professionally photographed.
* Terms & Conditions Apply


COOKWARE

Our range cookers are well known for providing the best possible cooking performance and years of faithful service.
However, a great cooker alone cannot guarantee perfect results every time. The other vital ingredients are of course enthusiasm and quality cookware.
We offer cookware to work perfectly with all fuel types manufactured by Rangemaster, including induction hobs. You can be assured of functionality with style, as well as the
quality and meticulous attention to detail you expect from the pioneers of range cooking. Visit www.rangemastercookshop.co.uk
* Terms & Conditions
1. This is my Rangemaster is open to residents of UK mainland only, aged 18 years & over. 2. All entries should be submitted to the advertised e-mail address, or Rangemaster UK Facebook, Instagram or Twitter page using the advertised hashtag & tag. 3. If we would like to professionally photograph your kitchen, you will be contacted via e-mail, Facebook / Twitter message or Instagram comment. 4. We cannot guarantee your kitchen will be professionally photographed. 4. Any photographs received and professional photographs taken will belong to AGA Rangemaster plc with full usage rights. E&OE.
Before you start…
Your cooker should give you many years of trouble-free cooking if installed and operated correctly. It is important that you read this section before you start.
Personal safety
This appliance is for cooking purposes only.
It must not be used for other purposes, for example heating a room. Using it for any other purpose could invalidate any warranty or liability claim. Besides invalidating claims this wastes fuel and may overheat the control knobs.
- This appliance can be used by children aged from 8 years and above and persons with reduced physical, sensory or mental capabilities or lack of experience and knowledge if they have been given supervision or instruction concerning use of the appliance in a safe way and understand the hazards involved.
- WARNING: Children less than 8 years of age should be kept away unless continuously supervised. Children shall not play with the appliance. Cleaning and user maintenance shall not be made by children without supervision.
- The cooker should not be placed on a base.
- This appliance is designed for domestic cooking only. Use for any other purpose could invalidate any warranty or liability claim.
- Before operating the oven(s) please refer to the oven shelf installation, in the Accessories section, of the instructions.
- WARNING: The appliance and its accessible parts become hot during use and will retain heat even after you have stopped cooking. Care should be taken to avoid touching heating elements. Children less than 8 years of age shall be kept away unless continuously supervised.
- CAUTION: A long term cooking process has to be supervised from time to time. A short term cooking process has to be supervised continuously.
- WARNING: Danger of fire: DO NOT store items on the cooking surfaces.
- To avoid overheating, DO NOT install the cooker behind a decorative door.
- WARNING: Accessible parts will become hot during use and will retain heat even after you have stopped cooking. Keep babies and children away from the cooker and never wear loose-fitting or hanging clothes when using the appliance.
- DO NOT use a steam cleaner on your cooker.
- ALWAYS keep combustible materials, e.g. curtains, and flammable liquids a safe distance away from your cooker.
- DO NOT spray aerosols in the vicinity of the cooker while it is on.
- NEVER try to extinguish a fire with water, but switch off the appliance and then cover flame e.g. with a lid or a fire blanket.
Electrical connection safety
This cooker must be installed in accordance with the relevant instructions in this booklet, with the relevant national and local regulations, and with the local electricity supply companies’ requirements.
The electrical installation must be installed in accordance with all relevant British Standards/ Codes of Practice, BS 7671. Or with the relevant national and local regulations and with the local gas and electricity supply companies’ requirements.
Otherwise, all installations must be in accordance with the relevant instructions in this booklet.

WARNING: THE APPLIANCE MUST BE EARTHED.
Note: The cooker must be connected to the correct electrical supply as stated on the voltage label on the cooker, through a suitable cooker control unit incorporating a doublepole switch, having a contact separation of at least 3 mm in all poles.
The cooker MUST NOT be connected to an ordinary domestic power point.
Access to the mains terminal is gained by removing the electrical terminal cover box on the back panel. Connect the mains cable to the correct terminals for your electrical supply type (Fig. 1.1 and Fig. 1.2). Check that the links are correctly fitted and that the terminal screws are tight. Secure the mains cable using the cable clamp.
Minimum temperature rating T105
Read the instructions before installing or using this appliance.
- This appliance is heavy so take care when moving it.
- The cable size and type should be suitable for the Electrical Load of the appliance and comply with the local requirements as defined in the latest editions of BS 7671 and or BS EN 50565-1 Reference B4.
- The cable must be rated to a minimum of 70 ºC.
- The cooker may be installed in a kitchen/ kitchen diner but NOT in a room containing a bath or shower.
- The cooker MUST NOT be connected to an ordinary domestic power point.
- It is normal for the hob control display to flash for about 2 seconds during first power setting.
- Set the clock to make sure that the oven is functional – see the relevant section in this manual.
- The appliance must be installed in accordance with the regulations in force and only in a well ventilated space.
- Failure to install the appliance correctly could invalidate any warranty or liability claims and lead to prosecution.
- DO NOT install the appliance on a platform.
- DO NOT manouvre the cooker while it is plugged into the electricity supply.
- Before electrical reconnection, check that the appliance is electrically safe.
Peculiar smells
When you first use your cooker it may give off an odour. This should stop after use.
Before using your cooker for the first time, make sure that all packing materials have been removed and then, to dispel manufacturing odours, turn all the ovens to 200°C and run for at least an hour.
Before using the grill for the first time you should also turn on the grill and run for 30 minutes with the grill pan in position, pushed fully back and the grill door open.
Make sure the room is well ventilated to the outside air (see ‘Ventilation’ below). People with respiratory or allergy problems should vacate the area for this brief period.
Ventilation
The use of a cooking appliance results in the production of heat and moisture in the room in which it is installed. Make sure that the kitchen is well ventilated. Keep natural ventilation holes open or install a powered cooker hood that vents outside.
Prolonged intensive use of the appliance may call for additional ventilation, for example opening a window, or more effective ventilation, for example increasing the level of
mechanical ventilation where present.
Maintenance
- Only a qualified service engineer should service the appliance and only approved spare parts should be used. It is recommended that this appliance is serviced annually.
- WARNING: Before removing replacing the bulb, turn off the power supply and make sure that the oven is cool.
- DO NOT use cooking vessels on the hotplate that overlap the edges.
- ALWAYS allow the cooker to cool and then switch it off at the mains before cleaning or carrying out any maintenance work, unless specified otherwise in this guide.
- DO NOT use the control knobs to manoeuvre the cooker.
- NEVER operate the cooker with wet hands.
- DO NOT use a towel or other bulky cloth in place of a glove – it might catch fire if brought into contact with a hot surface.
- DO NOT use hotplate protectors, foil or hotplate covers of any description. These may affect the safe use of your hotplate burners and are potentially hazardous to health.
- NEVER heat unopened food containers. Pressure build up may make the containers burst and cause injury.
- WARNING: Use only hob guards designed by the manufacturer of the cooking appliance or indicated by the manufacturer of the appliance in the instructions for use as suitable or hob guards incorporated in the appliance. The use of inappropriate guards can cause accidents.
- DO NOT use unstable saucepans. ALWAYS make sure that you position the handles away from the edge of the hotplate.
- NEVER leave the hotplate unattended at high heat settings. Pans boiling over can cause smoking, and greasy spills may catch on fire. Use a deep fat thermometer whenever possible to prevent fat overheating beyond the smoking point.
- WARNING: Unattended cooking on a hob with fat or oil can be dangerous and may result in fire.
- NEVER leave a chip pan unattended.
- ALWAYS heat fat slowly, and watch as it heats. Deep fry pans should be only one third full of fat.
- NEVER try to move a pan of hot fat, especially a deep fat fryer. Wait until the fat is cool. Filling the pan too full of fat can cause spill over when food is added. If you use a combination of oils or fats in frying, stir them together before heating, or as the fats melt.
- Foods for frying should be as dry as possible. Frost on frozen foods or moisture on fresh foods can cause hot fat to bubble up and over the sides of the pan. Carefully watch for spills or overheating of foods when frying at high or medium high temperatures.
- DO NOT use the top of the flue (the slots along the back of the cooker) for warming plates, dishes, drying tea towels or softening butter.
- DO NOT use water on grease fires and never pick up a flaming pan. Turn the controls off and then smother a flaming pan on a surface unit by covering the pan completely with a well fitting lid or baking tray. If available, use a multi-purpose dry chemical or foam-type fire extinguisher.
- DO NOT modify this appliance. This appliance is not intended to be operated by means of external timer or separated remote-control system.
- If flammable materials are stored in the drawer, oven(s) or grill(s) it may explode and result in fire or property damage.
- ALWAYS allow any cookware to cool before cleaning.
Induction care
- IMPORTANT INFORMATION FOR PACEMAKER AND IMPLANTED INSULIN PUMP USERS: The functions of this hob comply with the applicable European standards on electromagnetic interference. If you are fitted with a pacemaker or implanted insulin pump and are concerned please consult your doctor for medical advice.
- When the hob is in use keep magnetic items away, such as credit and debit cards, floppy disk, calculators, etc.
- To fully utilise the power of your induction hob and to ensure longevity of performance, we recommend the use of AGA Rangemaster Induction cookware. If you decide to purchase an alternative set of cookware for use on your induction cooker, we would strongly recommend that composite aluminium cookware with steel inserts, example shown Fig. 1.3, are avoided. This type of construction can significantly reduce the lifetime and performance of your induction cook top.

- Take care when touching the marked cooking areas of the hob.
- Use adequately sized pans with flat bottoms that are large enough to cover the surface of the hotplate heating area. The use of undersized pans will expose a portion of the surface unit to direct contact and may result in the ignition of clothing.
- Only certain types of glass, glass-ceramic, earthenware or other glazed containers are suitable for use on the warming zone; others may break because of the sudden change in temperature.
- Only certain types of stainless steel, enamelled steel or cast iron cookware with enamelled bases are suitable for induction hob cooking.
- Take care NOT to scratch the surface when placing cookware on the glass panel.
- Only certain types of glass, glass-ceramic, earthenware or other glazed containers are suitable for hotplate cooking; others may break because of the sudden change in temperature. NEVER cook directly on the hob surface (Fig. 1.4). ArtNo.312-0001 No
- DO NOT leave the hob zones switched on unless being used for cooking.
- DO NOT stand or rest heavy objects on the hob. Although the ceramic surface is very strong, a sharp blow or sharp falling object (e.g. a salt cellar) might cause the surface to crack or break (Fig. 1.5).

- WARNING: Should a crack appear in the surface, disconnect the appliance immediately from the supply and arrange for its repair.
- ALWAYS LIFT cookware off the hob. Sliding the griddle plate or pans may cause marks and scratches (Fig. 1.6).
- Take care NOT TO PLACE HOT LIDS onto the hob surface (Fig. 1.7). Lids that have been used to cover a hot pan can “stick” or create a “vacuum” effect to the Glass Hob. Should this occur, DO NOT attempt to lift the lid off the glass surface, this may damage the glass. Instead slide the lid to the edge of the hob surface and remove, taking care not to scratch the hob surface. Alternatively wait until the lid has cooled to room temperature, the vacuum has been released, then remove the lid by lifting it from the hob surface.

- DO NOT place anything between the base of the pan and the hob surface (e.g. asbestos mats, aluminium foil, wok stand).
- Take care NOT to place metallic objects such as knives, forks, spoons and lids on the hob surface since they can get hot.
- We recommend that you avoid wiping any surface unit areas until they have cooled and the indicator light has gone off. Sugar spills are the exception to this (see ‘Cleaning your Cooker’). After cleaning, use a dry cloth or paper towel to remove any cleaning cream residue.
- The ceramic surface should be washed after use in order to prevent it from becoming scratched or dirty. However, you should clean the hob with caution as some cleaners can produce noxious fumes if applied to a hot surface.
- DO NOT leave the hob unattended. Care should be taken to not allow your cookware to boil dry. It will damage your cookware and Induction Glass Hob.
- After use, switch off the hob element by its control. DO NOT rely on the pan detector.
Oven care
- When the oven is not in use and before attempting to clean the appliance ALWAYS be certain that the control knobs are in the OFF position.
- Use oven gloves to protect your hand from potential burns.
- Cooking high moisture content foods can create a ‘steam burst’ when the oven door is opened (Fig. 1.8). When opening the oven, stand well back and allow any steam to disperse.

- The inside door face is constructed with toughened safety glass. Take care NOT to scratch the surface when cleaning the glass panel.
- Accidental damage may cause the door glass panel to fracture.
- Keep oven vent ducts unobstructed.
- DO NOT use harsh abrasive cleaners or sharp metal scrapers to clean the oven door glass since they can scratch the surface, which may result in shattering of the glass.
- Make sure the shelves are pushed firmly to the back of the oven. DO NOT close the door against the oven shelves.
- DO NOT use aluminium foil to cover shelves, linings or the oven roof.
- When the oven is on, DO NOT leave the oven door open for longer than necessary, otherwise the control knobs may become very hot.
- DO NOT use the timed oven if the adjoining oven is already warm.
- DO NOT place warm food in the oven to be timed.
- DO NOT use a timed oven that is already warm.
- Use dry oven gloves when applicable – using damp gloves might result in steam burns when you touch a hot surface.
Oven Shelves (dependant on model)
To fit the glide-out shelf, hook the front of the shelf onto the runners as shown (Fig. 1.9). The rear of the shelf should rest on the runners, in front of the rear stop (Fig. 1.9).
Standard oven shelves can be fitted by lining up the shelf with a groove in the oven ladders. Push the shelf back until the ends hit the shelf stop. Lift the front so the shelf clears the stops, then lower the front so the shelf is level and push it fully back.
Hob care
- NEVER allow anyone to climb or stand on the hob.
- DO NOT use the hob surface as a cutting board.
- DO NOT leave utensils, foodstuffs or combustible items on the hob when it is not in use (e.g. tea towels, frying pans containing oil).
- DO NOT place plastic or aluminium foil, or plastic containers on the hob.
- ALWAYS turn the control to the OFF position before removing a pan.
- Avoid heating an empty pan. Doing so may damage both the hob and pan.
Cooker care
As steam can condense to water droplets on the cool outer trim of the oven, it may be necessary during cooking to wipe away any moisture with a soft cloth. This will also help to prevent soiling and discolouration of the oven exterior by cooking vapours (Fig. 1.10).
Grill/glide-out grill™ care
WARNING: Unattended cooking under the grill can be dangerous and may result in fire.
- When using the grill, make sure that the grill pan is in position and pushed fully in, otherwise the control knobs may become very hot.
- DO NOT leave the grill on for more than a few moments without the grill pan underneath it, otherwise the knobs may become hot.
- NEVER close the grill door when the grill is on.
- Accessible parts may be hot when the grill is in use. Young children should be kept away.
Cooling fan
This appliance may have a cooling fan. When the grill or oven is in operation the fan will run to cool the fascia and control knobs.
Cleaning
- Isolate the electricity supply before carrying out any thorough cleaning. Allow the cooker to cool.
- The cooker should be kept clean at all times as a build up in fats and other food stuff could result in a fire.
- Clean only the parts listed in this guide.
- Clean with caution. If a wet sponge or cloth is used to wipe spills on a hot surface, be careful to avoid steam burns. Some cleaners can produce noxious fumes if applied to a hot surface.
- NEVER use paint solvents, washing soda, caustic cleaners, biological powders, bleach, chlorine based bleach cleaners, coarse abrasives or salt.
- DO NOT mix different cleaning products – they may react together with hazardous results.
- All parts of the cooker can be cleaned with hot soapy water.
- Take care that no water seeps into the appliance.
- Before you remove any of the grill parts for cleaning, make sure that they are cool or use oven gloves.
- DO NOT use any abrasive substances on the grill and grill parts.
- DO NOT put the side runners in a dishwasher.
- DO NOT put the burner heads in a dishwasher.
- DO NOT put the griddle plate in a dishwasher.
- NEVER use caustic or abrasive cleaners as these will damage the surface.
- DO NOT use steel wool, oven cleaning pads or any other materials that will scratch the surface.
- NEVER store flammable materials in the drawer. This includes paper, plastic and cloth items, such as cookbooks, plastic ware and towels, as well as flammable liquids.
- DO NOT store explosives, such as aerosol cans, on or near the appliance.
- DO NOT use steel wool, oven cleaning pads, or any other materials that will scratch the surface.
- DO NOT attempt to disassemble or clean around any burner while another burner is on, otherwise an electric shock could result.
Cooker Overview

The 100 induction cooker (Fig. 2.1) has the following features:
A. 5 induction cooking zones
B. A control panel
C. A separate glide-out grill
D. A programmable fan oven
E. Tall fan oven

The Hob
Use only pans that are suitable for induction hobs. We recommend stainless steel, enamelled steel pans or cast iron pans with enamelled bases. Note that some stainless steel
pans are not suitable for use with an induction hob so please check carefully before purchasing any cookware.
Pans made of copper, aluminium or ceramic are not suitable for use on an induction hob. The kind of pan you use and the quantity of food affects the setting required. Higher settings are required for larger quantities of food. Pots and pans should have thick, smooth, flat bottoms (Fig. 2.2). This allows the maximum heat transfer from the hob to the pan, making cooking quick and energy efficient. Never use a round-bottomed wok, even with a stand.
The very best pans have bases that are very slightly curved up when cold (Fig. 2.3). If you hold a ruler across the bottom you will see a small gap in the middle. When they heat up the metal expands and lies flat on the cooking surface.

Make sure that the base of the pan is clean and dry to prevent any residue burning onto the hob panel. This also helps prevent scratches and deposits.
Always use pans that are the same size as (or slightly larger than) the areas marked on the hob. Using a lid will help the contents boil more quickly.
Take care when placing hot lids onto the hob surface. Lids that have been covering boiling or steaming foods can ‘stick’ to the ceramic glass. Should this occur, DO NOT attempt to lift the lid off the hotplate: this may damage the hob surface. Instead, slide the lid to the edge of the hob surface and remove.
Always take care before touching the surface, even when the hob is turned off. It may be hotter than you think!
The induction hob comprises of five cooking zones containing induction elements with different ratings and diameters (Fig. 2.4) each with a pan detector and residual heat indicator, and a hob control display.
The hob control display (Fig. 2.5) informs you of the following induction hob functions:
Pan detector
Residual heat indicator
Automatic heat-up
Child lock
Low temperature setting
Power boost setting
Pan Detector,![]()
IMPORTANT: After use, switch off the hob element by its control and DO NOT RELY on the pan detector.
If a cooking area is switched on and there is no pan in place or if the pan is too small for the cooking area, then no heat will be generated. The symbol [
] will appear on the hob control display; this is the “pan-missing symbol”. Place a pan of the correct size on the cooking area and the [
] symbol will disappear and cooking can begin. After 10 minutes without detecting a pan the cooking zone will switch off automatically.
Table 2.1 shows the minimum pan sizes recommended for each cooking zone.
| Cooking Zone | Minimum Pan Diameter (Pan Base) mm |
| Front left | 140 |
| Rear left | 180 |
| Rear centre | 180 |
| Rear right | 180 |
| Front right | 140 |
Note: Using pans with a base diameter smaller than those recommended will result in a power reduction.
Residual Heat Indicator, ![]()
After use, a cooking zone will remain hot for a while as heat dissipates. When a cooking zone is switched off the residual heat indicator symbol [
], will appear in the display. This shows that the cooking zone temperature is above 60 °C and may still cause burns. Once the temperature has dropped to below 60 °C the [
] will go out.
Automatic Heat-up, ![]()
This function is available on all of the cooking zones. It allows rapid heating up of the element to bring the selected cooking zone up to temperature. Once the zone is at the
required cooking temperature the power level will reduce automatically to the preset level.
The function is selected by turning the control knob to the ‘A’ position. This can be selected by turning the control knob momentarily counter-clockwise from the zero position until the symbol [
] is shown on the hob control display.
Once the [
] is displayed, turn the control knob to the level of your choice (1 to 9). The pan will heat up at 100% power for a specified time before the power is reduced to the level selected.
When the Automatic Heat-up function is activated, the hob control display will flash alternately between the [
] setting and the chosen power level.
Once the automatic heat-up time has ended the hob display will stop flashing and will show the chosen power level.
The Automatic Heat-up function can be stopped by either turning the control knob back to the “0” power setting or turning the control knob to the “9” power setting.
For your guidance Table 2.2 shows the time available at 100% power depending on the power level selected in the Automatic Heat-up mode.
| Power Level | Automatic heat-up time at 100% (min:sec) |
| 1 | 0:48 |
| 2 | 2:24 |
| 3 | 3:50 |
| 4 | 5:12 |
| 5 | 6:48 |
| 6 | 2:00 |
| 7 | 2:48 |
| 8 | 3:36 |
| 9 |
Child Lock,![]()
To prevent the unwanted use by children, the hob can be locked.
IMPORTANT: This can only be activated when all the cooking zones are switched off.
To lock the hob, simultaneously turn the two left-hand controls counter-clockwise (Fig. 2.6) and hold until the
symbol appears in the centre of the hob control display (Fig. 2.7).
Note: [A ] will flash when locking the hob – this is normal.
Locking the hob will NOT affect the oven; it can still be used.
To unlock the hob, simultaneously turn the two left-hand controls counter-clockwise and hold until the symbol disappears from the centre of the hob control display.
Low Temperature Setting, ![]()
This function should only be used when cooking from cold.
Each cooking area is equipped with 2 low temperature settings:
will maintain a temperature of about 40 °C – ideal for gently melting butter or chocolate.
will maintain a temperature of about 90 °C – ideal for simmering (bring the pan to the boil and then select
to keep soups, sauces, stews, etc at an optimal simmer).
The maximum time this setting can be used is 2 hours, after which the hob will switch off automatically. If required, you can immediately restart the Low Temperature function by reactivating
. To increase the heat, just turn the control knob to the required level.
The maximum times for all other power levels are shown in Table 2.3.
| Power Level | Maximum Operating Time |
| ArtNo.051-0002 – Min pan diameter | ArtNo.051-0002 – Min pan diameter |
| L1 and L2 | 2 hours |
| 1 | 6 hours |
| 2 | 6 hours |
| 3 | 5 hours |
| 4 | 5 hours |
| 5 | 4 hours |
| 6 | 1.5 hours |
| 7 | 1.5 hours |
| 8 | 1.5 hours |
| 9 | 1.5 hours |
| Power Boost | 10 minutes |
Power Boost Setting, P
All of the induction cooking zones have Power Boost available, activated by turning the control knob clockwise until [P ] is shown on the hob control display.
Power Boost allows additional power to be made available for each of the cooking zones. This is useful to bring a large pan of water to the boil quickly.
The Power Boost function operates for a maximum of 10 minutes on each zone, after which the power is automatically reduced to setting 9.
When using the Power Boost function, the cooking zones are linked.
Fig. 2.8 shows the hob layout. Zones A and B are linked together as are zones C, D and E.
This means that when using zone A on Power Boost and then switching zone B to Power Boost, the power to zone A will reduce slightly. The last zone switched to Power Boost always takes priority. Zones C, D and E work in the same way.
This is a built in safety device.
Deactivate the Power Boost function by turning the control knob to a lower setting.
Overheat Function
This function identifies when the temperature of the pan rises rapidly and works to maintain a safe level of pan temperature.
It should not interfere with normal cooking.
Cookware with bases that become distorted (Fig. 2.2) when heated may interfere with the operation of the Overheat Function. This may result in damage to your cookware or
Induction Glass Hob.
Please remember not to leave the hob unattended.
Care should be taken to not allow your cookware to boil dry. Damage to your cookware and Induction Glass Hob may result.
Please read and follow the manufacturers’ instructions carefully before using cookware on your induction hob.
The Glide-out Grill
CAUTION: This appliance is for cooking purposes only. It must not be used for other purposes, for example room heating.
Accessible parts may be hot when the grill is in use.
Young children should be kept away.
Open the door and pull the grill pan carriage forward using the handle (Fig. 2.9).
The grill has two elements that allow either the whole area of the pan to be heated or just the right-hand half.
Adjust the heat to suit by turning the knob. To heat the whole grill, turn the knob clockwise (Fig. 2.10).
To heat the right-hand half, turn the knob counter-clockwise.
The neon indicator light by the grill control will come on.
For best results, slide the carriage back into the grill chamber.
The grill trivet can be removed and the food placed on it while you are waiting for the grill to preheat.
DO NOT leave the grill on for more than a few moments without the grill pan underneath it, otherwise the knobs may become hot.
Once the grill has preheated, slide the carriage out again.
With the trivet back in place with the food on it, slide the carriage back into the grill chamber. Make sure that it is pushed right in.
The grill pan trivet can be turned over to give two grilling positions (Fig. 2.11).
Do not leave the grill on for more than a few moments, without the grill pan underneath it.
Never close the grill door when the grill is on.
The Ovens
The clock must be set to the time of day before the ovens will work. See the following section on ‘The Clock’ for instructions on setting the time of day.
References to ‘left-hand’ and ‘right-hand’ ovens apply as viewed from the front of the appliance.
The left-hand oven is a programmable fan oven (Fig. 2.12).
The right-hand oven is a fan oven (Fig. 2.13).

The Fan Oven
Fan ovens circulate hot air continuously, which means faster, more even cooking. The recommended cooking temperatures for a fan oven are generally lower than those for a non-fan oven.
Operating the Ovens
Fan Oven
Turn the temperature selector to the desired temperature (Fig. 2.14).
The oven indicator light will glow until the oven has reached the temperature you selected (Fig. 2.15). It will then cycle on and off during cooking as the oven maintains the selected temperature.
Main Oven Light
Press the button to turn the light on (Fig. 2.16). If the oven light fails, turn off the power supply before changing the bulb. See the ‘Troubleshooting’ section for details on how to change the bulb.

Accessories
Oven Shelves – Left-hand (Main) Oven
The oven shelves (Fig. 2.17) are retained when pulled forward but can be easily removed and refitted. Pull the shelf forward until the back of the shelf is stopped by the shelf stop bumps in the oven sides (Fig. 2.18).
Lift up the front of the shelf so the back of the shelf will pass under the shelf stop and then pull the shelf forward (Fig. 2.19).
To refit the shelf, line up the shelf with a groove in the oven side and push the shelf back until the ends hit the shelf stop. Lift up the front so the shelf ends clear the shelf stops, and then lower the front so that the shelf is level and push it fully back.
Glide-out Shelf – Left-hand (Main) Oven
As well as standard shelves, the left-hand oven is supplied with a set of runners for a glide-out oven shelf.
To fit the glide-out shelf, hook the front of the shelf onto the runners as shown (Fig. 2.20). The rear of the shelf should rest on the runners, in front of the rear stop (Fig. 2.20).
The glide-out shelf and runners can be easily removed or repositioned.
To remove the glide-out shelf
Raise the rear of the shelf, so that it clears the rear stops. Then unhook from the front locating bracket.
To remove the glide-out runners
Twist to unclip the base of the runners from the shelf supports. Then unhook the runner from the top rung of the shelf support and remove (Fig. 2.21).
To refit the glide-out runners
Hook the rear of the runner over the top rung of a pair of shelf supports. Then hook the front of the runner onto the same rung. Push to clip under the bottom rung (Fig. 2.22).
Ensure that the shelf runners are fitted in the same position on each side (Fig. 2.23).
The front of the shelf runners can be identified by the bracket (Fig. 2.20).
DO NOT put the glide-out shelf runners in a dishwasher.
Oven Shelves – Right-hand (Tall) Oven
The tall oven is supplied with four flat cooking shelves (Fig. 2.24), and a plate-warming shelf (Fig. 2.25).
When using the tall oven, you can cook on all four shelves at the same time, but make sure that they are well spaced out allow the hot air to circulate.
Setting the time The clock must be set to the time of day before the oven will work
Minute Minder

Reset the minute minder

To stop the oven at a specific time of day
(main oven only) You have set the required temperature and function mode and you would like the oven to automatically stop.

To start and stop the oven automatically
(main oven only)


If the alarm is not stopped, it will stop automatically after 7 minutes.
AUTO is showing, but you want to revert to manual cooking (main oven only)

Changing the frequency of the alarm

Cooking tips
Using Your Induction Cooker
If you have not used an induction cooker before please be aware of the following:
- Make sure that the pans you have or buy are suitable for use on the induction hob. Stainless steel, enamelled steel or cast iron is ideal. Double check before you buy pans – they must have bases that would attract a magnet.
- Allow time to get used to induction cooking; it is fast and powerful as well as being gentle. When simmering, you may notice that liquids appear to stop bubbling and then start again almost immediately. This is perfectly normal.
- You may notice a faint vibrating sound coming from the pans when using the induction hob. Again, this is perfectly normal and will depend upon the type and style of pans you are using.
- The induction heating elements will phase on and off when cooking. Although an active cooking zone may appear to switch on and off, a constant heat is still being supplied to the base of the pan – this is completely normal.
Tips on cooking with the timer
If you want to cook more than one dish, choose dishes that require approximately the same cooking time. However, dishes can be ‘slowed down’ slightly by using small containers and covering them with aluminium foil, or ‘speeded up’ slightly by cooking smaller quantities or placing them in larger containers.
Very perishable foods such as pork or fish should be avoided if a long delay period is planned, especially in hot weather.
DO NOT place warm food in the oven to be timed.
DO NOT use a timed oven that is already warm.
DO NOT use the timed oven if the adjoining oven is already warm.
Whole poultry must be thoroughly defrosted before being placed in the oven. Check that meat and poultry are fully cooked before serving.
General oven tips
The wire shelves should always be pushed firmly to the back of the oven.
Baking trays with food cooking on them should be placed level with the front edge of the oven’s wire shelves. Other containers should be placed centrally. Keep all trays and
containers away from the back of the oven, as overbrowning of the food may occur.
For even browning, the maximum recommended size of a baking tray are:
- depth: 340 mm (13 3/8”) by width: 340 mm (13 3/8”) in the main oven
- depth: 321 mm (12 5/8”) by width: 289 mm (11 3/8”) in the tall oven.
When the oven is on, DO NOT leave the door open for longer than necessary, otherwise the knobs may get very hot.
- Always leave a “finger’s width” between dishes on the same shelf. This allows the heat to circulate freely around them.
- To reduce fat splashing when you add vegetables to hot fat around a roast, dry them thoroughly or brush lightly with cooking oil.
- Where dishes may boil and spill over during cooking, place them on a baking tray.
- The ‘Cook & Clean’ oven liners (see ‘Cleaning Your Cooker’) work better when fat splashes are avoided. Cover meat when cooking with foil or use a roasting bag.
- Sufficient heat rises out of the oven while cooking to warm plates in the grill compartment.
- If you want to brown the base of a pastry dish, preheat the baking tray for 15 minutes before placing the dish in the centre of the tray.
Cooking Table
The oven control settings and cooking times given in the table below are intended to be used as a guide only. Individual tastes may require the temperature to be altered to provide a preferred result.
Food is cooked at lower temperature in a fan oven than in a conventional oven. When using recipes, reduce the fan oven temperature by 10 °C and the cooking time by 5-10 minutes. The temperature in the fan oven does not vary with height in the oven so you can use any shelf.

| Food | Conventional Oven °C (Shelf Position) | Fan Oven Temperature | Approximate Cooking Time | |
| Meat Beef (no bone) Lamb Pork | 160 (C) 200 (C) 160 (C) 200 (C) 160 (C) 200 (C) | 150 °C 190 °C 150 °C 190 °C 150 °C 190 °C | 30-35 minutes per 500g +30-35 minutes. 20-25 minutes per 500g +20-25 minutes. 30-35 minutes per 500g +30-35 minutes. 25-30 minutes per 500g +25-30 minutes. 35-40 minutes per 500g +35-40 minutes. 25-30 minutes per 500g +25-30 minutes. | Thoroughly thaw frozen joints before cooking. Meat may be roasted at 220°C (210°C for fan oven) and the cooking time adjusted accordingly. For stuffed and rolled meats, add approximately 10 minutes per 500g, or cook at 200°C (190°C) for 20 minutes then 160°C (150°C) for the remainder. |
| Poultry Chicken Turkey Duck | 160 (C) 200 (C) 160 (C) 200 (C) 160 (C) 200 © | 150 °C 190 °C 150 °C 190 °C 150 °C 190 °C | 20-25 minutes per 500g +20-25 minutes. 15-20 minutes per 500g +15-20 minutes. 20 minutes per 500g +20 minutes. 15 minutes per 500g +15 minutes. 25-30 minutes per 500g. 20 minutes per 500g. | For stuffed poultry, you could cook at 200°C (190°C) for 20 minutes then 160°C (150°C) for remainder. Do not forget to include the weight of the stuffing. For fresh or frozen pre-packed poultry, follow instructions on the pack. Thoroughly thaw frozen poultry before cooking. |
| Casserole | 140-150 (C) | 130 °C-140 °C | 2-4 hours according to recipe. | |
| Yorkshire Pudding | 220 (C) | 210 °C | Large tins 30-35 minutes; individual 10-20 minutes. | |
| Cake Very rich fruit – Christmas, wedding, etc. Fruit 180 mm tin Fruit 230 mm tin Madeira 180 mm Queen cakes Scones Victoria sandwich 180 mm tin 210 mm tin | 140 (C/B) 150 (C/B) 150 (C/B) 160 (C/B) 190 (C/B) 220 (C/B) 180 (C/B) 180 (C/B) | 130 °C 140 °C 140 °C 150 °C 180 °C 210 °C 170 °C 170 °C | 45-50 minutes per 500g of mixture. 2-2½ hours. Up to 3½ hours. 80-90 minutes. 15-25 minutes. 10-15 minutes. 20-30 minutes. 30-40 minutes. | Using the conventional oven: When two tier cooking leave at least one runner space between shelves. Position the baking tray with the front edge along the front of the oven shelf. Up to three tiers can be cooked on, in a fan oven, at the same time. But make sure to leave at least one runner space between each shelf being cooked on. |
| Desserts Shortcrust tarts Fruit pies Tartlets Puff pastry Meringues Baked egg custard Baked sponge pudding Milk pudding | 200 (C/B) 200 (C/B) 200 (C/B) 210 (C/B) 100 (C/B) 160 (C/B) 180 (C/B) 140-150 (C/B) | 190 °C 190 °C 190 °C 200 °C 90 °C 150 °C 170 °C 130 °C-140 °C | 20-30 minutes on a preheated tray. 35-45 minutes. 10-20 minutes according to size. 20-40 minutes according to size. 2-3 hours. 45-60 minutes. 40-45 minutes. 2 to 3 hours. | Up to three tiers can be cooked on, in a fan oven, at the same time. But make sure to leave at least one runner space between each shelf being cooked on. |
| Bread | 210 (C) | 200 °C | 20-30 minutes. |
| Fish Fillet Whole Steak | Fanned Grilling 190 (C/B) 190 (C/B) 190 (C/B) | 190 °C (C/B) 190 °C (C/B) 190 °C (C/B) | 15-20 minutes 15-20 minutes per 500g. Steaks according to thickness. |
Cleaning your cooker

Isolate the electricity supply before carrying out any major cleaning. Then allow the cooker to cool.
NEVER use paint solvents, washing soda, caustic cleaners, biological powders, bleach, chlorine based bleach cleaners, coarse abrasives or salt.
DO NOT mix different cleaning products – they may react together with hazardous results.
All parts of the cooker can be cleaned with hot soapy water
– but take care that no surplus water seeps into the appliance.
Remember to switch the electricity supply back on and reset the clock before re-using the cooker.
Hob
Daily care
First of all, be sure that all heat indicator lights are off and that the cooking surface is cool. Apply a small dab of ceramic cleaning cream in the centre of each area to be cleaned. Dampen a clean paper towel and work the cream onto the cooking surface. As a final step, wipe the cooking surface with a clean, dry paper towel.
Cleaning spills
For spills and boil-overs that occur while cooking, turn off the unit and wipe the area surrounding the hot zone with a clean paper towel. If a spill (other than a sugary substance) is on the hot zone, do not clean until the unit has completely cooled down, and then follow the instructions below, ‘Cleaning Burned-on Spills’.
If you accidentally melt anything on the surface, or if you spill foods with a high sugar content (preserves, tomato sauce, fruit juice, etc.), remove the spill IMMEDIATELY with a razor scraper, while the unit is still hot.
IMPORTANT: Use an oven glove to protect your hand from potential burns.
Scrape the major spill or melted material from the cooking zone and push into a cold area. Then, turn the unit ‘OFF’ and allow to cool before cleaning further. After the cooking surface cools down and the heat indicator lights go off, follow the ‘Daily Care’ procedure outlined above.
Cleaning burned-on spills
Make sure that the heat indicator lights are off and that the hob is cool. Remove the excess burned-on substance with a single-edged razor scraper. Hold the scraper at an angle of about 30° to the surface and then scrape off the burned-on matter (Fig. 6.1).
Once you have removed as much as possible with the scraper, follow the ‘Daily Care’ procedure outlined above.
Grills
The grill pan and trivet should be washed in hot soapy water.
After grilling meats or any foods that soil, leave to soak for a few minutes immediately after use. Stubborn particles may be removed from the trivet using a nylon brush. Alternatively, the grill pan can be washed in a dishwasher.
Before you remove any of the grill parts for cleaning, make sure that they are cool, or use oven gloves.
DO NOT use any abrasive substances.
Removing the glide-out grill pan
The glide-out grill pan can be easily removed for cleaning as follows: Remove the grill pan support frame by pulling the grill pan forward (Fig. 6.2).
Lift the grill pan clear of the support frame. The support frame is held to the side rails by two clips on each side (Fig. 6.3).
For each side, support the side rail with one hand and with the other hand lift the frame up and out of the side clips (Fig. 6.4).
For safety, push the side rails back into the grill chamber.
If you need to remove the side rails to allow cleaning of the grill chamber, you can unhook them from the grill chamber sides (Fig. 6.5) and wipe the sides clean with a soft cloth and mild detergent.
DO NOT put the side runners in a dishwasher.
Once you have finished, hook the side rails back onto the sides of the chamber. To refit the frame, pull the side rails forward and, for each side in turn, support the side rail and press the frame down into the side rails. Replace the grill pan.
Induction Griddle (some models only)
NEVER use paint solvents, washing soda, caustic cleaners, biological powders, bleach, chlorine based bleach cleaners, coarse abrasives or salt.
DO NOT mix different cleaning products – they may react together with hazardous results.
DO NOT put this griddle in a dishwasher.
Safety
Please always use potholders for cast-on handles because they tend to get hot, given their good heat conductivity.
Control panel and doors
Avoid using any abrasive cleaners, including cream cleaners.
For best results, use a liquid detergent.
The same cleaner can also be used on the doors. Alternatively, use a soft cloth wrung out in clean hot soapy water. You can use the same method for cleaning the control panel and knobs. After cleaning, polish with a dry cloth.
Glass fronted door panels
The oven door front panels can be taken off so that the glass panels can be cleaned. Move the cooker forward to gain access to the sides (see the ‘Moving the Cooker’ section under ‘Installation’).
Open the oven door slightly and remove the front panel fixing screws from the door sides, two each side (Fig. 6.6).
Carefully lift off the outer door panel. The inside face of the glass panels can now be cleaned – take care not to disturb or wet the door insulation.
NOTE: If the door is triple glazed then the inner two panels are fixed together and should not be separated. After cleaning, carefully refit the outer door panel and replace the side fixing screws.

DO NOT use harsh abrasive cleaners or sharp metal scrapers to clean the oven door glass since they can scratch the surface, which may result in shattering of the glass.
Ovens
The oven door front panels can be taken off so that the glass panels can be cleaned. Move the cooker forward to gain access to the sides (see the ‘Moving the Cooker’ section under ‘Installation’).
‘Cook & Clean’ Panels
The ovens have side ‘Cook & Clean’ panels which have been coated with a special enamel that partly cleans itself. This does not stop all marks on the lining, but helps to reduce the amount of manual cleaning needed.
These panels work better above 200 °C. If you do most of your cooking below this temperature, occasionally remove the panels and wipe with a lint free cloth and hot soapy water.
The panels should then be dried and replaced and the oven heated at 200 °C for about one hour. This will make sure that the panels are working effectively.
Removing the panels to clean the enamel interior
Some of the lining panels can be removed for cleaning.
If you wish to clean the enamel interior of the oven, you will need to remove the shelves before removing the ‘Cook & Clean’ panels. To remove the side panels, simply lift the panel and slide forwards. (Fig. 6.7).
Once the panels have been removed, the oven enamel interior can be cleaned.
DO NOT use steel wool, oven cleaning pads, or any other materials that will scratch the surface.
Refit in the reverse order.
Tall oven
To clean the oven sides, slide out the shelves, unhook the supports from the oven sides and lift out (Fig. 6.8).

Cleaning table
Cleaners listed (Table 6.1) are available from supermarkets or electrical retailers as stated.
For enamelled surfaces use a cleaner that is approved for use on vitreous enamel.
Regular cleaning is recommended. For easier cleaning, wipe up any spillages immediately.
| Hotplate | ||
| Part | Finish | Recommended Cleaning Method |
| Hob top | Enamel or stainless steel | Hot soapy water, soft cloth. Any stubborn stains remove gently with a nylon scourer. |
| Ceramic/Induction hob | Toughened glass | Hot soapy waten cream cleaner/scourer if necessary. |
| on Griddle plate (some modelsly) | Non-stick surface | Allow to cool. Wash in hot soapy water. Do not use abrasive cleaners/ scourers. |
| Warming zone (some models only) | Toughened glass | Hot soapy water, cream cleaner/scourer if necessary. |
| Outside of Cooker | ||
| Part | Finish | Recommended Cleaning Method |
| Door, door surround and storage drawer exterior | Enamel or paint | Hot soapy water, soft cloth. Any stubborn stains, remove gently with a liquid detergent. |
| Stainless steel | E-cloth (electrical retailers) or microfibre all-purpose cloth (supermarket). | |
| Sides and plinth | Painted surface | Hot soapy water, soft cloth. |
| Splashback/rear grille | Enamel or stainless steel | Hot soapy water, soft cloth. Cream cleaner, with care, if necessary. |
| Control panel | Paint enamel or stainless steel | Warm soapy water. Do not use abrasive cleaners on lettering. |
| Control knobs/handles & trims | Plastic/chrome, copper or lacquered brass | Warm soapy water, soft cloth. |
| Brass | Brass polish. | |
| Oven door glass/glass lid (some models only) | Toughened glass | Hot soapy water, cream cleaner/scourer if necessary. |
| Oven and Grill | ||
| Part | Finish | Recommended Cleaning Method |
| Sides, floor & roof of oven NOT COOK & CLEAN OVEN PANELS (see below) | Enamel | Any proprietary oven cleaner that is suitable for enamel. CAUTION: CORROSIVE/CAUSTIC OVEN CLEANERS: FOLLOW MANUFACTURERS INSTRUCTIONS. Oo not allow contact with the oven elements. |
| Cook & Clean oven panels (some models only) | Special enamel that partly cleans itself | This surface cleans itself at 200t and above, or the panels can be removed and washed with hot soapy water and a nylon brush. |
| Oven shelves, Handyrack, grill trivet, Handygrill rack (some models only) | Chrome | An oven interior cleaner that is suitable for chrome. Soap filled pad. Dishwasher. |
| Grill pan/meat tin (some models only) | Enamel | Hot soapy water. Soap filled pad. Dishwasher. |
Troubleshooting
Interference with and repairs to the hob MUST NOT be carried out by unqualified persons. Do not try to repair the hob as this may result in injury and damage to the hob. Please arrange for repair by a suitably competent person.
NOTE: The induction hob is able to self-diagnose a number of problems and can show this information to the user via the hob control display. Error codes may be displayed if your hob has developed a fault.
If your appliance reports an error or is not working, you may be able to correct the fault by consulting the following.
Error code E2 is displayed
The electronic unit is too hot. Please check the installation of the cooker, making sure that there is sufficient ventilation. In extreme cases, if a cooking utensil has been allowed to boil dry this error code may also be displayed. If in doubt please contact your installer or a qualified repair engineer.
No display operation
Over voltage or loss of supply voltage to the cooker. If in doubt please contact your installer or a qualified repair engineer.
Error code U400 is displayed
The cooker has been incorrectly connected. The control will switch off after approximately 1 second and the error code will be permanently displayed.
Consult your installer or a qualified repair engineer.
Error code Er followed by a number is displayed
The appliance has developed an internal technical fault that cannot be rectified by the user. Consult your installer or a qualified repair engineer.
The fuse blows or the RCD trips regularly
Please contact your installer or a qualified repair engineer.
The cooker will not switch on
Has the wiring system in the house blown a fuse or tripped an RCD?
Has the cooker been correctly connected to the mains supply?
The induction hob is noisy
When using the induction hob there may be some ‘noise’ emitted from the pan. This is normal and may be most noticeable when cooking on high power settings or if 5 pans are used simultaneously. The type of pan may also contribute to induction ‘noise’.
Power failure
In the event of a failure in the electrical supply, remember to reset the clock so that the timed oven continues to operate.
The cooling fan
The induction hob incorporates a cooling fan. This cooling fan is active when either the grill or the oven(s) are on. Under certain conditions, the cooling fan may remain active when the grill or oven(s) are switched off. This is normal and the fan will switch off automatically.
The fascia gets hot when I use the oven
If the fascia becomes excessively hot when the cooker is in use then the cooling fan may have failed. Should this occur please contact your installer, a qualified repair engineer or Customer Service to arrange for its repair.
A crack has appeared in the hob surface
Disconnect the cooker immediately from the power supply and arrange for its repair. Do not use the cooker until after the repair.
My hob is scratched
Always use the cleaning methods recommended in this guide, and make sure that the pan bottoms are smooth and clean.
Marks from mineral deposits from water or food can be removed with a cleaning cream. However, tiny scratches are not removable but will become less visible in time as a result of cleaning.
The oven fan is noisy
The note of the oven fan may change as the oven heats up – this is perfectly normal.
The knobs get hot when I use the oven or grill. Can I avoid this?
Yes, this is caused by heat rising from the oven or the grill, and heating them up. Do not leave the oven door open. Make sure that the grill pan is pushed right back to the ‘back stop’ when grilling.
ALWAYS grill with the grill compartment door open.
DO NOT leave the oven door open.
If there is an installation problem and I don’t get my original installer to come back to fix it, who pays?
You do. Service organisations will charge for their call-outs if they are correcting work carried out by your original installer.
Therefore, it’s in your own interest to keep track of this installer so that you can contact them as required.
Food is cooking too slowly, too quickly, or burning
Cooking times may differ from your previous oven. Check that you are using the recommended temperatures and shelf positions – see the oven cooking guide. Then adjust the settings according to your own individual tastes.
The oven light is not working
The bulb has probably blown. You can buy a replacement bulb (which is not covered under the guarantee) from most electrical stores. Ask for a 40 W – 230 V halogen lamp (G9) (Fig. 7.1). Before removing the existing bulb, turn off the power supply and make sure that the oven is cool. Open the oven door and remove the oven shelves.
Locate the bulb cover and unscrew it by turning it counterclockwise – it may be very stiff (Fig. 7.2).
Pull the existing bulb to remove it. When handling the replacement bulb, avoid touching the glass with your fingers, as oils from your hands can cause premature failure. Push, click in the replacement bulb. Replace the bulb cover and turn on the electricity supply to check that the bulb now lights.
The oven door is misaligned
The bottom hinge of the left hand oven door can be adjusted to alter the angle of the door (Fig. 7.3). Loosen the bottom hinge fixing screws and use the notch and a flat bladed screwdriver to move the position of the hinge to set the hinge position (Fig. 7.4).
Retighten the hinge screws.
The oven is not cooking evenly
DO NOT use a baking tray with dimensions larger than those specified in the section on ‘General Oven Tips’.
If you are cooking a large item, be prepared to turn it round during cooking.
If two shelves are used, check that space has been left for the heat to circulate. When a baking tray is put into the oven, make sure that it is placed centrally on the shelf.
Check that the door seal is not damaged and that the door catch is adjusted so that the door is held firmly against the seal.
A dish of water when placed on the shelf should be the same depth all over. (For example, if it is deeper at the back, then the back of the cooker should be raised up or the front lowered.) If the cooker is not level, arrange for your supplier to level it for you.
The timed oven is not coming on when turned on manually
Is the power on? Is the clock illuminated? If not, there may be something wrong with the power supply. Is the cooker supply on at the isolator switch? Has the time of day been set?
The timed oven is not coming on when automatic cooking
Has the oven knob been left in the OFF position by mistake?
Oven temperature getting hotter as the cooker gets older
If turning the temperature down using the oven control knob has not worked, or has only worked for a short time, then you may need a new thermostat. This should be fitted by a service person.
INSTALLATION
Check the appliance is electrically safe when you have finished.
Dear Installer
Before you start your installation, please complete the details below, so that, if your customer has a problem relating to your installation, they will be able to contact you easily.
Installer’s Name
Installer’s Company
ArtNo.050-0011 – Installer information table
Installer’s Telephone Number
Appliance Serial Number
Safety Requirements and
Regulations
This cooker must be installed in accordance with the relevant instructions in this booklet, with the relevant national and local regulations, and with the local electricity supply companies’ requirements.
The appliance must be installed in accordance with the regulations in force and only in a well ventilated space.
Read the instructions before installing or using this appliance.
Provision of Ventilation
This appliance is not connected to a combustion products evacuation device. Therefore, particular attention must be given to the relevant requirements regarding ventilation.
All rooms require a window that can be opened, or equivalent, while some rooms require a permanent vent in addition to the window.
Location of Cooker
The cooker may be installed in a kitchen/kitchen diner but
NOT in a room containing a bath or shower.
This appliance is designed for domestic cooking only. Use for any other purpose could invalidate any warranty or liability claim.
You will need the following equipment to complete the cooker installation satisfactorily:
- Multimeter (for electrical checks).
You will also need the following tools:
- Steel tape measure
- Cross-head screwdriver
- Flat-bladed screwdriver
- Spirit level
- Pencil
- Adjustable spanner
- 3 mm and 4 mm Allen keys
- 13 mm spanner or socket wrench
Checking the parts:

Positioning the Cooker
Fig. 8.1 and Fig. 8.2 show the minimum recommended distance from the cooker to nearby surfaces.
The cooker should not be placed on a base.
Fig. 8.1 and Fig. 8.2 Cookers installed into recess: The cooker must have side clearance ABOVE hob level of 75mm up to a height of 410mm. This can be reduced to 25mm if the surface of the side wall is non-combustible.
A minimum space of 650 mm is required between the top of the hob and a horizontal combustible surface.
*Any cookerhood should be installed in accordance with the hood manufacturer’s instructions.
**Any splashback must be fitted in accordance with the manufacturers instructions. Allowance should be made for the additional height of the flue trim, which is fitted to the
cooker hob. Surfaces of furniture and walls at the sides and rear of the appliance should be heat, splash and steam resistant. Certain types of vinyl or laminate kitchen furniture are particularly prone to heat damage and discolouration. We cannot accept responsibility for damage caused by normal use of the cooker to any material that de-laminates or discolours at temperatures less than 65 °C above room temperature.
DO NOT box the cooker in – it must be possible to move the cooker in and out for cleaning and servicing.
If the cooker is near a corner of the kitchen, a clearance of 130 mm is required to allow the oven doors to open (Fig. 8.3).
The actual opening of the doors is slightly less, but this allows for some protection of your hand as you open the door.

Moving the Cooker
On no account try and move the cooker while it is plugged into the electricity supply.
The cooker is very heavy, so take great care.
We recommend two people manoeuvre the cooker. Make sure that the floor covering is firmly fixed, or removed to prevent it being disturbed when moving the cooker around.
To help you, there are two levelling rollers at the back and two screw-down levelling feet at the front.
Remove the polystyrene base pack. From the front, tilt the cooker backwards and remove the front half of the polystyrene base (Fig. 8.4). Repeat from the back and remove
the rear half of the polystyrene base.
Lowering the Two Rear Rollers
To adjust the height of the rear of the cooker, first fit a 13 mm spanner or socket wrench onto the hexagonal adjusting nut (Fig. 8.5).
Rotate the nut – clockwise to raise – counter-clockwise to lower. Make 10 complete (360°) turns clockwise. Make sure you lower BOTH REAR ROLLERS.
Completing the Move
Unfold the rear edge of the cardboard base tray. Open the grill door and right-hand oven door so that you can get a good grip on the bottom of the fascia panel as you move the oven (Fig. 8.6).
Carefully push the cooker backwards off the base tray. Remove the base tray.
Position the cooker close to its final position, leaving just enough space to get behind it Fig. 8.7).
DO NOT use the door handles or control knobs to manoeuvre the cooker.
Fitting the Stability Bracket
We recommend using a stability bracket; first attach the bracket location device to the rear of the cooker (Fig. 8.8).
Then adjust the bracket to engage through the slot of the device (Fig. 8.9 and Fig. 8.10).
Repositioning the Cooker
Following Connection
If you need to move the cooker once it has been connected, make sure it is switched off at the supply switch before gripping under the fascia panel and lifting the front of the
cooker slightly (Fig. 8.6). Check behind the cooker to make sure that the electricity cable is not caught. As you progress, always make sure that the cable has sufficient slack to allow the cooker to move.
When you replace the cooker, check behind it again once more to make sure that the electricity cable is not caught or trapped.
Levelling the Cooker
Place the cooker in its intended position. Take care not to twist it within the gap between the kitchen units, as otherwise, damage may occur to the cooker or units. There are two screw-down feet at the front and two levelling rollers at the rear, which can be used to adjust the height and level of the cooker.
It is recommended that you use a spirit level on a shelf in one of the ovens to check for level.
Electrical Connection
The cooker must be installed by a qualified electrician, in accordance with the relevant national and local regulations.
The cable size and type should be suitable for the Electrical Load of the appliance and comply with the local requirements.
WARNING: THE APPLIANCE MUST BE EARTHED.
NOTE: The cooker must be connected to the correct electrical supply as stated on the voltage label on the cooker, through a suitable cooker control unit incorporating a double-pole switch, having a contact separation of at least 3 mm in all poles.
The cooker MUST NOT be connected to an ordinary domestic power point.
Access to the mains terminal is gained by removing the electrical terminal cover box on the back panel. Connect the mains cable to the correct terminals for your electrical supply type (Fig. 8.11 and Fig. 8.12). Check that the links are correctly fitted and that the terminal screws are tight. Secure the mains cable using the cable clamp.

Final Checks
Hob Check
Check each cooking zone in turn. Be sure to use pans of the correct size and material.
Grill Check
Turn on the grill control and check that the grill heats up.
Oven Check
Set the clock as described earlier, and then turn on the ovens.
Check the oven fans start to turn and that the ovens heat up.
Final Fitting
Fitting the 2-piece Plinth
Fit the inner plinth to the bottom front of the cooker using the 4 or 5 screws provided (Fig. 8.13).
Fit the outer plinth (2 screws, 1 each end) to the inner plinth.
The height of the outer plinth can be adjusted by sliding it up or down via the slotted hole (Fig. 8.14).
Customer Care
INSTALLER: Please complete your details in this guide, inform the user how to operate the cooker and hand over the instructions.
Thank you.
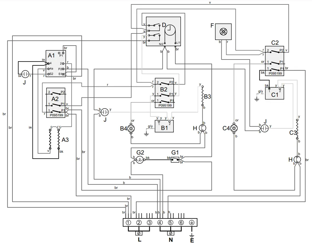
Circuit Diagrams
Hob

| Code | Description |
| 1 | Left-hand front element |
| 2 | Left-hand back element |
| 3 | Right-hand back element |
| 4 | Right-hand front element |
| 5 | Centre element |
| Code | Colour |
| w/br | White or brown |
Oven

Key
The connections shown in the circuit diagram are for single-phase. The ratings are for 230 V 50 Hz.
| Code | Description |
| A1 | Grill energy regulator |
| A2 | Grill front switch |
| A3 | Grill elements |
| B1 | Left-hand oven thermostat |
| B2 | Left-hand oven thermostat front switch |
| B3 | Left-hand oven element |
| B4 | Left-hand oven fan |
| C1 | Right-hand oven thermostat |
| C2 | Right-hand oven thermostat front switch |
| C3 | Right-hand oven element |
| C4 | Right-hand oven fan |
| D | Clock |
| Code | Description |
| F | Cooling fan |
| G1 | Oven light switch |
| G2 | Oven light |
| H | Thermal cut-out |
| J | Neon |
| Code | Colour |
| b | Blue |
| br | Brown |
| bk | Black |
| or | Orange |
| r | Red |
| v | Violet |
| w | White |
| y | Yellow |
| g/y | Green/Yellow |
Technical Data
INSTALLER: Please leave these instructions with the user.
DATA BADGE LOCATION: Cooker back, serial number repeater badge below the oven door opening.
COUNTRY OF DESTINATION: GB, IE.
Connection
| Electric | 230 / 400 V ~ 50 Hz 3N |
| Model | Infusion 100 Induction | |
| Total height | Min 905 mm | Max 930 mm |
| Total width | 994 mm | |
| Total depth: | 608 mm excluding handles, 658 mm including handles | |
| Minimum space above hotplate | 650 mm | |
Ratings

| Hotplate energy saving tips Use cookware with a flat base. Use the correct size cookware. Use cookware with a lid. Minimise the amount of liquid or fat. When liquid starts boiling, reduce the setting. | Oven energy saving tips Cook meals together, if possible. Keep the pre-heating time short. DO NOT lengthen cooking time. DO NOT open the oven door during the cooking period. DO NOT forget to turn the appliance off at the end of cooking. |
Infusion 100 Induction

Hotplate Efficiency Data
| Brand | Rangemaster |
| Model Identification | Infusion |
| Size | 100 |
| Type | Induction |
| Type of Hob | Induction |
| Number of electric zones | 5 |
| Zone 1 – Ø cm | 19. |
| Heating Technology | |
| Energy Consumption (ECElectric cooking) – Wh/kg | 172 |
| Zone 2 – Øcm | 16. |
| Heating Technology | |
| Energy Consumption (ECElectric cooking) – Wh/kg | 180 |
| Zone 3 – Ø cm | 19. |
| Heating Technology | |
| Energy Consumption (ECElectric cooking) – Wh/kg | 172 |
| Zone 4 – Ø cm | 16. |
| Heating Technology | |
| Energy Consumption (ECElectric cooking) – Wh/kg | 180 |
| Zone 5 – Ø cm | 19. |
| Heating Technology | |
| Energy Consumption (ECElectric cooking) – Wh/kg | 172 |
| Zone 6 – Øcm | – |
| Heating Technology | |
| Energy Consumption (ECElectric cooking) – Wh/kg | – |
| Energy Consumption (ECElectric hob) – Wh/kg (*) | 175 |
Information marked thus (*) is not required with mixed fuel hobs
Oven Data
| Brand | Rangemaster | |
| Model identification | Infusion | |
| Mass | kg | 112 |
| Type of oven | Electric | |
| Number of cavities | 2 | |
| Left-hand Efficiency | ||
| Fuel type | Electric | |
| Cavity type | Fanned | |
| Power – conventional | – | |
| Power – forced air convection | 2.5 | |
| Volume | Litres | 79 |
| Energy consumption (electricity) – conventional | kWh / cycle | – |
| Energy consumption (electricity) – forced air convection | kWh / cycle | 0.83 |
| Energy efficiency index – conventional | – | |
| Energy efficiency index – forced air convection | 94.4 | |
| Energy class | A | |
| Right-hand Efficiency | ||
| Fuel type | Electric | |
| Cavity type | Fanned | |
| Power – conventional | – | |
| Power – forced air convection | 2.5 | |
| Volume | Litres | 82 |
| Energy consumption (electricity) – conventional | kWh / cycle | – |
| Energy consumption (electricity) – forced air convection | kWh / cycle | 0.78 |
| Energy efficiency index – conventional | – | |
| Energy efficiency index – forced air convection | 87.3 | |
| Energy class | A | |
| Additional Information | |
| The oven complies with EN 60350-1 | |
| Maximum output @ 230V 50Hz | |
| Conventional | 2.2 kW |
| Multifunction | – |
| Multifunction (with Rapid Response) | – |
| Forced Air Convection | 2.5 kW |
| Grill | 2.3 kW |
| Slow Oven | – |
| Bread Proving Drawer | – |
| Maximum total electrical load at 230 V (approximate total including hob, oven lights, oven fan, etc.): | 14.5 kW |
Name of Appliance & Colour*
Appliance Serial Number*
Fuel Type*
Natural Gas/LP Gas
Dual Fuel/Electric
Retailer’s Name & Address
Date of Purchase
Installer’s Name & Address
Installer’s Telephone Number
Date of Installation
* This information is on the appliance data badge – look in the appliance instructions to find out where the data badge is located.
CONSUMER SERVICE
If you have any product enquiries, or in the event of a problem with your appliance once it has been installed, please telephone 01926 457628.
CONSUMER SERVICE LINES OPEN:
Monday to Thursday 8am–6pm
Friday 8am–5pm
WARRANTY
Your manufacturer warranty covers goods of our own brand for defective workmanship and materials for a period of 1 year from the date of purchase. This warranty covers mechanical breakdown and proven cosmetic and manufacturing defects.
You will receive an additional FREE full 12 months guarantee by registering your purchase using the FREEPOST form provided. Alternatively, call free on 0800 587 5747, quoting reference RMGX57A, or register online at www.rangemaster.co.uk.
Any damage, blemishes or chips identified upon receipt of the product must be reported within 7 days – proof of purchase may be required to establish validity. Scratches on the surface of ceramic hobs must be reported within 7 days. Scratches caused by usage are not covered. Accidental damage is not covered by the manufacturer’s warranty.
For warranty compliance, the requirements are that the appliance:
- Has been correctly installed in accordance with current legislation, relevant British and European Standards and Codes of Practice, by a suitably competent person registered with Gas Safe or equivalent body and, where applicable, a qualified electrician.
- Has been used solely for domestic cooking purposes.
- If in use in the UK*, has not been taken abroad as a personal export. (In the Republic of Ireland conditions may vary, so consult your retailer.)
- Is not second-hand or a refurbished appliance. The manufacturer’s warranty is not transferable.
- Has not been subject to misuse, accidental damage or modification, and has not deteriorated due to normal domestic wear and tear, and the manufacturer’s recommendations concerning cleaning materials have been followed.
- Has not been repaired by persons or organisations other than those authorised to act on behalf of AGA Rangemaster.
Exceptions:
- Items not included under the free 1 year guarantee include pan supports, griddles, wok rings, baking trays, grill pans, trivets, filters, light bulbs and other consumable accessories.
- Any damage caused other than through normal use.
- Breakdowns associated with cooking spillage.
- Cosmetic deterioration deemed to be normal wear and tear.
This warranty is in addition to your Statutory Rights.
* Only certain models can be adapted for use with Mains Gas supplied in the Channel Islands and Isle of Man.
OUT OF WARRANTY
We recommend that Rangemaster appliances are serviced regularly throughout their life to maintain optimum performance and efficiency. Service work should only be carried out by technically competent and suitably qualified personnel.
For your own safety, always make sure that work is carried out by a Gas Safe registered engineer for gas appliances or an approved electrician for electrical models.
For a competetive quote and to arrange for a Rangemaster approved engineer to attend, call Consumer Services on: 01926 457628.
SPARE PARTS
To maintain optimum and safe performance, we recommend that only genuine Rangemaster spare parts are used. These are available from most major spares stockists, including ourselves.
Contact Consumer Services on 01926 457628, who will be happy to help.
STANDARDS
Rangemaster cookers are designed and manufactured to a recognised international quality standard, which meets the requirements of BS EN ISO 9001, BS EN ISO 14001 and OHSAS 18001 for continually improving environmental procedures.
Rangemaster cookers comply with the essential requirements of the appropriate European Directives, and carry the CE mark.

Clarence Street
Royal Leamington Spa
Warwickshire
CV31 2AD
England
Consumer Services: +44 (0)1926 457628.
Fax: +44 (0)1926 450526
E-mail: [email protected]
www.rangemaster.co.uk
For UK Trade Enquiries Tel: +44 (0)115 946 4000
Fax: +44 (0)115 973 6602
E-mail: [email protected]
For ROI Enquiries Tel: 1850 302 502
Rangemaster is a trading name of AGA Rangemaster Limited
Registered in England and Wales. Registration No. 354715
Registered Office: c/o Aga Rangemaster, Meadow Lane, Long Eaton, Nottingham, NG10 2GD
Rangemaster continuously seeks improvements in specification, design and production of products and thus, alterations take place periodically. Whilst every effort is made to produce up-to-date literature, this brochure should not be regarded as an infallible guide to current specification, nor does it constitute an offer for the sale of any particular appliance.

Search Rangemaster UK
![]()























