

Whirlpool Control Mechanism
Type 230 8091A-S01
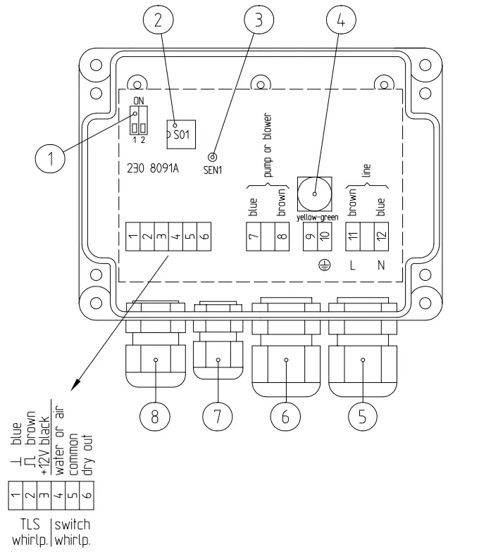
230 8091A-S01 Whirlpool Control Mechanism

| 1 DP-switch for settings 2 microcontroller 3 LE0 for TLS-control 4 fuse holder (T6A | 5 mains voltage supply 6 pup or blower 7 switch whirlpool 8 TLS whirlpool |
| DIP-switch | ON | 0FF |
| $1 | autostart dry out automatic/manual | |
| $2 | interval | |
dry out only with blower permissible
Tachical data
nominal voltage 230V AC 50/60Hz
total connected load max. 3,6kW
switching current each channel 16A at cos phi = 1
system protection IP55
housing dimensions 130095×50 mm
General Information
This control mechanism has 1 output. This output (8) is provided for the pump or the blower. Alternative an other adequate aggregate can be connected. Operating elements and sensors are connected to the 5 V or 12 V control voltage (safety extra-low voltage, SELV). You may operate the whirlpool by means of the push-button on the edge of pool. All of times listed in this description are reference values. Should any modifications be made on the equipment, the warranty claim will expire. ( ) terminal designations
Is the control mechanism connected to the power supply, the status display (LED – Light Emitting Diode) from the pump or blower symbol flashes on every 8 seconds for the time of 0,5 seconds —> _supply voltage existing’. If the pool is filled with water (TLS height), the flash-rhythm from the status display changes to a steady flashing of 0,5 seconds —> _pool ready’. After the _pool ready” signal appears all functions could be used. Is a function active the LED from this function lights. If a function is active after the pool is empty (depends on the variant for instance the dry out with the blower), the speed of the flashing from the status display on the push-button changes to a double flashing with a break of 0,5 seconds. When all of the functions have ended, the status display shows the flashing function of —) _supply voltage existing”
Description from the Limiting of the Running Time
This function is also called the OFF-TIMER. Automatic switch-off is a function that protects the whirlpool against functioning without supervision. When the status display shows the _pool ready’ signal and the control mechanism registers that a button has been pressed for the first time, the switch activates the 20 minutes running time limit. You may use any of the whirlpool functions during this time as much as you desire. All of the aggregates are switched off when the running time limit is reached regardless what function is activated. If all of the functions are switched off during this time, the running time limit will also be set back. Pressing a button again starts this time again. Then the aggregates can be switched on again immediately after automatic stop. When the button is pressed for the first time, the running time limit is started again. Automatic functions such as the rewashing (depending on the design) are not included in the running time limit.
The Dry Running Protection System TLS
This system consists of the capacitive proximity switch (dry running protection sensor – TLS) whose maximum switching distance (pool wall thickness) is 20 mm. The TLS is mounted on the outside of the pool with a suitable bonder such as silicone. The TLS has to be connected because the whirlpool must not be put into operation without water. Otherwise, the pump shaft seal or the spotlight could be damaged as a result of too little cooling. Furthermore, the pool surface could be deformed. The switching status of the TLS is displayed directly on the TLS and in the control mechanism in each case by a LED. If there is a lack of water, the LED (SEN1) in the control mechanism lights. The LED of the dry running protection sensor works inverted. If the water comes under the required water level the aggregate will be switched off automatically after approximately 5 seconds and they can not be switched on again. If there is no TLS connected, the control mechanism operates normal like the pool is full. The LED (SEN1) does not light.
designations for connections:
| black | +12 VDC max. 50mA |
| blue | GND |
| brown | signal output L-level → water existing H-level → water away |
H-level → High-level, L-level → Low-level
Settings
5.1 Adjusting the Interval
You may adjust the interval using the DIP switch S2 (refer to figure position 1).
In the interval mode the aggregates switch “on” and “off’ in a 2 seconds rhythm.
The associated function if a push-button with the symbol air, water or light will be pressed.
| pressing the button | S2 in the „ON” position | S2 in the „OFF” position |
| pressing the button for the first time | on | on |
| pressing the button for the second time | interval | off |
| pressing the button for the third time | off | refer to first time |
| pressing the button for the fourth time | _ refer to first time |
Description of dry out
dry out automatic:
The DIP switch S1 (see figure position 1) must be in the “ON” position in order to automatically start this function after every time the pool has been used. If the water in the pool reached the level (TLS height) after 30 seconds the control activates the function dry out. Independent on the operating time of the pool the dry out function is in a waiting position.
In this configuration it is not possible to connect a push button for the “dry out” function.
dry out manual:
Is the DIP switch S1 in “OFF” position the function can only be started manually by the push button. Hold the
button pressed until the flashing control lamp (LED) switches to continuous light (protection against incorrect usage — child protection). Independent on the operating time of the pool the dry out function is in a waiting position.
To cancel the function press the button
once briefly. The function can only be cancelled if the pool is empty.
6.1 Dry out
If the function is activated the blower turns on after the dry running protection sensor TLS does not register water over a time of 20 minutes (after emptying the pool) for 3 minutes. In this way the air-system is dried out.
Connection and electrical installation
Connection, electrical component installation and adjusting operations must only be performed by a qualified electrician or under the supervision and responsibility of such a person (by an electrical installation company authorised for this purpose).
Note: If work is carried out on the water installation, the complete control must be switched off and reliably disconnected from the electric power system. To connect the control to the mains supply, use only a line of type H05VV-F3G1 (medium PVC hosepipe, YMM-J 3×1 mm2) or H05VV-F3G2,5 (YMM-J 3×2,5 mm2).
Please note when making the connection:
- Work only in the de-energised condition!
- Insulation stripping length at the ends of the conductors: 6mm
- With fine-wire conductors it is possible to use conductor sleeves.
- Keep the earthed conductor extra long so that it is pulled from the terminal after the mains conductors should the pull relief fail.
- Connect the conductors only at the connection points provided for this purpose according to the connection diagram.
- Ensure sound contact to the means of connection (introduce stripped conductor ends fully into the terminals, pull test), especially with the earthed conductor connection.
- Do not accommodate any “conductor reserves” (loops; individual cores where the insulation stripping length is excessive etc.) in the control box.
- Then check the correct connection of the entire device. Faulty connections can result in the equipment being destroyed or impair the intended safety measures!
To maintain the type of protection IP 55 - completely introduce the outer sheathing of the lines (jacket) in the attachment screw connection,
- properly secure the acorn nuts of attachment screw connections (open-end wrench),
- unused introduction openings closed or blanked off with insulating material,
- line introduction openings arranged downwards or laterally and
- housing covers reinstalled properly.
Cut all lines leading to the control to size such that all electrical parts are easily accessible and can be removed for repairs. Upon installation and attachment ensure that the insulation cannot be damaged or squashed by sharp edges or burrs, heated-up or moving parts. Strictly adhere to the connection requirements of the local power supply companies and the additional requirements in terms of establishing power systems, especially such for “bathrooms” (protection area, potential equalisation etc.). DE: DIN VDE 0100-701 (VDE 0100 Part 701) AT: OVE-EN 1, Part 4 § 49/1980 and 1996
Attach all electrical components so that only parts are accessible to persons in the bath, which are supplied with 12V low safety voltage. Also ensure that electrical equipment is installed, attached and secured so that it cannot fall into the pool.
Furthermore in the case of the connection of the whirlpool have to be provided:
- A separator which makes possible switching the electrical circuit all-polo off, space-pole with at least 3 mm of contact opening distance to disconnected from the electric power system.
- Supply over a fault current circuit breaker with at least 25A 230/400 V — and maximum rated breaking current IAN= 30mA.
- Production of the additional potential equalisation (minimum cross section 4mm2 copper)
After completion the electrical installation must be inspected and tested (function test) by a qualified electrician. In addition, the effectiveness of the performed protective measures, earth connection and earthed conductor connections, potential equalisation, insulation condition etc. of the newly established system component must be checked and documented. If the bath control shall be used in other, e.g. medical-technology areas (hospital institutions, out-patient department, health cure and rehabilitation institutions etc.), the additional requirements have to be taken into account for the construction of such plants (previous contacting with the manufacturer recommended).
Water installation
The connection must only be performed by an officially licensed installation company or under the supervision and responsibility of such a person (by an installation company authorised for this purpose). The installation regulations of the local water supply companies and the provisions of DIN 1988 must be strictly adhered to. A stink trap must be provided for the water connection. In the case of pools with integrated filling a flexible connection hose (armoured hose) must also be provided for the water connection.
Note: No rigid pipe connection between whirlpool and water line — breaking hazard!
Rudolf Koller Stra~e 1
A-3902 Vitis
Tel. +43/2841/8207
Fax. +43/2841 /8221
E-Mail: office.vitis. [email protected]
Type 230 8091A-S01
1108 Rev.2
Ing. Aigner A.
We reserve the right to make technical modifications and printing errors!


















