VH Electronics TAJFUN 1000 Offer Power amplifiers and accessories

Acknowledgment
Thank you for purchasing Power linear amplifier TAJFUN 1000 432/144 from VH Electronics. During its productiom, we used the latest knowledge in the field of VHF Power amplifiers and the most advanced technology in the management, communication and display systems. We believe that our product will exceed your expectations and will be working properly to your satisfaction. Please take a few moments to read this manual and get acquainted with this device.
GENERAL INFORMATION
Description
TAJFUN 1000 432/144 is a small, lightweight but robust LDMOS VHF Power Amplifier (hereafter PA) working in amateur 432MHz and 144MHz band with output power up to 500W.
Technical parameters
- Frequency Coverage
- Operating Mode
- Output Power
- Low Pass Filter
- Input Power
- LDMOS
- Class Operating
- Input / Output Impedance
- Suppression of harmonics
- Intermodulation distortion
- Cooling
- Coaxial Relay
- Communication ports
- Power Supply Inside
- Working temperature
- Dimension
- Weight
- 432 – 440 MHz Amateur band
- 142 – 146 MHz Amateur band
- FM, SSB, CW, DIGI
- 500W CW, 450W SSB (lineary)
- 300W FM and DIGI @ 21°C 50% duty cycle
- Only on 440 MHz
- 12 – 16W (Inside 6dB hybrid attenuator ) MRFE6VP5600H Freescale
- PUSH PULL Configuration
- AB
- 50 Ω Connector 2 x N-female
- ≤75 dBc 432MHz (Low Pass Filter); ≤10 dBc 144MHz -32 dBc
- 2 axial fans PA + 1 fan Power Supply
- CX600NC – CX140D
- USB, LAN
- Input: 195 – 277VAC, 45 – 66Hz
- Output: 53VDC / 1000W
- 0 – 45°C, Max. Humidity 90%
- 266 x 105 x 294mm ( width x height x depth )
- 6,2kg
Protection, measurements and display
- Protection
- Control / Display
- Measurements and display:
- Drain Current
- DC Voltage
- Output Power PWR
- Reflected Power REF
- Peak Power PEP
- Temperature
- PWR, REF, Temperature, Imax, Umax/Umin Colour TFT display
Put into operation
If your device was transported or stored in a cool or cold environment, it is necessary to unzip it first and let it dry in a warm enviroment (by doing this you will protect your device against a possible water condensation). Then you should connect the connecting coaxial cable to the RF INPUT and RF OUTPUT jacks on the rear panel (N-female connector) and attach the PTT RCA (CINCH) connector. Broadcasting (Tx) is active when connected to GND. Insert a supplied power cord into the POWER. Then turn on the power switch. Initializing and control equipment starts. After a short time, the fans will start, initialize the TFT touch screen and display:
Basic menu – “Home QSO“ , “Contest QSO“ 
By pressing an icon on the screen we select:
Mode Home QSO
This mode is suitable for the standard operation of the Home for the occasional QSO with less demand for cooling of the PA. Speed cooling fans are continuously controlled (PWM) according to the temperature of the LDMOS transistor independently of the control of the PTT (Rx/Tx mode). Advantage – quiet operation.
Mode Contest QSO
This mode is suitable for the Contest, eventually for DIGI operation with high demands on cooling of the PA. After switching of the PTT (Tx mode) it switches the maximum speed of the cooling fans. After switching off the PTT (mode Rx) the speed is continuously controlled (PWM) according to the temperature of the LDMOS transistor. Advantage – powerful cooling for demanding operations.
After selecting the operating mode we will get to the menu for Display operation.
In this menu, the PA does not respond to control PTT. Coaxial relays RF INPUT linking directly to the RF OUTPUT connector (bypass the amlifier). This mode ideal for local QSOs at low power wihout having to disconnect the PA.
By moving the middle icon you are setting up the band which you currently use, 144 MHz or 432 MHz.
By pressing on the Icon, you can choose from the following views:
- Standard
- Bargraph
- Peak
- All values
Standard
It shows the performance of the Output Power – PWR, Reflected Power – REF, both appears in a bargraph and their values are represented in a numerical form + it shows the values of the Temperature, Current and Voltage
Bargraph
It shows the performance of the Output Power – PWR, Reflected Power – REF and the Temperature – TEMP; they are all shown in a bargraph and their values appear in numerical form
Peak
It displays values as Standard, but PWR PEP and REF PEP are displayed in the peek values and the maximum values are represented during the hold of the PTT (Tx mode)
All values
It displays values as Standard. PWR PEP and REF PEP are displayed in the peak value and the maximum value are represented during the hold of the PTT (Tx mode) + it shows the values of the Coupler U PWR and U REF [mV] for servicing.
Responding in excessing the parameters Alert / Block-Warning
Output Power PWR
Atlert – when crossing PWR above the set value (≥500W) it gets into a red bargraph, the numeric value turns red and the buzzer beeps Block – when crossing PWR above a critical value (≥550W) it declares “Warning” on the display and it blocks the LDMOS (Inhibit -5V), it turns the coax relay off and it blocks the PTT. In order to restore operation it is necessary to “Restart“ – confirm “Warning“ and return to the Display operation
Reflected Power REF
Atlert – when crossing PWR above the set value (≥50W) it gets into a red bargraph, the numeric value turns red and the buzzer beeps Block – when crossing REF above critical value (≥55W) it declares “Warning” on the display and it blocks the LDMOS (Inhibit -5V), it turns the coax relay off and it blocks the PTT. In order to restore operation it is necessary to “Restart“ – confirm “Warning“ and return to the Display operation
Temperature
Atlert – when crossing the temperature above the set value (≥65°C) it gets into a red bargraph, the numeric value turns red and the buzzer beeps Block – when crossing PWR above critical value (≥70°C ) it declares “Warning” on the display and it blocks the LDMOS (Inhibit -5V), it turns the coax relay off and it blocks the PTT. In order to restore operation it is necessary to “Restart“ – confirm “Warning“ and return to the Display operation
DC Voltage
Atlert – when crossing DC Voltage above the set value (≥54V) the numeric value turns red and the buzzer beeps Block – when crossing DC Voltage above critical value (≥55V ) it declares “Warning” on the display and it blocks the LDMOS (Inhibit -5V), it turns the coax relay off and it blocks the PTT. In order to restore operation it is necessary to “Restart“ – confirm “Warning“ and return to the Display operation
Drain Current
Atlert – when crossing Current above the set value (≥20A) the numeric value appears red and the buzzer beeps Block – when crossing Current above the critical value (≥22A ) it declares “Warning” on the display and it blocks the LDMOS (Inhibit -5V), it turns the coax relay off and it blocks the PTT. In order to restore the operation it is necessary to “Restart“ – confirm “Warning“ and return to the Display operation
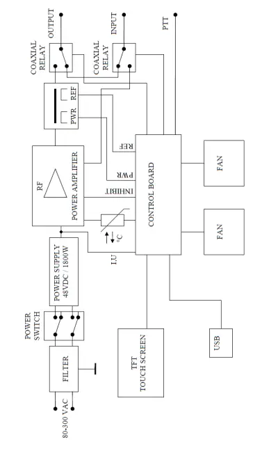
DIAGRAM BLOCK
Sequencer
Time control coaxial relay
Control unit „Control Board“ switch input and output coaxial relays in the correct time sequence according to the PTT signal. Time T1 and T2 can be changed using
the software Service Tajfun 1000 via USB port PA. http://vhelectronics.sk/index.php/en/ham-radio-vhf-uhf/tajfun-1000-144-a-432-mhz-detail
- Normally set times:
- T1 (Relay IN) …… 20ms
- T2 (Relay OUT)… 25ms
ATTENTION Carefully consider any change in these times not to cause destruction LDMOS or accident PA.




















