RKI 30-0954RK Sample Draw Aspirator Adapter
WARNING
Read and understand this instruction manual before operating detector. Improper use of the detector could result in bodily harm or death.
Periodic calibration and maintenance of the detector is essential for proper operation and correct readings. Please calibrate and maintain this detector regularly! Frequency of calibration depends upon the type of use you have and the sensor types. For most applications, typical calibration frequencies are between 3 and 6 months but can be more often or less often based on your usage.
Product Warranty
RKI Instruments, Inc. warrants gas alarm equipment sold by us to be free from defects in materials, workmanship, and performance for a period of one year from the date of shipment from RKI Instruments, Inc. Any parts found defective within that period will be repaired or replaced, at our option, free of charge. Parts must be returned to RKI Instruments, Inc. for repair or replacement. This warranty does not apply to those items which by their nature are subject to deterioration or consumption in normal service, and which must be cleaned, repaired or replaced on a routine basis. Examples of such items are:
- Pump diaphragms and valves
- Fuses
- Batteries
- Filter elements
Warranty is voided by abuse including mechanical damage, alteration, rough handling, or repair procedures not in accordance with instruction manual. This warranty indicates the full extend of our liability, and we are not responsible for removal or replacement costs, local repair costs, transportation costs, or contingent expenses incurred without our prior approval.
THIS WARRANTY IS EXPRESSLY IN LIEU OF ANY AND ALL OTHER WARRANTIES AND REPRESENTATIONS, EXPRESSED OR IMPLIED, AND ALL OTHER OBLIGATIONS OR LIABILITIES ON THE PART OF RKI INSTRUMENTS, INC. INCLUDING BUT NOT LIMITED TO, THE WARRANTY OF MERCHANTABILITY OR FITNESS FOR A PARTICULAR PURPOSE. IN NO EVENT SHALL RKI INSTRUMENTS, INC. BE LIABLE FOR INDIRECT, INCIDENTAL OR CONSEQUENTIAL LOSS OR DAMAGE OF ANY KIND CONNECTED WITH THE USE OF ITS PRODUCTS OR FAILURE OF ITS PRODUCTS TO FUNCTION OR OPERATE PROPERLY.
This warranty covers instruments and parts sold to users only by authorized distributors, dealers and representatives as appointed by RKI Instruments, Inc.
We do not assume indemnification for any accident or damage caused by the operation of this gas monitor and our warranty is limited to the replacement of parts or our complete goods. Warranty covers parts and labor performed at RKI Instruments, Inc. only, and does not cover field labor or shipment of parts back to RKI.
Overview
This manual describes the 30-0954RK-282ST sample draw aspirator adapter. It also describes how to install and use the adapter. A spare parts list at the end of this manual lists replacement parts.
Specification
Table 1 lists specifications for the Sample Draw Aspirator Adapter.s
| Applicable Detector Heads | RKI T2A, T3A, VOC Pro |
| Maximum Compressed Air Supply Pressure | 140 psi |
| Outlet Pressure to Aspirator | 5 – 50 psi adjustable (determined by required flow rate) |
| Recommended Sample Flow Rate | 3 SCFH (standard cubic feet per hour) |
| Low Flow Setpoint | 1.6 SCFH (standard cubic feet per hour) |
WARNING: When using the 30-0954RK-282ST, you must follow the instructions and warnings in this manual to assure proper and safe operation of the 30-0954RK-282ST and to minimize the risk of personal injury. Be sure to maintain and calibrate the 30-0954RK-282ST as described in this manual.
Description
The sample draw aspirator adapter uses compressed air flowing through a venturi to draw air into a sample chamber.

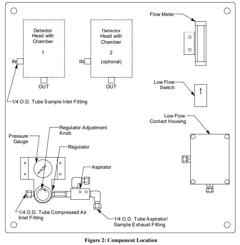
Figure 2: Component Location
The sample draw adapter consists of eight major components (see Figure 2): the detector head (1 or 2), regulator, aspirator, detector adapter (1 or 2), detector chamber (1 or 2), flowmeter, low flow switch, and low flow contact housing.
Detector Head(s)
Each detector head provides a signal that can be used by a controller to indicate the sample gas level. This version of the aspirator adapter is intended to be used with T2As, T3As, or VOC Pros detecting super toxic gases like HCl and HF. Figure 2 above shows the approximate location of the detector head(s). Please see the detector head operator’s manual of the detector head(s) in your system for a complete description of the detector head(s).
Regulator
The regulator has an inlet port on its left side with a 1/4” tube fitting. The maximum allowable inlet pressure is 140 psi. A gauge at the bottom of the regulator indicates the output pressure. The output pressure, and detector flow, can be adjusted using the knob on the front of the regulator. The detector flow rises or falls as the output pressure is increased or decreased.
Aspirator
The aspirator inlet is connected to the output port on the right side of the regulator and the vacuum port on top is connected to the flowmeter exhaust. It has a venturi tube inside it which generates a vacuum at its top port when compressed air flows through it. The compressed air and the air drawn from the detector chamber into the top port of the aspirator both exhaust at the right side of the aspirator.
Detector Adapter
The detector adapter screws directly onto the detector. It is installed hand tight. The detector adapter has an O-ring inside it which seals against the detector. When removing the detector adapter to replace the detector, be sure not to lose the O-ring.
Detector Chamber
The chamber has three thumbscrews which fasten it to the detector adapter. An O-ring at the top of the chamber seals the chamber/adapter interface. The inlet of the chamber is on the side and is either the sample inlet port or is connected to the exhaust of another detector chamber, depending on how many detectors are installed. The exhaust of the chamber is at the bottom and is connected to either the low flow switch or the detector chamber inlet of another detector, depending on how many detectors are installed.
Flowmeter
The flowmeter indicates the flow to the detector(s). It has a 1/4” OD tube fitting at its inlet and exhaust port. The inlet port of the flow meter is connected to the low flow switch exhaust. The flowmeter’s indication range is 1 – 10 SCFH. It has no flow adjustment valve because the flowrate is controlled by the regulator setting.
Low Flow Switch and Contact Housing
The low flow switch provides open contacts in normal operation in the low flow contact housing that close if the flow rate goes below 1.6 SCFH. Two contact wires protrude from the side of the switch and enter the low flow contact housing through a plastic cable bushing on the left side of the housing. Terminals are provided in the low flow contact housing for field connection to the switch contacts.
Connecting monitoring devices to the low flow contact terminals provides the user with a notification of a contact closure. See “Wiring” on page 10 for instructions to wire these terminals.
A second plastic cable bushing on the bottom of the low flow contact housing allows for cable entry to the housing. The size range of the cable which can be routed through the second cable bushing is .064’’ – .210’’ OD.
Installation
This section describes how to mount, wire, and connect tubing to the 30-0954RK-282ST.
Mounting
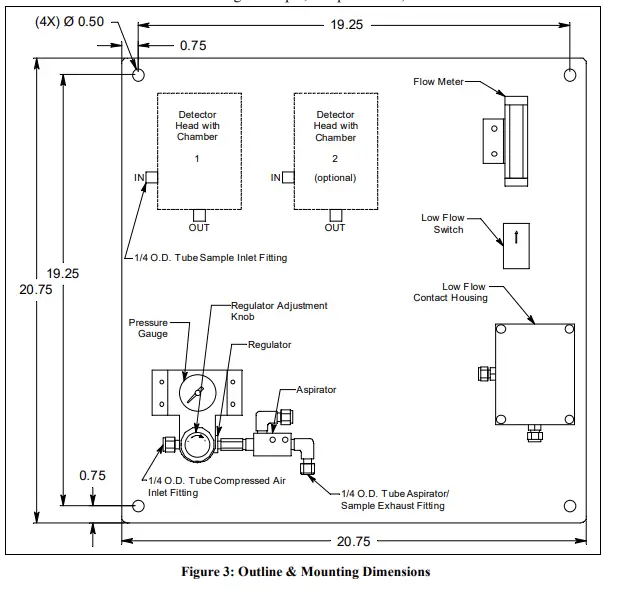
- Install the mounting panel to a flat vertical surface using the four mounting holes (0.50’’ diameter) in the corners of the panel. Make sure that sufficient space is allowed to remove the detector head’s cover, and to bring power/signal wiring to the detector head. Also provide sufficient clearance for routing of sample, compressed air, and exhaust lines.
Figure 3: Outline & Mounting Dimensions
Wiring
- Connect power/signal wiring to the detector head(s) as described in the detector head operator’s manual.
- Connect a contact monitoring device to the low flow contact terminals inside the low flow contact housing using the field wiring cable entry bushing.

Tubing Connections
- Connect a sample line from the area to be sampled to the black sample inlet fitting on the left side of the first detector head. The fitting accepts 1/4” OD rigid Teflon tubing.
NOTE: Tubing material must be Teflon and tubing length must be limited to 30 feet.
NOTE: If the sample draw aspirator adapter is installed in a cold area, the sample line will need to be heated in order to prevent condensation and possible freezing of the moisture in the gas sample line or sample draw aspirator adapter. - The aspirator exhaust includes the sample air. It may be routed to a different area where it can be exhausted safely by running tubing from the aspirator exhaust fitting to the “safe” area. The aspirator exhaust fitting is a 1/4’’ OD tubing fitting.
- Turn the regulator adjustment knob completely counterclockwise and then turn it one turn clockwise so that the flow will start out at a low level when the compressed air is connected and turned on.
- Connect a compressed air source up to a maximum of 140 psi to the inlet of the regulator. Although the regulator is rated up to 300 psi inlet pressure, other components are rated to a maximum of 140 psi.
NOTE: The compressed air used for the sample draw aspirator adapter must be dry (free from humidity). If wet air is used, at low temperatures, the moisture in the air may freeze in the aspirator and cause the sample draw aspirator adapter to function improperly.
Start-Up
- Start up the detector head(s) as described in the detector head operator’s manual.
- If necessary, turn on the compressed air source.
- Adjust the regulator adjustment knob so that the flowmeter indicates 3 SCFH. The regulator exhaust pressure indicated by the regulator gauge will vary for a particular flow depending on the length of the sample line and other restrictions such as filters. Typically the pressure will be between 5 and 10 psi for short sample runs. It will be higher for longer sample runs and if filters are used.
- Set the zero (fresh air) reading for the detector head(s) as described in the detector head operator’s manual.
- If you can verify a fresh air environment (environment free of combustible and toxic gases and of normal oxygen content, 20.9%) then you will not need to apply zero air to the detector head(s) before performing a zero (fresh air) adjustment.
- If you cannot verify a fresh air environment (environment free of toxic and combustible gases and of normal oxygen content, 20.9%), you will need to apply zero air to the detector head(s) before performing a zero (fresh air) adjustment. Follow the steps in the Calibration section below.
Normal Operation
When the sample draw aspirator adapter is running in normal operation, sample is being routed through the detector chamber(s) at the flow rate shown by the flowmeter and controlled by the regulator.
See the detector head operator’s manual for a description of the detector head’s normal operation.
The low flow contacts are open during normal operation (flow above 1.6 SFH). If the low flow switch senses a low flow condition in the sample flow (flow below 1.6 SCFH), it will close the low flow contacts located in the low flow contact housing. The aspirator adapter will continue to draw sample even during a low flow condition.
Calibration
- Follow the instructions in the detector head operator’s manual for setting the zero (fresh air) reading and making span adjustments.
- Fill a gas bag with calibration gas using a fixed flow regulator or dispensing valve. See “Parts List” on page 14 for available parts. For toxic gas cylinders, like H2S, it is important to vent the regulator while installing it onto the cylinder. Venting the regulator during installation helps prevent air from getting into the cylinder and degrading the gas. When filling the gas bag, open the regulator by turning the knob counterclockwise and then install it onto the cylinder.
NOTE: A gas bag is recommended for calibration instead of a demand flow regulator because a demand flow regulator introduces enough flow restriction to significantly reduce the flow. If a demand flow regulator is used, the flow will have to be adjusted up to 3 SCFH while the regulator is connected during calibration and down to 3 SCFH after calibration. - Connect the sample bag tubing to the sample inlet line.
- If necessary, use the regulator adjustment knob to adjust the flowmeter to 3 SCFH.
- Allow the sample draw adapter to draw sample for 2 minutes and then make any calibration adjustments necessary.
- Disconnect the sample bag from the inlet line.
Maintenance
Detector Replacement
- Turn the regulator adjustment knob completely counterclockwise.
- Loosen the thumbscrews that attach the detector chamber to the detector adapter.

- Pull the detector chamber away from the detector adapter and let it hang by its inlet and exhaust lines.
- Grasp the detector adapter and unscrew it from the detector.
NOTE: Be sure not to lose the O-ring located between the detector adapter and the detector. - Follow the instructions in the appropriate detector head manual for replacing a detector.
- Insert a new O-ring into the top of the detector adapter.
- Screw the detector adapter onto the new detector hand tight.
- Reinstall the detector chamber into its appropriate position and tighten the thumbscrews.
- Turn the regulator adjustment knob clockwise until the flowmeter indicates 3 SCFH.
- Calibrate the detector.
Parts List
Table 2 lists replacement parts and accessories for the sample draw adapter.
Table 2: Parts List
| Part Number | Description |
| 07-7118E | O-ring, for T2A, T3A, VOC Pro detector adapter |
| 07-7225RK | O-ring, for detector chamber |
| 13-1070RK | Captive panel screw, 10-32 x 1.75 |
| 81-1001RK | Dispensing valve, for 34 liter steel cylinders |
| 81-1051RK-60 | Regulator with gauge and knob, 6 LPM, for 34 liter aluminum cylinder, 58 liter cylinder, and 103 liter cylinder |
| 81-1127RK | Gas bag with fittings and hosebarb, 12 inches x 12 inches, 5 liters, tedlar |
RKI 30-0954RK Sample Draw Aspirator Adapter




















