BB, PH Series Heated Banquet and Transport Carts with FH09 Heating System
User Guide
BB, PH Series Heated Banquet and Transport Carts with FH09 Heating System
MANUFACTURED BY:
CARTER-HOFFMANN
1551 McCormick Avenue
Mundelein, IL 60060 U.S.A.
Phone: 847-362-5500
Fax: 847-367-8981
Toll Free: 800-323-9793
Email: [email protected]
| MODELS: HEATED BANQUET CARTS (for plated banquet meals) | MODELS: HEATED TRANSPORT CARTS (for bulk food or compartment trays) |

UNPACKING AND INSPECTION
This appliance should be thoroughly cleaned prior to use.
See the CLEANING INSTRUCTIONS in this manual.
NOTE: DO NOT discard the carton or other packing materials until you have inspected the appliance for hidden damage and checked it for proper operation.
Refer to SHIPPING DAMAGE CLAIM PROCEDURE on bottom of this page.
- Remove the cabinet from shipping carton, ensuring that all packing materials and protective plastic has been removed from the unit.
- Inspect all components for completeness and condition.
- If any freight damage is present, a freight claim must be filed immediately with the shipping company.
- Freight damage is not covered under warranty.
- Check to insure all components are included: cabinet, instruction packet and additional accessories.
- Read operation instructions completely.
- Appliance should be thoroughly cleaned before use. See CLEANING INSTRUCTIONS in this manual.
FREIGHT DAMAGE PROCEDURE
NOTE: For your protection, please note that equipment in this shipment was carefully inspected and packaged by skilled personnel before leaving the factory. Upon acceptance of this shipment, the transportation company assumes full responsibility for its safe delivery.
IF SHIPMENT ARRIVES DAMAGED:
- VISIBLE LOSS OR DAMAGE: Be certain that any visible loss or damage is noted on the freight bill or express receipt, and that the note of loss or damage is signed by the delivery person.
- FILE CLAIM FOR DAMAGE IMMEDIATELY: Regardless of the extent of damage. Contact your dealer immediately.
- CONCEALED DAMAGE: If damage is unnoticed until the merchandise is unpacked, notify the transportation company or carrier immediately, and then file a “CONCEALED DAMAGE” claim with them. This should be done within fifteen (15) days from the date the delivery was made to you. Be sure to retain the container for inspection.
Carter-Hoffmann cannot assume liability for damage or loss incurred in transit, freight damage is not covered under warranty. We will, however, at your request, supply you with the necessary documents to support your claim.
SAFETY PRECAUTIONS
| WARNING: ELECTRIC SHOCK HAZARD All service requiring access to non-insulated components must be performed by qualified service personnel. Failure to heed this warning may result in severe electric shock. | |
| CAUTION: ELECTRIC SHOCK HAZARD Disconnect this appliance from electrical power before performing any maintenance or service. | |
| CAUTION: BURN HAZARD Exposed metal surfaces can be hot to the touch and may cause burns. |
IMPORTANT SAFETY INSTRUCTIONS
When using electrical appliances basic safety precautions should be followed, including the following:
- Be familiar with the appliance use, limitations and associated restrictions. Operating instructions must be read and understood by all persons using or installing this appliance.
- This appliance must be grounded. Connect only to properly grounded outlet.
- Use this appliance only for its intended purpose as described in the manual.
a. This equipment is specifically designed to hold pre-cooked food at temperature.
b. This equipment is intended for use in commercial establishments only.
c. This equipment is not designed for industrial or laboratory use. - Cleanliness of this appliance and its accessories is essential to good sanitation.
- DO NOT submerge this appliance in water. This appliance is not jet stream approved. DO NOT direct water jet or steam jet at this appliance, or at any control panel or wiring. DO NOT splash or pour water on, in or over any controls, control panel or wiring. DO NOT use corrosive chemicals or vapors in this appliance.
- DO NOT store this appliance outdoors. DO NOT use this product near water – for example, near a kitchen sink, in a wet basement, or near a swimming pool, and the like.
- DO NOT operate this appliance if it has a damaged cord or plug, if it is not working properly, or if it has been damaged or dropped. Do not immerse cord or plug in water, keep cord away from heated surfaces, and do not let cord hang over edge of table or counter.
- DO NOT cover or block any openings on the appliance.
- Only qualified service personnel should service this appliance.
NOTE: The technical content of this manual, including any wiring diagrams, schematics, parts breakdown illustrations and/or adjustment procedures, is intended for use by qualified technical personnel and is subject to change without notice.
INSTALLATION AND STARTUP
WARNING:
Risk of personal injury
Installation procedures must be performed by a qualified technician with full knowledge of all applicable electrical codes. Failure could result in personal injury and property damage.
IMPORTANT:
Power cord is 10′ long
If necessary, contact a licensed electrician to install an appropriate 15 amp electrical circuit with correct NEMA receptacle.
DO NOT use an extension cord.
CAUTION:
Electrical Shock Hazard
The ground prong of the power cord is part of a system designed to protect you from electric shock in the event of internal damage.
DO NOT cut off the large round ground prong or twist a blade to fit an existing receptacle.
IMPORTANT:
Not under warranty
Damage to unit due to being connected to the wrong voltage or phase is NOT covered by warranty.
WARNING:
Risk of personal injury
Unit is not waterproof, to avoid electrical shock, keep unit from being submerged in water. Do not operate if unit has been in contact with water.
LOCATION
For proper operation and maximum performance, locate the unit in an ambient air temperature of 70ºF (21ºC).
Avoid placement in areas near exhaust fans or where there are active air movements.
For safe operation and maximum performance, locate the unit at least 2” from any wall or combustible material.
Unit must be on a solid level surface.
GROUNDING INSTRUCTIONS
This appliance is equipped with a cord having a grounding wire with a grounding plug which must be plugged into an outlet that is properly installed and grounded. In the event of an electrical short circuit, grounding reduces the risk of electric shock by providing an escape wire for the electric current.
WARNING—Improper use of the grounding can result in a risk of electric shock. Consult a qualified electrician or service agent if the grounding instructions are not completely understood, or if doubt exists as to whether the appliance is properly grounded.
START UP
- Prior to use, thoroughly clean the interior of the unit, per the instructions in this manual (see page 8). Familiarize yourself with the controls.
- Plug the power cord of the cabinet into a grounded outlet with a electrical service according to the electrical information provided below. DO NOT MODIFY CORD PLUG.
- Turn temperature dial to highest setting (210°F).
- Do not load product into the cabinet. Allow the heat to remove any residual oils which may adhere to inside metal surfaces. A slight emission of smoke is common during the first few hours of operation.

Electrical Info for Standard US systems
Electrical Information
NEMA Plug Type
1650 watts
120 volts
13.7 Amps
60 Hz
Single Phase
NEMA 5-15p![]()
NORMAL OPERATION
CAUTION:
HOT SURFACE
Inner and outer surfaces of the unit will be very hot during and after operation.
Avoid touching the cabinet when loading or removing
Operating ranges:
– air temp: 80ºF-210ºF
*For food safety reasons, it is recommended that the food be held at 140°F or higher.

FIRST USE
Before using the cabinet, familiarize yourself with the heater controls. Plug the cabinet into a proven power source. The power indicator lamp and fan will operate continuously whenever the heater is plugged in. This unit operates on 1650 watts, 120 volts, 13.7 Amps, NEMA 5-15P plug.
HEATER OPERATION
- Turn thermostat knob to 160°F to 180°F; allow cabinet to preheat for at least 20 minutes. Be sure cabinet door remains closed during preheat time. Dial thermometer will display actual cabinet temperature.
- Food serving temperature will vary with the mass, type & quantity of food (see FOOD HOLDING GUIDE on page 7). To adjust the temperature setting, rotate the HEAT dial clockwise to increase temperature and counter-clockwise to decrease temperature to the desired set point. Dial settings range from 80°F to 210°F. HEAT cycle light will turn on and off as the heat thermostat cycles.
- Load food pans into cabinet. NOTE: Follow all food safety guidelines. Put hot, cooked food into the cabinet. This cabinet is not intended to reheat food. Food must be cooked and at safe serving temperature prior to being placed in the cabinet.
- During loading, the cabinet temperature will drop. Close door and allow the cabinet to recover for 10-15 minutes before moving the cabinet.
- Be sure to unplug the cord and wind it around the cord bracket before moving the cabinet. Move the cabinet to the service area as quickly as possible.
- Upon reaching the service area, unwind the power cord and reconnect the heater as soon as possible. Wait 5-10 minutes for the cabinet to recover temperature (check the thermometer to see if the temperature is at the desired level). Adjust thermostat as needed.
- When removing items, start at the bottom and work up. This will keep food hotter and eliminate spillage onto lower items.

CALIBRATION PROCEDURES
CAUTION:
HOT SURFACE
Inner and outer surfaces of the unit will be very hot during and after operation.
Operating ranges:
– air temp: 80ºF-210ºF
THERMOMETER CALIBRATION
Place an oven thermometer in the center of the cabinet. Turn heated on; turn thermostat to maximum setting and wit approximately 45 minutes. Open the door and check inside thermometer temperature. If recalibrations is required, pry the plastic cover off the dial body and with a small flat blade screwdriver, insert into the pointer as shown.Carefully turn the pointer with your finger to the correct setting. Be careful not to bend the pointer, as it is very fragile.
THERMOSTAT CALIBRATION
If additional heat range is desired, unplug unit, remove black thermostat knob, insert small straight blade screwdriver into opening and turn limit control set screw counterclockwise one full turn (see diagram). Replace the thermostat knob and turn clockwise to reach new maximum temperature. Repeat procedure until desired temperatureis reached. Each 1/4 turn of the calibration set screw will raise the element heating capacity by 25°F to 35°F degrees.
If a reduction of heat is desired, turn limit control set screw clockwise one full turn. Hold the door open allowing the cabinet to cool until inside temperature is below the temperature desired. Close the door and allow unit to rise to new maximum temperature. Repeat procedure until desired temperature is reached.
THERMOMETER CALIBRATION
THERMOSTAT CALIBRATION
FOOD HOLDING GUIDE
CAUTION: SAFE FOOD HOLDING PRACTICES RECOMMENDED
Cooking food to a safe temperature, holding at a temperature of at least 140°F iscritical in the prevention of foodborne illness. Hold onlycooked, hot food at 140°F or higher. This cabinet is not intended to cook or reheat food. Food must be at appropriate temperature before being placed into cabinet.![]()
| PRODUCT | SET TEMPERATURE (°F /°C) | MAXIMUM TIME (MINUTES) |
| Bacon, Canadian | 180°F / 82°C | 30 |
| Bacon, Crisp (uncovered) | 180°F / 82°C | 30 |
| Baked Potato | 180°F / 82°C | 60 |
| Biscuits | 170°F / 77°C | 60 |
| Casseroles | 175°F / 79°C | 90 |
| Chops, Sliced Meats | 160°F / 71°C | 60 |
| Chicken, Fried (uncovered) | 170°F / 77°C | 30 |
| Chicken, Boneless Breasts | 175°F / 79°C | 60 |
| Chicken Nuggets, Deep Fried (uncovered) | 190°F / 88°C | 25 |
| Chicken, Pre-Cooked Grilled Boneless Patties | 150°F / 66°C | 90 |
| Coffee Cakes (uncovered) | 170°F / 77°C | 60 |
| Cookies (uncovered) | 175°F / 79°C | 90 |
| Crab Legs | 160°F / 71°C | 45 |
| Croissants | 170°F / 77°C | 45 |
| Eggs | 160°F / 71°C | 45 |
| Fish, Deep-Fried (uncovered) | 170°F / 77°C | 30 |
| Fish, Baked | 155°F / 68°C | 45 |
| Fish, Broiled | 155°F / 68°C | 45 |
| French Toast | 165°F / 74°C | 60 |
| Gravies / Sauces | 170°F / 77°C | 45 |
| Hamburgers / Ground Meat Patties | 180°F / 82°C | 45 |
| Hot Dogs | 180°F / 82°C | 90 |
| Muffins | 170°F / 77°C | 60 |
| Omelets | 160°F / 71°C | 30 |
| Pancakes | 180°F / 82°C | 30 |
| Pasta | 175°F / 79°C | 60 |
| Pastries | 165°F / 74°C | 30 |
| Pizza (uncovered) | 180°F / 82°C | 15 |
| Pizza (boxed) | 180°F / 82°C | 60 |
| Poppers, Deep Fried (uncovered) | 190°F / 88°C | 25 |
| Poultry, Whole, bone-in | 175°F / 79°C | 60 |
| Poultry, Cut-up, bone-in | 175°F / 79°C | 60 |
| Ribs | 175°F / 79°C | 90 |
| Rice | 175°F / 79°C | 30 |
| Roasts / Bone-in Meats | 165°F / 74°C | 90 |
| Sausage | 180°F / 82°C | 90 |
| Shrimp / Shellfish | 150°F / 66°C | 60 |
| Soups (broth) | 185°F / 85°C | 90 |
| Tortillas (soft) | 180°F / 82°C | 60 |
| Vegetables | 175°F / 79°C | 45 |
DAILY CLEANING PROCEDURES
CAUTION:
ELECTRIC SHOCK HAZARD
Disconnect appliance from electric power before cleaning.
CAUTION:
HOT SURFACE
Exposed surfaces can A be hot to the touch and may cause burns. Allow appliance to cool before cleaning.
IMPORTANT:
DO NOT spill or pour water into controls, control panel or wiring. Water damage is not covered by warranty.
CAUTION:
Beware of sharp edges with sheet metal during cleaning process.
CAUTION:
Do not use steel wool pads as they will result in rusting from the ferrous metal in the pads.
- Clean cabinet regularly, using the following procedure:
- Allow cabinet to cool completely.

- The entire heating unit can be lifted out of the cabinet prior to cleaning. Unplug the heating unit and wrap cord around the handle. Grasp the heater cord/handle with one hand and the rear of the heater unit with the other. Lift heater up and then out.
- Racks or shelves are easily removed without tools for cleaning. Simply lift up and pull out. The tray slides may be hand washed or run through an automatic dishwasher.
- Vinyl trim should be washed with a chlorine-free detergent and water. Rinse thoroughly with clear water and allow to dry. Never use abrasive cleaners, waxes, car polish, or substances containing strong aromatic solvents or alcohol. Use of direct steam/hot water cleaning at temperatures above 190°F (88°C) may result in bubbling or loosening of vinyl adhesive.
- To clean stainless steel surfaces use only cleansers, detergents, degreasers, or sanitizers that are certified to be “chloride-free” and “phosphate-free”. DO NOT exceed recommended concentrations or mixing ratios. After cleaning and sanitizing, rinse all exposed surfaces thoroughly with large amounts of clear water. Wipe off any standing liquid or residue from all horizontal surfaces, in corners, or near edges.
- Wipe dry with a clean soft cloth.
- Replace heating unit.
CAUTION:
Cleansers, detergents, degreasers, sanitizers, or bleaching agents that contain chlorides or phosphates will cause permanent damage to stainless steel products. The damage appears as pits, eruptions, voids, small holes, cracks, severe discoloration, or dulling of the metal finish. Water with high chloride content can also damage stainless steel. If unsure of your water quality, we recommend you have it tested.
Use of cleaning agents that are not recommended for stainless steel may cause permanent damage to the cabinet. THIS DAMAGE IS PERMANENT, COSTLY TO REPAIR AND IS NOT COVERED BY THE WARRANTY.
RECOMMENDED TIPS FOR CLEANING STAINLESS STEEL
| Purpose | Frequency | Cleaning Agent | Method of Application |
| Routine Cleaning | Daily | Soap, ammonia detergent & water | Sponge with cloth, rinse with clear water and wipe dry |
| Smears/fingerprints | As Needed | Stainless steel cleaner or similar products | Rub with cloth as directed on package. Rub in direction of stainless steel grain. Do not use on vinyl trim. |
| Stubborn spots & stains | Daily As Needed | Any chloride-free or phosphate-free cleaner | Apply with damp sponge or cloth. Rub in direction of stainless steel grain. Rinse thoroughly. Do not use on vinyl trim. |
| Hard water spots | Daily As Needed | Vinegar | Swab with cloth. Rise with water & wipe dry. |
MAINTENANCE
CAUTION:
Do not move cabinet unless door is securely closed. Serious damage to hinges and door may result if bumped into tables, walls, or other equipment when the doors are open.
CASTERS
Some cabinets may have caster bearings that are equipped with Zerk grease fittings so that they may be easily lubricated with a grease gun. Lubricate bearings at least once every six months. Lubrication will be required more often if cabinet is cleaned with a hot water or steam cleaning system. Casters with special sealed bearings are recommended for frequent cart wash or steam cleaning systems.
LATCHES & HINGES
Make sure all joints remain sealed and door latches do not stick. If necessary, use WD-40, silicone spray, graphite or other commercial lubricants for aluminum products, to keep door latches & hinges from sticking. Do not use oil.
FOR CABINETS WITH PERIMETER BUMPERS
Vinyl which has been dislodged from the channel due to severe bumping or scraping can be pried back into place with a common screwdriver.
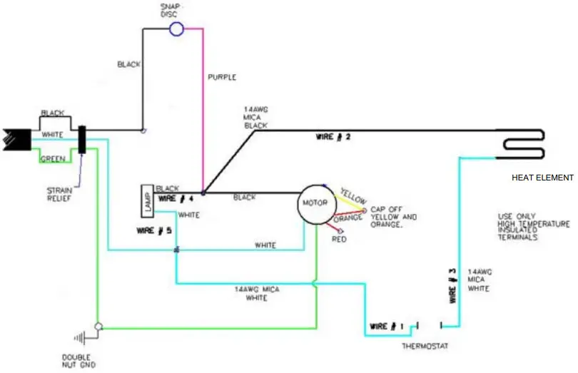
REPLACEMENT PARTS & WIRING DIAGRAMS
FH90 HEATER COMPONENTS 120V, 1650W, 13.7A
| Part Number | Description |
| FH90-0015B | FH-90 (heater unit 120 volts) |
| 16502-6157 | Motor cover |
| 16502-5631 | Aluminum handle |
| 18617-0850 | Handle spacer |
| 18614-0360 | Fan motor |
| 18614-0321 | Fan blade |
| 18612-0261 | Heat element 120 volts, 1600 watts |
| 18600-0016 | Thermostat |
| 18608-0013 | Thermostat knob |
| 18601-1185 | Indicating light |
| 18605-0016 | 120 volt power cord |
| 18617-0130 | 5/8” strain relief grommet |
| 18617-0100 | 5/8” snap bushing |
| 18600-0053 | Hi limit |

CAUTION: Use only (OEM) original equipment manufacturer replacement parts. Using unauthorized parts may cause serious injury or damage to the cabinet. Replacement parts should be installed by a qualified service technician.
Contact Carter-Hoffmann with your model and serial number for replacement parts.
Call: 800-323-9793 or email: [email protected]
FH90 HEATER COMPONENTS 208V, 2048W, 9.8A
| Part Number | Description |
| FH90-0001E | FH-90 (heater unit 208 volts) |
| 16502-6157 | Motor cover |
| 16502-5631 | Aluminum handle |
| 18617-0850 | Handle spacer |
| 18614-0360 | Fan motor |
| 18614-0321 | Fan blade |
| 18612-0020 | Heat element |
| 18600-0016 | Thermostat |
| 18608-0013 | Thermostat knob |
| 18601-1185 | Indicating light |
| 18605-0018 | 208 volt power cord |
| 18617-0130 | 5/8” strain relief grommet |
| 18617-0100 | 5/8” snap bushing |
| 18600-0053 | Hi limit |

FH90 HEATER COMPONENTS 230V, 2507W, 10.9A
| Part Number | Description |
| FH90-0016B | FH-90 (heater unit 230 volts) |
| 16502-6157 | Motor cover |
| 16502-5631 | Aluminum handle |
| 18617-0850 | Handle spacer |
| 18614-0360 | Fan motor |
| 18614-0321 | Fan blade |
| 18612-0020 | Heat element 230 volts, 2400 watts |
| 18600-0085 | Thermostat |
| 18608-0014 | Thermostat knob |
| 18601-1185 | Indicating light |
| 18605-0200 | 230 volt power cord |
| 18617-0130 | 5/8” strain relief grommet |
| 18617-0100 | 5/8” snap bushing |
| 18600-0053 | Hi limit |

CAUTION: Use only (OEM) original equipment manufacturer replacement parts. Using unauthorized parts may cause serious injury or damage to the cabinet. Replacement parts should be installed by a qualified service technician.
Contact Carter-Hoffmann with your model and serial number for replacement parts.
Call: 800-323-9793 or email: [email protected]
WARRANTY
Carter-Hoffmann Warranty:
Carter-Hoffmann (“CARTER-HOFFMANN”) warrants to the initial purchaser of its standard Carter Line Products that CARTER-HOFFMANN will, at its option, repair or replace, during the warranty period set forth below, any part of such products made necessary due to a defect in material or workmanship which is present when the product leaves its factory and which manifests itself during the warranty period under normal use and service.
This warranty applies only to original equipment owned and possessed by the initial purchaser and the warranty period begins on the date of original shipment from the CARTER-HOFFMANN factory and extends as follows: to component parts and labor for 12 months; to refrigeration compressor unit for one year (limited to replacement only – not to include labor for removal, repair or replacement).
Repair or replacements under this warranty will be performed, unless otherwise authorized in writing by CARTER-HOFFMANN, at its factory. All parts or components to be repaired or replaced under this warranty are to be shipped prepaid to CARTER-HOFFMANN, with reimbursement credit for such part or component to be given if found by CARTER-HOFFMANN to be defective.
CARTER-HOFFMANN neither makes nor assumes and does not authorize any other person to make or assume any obligation or liability in connection with its products other than that covered in this warranty. This warranty applies only within the continental United States and Canada. In Alaska and Hawaii, this warranty applies only to and is limited to the supply of replacement parts.
Warranty Exclusions and Limitations:
Any implied warranty of merchantability or fitness for a particular purpose is hereby specifically disclaimed by CARTER-HOFFMANN. There are no warranties, expressed or implied, which extend be- yond the description on the face hereof. This warranty does not cover and CARTER-HOFFMANN shall not under any circumstances be liable for any incidental, consequential or other damages (such as injury to persons or property, loss of time, inconvenience, loss of business or profits, or other matters not specifically covered) arising in connection with the use of, inability to use, or failure of these products.
Specifications subject to change through product improvement and innovation.
Carter-Hoffmann
1551 McCormick Ave.
Mundelein, Illinois, 60060 USA
Phone: 847-362-5500
Toll free: 800-323-9793
Fax: 847-367-8981
Sales and Marketing E-mail: [email protected]
Service E-mail: [email protected]
Company Website: www.carter-hoffmann.com
Part Number: 18400-3022b
Printed in The United States of America
Rev: KBA121015






















