CARTER-HOFFMANN BR120 Heat Retention Banquet Cart

INTRODUCTION
Thank you for purchasing this Carter-Hoffmann appliance. Proper installation, professional operation and consistent maintenance of this appliance will ensure that it gives you the very best performance together with a reliable, long lasting and economical life. This manual contains information needed to properly install, operate and maintain this appliance This product is the result of extensive research and field testing. The materials used were selected to provide optimum performance, maximum durability and an attractive appearance. At Carter-Hoffmann, every single unit is thoroughly inspected and functionally tested prior to shipment.This Carter-Hoffmann cabinet provides the best environment for pre-plated food prod-ucts by regulating consistent the air tempera-ture. This model uses hot circulated air (no moisture) and heat retention technology. Due to the retention capabilities of the heat-ing module, this unit eliminates the need for any type of canned fuel (i.e. “Sterno®” type heat). This is the major benefit of this unit, which will undoubtedly pay for itself over a short period of time.
The major benefits of EnduraHeat® technology are:
Safety: elimination of potential fire hazards from fuel use reduces the likelihood of employee burns
- Cost: eliminate expense of canned fuel; no more scorched carpeting or other decor
- Productivity: eliminate the extra labor involved to put cans into carts as well as monitor canned heat use
- Sanitation: no open flames to scorch pans, burn food or scorch the cabinet interior; eliminate messy residue from canned fuel
- Food Quality: no transfer of fuel fumes to ruin the flavor of food; food is maintained serving tempera-ture
- Extended Unplugged Hold Time: Cabinet tem-perature remains above 140°F for 2 hours, un-plugged.
CAUTION: SAFE FOOD HOLDING PRACTICES RECOMMENDED
Cooking food to a safe temperature, holding at a temperature of at least 140°F is critical in the prevention of foodborne illness. Hold only cooked, hot food at 140°F or higher. This cabinet is not intended to cook or reheat food. Food must be at appro-priate temperature before being placed into cabinet. 
COOK TO AT LEAST 165°F Destruction of most bacteria HOLD at 140°F or higher
DANGER ZONE: 41°F to 140°F Bacteria grow rapidly
CARTER-HOFFMANN WARRANTY
Carter-Hoffmann warrants to the initial purchaser of its standard Carter Line Products that Carter-Hoffmann will, at its option, repair or replace, during the warranty period set forth below, any part of such products made necessary due to a defect in material or workmanship which is present when the product leaves its factory and which manifests itself during the warranty period under normal use and service.
This warranty applies only to original equipment owned and possessed by the initial purchaser and the warranty period begins on the date of original shipment from the Carter-Hoffmann factory and extends as follows: to component parts and labor for one year; to refrigeration compressor unit for one year (limited to replacement of the unit only-not to include the labor for removal, repair or replacement). Repair or replacement under this warranty will be performed, unless otherwise authorized in writ-ing by Carter-Hoffmann, at its factory.
All parts or components to be repaired or replaced under this warranty are to be shipped prepaid to Carter-Hoffmann, with reimbursement credit for such part or component to be given if found by Carter-Hoffmann to be defective. Carter-Hoffmann neither makes nor assumes and does not authorize any other person to make or assume any obligation or liability in connection with its products other than that covered in this warranty. This warranty applies only within the continental United States and Canada. In Alaska and Hawaii, this warranty applies only to and is limited to the supply of replacement parts.
WARRANTY EXCLUSIONS AND LIMITATIONS
ANY IMPLIED WARRANTY OF MERCHANTABILITY OR FITNESS FOR A PARTICULAR PURPOSE IS HEREBY SPECIFICALLY DISCLAIMED BY CARTER-HOFFMANN. There are no warran-ties, express or implied, which extend beyond the description on the face thereof. This warranty does not cover and Carter-Hoffmann shall not under any circumstances be liable for any incidental, consequential or other damages (such as injury to persons or property, loss of time, inconvenience, loss of use, loss of business or profits, or other matters not specifically covered) arising in connection with the use of, inability to use, or failure of these products.
Note: Due to our continuous process of product improvement and innovation, all listed specifications are subject to change.
SHIPPING DAMAGE CLAIM PROCEDURE
NOTE: For your protection, please note that the equipment in this shipment was carefully inspected and packaged by skilled personnel before leaving the factory. Upon acceptance of this shipment, the transportation company assumes full responsibility for its safe delivery.
IF SHIPMENT ARRIVES DAMAGED:
- VISIBLE LOSS OR DAMAGE: Be certain that any visible loss or damage is noted on the freight bill or express receipt, and that the note of loss or damage is signed by the delivery person.
- FILE CLAIM FOR DAMAGE IMMEDIATELY: Regardless of the extent of the damage.
- CONCEALED LOSS OR DAMAGE: if the damage is unnoticed until the merchandise is unpacked, notify the transportation company or carrier immediately, and file a “CONCEALED DAMAGE” claim with them. This should be one within ten (10) days from the date the delivery was made to you. Be sure to retain the container for inspection.
- Carter-Hoffmann cannot assume liability for damage or loss incurred in transit. We will, however, at your request, supply you with the necessary documents to support your claim.
PRECAUTIONS and GENERAL INFORMATION
CAUTION: Electric Shock Hazard
All servicing requiring access to non-insulated components must be performed by qualified service personnel. Do not open any access panels which require the use of tools. Failure to heed this warning can result in electrical shock. Disconnect this appliance from electrical power before performing any maintenance or servicing.
WARNING: Injury Hazard
All installation procedures must be performed by qualified personnel with full knowledge of all applicable electrical codes. Failure could result in property damage and personal injury.
WARNING Electric Shock Hazard
The appliance must be plugged into a properly grounded receptacle to prevent a possible shock hazard. Electrical shock will cause death or serious Injury.
CAUTION: Burn Hazard
The interior surfaces of the appliance may be HOT to the touch and can cause serious burns.
GENERAL INFORMATION
- This appliance is intended for use in commercial establishments, where all operators are familiar with the appliance’s use, limitations, and associated hazards.
- Operating instructions and warnings must be read and understood by all operators and users.
- This appliance is intended for use to hold pre-plated, covered, pre-cooked foods for human consumption. No other use is recommended or authorized by the manufacturer or its agents.
- The cleanliness of this appliance is essential to good sanitation. Read and follow all included cleaning instructions and schedules to ensure the safety of the food product.
- All included troubleshooting guides, component views and parts lists are included for general reference and are intended for use by qualified service personnel.
- Knowledge of proper installation, operation, and maintenance procedures is essential to ensure the safe operation of this oven.
CAUTION: Equipment Electrical Damage
DO NOT plug in or use this appliance until all Installation Instructions are read and followed. Damage to the appliance may occur if these instructions are not followed. This manual is considered to be a permanent part of this appliance. This manual must remain with the appliance if it is sold or moved to another location.
SERVICE / SAFETY
- Always have dry hands prior to using the piece of equipment.
- Turn OFF the unit (not all units have power switches) anytime the cabinet is not in use.
- If an electrical shock is felt when touching the cabinet, disconnect the power immediately and call Carter-Hoffmann Technical Service for assistance or service.
- If the power cord is frayed or the plug damaged, DO NOT plug it into the electrical power receptacle. If it is already plugged in, turn off the main circuit breaker, usually located in the building’s breaker box, then dis-connect the plug.
- Disconnect the power cord before attempting any repairs to the cabinet or heating unit.
- Repairs to this unit must be done by qualified personnel.
- DO NOT SPRAY WITH WATER OR CLEANING SOLUTIONS, or submerge the heating unit. Components and wiring present a high shock hazard when wet.
- Disconnect the heating unit when cleaning the cabinet or heating unit.
- Both the interior and exterior surfaces of this appliance can be hot to the touch and may cause burns.
PRODUCT SPECIFICATIONS AND OPERATING FEATURES
|
MODEL NUMBER | PLATE CAPACITY (covered only) |
NUMBER OF SHELVES | CLEARANCE BETWEEN SHELVES | SHELF SIZE | OVERALL DIMENSIONS | CASTER DIAMETER | SHIPPING WEIGHT | ||||||||||
| PLATE COVER DIAMETER | HEIGHT | DEPTH | WIDTH | ||||||||||||||
| 8.75″ x 11.00″ | 11.125″ x 12.75″ | in | mm | in | mm | in | mm | in | mm | in | mm | in | mm | lbs | kgs | ||
| BR96 | 96 | N/A | 3 | 13 1/4 | 337 | 22 1/8 x 47 | 546 x 1194 | 60 | 1524 | 34 3/4 | 806 | 57 5/8 | 1464 | 6 | 152 | 504 | 229 |
| BR120 | 120 | N/A | 3 | 16 1/2 | 419 | 22 1/8 x 47 | 546 x 1194 | 69 3/4 | 1772 | 34 3/4 | 806 | 57 5/8 | 1464 | 6 | 152 | 557 | 253 |
| BR150 | 150 | N/A | 3 | 16 1/2 | 419 | 22 1/8 x 58 1/2 | 546 x 1486 | 69 3/4 | 1772 | 31 3/4 | 806 | 69 3/8 | 1762 | 6 | 152 | 582 | 264 |
| BR1000 | 120 | 96 | 3 | 14 5/16 | 364 | 27 5/8 | 702 x 1499 | 63 1/4 | 1607 | 37 7/8 | 962 | 69 3/8 | 1762 | 6 | 152 | 608 | 276 |
- CONSTRUCTION…Completely welded double wall cabinet construction with outer cabinet formed and welded to the base. All seams were turned in to eliminate raw edges.
- CABINET MATERIAL…All stainless steel construction with a polished exterior.
- BASE FRAME…12 gauge stainless steel full depth caster bolsters with 16 gauge stainless steel square tubing welded to bolsters.
- CASTERS…6” diameter, industrial grade casters. Sealed roller axle bear-ing and double ball bearing swivel. Zerk grease fittings. Plate mounted and bolted to base in offset “wheel ahead” pattern. Two casters fitted with brakes.
- BUMPER…Non-marking gray vinyl bumper set in heavy-duty 3/16” thick extruded aluminum frame with reinforced corner cutouts. Reinforced with 12 gauge angle bracket welded to cart and bolted through bumper.
- INSULATION…2” thick, high-density continuous wrap-around type fiberglass insulation.
- GASKET…High-temperature silicone gasket mounted to the cabinet.
- DOORS…Welded double panel pocket style stainless steel door. 20 gauge polished exterior and 20 gauge interior. Filled with 1 1/2” thick high-density fiberglass insulation. “No canned fuel” decal.
- HINGES…18 gauge stainless steel full length 1” tubular hinge, mounted with 12 gauge stainless steel brackets and 16 gauge backup plates, each with three 5/16-18 bolts and brass bushings.
- PUSH HANDLES… Two 1” 18 gauge diameter stainless steel tubular handles bolted to cabinet with 12 gauge backup plates.
- DOOR HANDLES & ROLLER LATCHES…Two 1” diameter stainless steel door handles mounted with backup plates. Roller latches with stainless steel strike plates.
- TRANSPORT LATCH… Stainless steel top mounted transport latch with the pad-lock provision; flips down to secure both doors.
- SHELVES…Welded, duplex nickel-plated removable wire shelves. Wires run from front to back for easier plate loading.
- THERMOMETER…Dial type with remote sensing bulb and sensing bulb protector mounted to center mullion.
- HEATING SYSTEM…Bottom-mounted heater. Stainless steel construction with black anodized exterior. Removable without tools. 1900 watt Inconel sheathed heating element. High impedance protected, internally cooled fan motor. Patented solid to solid phase change heat retention material. Full range thermostat, toggle switch and power indicating lights for convection heat mode and EnduraHeat mode. EnduraHeat charge ready light.
- ELECTRICAL CHARACTERISTICS… Operates on 120 volts, 60 cycle, single phase, 1900 watts, 20 amps. Ten-foot power cord with 3-prong grounding plug. NEMA 5-20P.
- PERFORMANCE…Capable of heating to 200 degrees F (94 C). Convection preheats to 160 degrees F (71O C) in approximately 30 minutes. EnduraHeat mode charge time and preheat in approximately one hour.
ACCESSORIES/OPTIONS
- Lift-up pull handle
- Alternate caster sizes & types
- Alternate electrical configurations
- Off position on the heater toggle switch
- Menu card holder (5”x7” or 8.5”x11”)
- Donut-style door bumpers
- Swivel-lock casters
NOTE: Specifications are subject to change through product improvement & innovation.
INSTALLATION
Unpack the holding and heating units. Ensure that all packing materials and protective plastic have been removed from the unit. Inspect all components for completeness and condition. The appliance should be thoroughly cleaned before use. See CLEANING INSTRUCTIONS, page 7. Installation of the HR90 EnduraHeat System: EnduraHeat and Convection heat combined in a single heating unit. This unit is heavy and requires 2 people to install or remove itfrom the cabinet. To install, grasp handles on unit and angle it so it slides through one of the door openings. Fish power cord through the front opening at the base of doors. Place the heater so that the bottom portion of the convection heater fits into the hole in the floor of the cabinet and the control panel fits through the front opening. The base of the convection heating unit will hang through the hole and will be outside the cabinet, allowing for air circulation to cool the fan motor. 
Plug the heating unit into a properly grounded NEMA 5-20R electrical receptacle. DO NOT MODIFY CORD PLUG.
Power Usage:
- EnduraHeat Mode
- Volts : 120
- Watts: 1900
- Amps: 16.7
NOTE: DO NOT discard the carton or other packing materials until you have inspected the appliance for hidden damage and tested it for proper operation. Refer to SHIPPING DAMAGE CLAIM PROCEDURE on PAGE 3 of this manual.
WARNING: Risk of personal injury
Installation procedures must be performed by a qualified technician with full knowledge of all applicable electrical codes. Failure can result in personal injury and property damage.
CAUTION: Electrical Shock Hazard
The ground prong of the power cord is part of a system designed to protect you from electric shock in the event of internal damage. DO NOT cut off the large round ground prong or twist a blade to fit an existing receptacle.
IMPORTANT: The power cord is 10′ long. If necessary, contact a licensed electrician to install an appropriate 20 amp electrical circuit with NEMA 5-20R receptacle. DO NOT use an extension cord.
IMPORTANT: Damage to the unit due to being connected to the wrong voltage or phase is NOT covered by warranty.
GROUNDING INSTRUCTIONS
This appliance is equipped with a cord having a grounding wire with a grounding plug which must be plugged into an outlet that is properly installed and grounded. In the event of an electrical short circuit, grounding reduces the risk of electric shock by providing an escape wire for the electrical current.
WARNING-Improper use of the grounding can result in a risk of electric shock. Consult a qualified electrician or service agent if the grounding instructions are not completely understood, or if doubt exists as to whether the appliance is properly grounded.
WARNING: ELECTRIC SHOCK HAZARD
Unplug the unit from electric power before performing cleaning or maintenance.
WARNING: BURN HAZARD Allow the unit to cool before performing any cleaning or maintenance procedures.
WARNING: ELECTRIC SHOCK HAZARD DO NOT spray or splash water on the heater, control panel, timer or wiring.
CAUTION: Heating unit weighs approximately 60 lbs Two people are required to remove the heater assembly from the cabinet.
CLEANING
Turn the main power switch OFF, unplug and allow the unit to cool before cleaning. DO NOT spray or splash water on the heater, control panel, timer or wiring.
- Racks or shelves are easily removed without tools for cleaning, Simply lift up and pull out. The tray racks may be hand washed or run through an automatic washer.
- Before cleaning, unplug the heating assembly. Remove the heater by grasping the handles at the rear of the heater. Pull up and to the back to avoid damage to heater controls. Angle heater so it fits through one of the door openings.
- To clean stainless steel surfaces use only cleansers, detergents, degreasers, or sanitizers that are certified to be “chloride-free” and “phosphate-free,” and cleansers, degreasers, or sanitizers only in the recommended concentrations. DO NOT exceed recommended concentrations or mixing ratios. After cleaning and sanitizing, rinse all exposed surfaces thoroughly with large amounts of clean, clear water. Wipe off any standing liquid or residue from all surfaces, corners, and rear edges.
- Vinyl trim should be washed with a chlorine-free detergent and water. Rinse thoroughly with clear water and allow to dry. Never use abrasive cleaners, waxes, car polish, or substances containing strong aromatic solvents or alcohol. Use of direct steam / hot water cleaning at temperatures above 190 F may result in “bubbling” or loosening of vinyl adhesive.
IMPORTANT: Cleansers, detergents, degreasers, sanitizers or bleaching agents that contain chlorides or phosphates will cause permanent damage to stainless steel products. This damage appears as pits, eruptions, voids, small holes, cracks, severe discolorations or dulling of the metal finish. Water with a high chlorine content can also damage stainless steel. If unsure of your water quality, we recommend you have it tested. THIS DAMAGE IS PERMANENT, COSTLY TO REPAIR, AND IS NOT COVERED BY A WARRANTY.
RECOMMENDED “TIPS” FOR CLEANING STAINLESS STEEL
| PURPOSE | FREQUENCY | CLEANING AGENT | METHOD OF APPLICATION |
| Routine cleaning | Daily | Soap, ammonia, detergent and water | Swab with cloth. Rinse with clear water, wipe dry. |
| Smears and fingerprints | As needed | Stainless steel cleaner, similar products | Rub with cloth as directed on package. Rub in direction of grain of stainless steel. Do not use on vinyl trim or control panel. |
| Stubborn spots and stains | Daily or as needed | Any chloride-free or phosphate-free cleanser | Apply with damp sponge or cloth. Rub in direction of grain. Rinse thoroughly. Do not use on vinyl trim or control panel. |
| Hard water spots | Daily or as needed | Vinegar | Swab with cloth. Rinse with clear water, wipe dry. |
Before using, familiarize yourself with the heater controls. Read the entire manual before using the unit.
Warning
DO NOT USE ANY CANNED FUEL
This cabinet is designed to eliminate the need for canned fuel.
USE OF CANNED FUEL IN ENDURE HEAT CABINETS WILL VOID THE WARRANTY!
DAILY OPERATION
- One hour before loading meals, turn the temperature dial to 200º F. Flip the toggle switch on the heating unit down to “EnduraHeat”. The white indicator lamp will illuminate.
- Allow one hour for EnduraHeat charging and cabinet pre-heat to approximately 180F. Do not open cabinet doors during preheat phase. The green “Ready” light will illuminate when the system is fully charged.
- Load meals as quickly as possible and close doors. The cabinet temperature will drop. Keep the heating unit plugged in during loading to keep meals warm.
- Once meals are loaded, unplug the heating unit, and wrap the cord around the cord wrap bracket on the left side of the cabinet.
- Transport meals to the serving area. Do not open cabinet doors until ready to serve. Meals will remain at serving temperatures for approximately two hours.
- If holding time is extended beyond two hours and cabinet temperature drops below 145º F, move the cart to the location where electricity is available and plug in the heater. Flip the toggle switch to “Convection” mode and operate the heater until meals are served.
- When removing items, start at the bottom of the cabinet and work to the top shelf position. This keeps food warmer and reduces spillage onto items on lower shelves.

CAUTION:
SAFE FOOD HOLDING PRACTICES RECOMMENDED
Cooking food to a safe temperature, holding at a temperature of at least 140°F is critical in the prevention of food-borne illness. Hold only cooked, hot food at 140°F or higher. This cabinet is not intended to cook or reheat food. Food must be at appro-priate temperature be-fore being placed into
Convection Heat Mode:
- At least 30 minutes before loading meals, turn the temperature dial to 200º F. Flip toggle switch on the heating unit up to “Convection” mode. White indicator lamp will illuminate.
- Allow at least 30 minutes for cabinet to preheat to approximately 180º F.
- Load meals and close doors. During loading, the cabinet temperature will drop. Keep unit plugged into the electrical source to keep meals warm. Try not to move the cart right away; wait 10-15 minutes until the cabinet recovers air temperature.
- To transport to serving location, unplug heater, wrap cord around cord wrap bracket on left side of the cabinet and transport meals to serving area.
- Upon reaching the serving area, unwind the power cord and reconnect the heater as quickly as possible
- When removing items, start at the bottom of the cabinet and work to the top shelf position. This keeps food warmer and reduces spillage onto items on lower shelves.
ATTENTION
Whenever possible, heating unit should remain running to ensure maximum product temperatures, especially after finishing the food loading stage.
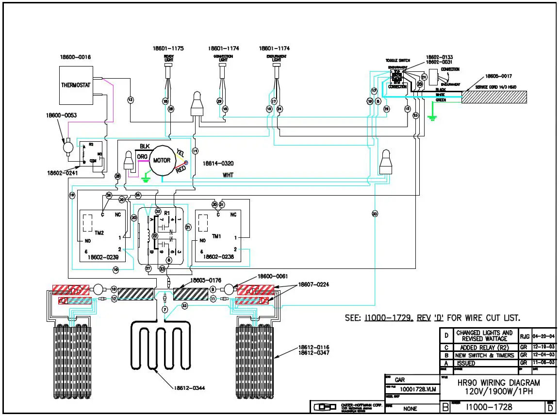
WIRING DIAGRAM—120 volt models

REPLACEMENT PARTS
Parts must be ordered through an authorized agency. Check with factory to verify part number before placing any orders.
- 16001-4037 SHELF ASSEMBLY BR96
- 16502-9717 CARD HOLDER 8.5″ * 11″ SS
- 29037-9012 CARD HOLDER CLEAR LEXAN 8.5″ * 11″
- 16090-2422 TRANSPORT LATCH ASSEMBLY
- 16090-2433 TRANSPORT LATCH ASSEMBLY
- 16500-8266 CORD WRAP BRACKET
- 18309-0105 CORNER GASKET INSERT
- 29034-0270 SILICONE BULB GASKET , PER FT
- 18301-6433 6″ GREY RIGID CASTER
- 18301-6435 6″ GREY SWIVEL WITH BRAKE CASTER
- 16503-1667 BOTTOM RIGHT HINGE
- 16503-1668 BOTTOM LEFT HINGE
- 16090-2373 TOP LEFT HINGE
- 16090-2374 TOP RIGHT HINGE
- 18312-0277 CONTROL PANEL OVERLAY
- 18600-0016 THERMOSTAT 255 DEG 25AMP
- 18600-0013 THERMOSTAT KNOB
- 18600-0053 T-STAT SNAP DISC 400D
- 18600-0061 THERMAL-DISC AUTO RESET, CL300, OPEN 350 TO 3RD LEG
- 18601-1172 INDICATOR LAMP, WHITE, ENDURAHEAT LIGHT
- 18601-1173 INDICATOR LAMP, GREEN, CONVECTION LIGHT
- 18601-1174 INDICATOR LAMP, AMBER
- 18601-1175 INDICATOR LAMP, GREEN
- 18602-0031 SWITCH BOOT
- 18602-0133 TOGGLE SWITCH, HR90 HTR 20AMP, 277VAC
- 18602-0238 TIME RELAY-RECYCLER
- 18602-0239 TIME RELAY DELAY ON MAKE
- 18602-0240 RELAY
- 18602-0241 RELAY, 30AMP PANEL MOUNT
- 18605-0017 14/3 HSJO SERVICE CORD W/ PLUG, 20 AMP 11 FT
- 18605-0176 INSUL SLEEVING FIBERGLASS
- 18607-0224 SILICONE SLEEVING 200C , 600V
- 18612-0116 ELEMENT, TUBULAR 120V/ 237.5 W
- 18612-0292 ELEMENT 120V 2000W FH90
- 18612-0344 ELEMENT 120V 1900W FH90
- 18612-0347 HEAT RETENTION MODULE
- 18614-0360 CONVECTION MOTOR-120/208/220/230/240
- 18614-0321 BLOWER WHEEL
- HR90-0000D HEATER ASSEMBLY
- I1000-1728 HR90 WIRING DIAGRAM
- I1000-1729 WIRE CUT LIST
- 18400-3100B OWNERS OPERATORS MANUAL
- 18302-0087 ROLLER LATCH
- 18302-0088 DOOR STRIKE
- 18616-0099 THERMOMETER
- 18617-0031 DOOR HINGE BUSHING, BRASS
TROUBLESHOOTING SUGGESTIONS
| PROBLEM | PROBABLE CAUSE | POSSIBLE REMEDY |
| No power to unit, No light on display Motor not running | Not plugged in or circuit breaker off or tripped | Plug into receptacle. Reset circuit breaker, check facility circuit breaker |
| Main switch damaged | Check main power switch, replace if damaged | |
| Damaged power cord | Replace cord | |
| Hi-limit safety tripped | Allow unit to cool, hi-limit will reset automatically, or replace | |
| Unit does not hold temperature | Damaged door gasket | Replace gasket |
| Damaged door latch | Replace defective latch | |
| Temp probe damaged | Replace probe | |
| Door gap, out of alignment | Adjust door hinging and strike | |
| Unit does not heat | Cabinet temp above setpoint (setpoint too low) | Turn thermostat setpoint up Check thermometer calibration |
| Damaged wiring | Repair wiring | |
| Damaged relay | Replace relay | |
| Damaged controller | Replace controller | |
| Damaged heating element | Perform ohm reading, Replace element | |
| Unit overheats | Setpoint too high | Change setpoint |
| Thermostat damaged | Replace thermostat | |
| Defective hi-limit control | Replace hi-limit | |
| Blower fan jammed | Find source of fan binding | |
| Blower motor not running | Damaged fan motor | Replace motor |
| Blower fan jammed | Find source of fan binding | |
| Relay is “chattering” | Check proper wiring to switch | Repair wiring or replace switch |
SERVICE EXPECTATIONS
Service Philosophy
For almost sixty years, Carter-Hoffmann has enjoyed a reputation for manufacturing rugged, dependable foodservice equipment that permits foodservice professionals serve more food products to more people, and thus, to grow their business. Our goal is not only to provide the best food service equipment for the price, but also to back it up with after-sale service that is responsive fast, efficient and professional. To ensure a clear under-standing of our goals, expectations, and responsibilities, we have prepared this brief document. Carter-Hoffmann products are innovative and efficient. They are easy to use, easy to clean and easy to maintain. Although the products are quite reliable they are also designed for easy repair. We believe that a malfunction to a Carter-Hoffmann product should cause as little inconvenience to the customer as possible. Our aim is to provide “same day”/first time fix” repair service on all of our products. We are dedicated to making every aspect of our customer service the standard by which others are judged.
End-User Responsibilities
While we all strive to serve our mutual customers as well as possible that does not mean that the end-user (including his employees) does not share some responsibilities.
- All shipping damage must be noted on the freight bill when the shipment is received. Any freight damages must be collected from the Freight Company, NOT Carter-Hoffmann.
- The end-user should be advised beforehand to carefully unpack and inspect all products when they are received BEFORE SIGNING THE SHIPPER’S RECEIPT OF DELIVERY.
- The end-user must provide a safe, dry, level surface for the equipment to be placed upon.
- The end-user must provide the proper electrical supply. All in-wall electrical modifications are to be completed by a licensed electrician. All building modifications are the responsibility of the end-user.
- The end-user must operate, clean and maintain the equipment in accordance with the procedures described in the Operation Manual.
- Carter-Hoffmann is NOT responsible for any loss of the customer’s income, loss of food product, extra labor charges, or any other incidental or consequential costs as a result of the malfunction of our product.
- The end-user shall allow for on-premises repair of the equipment to be completed at a mutually convenient place and time.
Warranty Service
- Warranty service is to be initiated by authorized Carter-Hoffmann personnel only.
- The service provider is NOT authorized to change or extend any of the terms or conditions of our warranty.
- Initial freight damage is NOT covered by the product warranty.
Confidentiality
- The end user and all his employees and sub-agents shall protect and keep confidential Carter-Hoffmann’s proprietary designs, information, and knowledge.
- All literature and informational materials provided by Carter-Hoffmann are to be considered confidential; they remain Carter-Hoffmann’s property; and are not to be reproduced without our prior written consent.
YOUR LOCAL CONTACTS

IMPORTANT OWNER INFORMATION
Please take the time to record the model number and serial number, the identification decal is normally located on the right hand side of the unit. Also be sure to record your voltage and purchase date of your piece of Carter-Hoffmann equipment in the spaces below. It is extremely helpful to have this information available when calling Carter-Hoffmann for service or assistance.
- Cabinet Model #:_____________________________
- Cabinet Serial #:_______________________________
- Heater Head Model #:___________________________
- Heater Head Serial #:__________________________
- Voltage: ____________________
- Wattage: ___________________________
- Phase: ____________
- Date of Installation: _______/___________/_____________
- Carter-Hoffmann Invoice / Sales Order #:_______________
- Purchase Order #: _________________________
To obtain Warranty Service, call Carter-Hoffmann direct
- Carter-Hoffmann
- 1551 McCormick Ave.
- Mundelein, Illinois, 60060 USA
- Phone: 847-362-5500 Toll free: 800-323-9793 Fax: 847-367-8981 Sales and Marketing E-mail: [email protected]
- Service E-mail: [email protected]
- Company Website: www.carter-hoffmann.com
CARTER-HOFFMANN BR120 Heat Retention Banquet Cart



















