RW 202-DDG-01 Interior Digital Onboard Load Scale Instruction Manual


WELCOME
Thank you for choosing to drive more and scale less! Here at Right Weigh, we are committed to making our products simple to install and easy to use. If your vehicle configuration is not described in this manual, our technical support team is ready to answer your questions!
(503) 628-0838
(888) 818-2058 – Toll Free (USA ONLY)
+61 418 622840 – Australia & New Zealand
[email protected]
[email protected] – Australia & New Zealand
www.rwls.com/how-to-calibrate-install/
rightweigh.com.au – Australia & New Zealand
IMPORTANT!
Please read instructions COMPLETELY and thoroughly before installation. Right Weigh, Inc. is not responsible or liable for product failure or vehicle damage due to improper installation. The installation requirements are outlined in this manual and should be followed thoroughly to avoid inaccuracy or damage to the product. It is also important to be aware of vehicle manufacturer policies before making modifications to the vehicle. Right Weigh, Inc. is not liable or responsible for issues regarding warranties with other manufacturers. This is the responsibility of the customer. If you are unsure about how these installation practices apply to your vehicle, please contact your vehicle or component manufacturer.
Product Overview
The Right Weigh 202-DDG-01 digital load scale has one internal air pressure sensor. This scale will monitor one air suspension single, tandem, or tridem axle group with one Height Control Valve (HCV).

The 202-DDG-01 cannot be used on an axle group that has two HCVs or to monitor more than one axle group. To do this you will need either the 202-DDG-02, 202-DDG-03, or 202-DDG-04 depending on specific vehicle configuration and the amount of axle groups to be monitored.
Estimated Steer Axle:
The weight of the steer axle can be estimated if this scale is used to monitor the drive axle group. Refer to the Estimated Steer Mode section for more information.
Technical Specifications:
Operating Temperature: -4° F to +185° F (-20° C to +85° C)
Storage Temperature: -4° F to +185° F (-20° C to +85° C)
Power Requirement: 9 VDC to 32 VDC (Switched)
Units: Pounds (LBS) or Kilograms (KG)
Housing: ABS/PC Blend
Display: Capacitative Touch

Installation
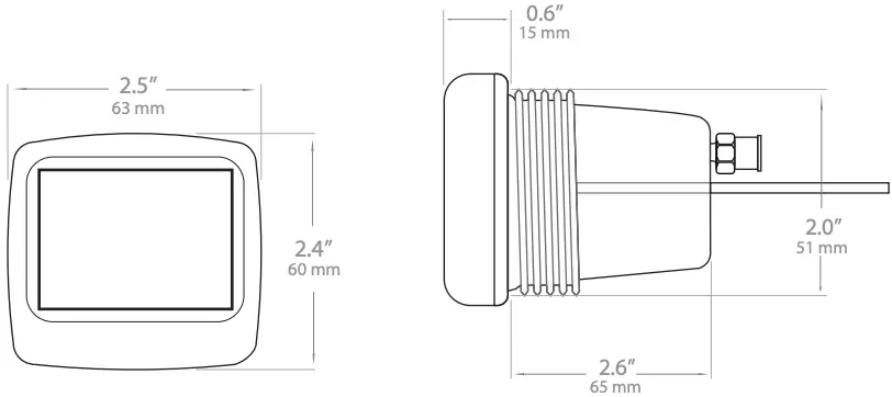
The 202-DDG-01 scale is designed to be mounted inside the vehicle cabin, it is not for outdoor use. The following steps will walk you through how to correctly mount and install the gauge.
- CHOOSE MOUNTING LOCATION
The gauge can be mounted in the dash panel either using an existing factory gauge hole or by creating one. If this option is unavailable or not desirable, Right Weigh has an optional bracket (202-BR) that can be purchased separately to mount the gauge. See below for a detailed list of options for mounting into the dash:
a Use an available 2 1/16” (52mm) factory gauge hole.
b Remove and replace a factory installed drive axle air suspension pressure gauge.
c Cut a new hole in the dash panel using a 2 1/16” (52mm) hole saw as shown.
Make sure to check behind the dash panel for internal wires and components that may need to be moved to avoid damage.
d Use Right Weigh 202-BR bracket or an aftermarket bracket to mount the gauge. - INSTALL 202 GAUGE
Insert the gauge into the mounting hole or bracket. Hold the gauge in a position so the display appears level on the dash panel or bracket. Note that the thickest portion of the gauge bezel indicates the bottom of the display. Screw the gauge nut onto the back of the gauge until it is tight.
- INSTALL BEZEL STYLING COVER (OPTIONAL)
If desired, place chrome styling cover over the front of the gauge bezel. Press until both sides snap into place.
- CONNECT TO POWER AND GROUND
Connect the wiring harness to power and ground. Be sure the RED wire is connected to a SWITCHED positive (+) power source (DO NOT CONNECT DIRECTLY TO BATTERY) and the BLACK wire to chassis ground (-). Supply voltage must be between 9 and 32 volts DC.
DO NOT connect directly to a battery or any constant power source, gauge should be connected to a switched source so that it can be disconnected from power when not in use. Most users connect the power to the ignition switch. - DUMP AIR FROM SUSPENSION SYSTEM
Connect the wire harness to the connector on the back of the gauge.
- DUMP AIR FROM SUSPENSION SYSTEM
- INSTALL NEW STREET TEE FITTING
Remove the suspension air line fitting from the top of one of the air bags.
Insert a street tee fitting into the top of the air bag that matches the thread size of the vehicle suspension. Reinstall the suspension air line and fitting into the street tee. For more information on the parts needed for air line installation, see Appendix A.
- INSTALL NEW 1/4” AIR LINE
Install a new 1/4” air line and fitting into the remaining port on the tee.
- ROUTE AIR LINE TO GAUGE
Route the new 1/4” air line from the tee fitting assembly to the gauge. Secure air line with zip ties. Insert the air line into the push-to-connect fitting on the back of the gauge.
- AIR UP SUSPENSION TO CHECK FOR LEAKS
- RE-ASSEMBLE DASH PANEL IF NEEDED
Setup
ESTIMATED STEER
If the 202-DDG-01 load scale is used to monitor a tractor’s drive axle group, the Estimated Steer option can be enabled. Estimated Steer will not work for straight trucks or anyone who slides their fifth wheel regularly. To enable Estimated Steer, follow these steps:
From the Home screen, select the WRENCH icon.
From the System Setup screen, select SETTINGS.
From the Settings screen, select the RIGHT ARROW twice and then select EST. STEER.
To turn on Estimated Steer, make sure the “ON” button is selected as shown.

UNITS / BACKLIGHT

Calibration
The 202-DDG-01 load scale must be calibrated both empty and loaded to work properly. The scale associates the air pressure in the suspension system to the weight you enter at the time of calibration. You will need to calibrate once while the vehicle is empty, and again while the vehicle is loaded for the axle group being monitored.

Only enter on-the-ground weight of axle or group being monitored. DO NOT use gross weight, tare weight, etc.
Follow calibration steps on the next page, once these are complete the gauge will be ready to use!
CALIBRATION – EMPTY
- While the vehicle is empty, obtain axle group weights from a certified in-ground scale.
- Park on a level surface. Shift the transmission to neutral and set the parking brakes. Chock the wheels to prevent unexpected vehicle movement, then release the parking and service brakes.
- Make sure the Height Control Valve (HCV) has fully inflated the air bags. If needed, briefly dump the air from the suspension and allow the HCV to refill the system.

- From the Home screen, select the WRENCH icon.
- From the System Setup screen, select CALIBRATION.
- From the Calibration screen select the appropriate axle group.
- From the Calibration screen select EMPTY. Select YES to enter new calibration data.
- Enter weight from scale ticket for the corresponding axle group and then press ENTER. If the value you have entered looks correct, select YES to save calibration data.
- Repeat process for all axle groups being monitored, including steer axle if using Estimated Steer feature.
CALIBRATION – LOADED
- While the vehicle is loaded, obtain axle group weights from a certified in-ground scale.
- Park on a level surface. Shift the transmission to neutral and set the parking brakes. Chock the wheels to prevent unexpected vehicle movement, then release the parking and service brakes.
- Make sure the Height Control Valve (HCV) has fully inflated the air bags. If needed, briefly dump the air from the suspension and allow the HCV to refill the system.

- From the Home screen, select the WRENCH icon.
- From the System Setup screen, select CALIBRATION.
- From the Calibration screen select the appropriate axle group.
- From the Calibration screen select LOADED. Select YES to enter new calibration data.
- Enter weight from scale ticket for the corresponding axle group and then press ENTER. If the value you have entered looks correct, select YES to save calibration data.
- Repeat process for all axle groups being monitored, including steer axle if using Estimated Steer feature.
Operate & Weigh
Follow these steps while weighing your vehicle:
- Park on level surface. Shift the transmission to neutral and set the parking brakes.
- Chock the wheels to prevent unexpected vehicle movement, then release the parking and service brakes.
- Make sure the Height Control Valve (HCV) has fully inflated the air bags. If needed, briefly dump the air from the suspension and allow the HCV to refill the system.
- From the Home screen, select WEIGHT.
- From the Summary screen, you can view the weight of the axle group being monitored, the estimated steer weight (if this feature is turned on), and the total weight.
- From the Summary screen, you can select the RIGHT ARROW to view each weight separately and the net weight.

Security PIN Code
To protect calibration data from unwanted changes, you can set a security PIN code. When a PIN is set, the user will be required to enter the PIN in order to get into the calibration screens. Follow these steps to set, change, or remove a PIN code:

Reset Calibration Data
In rare cases, it might be necessary to reset the calibration data back to the original default values. To reset the calibration data to the default values, follow these steps:

Reset To Factory Default
If there is a problem with the gauge, it may be necessary to reset it completely back to factory default settings. This will remove previously set calibration data, air sensor configuration and names, PIN code, etc. To reset the gauge, follow these steps:

Troubleshooting


Appendix A
The following is a list of additional parts that may be needed for air line installation. This list is just a suggestion and may not be all of the parts needed for your specific vehicle. These parts are included in installation kit 101-SK (sold separately):































