MT LB30 Power and Control Charger
User Manual
MT LB 30, MT LB 2412-25, MT LB 2412-45
POWER & CONTROL
CHARGER
MT LB30 Power and Control Charger
© 2022 Dometic Group. The visual appearance of the contents of this manual is protected by copyright and design law. The underlying technical design and the products contained herein may be protected by design, patent or be patent pending. The trademarks mentioned in this manual belong to Dometic Sweden AB. All rights are reserved. 








Please read these instructions carefully and follow all instructions, guidelines, and warnings included in this product manual in order to ensure that you install, use, and aintain
the product properly at all times. These instructions MUST stay with this product.
By using the product, you hereby confirm that you have read all instructions, guidelines, and warnings carefully and that you understand and agree to abide by the terms and conditions as set forth herein. You agree to use this product only for the intended purpose and application and in accordance with the instructions, guidelines, and warnings as set forth in this product manual as well as in accordance with all applicable laws and regulations. A failure to read and follow the instructions and warnings set forth herein may result in an injury to yourself and others, damage to your product or damage to other property in the vicinity. This product manual, including the instructions, guidelines, and warnings, and related documentation, may be subject to changes and updates. For up-to-date product information, please visit documents.dometic.com.
Explanation of symbols
DANGER!
Safety instruction: Indicates a hazardous situation that, if not avoided, will result in death or serious injury.
WARNING!
Safety instruction: Indicates a hazardous situation that, if not avoided, could result in death or serious injury.
CAUTION!
Safety instruction: Indicates a hazardous situation that, if not avoided, could result in minor or moderate injury.
NOTICE!
Indicates a situation that, if not avoided, can result in property damage.
NOTE
Supplementary information for operating the product.
Safety instructions
Also observe the safety instructions and stipulations issued by the vehicle manufacturer and authorized workshops.
General safety
WARNING! Failure to obey these warnings could result in death or serious injury.
Electrocution hazard
- Installation and removal of the battery charger may only be carried out by qualified personnel.
- Do not operate the device if it is visibly damaged.
- If this device’s power cable is damaged, the power cable must be replaced by the manufacturer, a service agent or a similarly qualified person in order to prevent safety hazards.
- This device may only be repaired by qualified personnel. Improper repairs can lead to considerable hazards.
- If you disassemble the device:
– Detach all connections.
– Ensure that no voltage is present on any of the inputs and outputs. - Do not use the device in wet conditions or submerge in any liquid. Store in a dry place.
- Only use accessories that are recommended by the manufacturer.
- Do not modify or adapt any of the components in any way.
- Disconnect the device from the power supply:
– Before each cleaning and maintenance
– After every use
– Before changing a fuse
– Before carrying out electrical welding work or work on the electrical system
Health hazard
- This device can be used by children aged from 8 years and above and persons with reduced physical, sensory or mental capabilities or lack of experience and knowledge if they have been given supervision or instruction concerning use of the device in a safe way and understand the hazards involved.
- Electrical devices are not toys.
Always keep and use the device out of the reach of very young children. - Children must be supervised to ensure that they do not play with the device.
- Cleaning and user maintenance shall not be made by children without supervision.
NOTICE! Damage hazard
- Before start-up, check that the voltage specification on the data plate is the same as that of the power supply.
- Ensure that other objects cannot cause a short circuit at the contacts of the device.
- Ensure that the negative and positive poles never come into contact.
Installing the device safely
DANGER! Failure to obey these warnings will result in death or serious injury. Explosion hazard
- Never mount the device in areas where there is a risk of gas or dust explosion.
CAUTION! Failure to obey these cautions could result in minor or moderate injury.
Risk of injury
- Ensure that the device is standing firmly. he device must be set up and fastened in such a way that it cannot tip over or fall down.
- When positioning the device, ensure that all cables are suitably secured to avoid any form of trip hazard.
NOTICE! Damage hazard
- Do not place the battery charger near heat sources (heaters, direct sunlight, gas ovens, etc.).
- Set up the device in a dry location where it is protected against splashing water.
Safety when connecting the device electrically
DANGER! Failure to obey these warnings will result in death or serious injury.
Electrocution hazard
- For installation on boats:
If electrical devices are incorrectly installed on boats, corrosion damage might occur. Have the device installed by a specialist (marine electrician). - If you are working on electrical systems, ensure that there is somebody close at hand who can help you in emergencies.
WARNING! Failure to obey these warnings could result in death or serious injury.
Electrocution hazard
- Observe the recommended cable cross-sections.
- Lay the cables so that they cannot be damaged by the doors or the hood. Crushed cables can lead to serious injury.
NOTICE! Damage hazard
- Use ductwork or cable ducts if it is necessary to lay cables through metal panels or other panels with sharp edges.
- Do not lay the 230 V mains cable and the 12 V DC cable in the same duct.
- Do not lay the cable so that it is loose or heavily kinked.
- Fasten the cables securely.
- Do not pull on the cables.
Operating the device safely
WARNING! Failure to obey these warnings could result in death or serious injury.
Explosion hazard
- Only use the device in closed, well-ventilated rooms.
CAUTION! Failure to obey these cautions could result in minor or moderate injury. Explosion hazard
- Do not operate the device under the following conditions:
– In salty, wet or damp environments
– In the vicinity of corrosive fumes
– In the vicinity of combustible materials
– In areas where there is a danger of explosions
Electrocution hazard
- Always disconnect the power supply when working on the device.
- Observe that parts of the device may still conduct voltage even if the fuse has blown.
- Do not disconnect any cables when the device is still in use.
NOTICE! Damage hazard
- Ensure that the air inlets and outlets of the device are not covered.
- Ensure a good ventilation.
- Never pull the plug out of the socket by the connection cable.
- The device shall not to be exposed to rain.
Safety precautions when handling batteries
WARNING! Failure to obey these warnings could result in death or serious injury.
Risk of injury
- Batteries contain aggressive and caustic acids. Avoid battery fluid coming into contact with your body. If your skin does come into contact with battery fluid, wash that part of your body thoroughly with water. If you sustain any injuries from acids, contact a doctor immediately.
CAUTION! Failure to obey these cautions could result in minor or moderate injury.
Risk of injury
- When working on batteries, do not wear any metal objects such as watches or rings. Lead acid batteries can cause short circuits which can cause serious injuries.
- Wear goggles and protective clothing when you work on batteries. Do not touch your eyes when you are working on batteries.
Explosion hazard
- Never attempt to charge a frozen or defective battery.
Place the battery in a frost-free area and wait until the battery has acclimatised to the ambient temperature. Then start the charging process. - Do not smoke, use an open flame, or cause sparking near the engine or a battery.
NOTICE! Damage hazard
- Only use rechargeable batteries.
- Prevent any metal parts from falling on the battery. This can cause sparks or short-circuit the battery and other electrical parts.
- Ensure that the polarity is correct when connecting the battery.
- Follow the instructions of the battery manufacturer and those of the manufacturer of the system or vehicle in which the battery is used.
- If you need to remove the battery, first disconnect the ground connection. Disconnect all connections and all consumers from the battery before removing it.
- Only store fully charged batteries.Recharge stored batteries regularly.
- Immediately recharge deeply discharged lead batteries to avoid sulfation.
- Check the acid level for open lead-acid batteries regularly.
Safety precautions when handling lithium batteries
CAUTION! Failure to obey these cautions could result in minor or moderate injury.
Risk of injury
- Only use batteries with integrated battery management system and cell balancing.
NOTICE! Damage hazard
- Only install the battery in environments with an ambient temperature of at least 0 °C.
- Avoid deep discharge of the batteries.
Scope of delivery
| Quantity | Description |
| 1 | MT LB 30, MT LB 2412-25 or MT LB 2412-45 |
| 1 | Temperature sensor with cable (3 m) |
| 1 | Installation and Operating manual |
Accessories
Available as accessories (not included in the scope of delivery):
| Designation | Ref. no. |
| Extension cable (5 m) with adapter for display panel used for remote control | 9620000171 (MT 02005) |
| D+ Active simulator | 9620000336 (MT 02159) |
Intended use
The battery charger (also referred to as charging booster) is intended to monitor and charge 12 V house batteries in motor homes from the alternator while driving.
The charging booster is intended to be used to charge the following battery types:
- Lead acid batteries
- Lead gel batteries
- Absorbed glass mat (AGM) batteries
- LiFePO4 batteries (14.4 V)
The charging booster is not intended to be used to charge other types of batteries (e.g. NiCd, NiMH, etc.).
The charging booster is suitable for:
- Installation in motor homes
- Stationary or mobile use
- Indoor use
The charging booster is not suitable for:
- Mains operation
- Outdoor use
This product is only suitable for the intended purpose and application in accordance with these instructions.
This manual provides information that is necessary for proper installation and/or operation of the product.
Poor installation and/or improper operating or maintenance will result in unsatisfactory performance and a possible failure. The manufacturer accepts no liability for any
injury or damage to the product resulting from:
- Incorrect assembly or connection, including excess voltage
- Incorrect maintenance or use of spare parts other than original spare parts provided by the manufacturer
- Alterations to the product without express permission from the manufacturer
- Use for purposes other than those described in this manual Dometic reserves the right to change product appearance and product specifications.
Technical description
General description
MT LB 30: The device charges with 30 A while driving. The charging power can be limited to 25 A.
MT LB 2412-25: The device charges with 25 A while driving. The charging booster is suitable for vehicles equipped with a 24 V starting battery circuit.
Galvanic isolation between the inputs (IN) and outputs (OUT) ensures absolute separation of the battery circuits.
MT LB 2412-45: The device charges with 45 A while driving. The charging booster is suitable for vehicles equipped with a 24 V starting battery circuit.
Galvanic isolation between the inputs (IN) and outputs (OUT) ensures absolute separation of the battery circuits.
The charging booster can be adapted to different battery types via DIP switches (see chapter “Setting the charging program” on page 21).
The temperature sensor monitors the battery temperature during the charging process (see chapter “Temperature sensor” on page 18).
The charging booster is equipped with a removable display panel for remote control.
The charging booster offers the following functions:
- Microprocessor-controlled, temperature-compensated IU0U charging programs for various battery types
- Auxiliary charging output for the starting battery
- Buffer operation: Compliance with the charging characteristics even when the battery is charged with consumers connected
- On-board mains suppression filter: Ensures parallel operation of the charging booster with other charging sources, for example mains supply chargers, solar systems or generators
- Automatic compensation of voltage loss caused by the charging cable length (house battery)
The charging booster has the following protective mechanisms:
- High voltage protection
- Low voltage protection
- High temperature protection
- Low temperature protection (only LiFePO4 batteries)
- Battery overcharge protection
- Reverse current protection
- Protection against short circuit
- Reverse polarity protection (only for house battery connection)
Description of the device
| Item in fig. 1, page 3 | Designation |
| 1 | Display panel |
| 2 | DIP switches battery type and functional settings |
| 3 | DIP switch charging current |
| 4 | Rubber feet |
| 5 | Connections and controls |
| 6 | Temperature sensor |
Connections and controls
| Item in fig. 2, page 3 | Designation | Description |
| 1 | START– | Connection to negative pole of 12 V/ 24 V starting battery |
| 2 | START+ | Connection to positive pole of 12 V/ 24 V starting battery |
| 3 | Sense START | Input for sense cable to measure and control the charging voltage at the starting battery |
| 4 | D+/ Kl. 15 | Input for D+ signal of the alternator or ignition lock signal (terminal 15) |
| 5 | EBL Start/IN | Input for sense cable to display the charging voltage at the starting battery |
| 6 | BORD– | Connection to negative pole of 12 V/ 24 V house battery |
| 7 | BORD+ | Connection to positive pole of 12 V/ 24 V house battery |
| 8 | Sense BORD | Input for sense cable to measure and control the charging voltage at the house battery |
| 9 | Temp. Sensor | 2 connections for temperature sensor |
Display panel
| Item in fig. 3, page 4 | Designation |
| 1 | On/Off button |
| 2 | 2Indicator LEDs |
Indicator LEDs on display panel
| LED | Status | Description |
| Current (red) | On | Charging current present; brightness indicates the intensity of the charging current |
| Off | Charging current < 0.2 A | |
| Batt. I (yellow) | On | House battery is charged |
| Flashing | • High temperature protection (> 50 °C) • Only LiFePO4 batteries: Low temperature protection (< –20 °C) | |
| Flashing slowly | Only LiFePO4 batteries: Low temperature protection (< 0 °C) | |
| Off | House battery is disconnected from the charging booster (safety switch) | |
| Battery full (green) | On | House battery fully charged (100 %); U2 phase |
| Flashing | Charging process in U1 phase (lead batteries: < 75 %, LiFePO4 batteries: < 90 %) | |
| Flashing slowly | State of charge 75 – 100 % (lead batteries: > 75 %, LiFePO4 batteries: > 90 %) | |
| Off | Charging process in I phase | |
| Main Charging (yellow) | On | Charging process in I/U1 phase |
| Flashing | • Over voltage protection of the house battery (> 15.5 V) • Only LiFePO4 batteries: Temperature sensor is not connected | |
| Off | Trickle charging (U2 phase) | |
| Batt. II (yellow) | Flashing | Low voltage protection of the starting battery |
| Power (red) | On | Voltage present; booster charging activated |
| Flashing | • Safety shutdown (chapter “Troubleshooting” on page 23) • Internal device failure (overheating) • Reversed polarity of the house battery |
Battery charging function
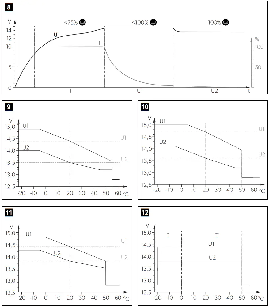
The charging characteristics for fully automated continuous operation without monitoring are referred to as IU0U characteristics (see charging curve in fig. 8, page 6).
1: I phase (Constant current phase)
At the beginning of the charging process, the empty battery is constantly charged with the maximum charging current (100 %). The charging current decreases when the battery has reached a state of charge of 75 % (90 % for lithium batteries).
Deeply discharged lead batteries are charged with reduced charging current until the battery voltage exceeds 8 V.The duration of the I phase depends on the state of the battery, the load from the consumers and the state of charge. For safety reasons the I phase is terminated after a maximum of 15 h (in case of battery cell defects or similar).
2: U1 phase (Constant voltage phase)
The U1 phase starts when the battery is fully loaded. The charging current is reduced. During the U1 phase, the battery voltage is kept constant at a high level. The duration of the U1 phase depends on the battery type and the depth of discharge.
3: U2 phase (Trickle charging)
The U2 phase serves to maintain the battery capacity (100 %).The U2 phase runs at lowered charging voltage and variable current. If DC loads are connected, they are powered by the device. Only if the power required exceeds the capacity of the device, this surplus power is provided by the battery. The battery then is discharged until the device re-enters the I phase and charges the battery.The U2 phase is limited to between 24 and 48 h depending on the battery type.
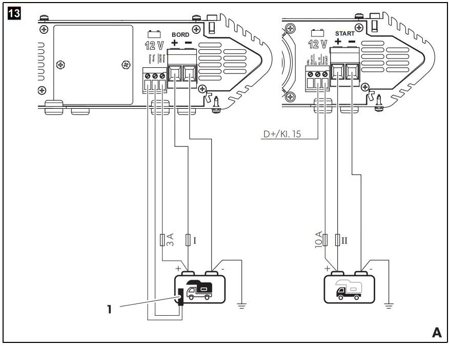
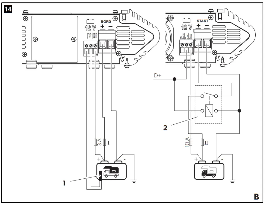
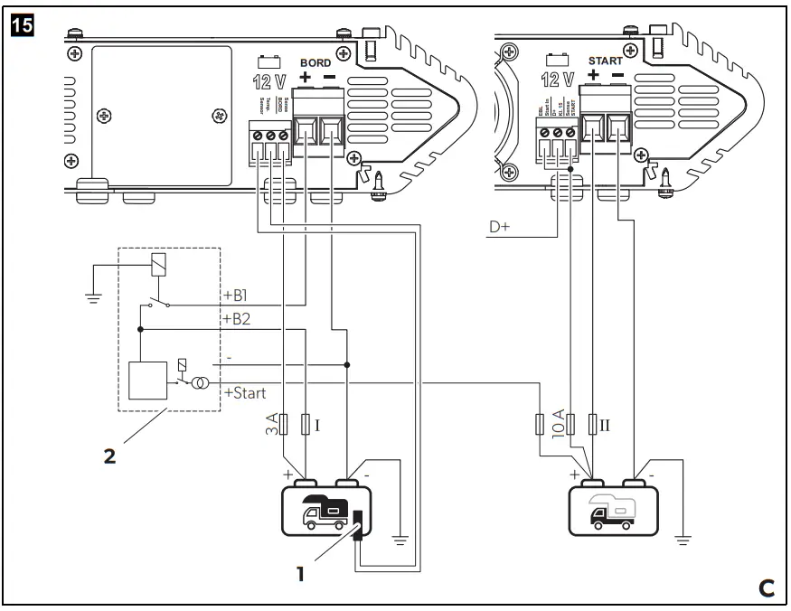
Temperature sensor
With the temperature sensor connected, the charging booster adjusts the charging voltage (for lead batteries) or the charging current (for LiFePO4 batteries) according to the measured temperature at the house battery.
NOTE
- For lead batteries: Without temperature sensor connected, the charging voltage is referenced to 20/ 25 °C.
- For LiFePO4 batteries: Without temperature sensor connected, the charging booster does not work.
The charging characteristics are adjusted as follows:
- For lead acid/ AGM 1 batteries (14.4 V) see fig. 9, page 6.
- For AGM 2 batteries (14.7 V) see fig. 0, page 6.
- For lead gel batteries (14.4 V) see fig. a, page 6.
- For LiFePO4 batteries (14.4 V) see fig. b, page 6.
Legend
– – – – – Charging curve without temperature sensor connected
Charging curve with temperature sensor connected
Mounting the charging booster
Installation location
NOTICE! Damage hazard
Before drilling any holes, ensure that no electrical cables or other parts of the vehicle can be damaged by drilling, sawing and filing.
NOTE
The charging booster can be installed in any mounting position (fig. 5, page 4).
Observe the following instructions when selecting an installation location:
- Ensure that the mounting surface is solid and level.
- Observe the distance specifications (fig. 4, page 4).
Using the display panel
The display panel can be mounted depending on the installation position of the charging booster.
➤To rotate and reinsert the display panel in place proceed as shown (fig. 6, page 5).
➤To use the display panel as a remote control proceed as shown (fig. 7, page 5).
Connecting the charging booster
The electrical power supply must be connected by a qualified electrician who has demonstrated skill and knowledge related to the construction and operation of electrical equipment and installations and has received safety training to identify and avoid the hazards involved.
CAUTION! Fire hazard
- Observe the recommended cable cross-sections, cable lengths and fuse (see chapter “Determine the cable cross-section” on page 20).
- Place the fuses near the batteries to protect the cable from short circuits and possible burning.
- Ensure that the screws on the terminals are tightened firmly (torque: 2 Nm ± 0.1). Tighten the screws on the terminals again after mounting the device and final cable laying.
NOTICE! Damage hazard
Do not reverse the polarity.
NOTE
- In the case of two or more batteries, parallel connection is permissible if the batteries are of the same type, capacity and age. Connect the batteries diagonally.
- For LiFePO4 batteries: To ensure measuring the internal temperature of the battery use the temperature sensor connector to connect the probe of the temperature sensor to the negative terminal of the house battery.
Observe the following instructions when connecting the charging booster:
Select the appropriate connection variant.
Legend for fig. c, page 7 to fig. e, page 9:
| House battery | |
| Starting battery |
- Always connect the charging booster before connecting the batteries.
- Do not use ferrules. Strip the cable ends as follows:
– Signal cable 10 mm (0.5 – 1.5 mm²)
– Charging cable 12 mm - Determine the cable cross-section (see chapter “Determine the cable cross-section” on page 20).
- Connect the probe of the temperature sensor to the positive terminal of the house battery (fig. c 1, page 7 to fig. e 1, page 9).
- Connect the negative terminal of the house battery to the negative terminal of the starting battery or to ground (chassis).
- Protect the positive cable of the house battery with a fuse Ι (see chapter “Determine the cable cross-section” on page 20).
- Protect the positive cable of the starting battery with a fuse ΙΙ (see chapter “Determine the cable cross-section” on page 20).
- Select the charging program suitable for the type of house battery used (see chapter “Setting the charging program” on page 21).
Determine the cable cross-section
MT LB 30
| Cable Cross-section | Cable length START (IN) to starting battery | Cable fuse II | Cable length BORD (OUT)to house battery | Cable fuse I |
| 4 mm2 | – | 40A/ 50A | 0.5m- 1.5m | 30A/ 40A |
| 6 mm2 | < 4 m | 40A/ 50A | 1.5m- 3.0 m | 30A/ 40A |
| 10 mm2 | < 7 m | 40A/ 50A | 3m- 5.5 m | 30A/ 404 |
MT LB 2412-25
| Cable crosssection | Cable length START (IN) to starting battery | Cable fuse ΙΙ | Cable length BORD (OUT) to house battery | Cable fuse Ι |
| 4mm² | – | 30A | 0.5m – 2.0 m | 30 A |
| 6mm² | <11m | 30A | 1.5m – 3.5 m | 30 A |
| 10 mm² | < 18 m | 30 A | 3.0 m – 6.5 m | 30 A |
MT LB 2412-45
| Cable crosssection | Cable length START (IN) to starting battery | Cable fuse ΙΙ | Cable length BORD (OUT) to house battery | Cable fuse Ι |
| 6mm² | – | 40A | 0.5m –2.0 m | 50 A |
| 10 mm² | < 10 m | 40 A | 1.5 m – 3.5 m | 50 A |
| 16 mm² | < 16 m | 40 A | 3.0 m – 5.0 m | 50 A |
Connection variant A (fig. c, page 7)
Connection variant for motor homes that are to be equipped with a house battery and charging device (standard connection variant).
NOTE
The charging booster replaces an existing cut-off relay.
Use connection variant B if the cut-off relay cannot be removed.
➤Install the charging booster in the connection between the starting battery and the house battery.
➤Disconnect the existing charging cable at a suitable point.
➤To connect the charging booster proceed as shown in fig. c, page 7.
Connection variant B (fig. d, page 8)
Connection variant for motor homes with an existing cutoff relay.
NOTE
The charging booster replaces an existing cut-off relay.
Use connection variant
A if the cut-off relay can be removed.
➤Install the charging booster between the existing cutoff relay (2) and the house battery.
➤Disconnect the existing charging cable at a suitable point.
➤To connect the charging booster proceed as shown in fig. d, page 8.
Connection variant C (MT LB 30 only) (fig. e, page 9)
Connection variant for motor homes with existing central electrical system equipped with integrated cutoff relay and integrated charger.
NOTE
For LiFePO4 batteries: Disable the integrated charger if it is not equipped with temperature-controlled charging and the charging characteristic for LiFePO4 batteries.
➤Install the charging booster in the starting battery cable between central electrical system (2) and the starting battery.
➤To connect the charging booster proceed as shown in fig. e, page 9.
Parallel connection of two charging boosters (fig. f, page 10)
Connection variant, if very high loads occur (e.g. air conditioning operation) or for large battery groups to increase the charging power.
CAUTION! Fire hazard
Ensure that the recommended cable cross-sections, cable lengths and fuses are doubled according to the higher charging currents that may occur.
NOTE
Parallel connection is only permissible if the devices are of the same type and capacity.
➤Set the DIP switch position (fig. f 1, page 10).
➤To connect the charging boosters in parallel proceed as shown in fig. f, page 10.
Operation
NOTE
Use a small screwdriver to carefully move the DIP switches to the required position.
Setting the charging program
NOTICE! Damage hazard
Only use batteries that are suitable for the specified charging voltage.
NOTE
- Select the charging program suitable for the type of house battery used based on the manufacturer’s specifications, the information in the table below and the technical data (see chapter “Technical data” on page 26).
- The specified charging times apply to an average ambient temperature of 20 °C.
➤Slide the DIP switches (fig. 1 3, page 3) to the position shown in the table below to set the charging program (OUT) for the respective type of house battery.
| DIP switch position (gray) | Desired charging program |
| Lead-acid batteries/ AGM 1 batteries (14.4 V) (fig. 9, page 6) • U1: 14.4 V (0.5 – 4 h) •U2: 13.5V | |
| AGM 2 batteries (14.7 V) (fig. 0, page 6) •U1: 14.7V (0.5–4h) •U2: 13.6V | |
| Lead gel batteries (14.4 V) (fig. a, page 6) •U1: 14.4V (4–10h) •U2: 13.8V | |
| LiFePO4 batteries (14.4 V) (fig. b, page 6) • U1: 14.4 V (0.3 – 1 h) •U2: 13.8V |
Setting the operating mode
Depending on the operating mode set, the charging booster is activated via the D+ signal or the voltage at the starting battery.
➤Slide the DIP switches (fig. 1 2, page 3) to the position shown in the table below to set the operating mode (IN).
NOTE
- If the charging booster is activated via the D+ signal, the starting battery can be discharged when the ignition is switched on and the engine is not running. Use a D+ active simulator if no D+ signal is available.
- To activate a change of the settings, disconnect the device temporarily from the power supply, the starting battery and the house battery.
- The charging booster starts charging the house battery as soon as the value for “Increase of charging power” is reached on the starting battery. The charging booster continuously increases the charging power from 3 % of the charging power until the required (maximum) charging power is reached.
- If the voltage value falls below the “switch-off threshold” value for 30 seconds, the charging booster switches off automatically.
- If the voltage value falls below the value for “Reduction of charging power” (e.g. due to high loads), the charging booster reduces the charging power to relieve the starter circuit. The charging power is always at least 3 % of the possible charging power.
| DIP switch position (gray) | Description |
| Function selection for control via the charging voltage at the starting battery. • Increase of charging power at “START+” terminal > 13.6 V • Reduction of charging power at “START+” terminal < 13.2 V • Switch-off threshold: 12.6 V (30 s) | |
| Note: High voltage thresholds. Use only with separately routed “Sense START” cable, sufficiently dimensioned cable cross-sections and powerful alternator. Connect “D+/ Kl. 15” to “Sense START” via a wire jumper. | |
| Function selection for control via D+ signal of the alternator or the ignition lock signal (terminal 15). • Increase of charging power at “START+” terminal > 13.2 V • Reduction of charging power at “START+” terminal < 12.8 V • Switch-off threshold: 12.2 V (30 s) | |
| Note: High voltage thresholds. Use only with separately routed “Sense START” cable, sufficiently dimensioned cable cross-sections and powerful alternator. | |
| Function selection for control via the D+ signal of the alternator or the ignition lock signal (terminal 15). • Increase of charging power at “START+” terminal > 12.5 V • Reduction of charging power at “START+” terminal < 12.2 V • Switch-off threshold: 12.0 V (30 s) | |
| Note: Lower voltage thresholds. A separately routed “Sense START” cable is not required if the cable crosssections are sufficiently dimensioned. Connect “D+/ Kl. 15” to “Sense START” via a wire jumper. | |
| Function selection for control via the D+ signal of the alternator or the ignition lock signal (terminal 15), suitable for vehicles complying with Euro 6, 6+ standards with highly fluctuating alternator and starting battery voltages. • Increase of charging power at “START+” terminal > 11.7 V • Reduction of charging power at “START+” terminal < 11.4 V • Switch-off threshold: 11.2 V (30 s) | |
| Note: Lower voltage thresholds. A separately routed “Sense START” cable is not required if the cable crosssections are sufficiently dimensioned. Connect “D+/ Kl. 15” to “Sense START” via a wire jumper. | |
Adapting the charging current (only MT LB 30)
➤Slide the DIP switch (fig. 1 2, page 3) to the position shown in the table below to adapt the charging current to the capacity of the house battery.
| DIP switch position (gray) | Charging current |
| 0 – 25 A (factory setting) | |
| 0–30A |
Setting the night mode
In night mode the display panel is darkened. All LEDs on the display panel except the “Current” LED are switched off.
➤To activate or deactivate the night mode press the On/Off button on the display panel once.
✔ The “Current” LED lights up dimly red.
Cleaning and maintenance
NOTICE! Damage hazard
- Never clean the device under running water or in dish water.
- Do not use sharp or hard objects, abrasive cleaning agents or bleach during cleaning as these can damage the device.
➤Occasionally clean the device with a soft, damp cloth.
➤Regularly check live cables or lines for insulation faults, breaks or loose connections.
Troubleshooting
| Fault | Possible cause | Suggested remedy |
| The charging booster does not work. The red “Power” LED does not light up. | Insulation faults, breaks or loose connections at the live cables. | ➤ Check live cables for insulation faults, breaks or loose connections. ➤ If you cannot find an error, contact an authorized service agent. |
| Short circuit has been generated. | The device fuse must be replaced by an authorized service agent after it has been triggered by excess current. | |
| The battery terminals are not connected correctly. | ➤ Check the connections. ➤ Check the cable cross-sections, cable lengths and fuses (see chapter “Determine the cable cross-section” on page 20). ➤ Check the stripped cable ends. ➤ Check the voltages directly at the terminals. | |
| The charging booster does not work. The yellow “Main Charging” LED flashes. | Over voltage protection of the house battery. Battery voltages too high (> 15.5 V). | ➤ Reduce the connected voltages. The charging booster restarts automatically when the voltage drops to the restart value (< 13.2 V). |
| Only LiFePO4 batteries: Temperature sensor is not connected. | ➤ Connect the temperature sensor. | |
| Unusually long charging time. The yellow “Batt. I” LED flashes. | High temperature protection of the house battery. The charging booster switches to reduced charging voltage (12.8 V) and the maximum charging current is halved when the temperature of the battery exceeds the cutoff value (>50 °C). | ➤ Check that the air inlets and outlets are not covered or obstructed. ➤ Allow the battery to cool down. The charging booster returns automatically to full charging voltage and current when the temperature drops to the restart value (<48 °C). |
| Only LiFePO4 batteries: Low temperature protection of the house battery. The charging booster switches to reduced charging voltage (12.8 V) and the maximum charging current is halved when the temperature of the battery drops below the cutoff value (< –20 °C). | ➤ Move the battery to a warmer location. The charging booster restarts automatically when the temperature exceeds the restart value (> –18 °C) | |
| Unusually long charging time. The yellow “Batt. I” LED flashes slowly. | Only LiFePO4 batteries: Low temperature protection of the house battery. The charging booster switches to reduced charging current when the temperature of the battery drops below the cutoff value (< 0 °C). | ➤ Move the battery to a warmer location (>0 °C). The charging booster restarts automatically when the temperature exceeds the restart value (>0 °C). |
| Unusually long charging time. The yellow “Batt. II” LED flashes. | Low voltage protection of the starting battery. Battery voltage too low (> set value for “increase of charging power”, see chapter “Setting the operating mode” on page 21). The charging booster switches to reduced charging current (<30 %) to protect the battery. | The charging booster returns automatically to full charging current when the voltage rises to the restart value (set value for “reduction of charging power”, see chapter “Setting the operating mode” on page 21). |
| The charging booster stops the charging process. The red “Power” LED flashes. | Shutdown by safety timer. The I phase has lasted too long (>15 h). | ➤ Reset the device by removing the control signal at D+. Switch off the motor and disconnect the device from the mains. |
| Too many DC loads connected. | ➤ Reduce the connected DC loads. | |
| The battery is defective. | ➤ Replace the battery. | |
| Overheating of the charging booster. | The charging booster restarts automatically when the temperature drops. | |
| Reversed polarity of the house battery. | ➤ Connect the house battery with the correct polarity. | |
| Full charging current is not reached. The red “Power” LED is lit. | The house battery is already charged. | ➤ Load with powerful consumers. |
| The charging current is not set correctly. | ➤ Check the setting of the charging current (see chapter “Setting the operating mode” on page 21). | |
| The battery is significantly sulfated. | ➤ Replace the battery. | |
| Hidden cutoff relay present (e.g. in the central electrical system). | ➤ Adapt connection variant for vehicles with an existing cutoff relay. | |
| The charging booster constantly switches between active and idle state. | Weak D+ signal. | ➤ Check the D+ signal. ➤ Alternatively use the ignition key signal (terminal 15) or install a D+ Active simulator (available as accessory). |
| Faulty connection of the starting battery. | ➤ Check the connections for insufficient cabling and fuse protection or corrosion at the chassis connections. | |
| The battery is no longer taking a charge or is unable to hold a charge. | The battery is defective. | ➤ Replace the battery. |
| The display paneldoes not work. | The display panel is connected incorrectly. | ➤ Check the connections (see chapter “Using the display panel” on page 18). |
| The display panel only lights up poorly. | Night mode is activated. | ➤ Switch off the night mode (see chapter “Setting the night mode” on page 23). |
Warranty
The statutory warranty period applies. If the product is defective, please contact your retailer or the manufacturer’s branch in your country (see dometic.com/dealer). For repair and warranty processing, please include the following documents when you send in the product:
- A copy of the receipt with purchasing date
- A reason for the claim or description of the fault
Note that self-repair or non-professional repair can have safety consequences and might void the war-ranty.
Disposal
Recycling products with non-replaceable batteries, rechargeable batteries or light sources
➤ If the product contains any non-replaceable batteries, rechargeable batteries or light sources, you don’t have to remove them before disposal.
➤ If you wish to finally dispose of the product, ask your local recycling center or specialist dealer for details about how to do this in accordance with the applicable disposal regulations.
➤ The product can be disposed free of charge.
Recycling packaging material
➤ Place the packaging material in the appropriate recycling waste bins wherever possible.
Technical data
| MT LB 30 | MT LB 2412-25 | MT LB 2412-45 | |
| Input starting battery | |||
| Nominal battery voltage | 12 V | 24 V | 24 V |
| Recommended battery capacity | 60 Ah/ 70 Ah | 50 Ah | 60 Ah |
| Max. power consumption | 480 W/ 540W | 450 V, | |
| Current consumption •Max. current consumption •Current consumption in standby mode •Current consumption OFF | 37A/44A 0.07 A 0.0004 A | 18A 0.09 A 0.0004 A | 30A 0.11 A 0.0005 A |
| Input over-voltage cutoff (EURO 6+) | 16.5V | 32.2 V | 32.2′, |
| Charging output house battery | |||
| Nominal battery voltage | 12 -13.3 V | 12-13.3 V | 12 -13.3 V |
| Recommended battery capacity | 50 – 200 Ah/ 60 – 240 Ah | 50 – 200 Ah | 90- 360Ah |
| Charging current (I phase) | 25 A/ 30 A | 25 A | 45 A |
| Charging/buffer/load current, regulated (U1, U2 phase) | OA – 25 A/ OA – 30A | _ A – 45 A | |
| Minimum battery voltage for start of charging | OV | OV | |
| Maximum pre-charge current of a deep I. discharged battery (<8 V) | 12.5 A/ 15 A | 22.5 A | 12.5 A |
| Reset voltage (U2 to Ul, 30 s) | 12.75 V | 12.75 V | 12.75 V |
| Limitation of charging volta ;c | 15 V | 15 V | 15 V |
| External over-voltage cutoff (20 s) | 15.5 V | 15.5 V | 15.5 V |
| Reverse current from battery, OFF | 0.000 A | 0. 000 A | 0.000 A |
| Voltage ripple | < 50 mV rms | < 50 mV rms | < 50 mV rms |
| General technical data | |||
| Protection class/ type | 1/11)21 | ||
| Ambient temperature for operatic. | -20 °C to +45 °C | ||
| Ambient humidity | 5 95 %, non-condensing | ||
| Dimensions (W x D x H) | 270 x 223 x 74 mm (fig. 17, page 11) | ||
| Weight | 2.75 kg | 2.8 kg | 2.95kg |
| Inspection/certification | |||
| YOUR LOCAL DEALER dometic.com/dealer | YOUR LOCAL SUPPORT dometic.com/contact | YOUR LOCAL SALES OFFICE dometic.com/sales-offices |
A complete list of Dometic companies,
which comprise the Dometic Group, can be found in the public filings of:
DOMETIC GROUP AB Hemvarnsgatan 15 SE-17154 Solna Sweden
4445103799
2022-07-13

















