
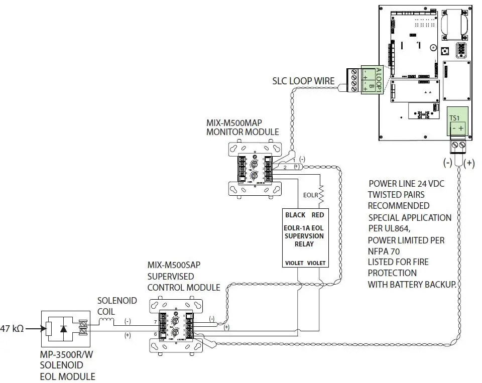
Mircom MP-3500W-R Solenoid EOL Module

Parts List
- Qty 1… MP-3500W/R Solenoid EOL Module (white or red)
- Qty 2… #6-32 1” screw
Wiring
WARNING!
DISCONNECT POWER TO ALL RELEASING
DEVICES BEFORE SERVICING THE PANEL

ALL WIRING SHOWN IS SUPERVISED AND POWER LIMITED
Mounting
Mount the MP-3500W/R to a 4” gang box with the 2 included screws.


















