FLOW-6D 12V/24V, FLOW-6B 12V Liquid Heaters
User Manual
Manufacturer: AUTOTERM LLC
Paleju 72, Marupe, Latvia, LV-2167
Warranty Department [email protected]
Technical Support [email protected]
www.autoterm.com
Introduction
The present user manual gives information on set-up, operation and servicing of Flow 6D starting pre-heaters (hereinafter referred to as– pre-heater). Which are used for start heating and warming – up of vehicles with liquid cooling system and engine displacement up to 3.5L at ambient temperature as low as minus 45°С.
The pre-heater functions are following:
- Fail-safe starting engine operation under low ambient temperature conditions.
- Additional heating of engine and passenger compartment with the engine running under hard frost conditions.
- Heating of passenger compartment and windshield at low subzero temperatures (to remove icing) with the engine inactive.
- Use pump to improve coolant circulation under not running pre-heater.
These functions are supported by the pre-heater basic hardware. Its modular structure makes it feasible to connect with devices supporting the other functions, thus improving functionality of the basic hardware purchased and installed initially.
It is possible to operate by the heater with control panel with timer (hereinafter referred to as– control panel) installed on the car dashboard or remotely with the help of GSM-modem by mobile phone. If there’s alarm signaling system installed in the car one can use its free channel to operate by the pre-heater.
The pre-heater’s activation time is possible to be programmed by control panel.
While operating the control panel indicates the temperature of the cooling system and operation mode of the pre-heater. In case of failure the code of malfunction is indicated.
Minor changes performed on the heater structure by the manufacturer may not be documented in this operation manual.
Technical data and characteristics
Performance specifications are quoted in table 2.1 Performance specifications are given with 10% tolerance at 20ºС ambient temperature and nominal voltage.
Table 2.1
| Characteristic | Model | ||
| Flow-6D I 2V | Flow-6B I 2V | Flow-6D 24V | |
| Heat productivity, kW | 51-0.5 | ||
| Nominal supply voltage. V | 12 | 24 | |
| Acceptable deviation. V | 10…16 | 20…30 | |
| Fuel | Diesel fuel in accordance with EN590 | Petrol fuel in accordance with EN228 | Diesel fuel in accordance with EN590 |
| Fuel consumption. L / h | 0.6 | 0.7 | 0.6 |
| Heat transfer agent | antifreeze agent | ||
| Power consumption with the pump, max, W | 45 | 61 | |
| Power consumption on start mode (100 sec).W | 65 | 76 | |
| Maximum liquid heating temperature. °C | +95 | ||
| Cabin heater fan switching at liquid temperature. °C | +40 | ||
| Start mode | Manual or automatic | ||
| Max. work altitude (MASL) | 1000 m | ||
| Time of one working cycle. min | 20…120 | ||
| Pre-heater mass in full configuration. kg. max | 9 | ||
Safety measures
- The pre-heater and its components shall be installed only by authorized companies by reason of it complicated structure: there’s a combustion chamber (where fuel burns), a heat exchanger (which provides heat transfer to the cooling liquid),pump, fuel pump, air pump, control unit (which control and operate the work of the heater according to the program), heat sensors, control panel, etc.
- While installation or dismantling the pre-heater, safety measures specified for activities with car wiring harness and fuel supply line must be observed.
3.3. The pre-heater shall be used only for purposes described in the present user manual.
3.4. It is prohibited to lay the fuel pipe inside the passenger compartment or driver’s cab.
3.5. It is prohibited to use the pre-heater in case of leaky fuel system.
3.6. Vehicle with the pre-heater shall be equipped with a fire extinguisher.
3.7. To avoid possibility of poisoning with the toxic exhaust gas generated by the operating pre-heater, the exhaust pipe shall be set in a manner preventing discharge gas
ingress into the driver’s cab or its intake by the heat exchanger fan.
3.8. To avoid possibility of poisoning with the toxic exhaust gas generated by the operating pre-heater, it is prohibited to use the pre-heater in enclosed car parks having no ventilation (garage, workshop and etc.)
3.9. It is prohibited to use the pre-heater in areas, where highly inflammable vapors or ample quantity of dust may be generated or accumulated.
3.10. While fueling the truck the pre-heater shall be switched off .
3.11. It is prohibited to use battery master switch in the pre-heater electric circuit.
3.12. The pre-heater shall be disconnected from the accumulator battery when welding is performed with the vehicle.
3.13. It is prohibited to connect the pre-heater to the electric circuit of the vehicle with the engine running and accumulator battery missing.
3.14. It is prohibited to switch off pre-heater power before ending of the purging cycle.
3.15. It is prohibited to connect and disconnect the pre-heater plug when the pre- heater power is on.
3.16. It is recommended to restart the pre-heater after it’s switching off not earlier than in 5-10 sec.
3.17. In case of malfunctioning, the pre-heater shall be repaired in service centers, authorized by the manufacturer.
Description of pre-heater set-up and operation.
The pre-heater runs independently of the vehicle engine.
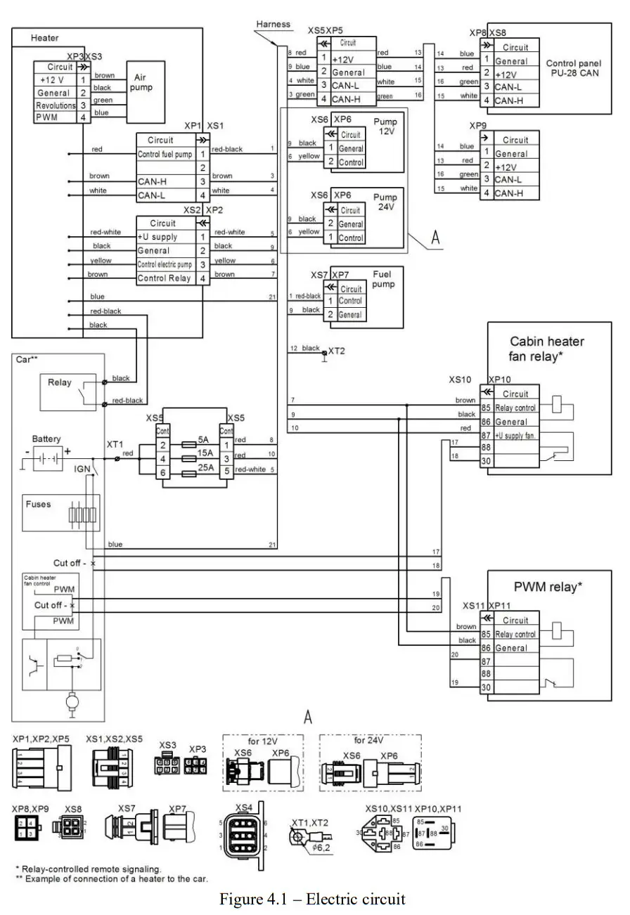
The pre-heater is fueled and powered from the vehicle. The pre-heater electric circuit is given in figure 4.1.
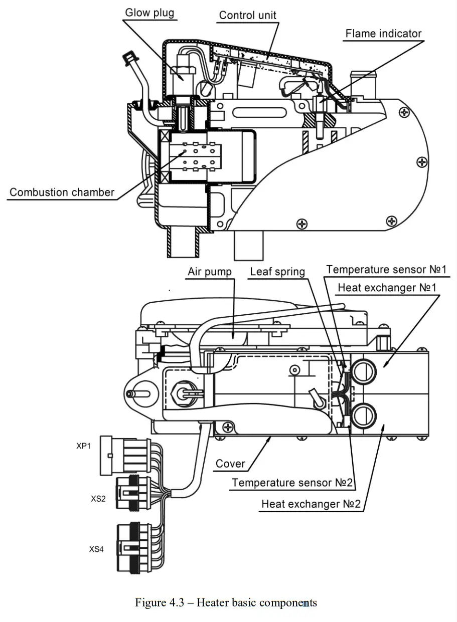
The pre-heater is an autonomous heater (main components are given in figure 4.2), consisting of:
- heater (main components are given in figure 4.3);
- fuel pump for fuel supply to the combustion chamber;
- pump for forced circulation of cooling system liquid through the heatexchanging system of the pre-heater and the vehicle;
- control unit (part of the heater) to coordinate operation of the above-mentioned systems;
- pre-heater control panel with timer for manual or automatic start-up of the preheater;
- wiring harness for connection of the pre-heater components to the vehicle systems.
The pre-heater is integrated to vehicle cooling system with its hydraulic frame so that the pre-heater’s pump provides circulation of cooling liquid in the engine and in the heater.
The pre-heater principle of operation is based on warming-up of liquid in the engine cooling system with its further forced pumping through the heat-exchanging system of the heater.
Gases generated because of the fuel blend combustion in the combustion chamber warm up the liquid. The heat is transmitted through the walls of the heat exchanger to the
coolant fluid, which in its turn is pumped through the cooling system of the vehicle engine.
When the pre-heater is switched on, first of all there is performed functional test of its components, such as: flame detector, heat and overheating sensors, pump, air pump
motor, glow plugs, fuel pump and corresponding electric circuits. In case of nonfailed status, there starts ignition. Simultaneously the pump is also activated.
In conformity with the preset program there is performed preliminary purging of the combustion chamber and glow plug warming-up to the desired temperature. Then,
there starts fuel and air supply and combustion process is initiated in the combustion chamber. The flame detector controls combustion of the fuel blend in the combustion
chamber. Hot gasses heat the walls of the heat-exchanger, which warm up the liquid in the engine cooling system.
The control unit controls temperature of the coolant fluid by two sensors. The sensors are installed close to inlet and outlet nozzles of the heat exchanger. The control
unit sets operation mode for the pre-heater according to the temperatures: «full duty», «low duty» or «cooling down».
The full duty mode means that the coolant fluid is heated up to 75°C and in case of overheating the pre-heater is switched to the low duty mode. The low duty mode means
that the coolant fluid is heated up to 85°C; in case of overheating more than 85°C the preheater is switched to the cooling-down mode. The cooling-down mode means that
combustion stops, the pump continues its operation.
When the temperature of the coolant fluid gets below 70°С and the total cycle hasn’t finished yet the pre-heater automatically starts the full duty mode.
If the heater is connected to a heater of cabin, when the coolant fluid has been heated more than 40°С the pre-heater control unit switches on the relay and the passenger
cabin heater fan is activated (in case it is switched on).The air in the cabin is warming up and provides comfortable conditions for the passengers. When the coolant fluid
temperature goes down 30°С the control unit switches the fan relay off.
Duration of the total cycle is 20 … 120 minutes. Moreover, there is a possibility to switch of the pre-heater any time during the cycle off.
When the pre-heater is switched off manually or automatically, as preset time expires, the fuel supply stops and the combustion chamber is purged with air.
Peculiarities of the pre-heater automatic control under emergency conditions and in contingencies:
- If the pre-heater has not started for some reason, the starting process will be repeated automatically. After two successive failed starts the pre-heater is switched off;
- If combustion stops when the pre-heater operates, the pre-heater will be restarted automatically. After 3 failed starts heater will stops its operation;
- in case of the pre-heater overheating (ex.: abnormal coolant fluid circulation, air block, etc.) heater will go to cooling mode. After cooling heater will be automatically restarted;
- in case of voltage drop below 10V or voltage surge above 16V, the preheater switches off;
- In case of the pre- heater emergency shutdown, a corresponding code of malfunction is indicated on the control panel. Refer to table 6.1 of malfunctions codes.
Attention!
- It is allowable to operate the pre-heater with the passenger compartment heater control valve open to full;
- With the purpose of energy saving the heater cabin fan speed switch shall be in «Minimal ventilation» position;
- It is advisable to direct the passenger compartment heater steam line in the face and not on the windshield. (To prevent damage, at very low temperatures, do not set the direction of air flow “on the glass”).



Pre-heater control unit
Control unit operates the activity of the pre- heater according to the set program and fulfill the following functions:
a) pre-heater starting and switching off according to control panel or other control devices(modem, remote control device) command;
b) pre-heater basic components diagnostics before and during the operation;
c) pre-heater work control and choice of the pre-heater operation mode according to the temperature of the cooling liquid;
d) connection with control devices, identification of active device and information transmission;
e) pre-heater switching off:
- when operation cycle is finished;
- when one of the controlled basic components failed;
- when the parameters are out off tolerable limits (temperature, voltage, flame blow off in combustion chamber).
Control panel

PU-28 control panel is designed to:
- starting and stopping of the device in manual mode;
- starting and stopping of the pump in manual mode;
- view fluid temperature;
- supply voltage viewing;
- indication of the current time and time in operation;
- setting the liquid temperature heating limit;
- activation of the device start timer;
- indication of the control panel and heater software version;
- activation of the finish heater mode;
- indication of a malfunction code in case of failure in the product operation.
The structure of the control panel and its operation is described in the manual for the panel.
Installation specification for pre-heater and its assemblies
7.1General.
7.1.1. Heater shall be located lower the radiator overflow tank. Motor pump shall be installed lower the radiator overflow tank and the heater.
7.1.2. Check up fluid flow in the heater and the engine cooling system; be sure it has the same direction.
7.1.3. Remove air blocks from the engine cooling system and the heater on completion of the heater installation. All the pipe junctions shall be leak-proof.
7.1.4. Fuel and coolant pipes shall be assembled in a way avoiding their contact with hot or vibrating components of the vehicle.
7.1.5. It is unacceptable to operate the pre-heater with the cooling fluid frozen.
7.1.6. On completion of any activities with the cooling system (repair work, cooling fluid replacement) it shall be purged to remove air blocks as per.
7.2.Installation of the pre-heater units and assemblies.
7.2.1 Installation of the heater.
The heater shall be installed under the bonnet as shown in figure 7.1. It is unacceptable to install the heater on the engine, passenger compartment or cab of a vehicle.
The heater shall be installed with account of its operating positions (figure 7.2, items 7.1.1 and 7.1.2).

| 1. Heater; 2. Parking heater; 3. Control panel; 4. Motor pump; 5. Exhaust pipe; | 6. Fuel pipe; 7. Fuel pump; 8. Fuel intake; 9. Air intake; 10. Fuel tank |
Attention! In case the heater is tilted to be installed on the vehicle, fluid hoses shall be connected to the heater adapters as shown in figure 7.2.
7.2.2. Installation of the air intake.
The air intake shall be installed on heater as per figure 7.3. Air for combustion shall not be absorbed from the passenger compartment, vehicle cab or baggage compartment. Suction inlet of the intake shall be assembled so that to avoid its blockage, ingress of snow and free drain of water. It is prohibited to locate the inlet against the incident flow. On suction inlet of the intake vent install an air filter. The filter needs to be installed in «clear area», in vertical situation, for the purpose of an exception of a direct hit of water.
If the heater is installed behind the bumper of car, its air intake must be set to «clear area». In this case? do not use heater with a short air intake (figure 7.4)!
It is necessary to watch purity of a filtering surface. At its pollution the capacity of the filter decreases and increases probability of failure of a flame. It is recommended through 10-20 thousand km. run (depending on degree of a dust content of roads provided that the heater works during car movement) to examine and to make a filter cleaning. For cleaning it is desirable to use a brush with a soft bristle to avoid damages of a surface of the filter. At big extent of pollution or at damage of the filtering surface, filter needs to be replaced.
7.2.3. Installation of the motor pump.
Installation of pumps made in any convenient position.. The motor pump shall be located in conformity with recommendations given in items 7.1.1 and 7.1.2. Location pump nozzles should not promote the formation of an airlock inside her pumping unit.
7.2.4. Installation of pipes.
Pipes shall be connected with the pump, pre-heater and engine as shown in figures 4.2, 7.1 and 7.2. Pipes shall not run in vicinity with the exhaust pipe and engine components having high temperature and checked for leaks. Pipe junctions with other components shall be fixed with clamps. Pipe interconnections shall be fixed with fittings.
7.2.5. Installation of the exhaust pipe.
Note that exhaust pipe has high operating temperature. The exhaust pipe (flexible corrugated metal hose) shall be cut to necessary length. For protection of knots of the car
against high temperature, on an exhaust pipe it is necessary to dress thermal insulation.
The exhaust pipe is fixed with clamps slightly downwards in the direction of exhaust. Round holes 3mm in diameter for moisture drain shall be made at bends in the lowest points of the pipe.
To optimize connection with the heater fitting and to guarantee better sealing there shall be done a lengthwise cut (about 15mm long) on the exhaust pipe. The cut shall be the same length as the male fitting. The exhaust pipe shall not transcend the overall dimensions of the vehicle. Discharge gas shall be vented out.
The exhaust outlet and combustion air inlet shall be located so that to avoid resuction of discharge gas. As well, there shall be taken measures to avoid penetration of this gas inside the passenger compartment or their absorption by the fan. Moreover discharge gas shall not affect operation of the other assemblies of the vehicle.
The exhaust outlet shall be assembled so that to avoid its blockage, ingress of snow and free drain of water. It is prohibited to locate the outlet against the incident flow.
7.2.6. Installation of the fuel supply system of the pre-heater.
Failure to comply with the following recommendation will cause to malfunctions.
7.2.6.1 Fuel supply of the pre-heater with fuel intake.
Fuel intake is installed to the fuel tank according to figure 7.5.
a) before installation the fuel tank must make a hole Ø9mm,
b) installation of fuel supply line from fuel intake to the pre-heater is performed according to figure 7.6 The fuel pipe from the fuel pump to the heater shall have no slope.
Attention!!! While making the inlet in the fuel tank follow safety measures for activities with tanks which were used for inflammable and explosive fuel.
Fuel supply intake- Washer
- Gasket
- Washer 8
- Nut M8

1-fuel tank of the vehicle 4-connecting pipe(fuel supply line) 2- fuel supply line of the vehicle 5-fuel pump 3-fuel supply intake 6-rubber or polyurethane sleeve Figure 7.6 – Installation diagram for the pre-heater connection with fuel supply line Installation of the fuel filter before the fuel pump is allowed.
7.2.7. Fuel pump and fuel pipe installation.
It is advisable to install fuel pump close to the fuel tank and lower fuel level in the tank.
Spatial position of the fuel pump must match figure 7.7, i.e., ± 5 ° from the horizontal (for fuel pump Thomas Magnete, ТН9 and ТН11).
While assembling, the fuel pipe shall be cut only with a sharp knife, as shown in figure 7.8. Cutoffs shall be free of restriction, dents and burrs.
Figure 7.8 – Cutting the fuel pipe before installation
Attention! The fuel pipe and fuel pump shall be protected from heating. It is prohibited to install them close to the exhaust pipe or on the engine.
7.2.8. Assembling of the pre-heater electrical harness.
The pre-heater wiring harness shall be connected as shown the pre-heater electric circuit in figure 4.1.
While assembling note that heating, deformation or displacement of harness during operation of the vehicle is unacceptable. The wiring harness shall be fixed with plastic clamps to the components of the vehicle.
If it is necessary to truncate length of a harness of the fuel pump, it is allowed to cut out unnecessary part from the middle of a harness. The junction needs to be closed with a thermoshrinkable tube.
Attention! We recommend to cut a harness at distance of 500-700 mm from any of end of a corrugated tube of a harness and to cut out unnecessary part. To take wires, to remove isolation from the ends of all connected wires, to put a thermoshrinkable tube on wires and to twist wires of identical color. To establish a thermoshrinkable tube so that twist appeared in the middle of a tube. To heat a tube and to set it on wires. To put wires in a corrugated tube and to close a junction with an insulating tape.
Attention! Assembling shall be performed with the safety devices dismantled.
7.2.9. Installation of the control panel.
Control Panel is installed in cabin or passengers compartment on the dashboard or any other comfortable for the driver place. Mounting panel is made using double-faced tape or holder:
- The control Panel is fixed with double-faced adhesive tape, which is stuck to the back side of the Control Panel. You can take out wires of the unit from its back or side
cover. It is necessary to degrease the surface used for Control panel installation. Take off protective film from the tape and install the Control Panel on the prepared surface. - The holder, it is necessary to fix two self-tapping screws a holder on the dashboard, and then to latch in it the control panel. The wire lead from the body panel is carried out through the back cover. Remote mounted in the holder until it clicks.
Post-installation checkout
8.1 On completion of the assembling, the following shall be guaranteed:
- leak profess of the fluid system;
- leak profess of the fuel pipes;
- security of the pre-heater electric contacts attachment
8.2 Open the heater control valve to full. Remove air blocks from the fluid system of the vehicle following instructions of the vehicle manufacturer. Put vehicle heater fan switch in position of min rotation.
8.3 Install 15A, 25A and 5A safety devices, control panel indicator will light.
8.4 Set type of a pomp established on your heater (point 6.1.3). Set heater operating time (point 6.1.4). If operating time isn’t established, the heater will work 40 min.
8.5 To perform the pre-heater operation test press the middle button. The preheater shall start combustion;
the information will be on the indicator.
Further on the preheater operates automatically.
Upon termination of established operating time, the heater will be switched off automatically. To stop the work of the pre-heater is possible at any time pressing the middle knob on the control panel.
8.6 While performing the pre-heater operation test it is necessary to check if the heater fan switches on. Normally the fan is activated when the cooling liquid reaches
40°С.
8.7 If the pre-heater demonstrates faulty operation during its switching on or in the process of operation, malfunction code will be on the indicator.
8.8 The productivity of the fuel pump is not big, that’s why when the fuel line is empty, and it is filled slowly. The pre-heater performs 2 tries of ignition and if there’s no fuel yet stops the activity with malfunction code 13- «No more tries to start the preheaterare left».
There’s need to switch on the pre-heater until the fuel fills the fuel pipe line.
Movement of fuel into a transparent tube of pipeline can be observed visually.
Besides, filling of working volume of the pump with fuel is supervised aurally: at existence of the fuel into the fuel pump the sound accompanying movement of a plunzher
is considerably muffled, without the fuel into fuel pump ringing clicks are audible.
8.9 Start the pre-heater with the vehicle engine on and verify its operation.
Attention!
- Note that cooling fluid temperature readings displayed on the vehicle instrument panel and control panel may vary, as temperature is measured in different parts of the fluid system of the vehicle.
- After checking of operability of a heater, it is necessary to double-check tightness of a fuel system and liquid system and tighten clamps, if necessary.
Recommendations
9.1 If the pre-heater won’t start after switching on, check the fuel in the tank, the battery charged, connectors and fuse 25A are in order.
9.2 If control panel won’t work (indicator is not lighting) check fuse 5A
9.3 If vehicle heater fan won’t start automatically when the temperature of cooling liquid over 40ºC, check fuse 15A and relay.
9.4 If the pre-heater won’t switch on and switch off or after purging of the combustion chamber the fan motor will rotate, it is a sign of system failure. For elimination of this failure it is necessary take off fuses 5A, 25A on 10 second and then install them again in sequence first 25A, then 5A.
9.5 All the rest malfunctions are identified automatically and are shown on the control panel indicator.
9.6 See the list of malfunctions and troubleshooting in the table 6.1 of the present manual.
9.7 In case of malfunction while operation except those described in item 9.1,
9.2, and 9.3. Consult with repair centers.
9.8 To ensure consistent performance, the heater should be switched on for up to 5-10 minutes each month throughout the year (warm seasons included). This procedure is necessary to remove sticky film deposited on moving parts of the fuel pump. Ignoring this operation may cause the pre-heater failure.
9.9 Safe performance of the pre-heater depends on the fuel that shall correspond to the season of the year and ambient temperature.
9.10 An untimely switch to a winter type of fuel may cause a paraffin blockage in the fuel inlet tube filter (if applicable) located in the fuel tank and in the fuel supply pump filter, which may prevent the heater from starting or cause it to stall in midoperation.
To fix breakdowns, proceed to the following steps:
a) change the fuel in the fuel tank as according to the ambient temperature,
b) If the heater does not operate properly once the fuel was changed according to the temperature , check the fuel supply pump filter as follows:
- remove the fuel supply pump from the vehicle; using a wrench (F/A 17), fix the pump in place, unscrew the pipe stub and remove the filter (figure 9.1). Do not fix the pump in place using surfaces other than Surface A when removing and installing the pipe stub,
- rinse the filter in gasoline and blast it with compressed air,
- install the filter into the fuel supply pump; use sealant when installing the pipe stub,
- install the fuel supply pump and check if the heater works.
9.11 Use engine oil, cooling fluid that correspond to the season of the year and ambient temperature.
9.12 Check the battery charge level on a regular basis.
9.13 It is necessary to check a fuel and liquid systems regarding leaks regularly.
9.14 While long storage of the vehicle it is recommended to switch off the heater from the vehicle battery to avoid its discharging (current consumption in non operation mode 30-40 mA).
Transportation and storage
10.1 The pre-heaters are safe for transportation and may be transported with any vehicles, including air and rail transport, provided that the:
- storage conditions: – indoor only;
- relative humidity no more 75% at 15°C, 98% at 25°C;
- storage temperature from -50°C to +40°C;
- transportation of products is not allowed on open platforms.
10.2 The period of storage heaters in packing of manufacturer order of 24 months.
Warranty
The heater warranty terms expire when one of the following is reached:
24 months from the date of purchase;
heater operation reached for all air heaters – 2000 working hours;
heater operation reached for all liquid heaters – 1000 working hours.
The warranty does not apply to defects resulting from:
improper installation, which is not in accordance with valid, supplied installation instructions or approved original equipment manufacturer (OEM) applications.
force majeure: lightning strike, fire, flood, voltage fluctuations, accident; transport damages;
usage, storage and transportation conditions have not been met;
if the repair, adjustment or installation of the heater has been conducted by organizations not authorized by AUTOTERM;
the independent repair or use of spare parts not approved by original manufacturer;
use of wrong voltage;
failure of the heater due to combustion chamber impurity.
While warranty is provided to the “original end-user”, it is to be administered and serviced through an authorized AUTOTERM dealer in accordance with the heaters
warranty terms. All AUTOTERM certified services are listed on the www.autoterm.com/warrantywebsite.
Normal wear of serviceable parts: (filters, gaskets, glow plug screens and fuses are not covered by warranty).
For full warranty terms visit www.autoterm.com/warranty.




Fuel supply intake

















