
User’s Guide
SWRU382–November 2014
WL1837MODCOM8I WLAN MIMO and Bluetooth® Module
Evaluation Board for TI Sitara™ Platform
The WL1837MODCOM8I is a Wi-Fi® dual-band, Bluetooth, and BLE module evaluation board (EVB) with the TI WL1837 module (WL1837MOD). The WL1837MOD is a certified WiLink™ 8 module from TI that offers a high throughput and extended range along with Wi-Fi and Bluetooth coexistence in a power-optimized design. The WL1837MOD offers A 2.4- and 5-GHz module solution with two antennas supporting industrial temperature grade. The module is FCC, IC, ETSI/CE, and TELEC certified for AP (with DFS support) and client. TI offers drivers for high-level operating systems, such as Linux®, Android™, WinCE, and RTOS.TI.
Sitara, WiLink are trademarks of Texas Instruments. Bluetooth is a registered trademark of Bluetooth SIG, Inc. Android is a trademark of Google, Inc.
Linux is a registered trademark of Linus Torvalds. Wi-Fi is a registered trademark of Wi-Fi Alliance.
Overview
Figure 1 shows the WL1837MODCOM8I EVB.

1.1 General Features
The WL1837MODCOM8I EVB includes the following features:
- WLAN, Bluetooth, and BLE on a single module board
- 100-pin board card
- Dimensions: 76.0 mm (L) x 31.0 mm (W)
- WLAN 2.4- and 5-GHz SISO (20- and 40-MHz channels), 2.4-GHz MIMO (20-MHz channels)
- Support for BLE dual mode
- Seamless integration with TI Sitara and other application processors
- Design for the TI AM335X general-purpose evaluation module (EVM)
- WLAN and Bluetooth, BLE, and ANT cores that are software- and hardware compatible with prior WL127x, WL128x, and BL6450 offerings for a smooth migration to the device
- Shared host-controller-interface (HCI) transport for Bluetooth, BLE, and ANT using UART and SDIO for WLAN
- Wi-Fi and Bluetooth single-antenna coexistence
- Built-in chip antenna
- Optional U.FL RF connector for external antenna
- Direct connection to the battery using an external switched-mode power supply (SMPS) supporting 2.9- to 4.8-V operation
- VIO in the 1.8-V domain
1.2 Key Benefits
The WL1837MOD offers the following benefits:
- Reduces design overhead: Single WiLink 8 module scales across Wi-Fi and Bluetooth
- WLAN high throughput: 80 Mbps (TCP), 100 Mbps (UDP)
- Bluetooth 4.1 + BLE (Smart Ready)
- Wi-Fi and Bluetooth single-antenna coexistence
- Low power at 30% to 50% less than the previous generation
- Available as an easy-to-use FCC-, ETSI-, and Telec-certified module
- Lower manufacturing costs save board space and minimize RF expertise.
- AM335x Linux and Android reference platforms accelerate customer development and time to market.
1.3 Applications
The WL1837MODCOM8I device is designed for the following applications:
- Portable consumer devices
- Home electronics
- Home appliances and white goods
- Industrial and home automation
- Smart gateway and metering
- Video conferencing
- Video camera and security
Board Pin Assignment
Figure 2 shows the top view of the EVB.

Figure 3 shows the bottom view of the EVB.

2.1 Pin Description
Table 1 describes the board pins.
Table 1. Pin Description
| No. | Name | Type | Description |
| 1 | SLOW_CLK | I | Slow clock input option (default: NU) |
| 2 | GND | G | Ground |
| 3 | GND | G | Ground |
| 4 | WL_EN | I | WLAN enable |
| 5 | VBAT | P | 3.6-V typical voltage input |
| 6 | GND | G | Ground |
| 7 | VBAT | P | 3.6-V typical voltage input |
| 8 | VIO | P | VIO 1.8-V (I/O voltage) input |
| 9 | GND | G | Ground |
| 10 | N.C. | No connection | |
| 11 | WL_RS232_TX | O | WLAN tool RS232 output |
| 12 | N.C. | No connection | |
| 13 | WL_RS232_RX | I | WLAN tool RS232 input |
| 14 | N.C. | No connection | |
| 15 | WL_UART_DBG | O | WLAN Logger output |
| 16 | N.C. | No connection | |
| 17 | N.C. | No connection | |
| 18 | GND | G | Ground |
| 19 | GND | G | Ground |
| 20 | SDIO_CLK | I | WLAN SDIO clock |
Table 1. Pin Description (continued)
| No. | Name | Type | Description |
| 21 | N.C. | No connection | |
| 22 | GND | G | Ground |
| 23 | N.C. | No connection | |
| 24 | SDIO_CMD | I/O | WLAN SDIO command |
| 25 | N.C. | No connection | |
| 26 | SDIO_D0 | I/O | WLAN SDIO data bit 0 |
| 27 | N.C. | No connection | |
| 28 | SDIO_D1 | I/O | WLAN SDIO data bit 1 |
| 29 | N.C. | No connection | |
| 30 | SDIO_D2 | I/O | WLAN SDIO data bit 2 |
| 31 | N.C. | No connection | |
| 32 | SDIO_D3 | I/O | WLAN SDIO data bit 3 |
| 33 | N.C. | No connection | |
| 34 | WLAN_IRQ | O | WLAN SDIO interrupts out |
| 35 | N.C. | No connection | |
| 36 | N.C. | No connection | |
| 37 | GND | G | Ground |
| 38 | N.C. | No connection | |
| 39 | N.C. | No connection | |
| 40 | N.C. | No connection | |
| 41 | N.C. | No connection | |
| 42 | GND | G | Ground |
| 43 | N.C. | No connection | |
| 44 | N.C. | No connection | |
| 45 | N.C. | No connection | |
| 46 | N.C. | No connection | |
| 47 | GND | G | Ground |
| 48 | N.C. | No connection | |
| 49 | N.C. | No connection | |
| 50 | N.C. | No connection | |
| 51 | N.C. | No connection | |
| 52 | PCM_IF_CLK | I/O | Bluetooth PCM clock input or output |
| 53 | N.C. | No connection | |
| 54 | PCM_IF_FSYNC | I/O | Bluetooth PCM frame sync input or output |
| 55 | N.C. | No connection | |
| 56 | PCM_IF_DIN | I | Bluetooth PCM data input |
| 57 | N.C. | No connection | |
| 58 | PCM_IF_DOUT | O | Bluetooth PCM data output |
| 59 | N.C. | No connection | |
| 60 | GND | G | Ground |
| 61 | N.C. | No connection | |
| 62 | N.C. | No connection | |
| 63 | GND | G | Ground |
| 64 | GND | G | Ground |
| 65 | N.C. | No connection | |
| 66 | BT_UART_IF_TX | O | Bluetooth HCI UART transmit output |
| 67 | N.C. | No connection |
| No. | Name | Type | Description |
| 68 | BT_UART_IF_RX | I | Bluetooth HCI UART receive input |
| 69 | N.C. | No connection | |
| 70 | BT_UART_IF_CTS | I | Bluetooth HCI UART Clear-to-Send input |
| 71 | N.C. | No connection | |
| 72 | BT_UART_IF_RTS | O | Bluetooth HCI UART Request-to-Send output |
| 73 | N.C. | No connection | |
| 74 | RESERVED1 | O | Reserved |
| 75 | N.C. | No connection | |
| 76 | BT_UART_DEBUG | O | Bluetooth Logger UART output |
| 77 | GND | G | Ground |
| 78 | GPIO9 | I/O | General-purpose I/O |
| 79 | N.C. | No connection | |
| 80 | N.C. | No connection | |
| 81 | N.C. | No connection | |
| 82 | N.C. | No connection | |
| 83 | GND | G | Ground |
| 84 | N.C. | No connection | |
| 85 | N.C. | No connection | |
| 86 | N.C. | No connection | |
| 87 | GND | G | Ground |
| 88 | N.C. | No connection | |
| 89 | BT_EN | I | Bluetooth enable |
| 90 | N.C. | No connection | |
| 91 | N.C. | No connection | |
| 92 | GND | G | Ground |
| 93 | RESERVED2 | I | Reserved |
| 94 | N.C. | No connection | |
| 95 | GND | G | Ground |
| 96 | GPIO11 | I/O | General-purpose I/O |
| 97 | GND | G | Ground |
| 98 | GPIO12 | I/O | General-purpose I/O |
| 99 | TCXO_CLK_COM | Option to supply 26 MHz externally | |
| 100 | GPIO10 | I/O | General-purpose I/O |
2.2 Jumper Connections
The WL1837MODCOM8I EVB includes the following jumper connections:
- J1: Jumper connector for VIO power input
- J3: Jumper connector for VBAT power input
- J5: RF connector for 2.4- and 5-GHz WLAN and Bluetooth
- J6: Second RF connector for 2.4-GHz WLAN
Electrical Characteristics
For electrical characteristics, see the WL18xxMOD WiLink™ Single-Band Combo Module – Wi-Fi®,
Bluetooth®, and Bluetooth Low Energy (BLE) Data Sheet (SWRS170).
Antenna Characteristics
4.1 VSWR
Figure 4 shows the antenna VSWR characteristics.

4.2 Efficiency
Figure 5 shows the antenna efficiency.

4.3 Radio Pattern
For information on the antenna radio pattern and other related information, see
productfinder.pulseeng.com/product/W3006.
Circuit Design
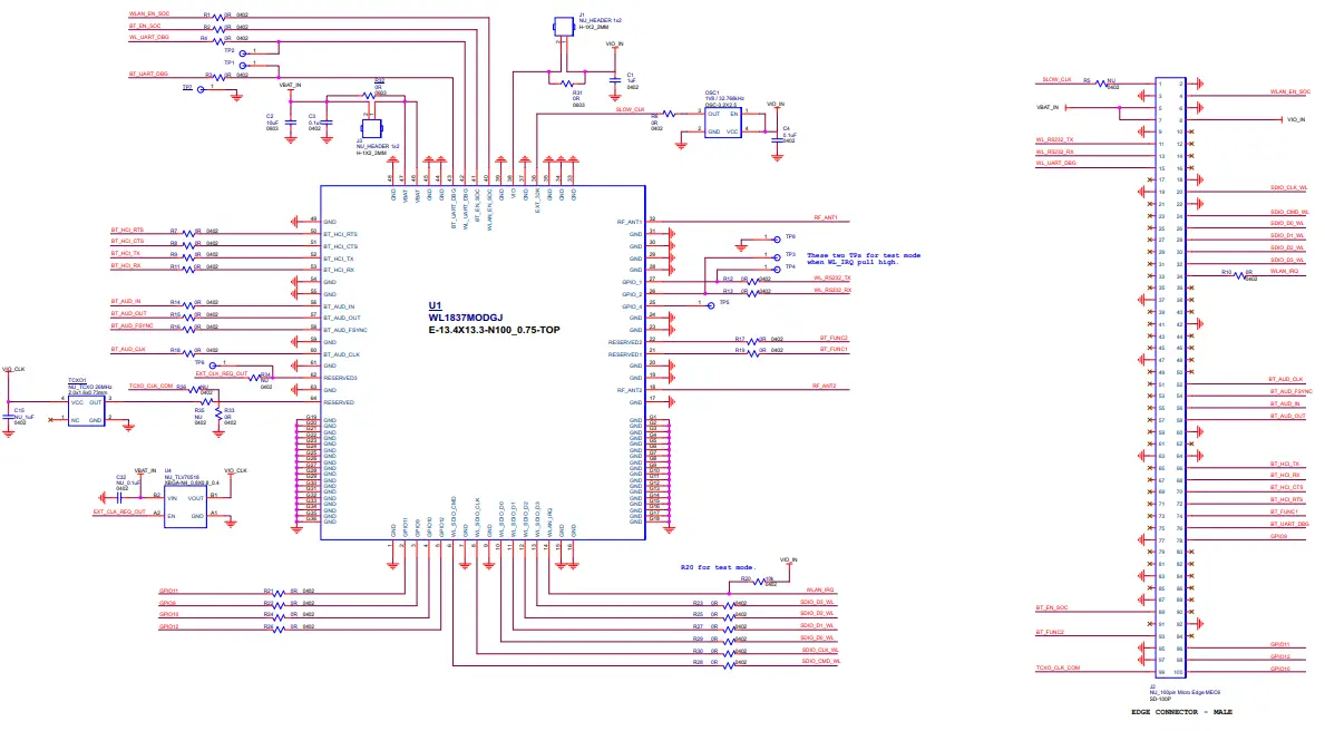
5.1 EVB Reference Schematics
Figure 6 shows the reference schematics for the EVB.


5.2 Bill of Materials (BOM)
Table 2 lists the BOM for the EVB.
Table 2. BOM
| Item | Description | Part Number | Package | Reference | Qty | Mfr |
| 1 | TI WL1837 Wi-Fi / Bluetooth module | WL1837MODGI | 13.4 mm x 13.3 mm x 2.0 mm | U1 | 1 | Jorjin |
| 2 | XOSC 3225 / 32.768KHZ / 1.8 V /±50 ppm | 7XZ3200005 | 3.2 mm × 2.5 mm × 1.0 mm | OSC1 | 1 | TXC |
| 3 | Antenna / Chip / 2.4 and 5 GHz | W3006 | 10.0 mm × 3.2 mm × 1.5 mm | ANT1, ANT2 | 2 | Pulse |
| 4 | Mini RF header receptacle | U.FL-R-SMT-1(10) | 3.0 mm × 2.6 mm × 1.25 mm | J5, J6 | 2 | Hirose |
| 5 | Inductor 0402 / 1.3 nH / ±0.1 nH / SMD | LQP15MN1N3B02 | 0402 | L1 | 1 | Murata |
| 6 | Inductor 0402 / 1.8 nH / ±0.1 nH / SMD | LQP15MN1N8B02 | 0402 | L3 | 1 | Murata |
| 7 | Inductor 0402 / 2.2 nH / ±0.1 nH / SMD | LQP15MN2N2B02 | 0402 | L4 | 1 | Murata |
| 8 | Capacitor 0402 / 1 pF / 50 V / C0G / ±0.1 pF | GJM1555C1H1R0BB01 | 0402 | C13 | 1 | Murata |
| 9 | Capacitor 0402 / 2.4 pF / 50 V / C0G / ±0.1 pF | GJM1555C1H2R4BB01 | 0402 | C14 | 1 | Murata |
| 10 | Capacitor 0402 / 0.1 µF / 10 V / X7R / ±10% | 0402B104K100CT | 0402 | C3, C4 | 2 | Walsin |
| 11 | Capacitor 0402 / 1 µF / 6.3 V / X5R / ±10% / HF | GRM155R60J105KE19D | 0402 | C1 | 1 | Murata |
| 12 | Capacitor 0603 / 10 µF / 6.3 V / X5R / ±20% | C1608X5R0J106M | 0603 | C2 | 1 | TDK |
| 13 | Resistor 0402 / 0R / ±5% | WR04X000 PTL | 0402 | R1 to R4, R6 to R19, R21 to R30, R33, C5, C6(1) | 31 | Walsin |
| 14 | Resistor 0402 / 10K / ±5% | WR04X103 JTL | 0402 | R20 | 1 | Walsin |
| 15 | Resistor 0603 / 0R / ±5% | WR06X000 PTL | 0603 | R31, R32 | 2 | Walsin |
| 16 | PCB WG7837TEC8B D02 / Layer 4 / FR4 (4 pcs / PNL) | 76.0 mm × 31.0 mm × 1.6 mm | 1 |
(¹) C5 and C6 are mounted with a 0-Ω resistor by default.
Layout Guidelines
6.1 Board Layout
Figure 7 through Figure 10 show the four layers of the WL1837MODCOM8I EVB.


Figure 11 and Figure 12 show instances of good layout practices.

Table 3 describes the guidelines corresponding to the reference numbers in Figure 11 and Figure 12.
Table 3. Module Layout Guidelines
| Reference | Guideline Description |
| 1 | Keep the proximity of ground vias close to the pad. |
| 2 | Do not run signal traces underneath the module on the layer where the module is mounted. |
| 3 | Have a complete ground pour in layer 2 for thermal dissipation. |
| 4 | Ensure a solid ground plane and ground vias under the module for a stable system and thermal dissipation. |
| 5 | Increase ground pours in the first layer and have all traces from the first layer on the inner layers, if possible. |
| 6 | Signal traces can be run on a third layer under the solid ground layer and the module mounting layer. |
Figure 13 shows the trace design for the PCB. TI recommends using a 50-Ω impedance match on the trace to the antenna and 50-Ω traces for the PCB layout.

Figure 14 shows layer 1 with the trace to the antenna over ground layer 2.

Figure 15 and Figure 16 show instances of good layout practices for the antenna and RF trace routing.
NOTE: RF traces must be as short as possible. The antenna, RF traces, and modules must be on the edge of the PCB product. The proximity of the antenna to the enclosure and the enclosure material must also be considered.

Table 4 describes the guidelines corresponding to the reference numbers in Figure 15 and Figure 16.
Table 4. Antenna and RF Trace Routing Layout Guidelines
| Reference | Guideline Description |
| 1 | The RF trace antenna feed must be as short as possible beyond the ground reference. At this point, the trace starts to radiate. |
| 2 | RF trace bends must be gradual with an approximate maximum bend of 45 degrees with trace mitered. RF traces must not have sharp corners. |
| 3 | RF traces must have via stitching on the ground plane beside the RF trace on both sides. |
| 4 | RF traces must have constant impedance (microstrip transmission line). |
| 5 | For best results, the RF trace ground layer must be the ground layer immediately below the RF trace. The ground layer must be solid. |
| 6 | There must be no traces or ground under the antenna section. |
Figure 17 shows the MIMO antenna spacing. The distance between ANT1 and ANT2 must be greater than half the wavelength (62.5 mm at 2.4 GHz).

Follow these supply routing guidelines:
- For power supply routing, the power trace for VBAT must be at least 40-mil wide.
- The 1.8-V trace must be at least 18-mil wide.
- Make VBAT traces as wide as possible to ensure reduced inductance and trace resistance.
- If possible, shield VBAT traces with ground above, below, and beside the traces. Follow these digital-signal routing guidelines:
- Route SDIO signal traces (CLK, CMD, D0, D1, D2, and D3) in parallel to each other and as short as possible (less than 12 cm). In addition, each trace must be the same length. Ensure enough space between traces (greater than 1.5 times the trace width or ground) to ensure signal quality, especially for the SDIO_CLK trace. Remember to keep these traces away from the other digital or analog signal traces. TI recommends adding ground shielding around these buses.
- Digital clock signals (SDIO clock, PCM clock, and so on) are a source of the noise. Keep the traces of these signals as short as possible. Whenever possible, maintain clearance around these signals.
Ordering Information
| Part number: | WL1837MODCOM8I |
Revision History
| DATE | REVISION | NOTES |
| November 2014 | * | Initial draft |
IMPORTANT NOTICE
Texas Instruments Incorporated and its subsidiaries (TI) reserve the right to make corrections, enhancements, improvements, and other changes to its semiconductor products and services per JESD46, latest issue, and to discontinue any product or service per JESD48, latest issue. Buyers should obtain the latest relevant information before placing orders and should verify that such information is current and complete. All semiconductor products (also referred to herein as “components”) are sold subject to TI’s terms and conditions of sale supplied at the time of order acknowledgment.
TI warrants the performance of its components to the specifications applicable at the time of sale, in accordance with the warranty in TI’s terms and conditions of sale of semiconductor products. Testing and other quality control techniques are used to the extent TI deems necessary to support this warranty. Except where mandated by applicable law, testing of all parameters of each component is not necessarily performed.
TI assumes no liability for applications assistance or the design of Buyers’ products. Buyers are responsible for their products and applications using TI components. To minimize the risks associated with Buyers’ products and applications, Buyers should provide adequate design and operating safeguards.
TI does not warrant or represent that any license, either express or implied, is granted under any patent right, copyright, mask work right, or other intellectual property right relating to any combination, machine, or process in which TI components or services are used. Information published by TI regarding third-party products or services does not constitute a license to use such products or services or a warranty or endorsement thereof. Use of such information may require a license from a third party under the patents or other intellectual property of the third party, or a license from TI under the patents or other intellectual property of TI.
Reproduction of significant portions of TI information in TI data books or data sheets is permissible only if reproduction is without alteration and is accompanied by all associated warranties, conditions, limitations, and notices. TI is not responsible or liable for such altered documentation. Information from third parties may be subject to additional restrictions.
Resale of TI components or services with statements different from or beyond the parameters stated by TI for that component or service voids all express and any implied warranties for the associated TI component or service and is an unfair and deceptive business practice. TI is not responsible or liable for any such statements.
Buyer acknowledges and agrees that it is solely responsible for compliance with all legal, regulatory, and safety-related requirements concerning its products, and any use of TI components in its applications, notwithstanding any applications-related information or support that may be provided by TI. Buyer represents and agrees that it has all the necessary expertise to create and implement safeguards that anticipate dangerous consequences of failures, monitor failures and their consequences, lessen the likelihood of failures that might cause harm, and take appropriate remedial actions. Buyer will fully indemnify TI and its representatives against any damages arising out of the use of any TI components in safety-critical applications.
In some cases, TI components may be promoted specifically to facilitate safety-related applications. With such components, TI’s goal is to help enable customers to design and create their own end-product solutions that meet applicable functional safety standards and requirements. Nonetheless, such components are subject to these terms.
No TI components are authorized for use in FDA Class III (or similar life-critical medical equipment) unless authorized officers of the parties have executed a special agreement specifically governing such use.
Only those TI components which TI has specifically designated as military-grade or “enhanced plastic” are designed and intended for use in military/aerospace applications or environments. Buyer acknowledges and agrees that any military or aerospace use of TI components that have not been so designated is solely at the Buyer’s risk and that the Buyer is solely responsible for compliance with all legal and regulatory requirements in connection with such use.
TI has specifically designated certain components as meeting ISO/TS16949 requirements, mainly for automotive use. In any case of use of non-designated products, TI will not be responsible for any failure to meet ISO/TS16949.
| Products | ||
| Audio | www.ti.com/audio | |
| Amplifiers | amplifier.ti.com | |
| Data Converters | dataconverter.ti.com | |
| DLP® Products | www.dlp.com | |
| DSP | dsp.ti.com | |
| Clocks and Timers | www.ti.com/clocks | |
| Interface | interface.ti.com | |
| Logic | logic.ti.com | |
| Power Mgmt | power.ti.com | |
| Microcontrollers | microcontroller.ti.com | |
| RFID | www.ti-rfid.com | |
| OMAP Applications Processors | www.ti.com/omap | |
| Wireless Connectivity | www.ti.com/wirelessconnectivity | |
| Applications | |
| Automotive and Transportation | www.ti.com/automotive |
| Communications and Telecom | www.ti.com/communications |
| Computers and Peripherals | www.ti.com/computers |
| Consumer Electronics | www.ti.com/consumer-apps |
| Energy and Lighting | www.ti.com/energy |
| Industrial | www.ti.com/industrial |
| Medical | www.ti.com/medical |
| Security | www.ti.com/security |
| Space, Avionics, and Defense | www.ti.com/space-avionics-defense |
| Video and Imaging | www.ti.com/video |
| TI E2E Community | e2e.ti.com |
Mailing Address: Texas Instruments, Post Office Box 655303, Dallas, Texas 75265
Copyright © 2014, Texas Instruments Incorporated
Manual Information to the End User
The OEM integrator has to be aware not to provide information to the end user regarding how to install or remove this RF module in the user’s manual of the end product which integrates this module. The end user manual shall include all required regulatory information/warning as show in this manual.
Federal Communication Commission Interference Statement
This device complies with Part 15 of the FCC Rules. Operation is subject to the following two conditions: (1) This device may not cause harmful interference, and (2) this device must accept any interference received, including interference that may cause undesired operation. This equipment has been tested and found to comply with the limits for a Class B digital device, pursuant to Part 15 of the FCC Rules. These limits are designed to provide reasonable protection against harmful interference in a residential installation. This equipment generates, uses, and can radiate radio frequency energy and, if not installed and used in accordance with the instructions, may cause harmful interference to radio communications. However, there is no guarantee that interference will not occur in a particular installation. If this equipment does cause harmful interference to radio or television reception, which can be determined by turning the equipment off and on, the user is encouraged to try to correct the interference by one of the following measures:
- Reorient or relocate the receiving antenna.
- Increase the separation between the equipment and receiver.
- Connect the equipment into an outlet on a circuit different from that to which the receiver is connected.
- Consult the dealer or an experienced radio/TV technician for help.
- Any changes or modifications not expressly approved by the party responsible for compliance could void the user’s authority to operate this equipment.
- This transmitter must not be co-located or operating in conjunction with any other antenna or transmitter.
Industry Canada Statement
This device complies with Industry Canada license-exempt RSS standard(s). Operation is subject to the following two conditions:
(1) this device may not cause interference, and
(2) this device must accept any interference, including interference that may cause undesired operation of the device.
- CAN ICES-3(B)/ NMB-3(B)
- The device could automatically discontinue transmission in case of the absence of information to transmit or operational failure. Note that this is not intended to prohibit the transmission of control or signaling information or the use of repetitive codes where required by the technology.
- the device for operation in the band 5150–5250 MHz is only for indoor use to reduce the potential for harmful interference to co-channel mobile satellite systems;
- the maximum antenna gain permitted for devices in the bands 5250–5350 MHz and 5470–5725 MHz shall comply with the e.i.r.p. limit, and
- the maximum antenna gain permitted for devices in the band 5725–5825 MHz shall comply with the e.i.r.p. limits specified for point-to-point and non-point-to-point operation as appropriate.
In addition, high-power radars are allocated as primary users (i.e. priority users) of the bands 5250–5350 MHz and 5650–5850 MHz, and these radars could cause interference and/or damage to LE-LAN devices.
Radiation Exposure Statement
This equipment complies with FCC/IC radiation exposure limits set forth for an uncontrolled environment. This equipment should be installed and operated with a minimum distance 20 cm between the radiator & your body.
This device is intended only for OEM integrators under the following conditions:
(1) The antenna must be installed such that 20 cm is maintained between the antenna and users,
(2) The transmitter module may not be co-located with any other transmitter or antenna.
(3) This radio transmitter may only operate using an antenna of a type and maximum (or lesser) gain approved by Texas Instrument. Antenna types not included in the list, having a gain greater than the maximum gain indicated for that type, are strictly prohibited for use with this transmitter.
| Antenna Gain (dBi) @ 2.4GHz | Antenna Gain (dBi) @ 5GHz |
| 3.2 | 4.5 |
In the event that these conditions cannot be met (for example certain laptop configurations or co-location with another transmitter), then the FCC/IC authorization is no longer considered valid and the FCC ID/IC ID cannot be used on the final product. In these circumstances, the OEM integrator will be responsible for re-evaluating the end product (including the transmitter) and obtaining a separate FCC/IC authorization.
SWRU382– November 2014
WL1837MODCOM8I WLAN MIMO and Bluetooth® Module Evaluation Board for TI Sitara™ Platform
Submit Documentation Feedback
Copyright © 2014, Texas Instruments Incorporated
References
Amplifiers | TI.com
Data converters | TI.com
Digital signal processors (DSPs) | TI.com
TI E2E support forums
Interface | TI.com
Logic & voltage translation | TI.com
Microcontrollers (MCUs) | TI.com
Power management | TI.com
Pulse Electronics
DLP products | TI.com
Microcontrollers (MCUs) | TI.com
Analog | Embedded processing | Semiconductor company | TI.com
Audio | TI.com
Automotive design resources | TI.com
Clocks & timing | TI.com
Digital signal processors (DSPs) | TI.com
Industrial design resources | TI.com
Medical design resources | TI.com
ti.com/omap
Security | Technologies | TI.com
Aerospace & defense design resources | TI.com
TI Training & Videos | TI.com


















