Schneider Electric 5500NAC2 Network Automation Controller User Guide
Introduction
The SpaceLogic C-Bus Network Automation Controller controls and manages C-Bus systems for buildings and integrates Building Management Systems such as Heating /Cooling, Emergency and exit lighting control systems and Energy Monitoring/Control.
The product needs an external power supply
(24 V DC).
Mounting/Removing the controller

- Mounting
- Removing
For your Safety
DANGER
HAZARD OF ELECTRIC SHOCK, EXPLOSION, OR ARC FLASH
- It is illegal for persons other than an appropriately licensed electrical contractors or other persons authorised by legislation to work on the fixed wiring of any electrical installation.
- To comply with all safety standards, the product must be used only for the purpose described in this instruction and must be installed in accodance with the wiring rules and regulation in the location where it is installed.
- There are no user serviceable parts inside the product.
Failure to follow these instructions will result in death or serious injury.
CAUTION
EQUIPMENT DAMAGE HAZARD
Install the device according to instructions in this document:
- Pay attention to the specifications and wiring diagrams related to the installation.
- Do not use this product for any other purpose than specified in this instruction.
Failure to follow these instructions can result in injury or equipment damage.
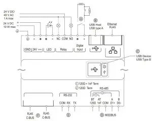
Wiring diagram and electrical connections

| A Digital Input | |
| Compatible with either a potential-free contact or a monitored cable using End of Line Resistance | |
| B USB Host | |
| USB Type A connector for USB Host | USB 1.1 and USB 2.0 devices are supported |
| C USB Device | |
| USB Type B connector for USB programming Port | USB 1.1 full speed is supported |
| D RS-485 | |
| MODBUS | D1+ and D0- = twisted wires |
| Shield must be connected to earth at end of line | Incorporates 47kΩ polari- sation resistors |
| Line must be terminated at each end | Link AT-BT to enable low power line termination of 120Ω + 1nF (optional) |
| Link BT-A to enable legacy line termination of 120Ω (optional) | |
| E RS-232 | |
| TX = Transmit | RX = Re- ceive | COM = Common | |
| F C-Bus | |
2 C-Bus Connectors with RJ pins![]() To use RJ 45 with C-Bus Cat-5 network cablePin1-Remote ON Pin2- Remote ON Pin3 -C-Bus Neg(-) Pin4-C-Bus Pos(+) Pin5- C-Bus Neg(-) Pin 6- C-Bus Pos(+) Pin7-Remote OFF Pin8-Remote OFF | |
Displays and Operating Elements

A Status Feedback indicators
B Software Reset button
C Hardware Reset button
D QR code with link to information about this specific unit.
How to Reset

SR-Software Reset
A Shut down and Reset
- Forces running processes to stop and reboots after
B Factory Reset
- Recover your system to its original factory condition
HR- Hardware Reset
Processor Reboot
- Power turned off and back on again.
- Wake up signal for a unit that has been shut down
Meaning of the Status Feedback Indicators
| Indicators | Cause |
| Power | |
| Green, Blinking Red | Controller is running with blink rate proportional to processor load |
| Green | Controller is powered but has been shut down |
| Red | Problem with processor board or power supply |
| Off | Controller has no power |
| Status | |
| Green | Controller is running properly |
| Red Flashing | During factory reset |
| Red | During software reset |
| Off | During boot up |
| Relay | |
| Green | Relay is On |
| Off | Relay is Off |
| Digital Input | |
| Green | Monitored Input: Input in high resistance (6.9 kΩ) – switch open state |
| Yellow | Monitored Input: Open circuit (> 12 kΩ). Potential free contact (switch/relay): Input is open circuit. |
| Red | Monitored Input: Short circuit (< 1 kΩ). Potential free contact (switch/relay): Input is closed circuit. |
| Off | Monitored Input: Input in low resistance (2.2 kΩ) – switch closed state |
| RS 232 | |
| Green | Controller is transmitting |
| Magenta | Controller is receiving |
| White | Controller is receiving and transmitting |
| Off | No communication |
| RS 485 | |
| Green | Controller is transmitting |
| Magenta | Controller is receiving |
| White | Controller is receiving and transmitting |
| Off | No communication |
| Ethernet | |
| Green | Ethernet is operating (100 Mbit/s) |
| Yellow | Ethernet is operating (10 Mbit/s) |
| Blinking | Data traffic |
| C-Bus | |
| Green | C-Bus powered and clock active |
| Flashing | C-Bus low voltage warning |
| Off | No C-Bus power or no active clock |
Configuration
Access to the web server of the Controller
- Default user name: admin
- Default password: admin
Access via Ethernet
- The Controller must be supplied with 24 V DC
- The default IP address is 192.168.0.10
- Connect Ethernet cable with PC.
- Use on the PC e.g. address 192.168.0.9 and subnet mask 255.255.255.0.
- Run Google Chrome™ or Firefox® and go to 192.168.0.10.
Access via USB Device
- The Controller may be powered by USB for configuration purposes.
- The IP address is 192.168.254.10.
- The USB drivers are included with the latest C-Bus Toolkit installation
- Connect the USB Type B connector to a USB port on the PC. The PC is given a DHCP IP address in the range of 192.168.254.1 – 192.168.254.9
- Run Google Chrome™ or Firefox® and go to 192.168.254.10.
With the C-Bus Installation software you can configure, export and import a C-Bus project
It is recommended to update the firmware to install the latest features, security updates and bug fixes. Scan the QR code using your smartphone for a link to information specific to your device.
Technical data
| Power Supply: | 24V DC +/- 5% 10 W max 2W typical |
| C-Bus Power: | 15-36V DC, 32mA |
| Operating Elements: | Software Reset button Hardware Reset button |
| Display Elements | 8 Status Feedback Indicators Power, Status, Relay, Digital Input, RS232, RS485, Ethernet, C-Bus |
| External Interfaces | |
| Power Supply: | 24 V DC plus separate GND |
| LED Output Driver: | 40 mA current limited |
| Relay Output: | NO, NC, Common 48 V AC/24 V DC 1 A max |
| Digital Input: | Potential free contact or moni- tored input impedances of 2.2 kΩ closed, and 6.9 kΩ open |
| USB Host | Type A USB 2.0 high speed host |
| USB Device | Type B USB 1.1 full speed device, for configuration |
| Ethernet | RJ45 for 10/100 BASE-T UTP |
| RS-485, MODBUS: | 120 Ω Terminator, 1 nF Terminator, Common, A D1+, B D0- |
| RS-232 | Receive, Transmit, Common |
| C-Bus: | 2x RJ45 |
| Terminals: | 18x screw terminals 1.5 mm² single-core and multi-core |
| Dimensions (WxHxD): | 108 x 63 x 93 mm |
| Mounting method: | DIN Rail, clips |
| External conditions: | |
| Ambient temperature during operation: | -5 °C to +45 °C |
| Ambient temperature during storage: | -20 °C to +80 °C |
| Rel. humidity (not condensing): | 10 % to 93 % |
| Type of protection: | IP 20 |
| Radiated Emissions: | 1. EN 55032 Class A 2. EN 50491-5-2 Class B with ferrite 3.EN 55035 |
| Product Compliance | ![]() |
Schneider Electric Industries SAS
If you have technical questions, please contact the Customer Care Centre in your country. se.com/contact
Warranty
For Warranty information and service, visit se.com/contact.
Disclaimer
Hereby, Schneider Electric Industries, declares that this product is in compliance with the essential requirements and other relevant provisions of RADIO EQUIPMENT DIRECTIVE 2014/53/EU. Declaration of conformity can be downloaded on:
se.com/docs





















