
![]()
INSTRUCTION MANUAL
HAVE FUN! But please read this first !!
We know you will have great fun with your model, but to get the best from your purchase please read this information BEFORE you operate the model.
90 Day Component Warranty
We want you to enjoy your purchase, but please read this first!
This product is covered by a 90-day component warranty from the date of purchase. If any part of the product fails as a result of faulty manufacture during this period then we will repair or replace that part at our discretion.
We do not operate a new for old warranty once the product has been used.
Please note this product is not a toy and it is recommended that children 14 and under are supervised by an adult. It is the responsibility of the parent or guardian to ensure minors are given appropriate guidance and supervision.
If you suspect there is a problem with the product, for whatever reason, it is the user’s responsibility to investigate and take steps to rectify the problem before further damage occurs.
Not Covered By Warranty
This is a sophisticated, high-performance model and should be treated with care and respect. Every effort has been made to make this product as strong and durable as possible, however, due to the nature of this product, it is still possible to break or damage parts through crashing or extreme use. Components damaged as a result of crash amage, improper use, lack of maintenance, or abuse are not covered by the warranty.
How to Claim Against your Warranty
For warranty claims please first contact your supplying retailer. Do not return the product to your distributor without their prior approval. You may not need to return the product in full, only the damaged component along with a copy of your purchase receipt. In many cases it is faster and more cost-effective for the user to fit the replacement part(s) to the product & therefore we reserve the right to supply parts only in these instances.
Any returned component that is inspected by your distributor and found to have an invalid warranty claim may be subject to an inspection and handling fee before it can be returned. Any repairs required as a result of neglect or misuse will be charged before any work is carried out on the product. If you decide not to have any work carried out the distributor reserves the right to charge a handling and a shipping fee.
Please attach your proof of purchase in the manual as you may need it again in the future.
Safety precautions
This product is an authentic radio-controlled vehicle (RC vehicle) and it is not a toy. Read and understand this instruction manual thoroughly before running the model. If you are not familiar with RC vehicles, we recommend that you ask someone familiar with RC vehicles for advice.
Never connect the rechargeable drive battery in the reverse polarity or disassemble the battery. If the drive battery is used in the wrong way, a high current can be generated and it is very dangerous.
Never run RC models near people or animals, or on public streets or highways. This could cause serious accidents, personal injuries, and/or property damage.
Make sure the mains power socket when using a charger is readily accessible and never left plugged in when not in use.
If you are using rechargeable AAs for the Transmitter please make sure you also purchase a suitable charger for this battery type.
DISCONNECT THE BATTERY PACK AFTER USE!
Components

Recommended Tools
These tools are not included with the product but are recommended for use whilst working with this vehicle
Scissors, Side Cutters, Needle Nose Pliers, Hexagonal Screwdrivers 1.5mm, 2.0mm, 2.5mm, Screwdriver, Cross Wrench 7.0mm
Items required for operation

Charging the battery pack
Cautions
- The included charger is intended for use with the included NiMH battery pack only. (Do not use with LiPo)
- Use the charger with adult supervision. Do not use the charger near water or when wet.
- Do not use the charger if the wire is frayed or worn. If the wire is frayed or worn a short circuit can cause a fire or burns.
- The charging time for the included empty battery pack is about 4 hours. Do not charge the included battery pack longer than 6 hours to avoid overheating and battery damage.
1. The USB Charger requires a USB Adaptor with an output of at least 2A
2. Connect the charging socket to the supplied battery packs power plug. The connectors are sided and have a clip to secure it in place. Do not force together and always check you have the connection the right way round. You may need to use the included adaptor cable for your battery pack.
3. The charger will automatically start to charge your battery pack. The USB charger has Delta-Peak and will stop charging when it detects the battery pack is at full charge.
LED Status:
Solid Green LED – Stand by or Charge finished
Solid Red LED – Charging
Flashing Red LED – Error (Unplug your battery pack and try again)
Errors include:
- Voltage out of charging range – Your battery pack is outside the voltage range of the charger. If this is reoccurring your battery pack may be damaged and need replacing.
- Reverse Polarity Protection – Your battery pack has been plugged into the charger with incorrect polarity.
- Processing Time Limit – Your battery has been on charge for longer than the allowed time limit (8h). If this is reoccurring your battery pack may be damaged and need replacing.
Installing the Transmitter Batteries

Open the battery holding tray to expose the empty battery slots.
Insert 4 AA batteries into the marked spaces. Please note the correct direction of the batteries

Installing the battery pack

You need to insert the battery pack in the open section for the battery. Use the chassis cut-out for corner wiring if needed. Use the straps provided to secure the battery in place.
Once fastened and secured please connect the battery plug into the speed controller plug noting correct polarity. Red to red, black to black.
Transmitter
Your Transmitter is an advanced controller designed for the beginner to be easy to use and tune. You will need to follow the steps below to ensure you prepare the controller correctly for use and understand the adjustment possibilities available.
The function switches on the transmitter
![]() | ![]() |
| 1. Power LED | 7. Steering Trim |
| 2. Steering Reverse Switch | 8. Steering Dual Rate (D/R) Switch |
| 3. Throttle Reverse Switch | 9. Steering Control |
| 4. Throttle End Point Dial (low/high points) | 10. Throttle Trigger |
| 5. Bind Button | 11. Power Switch |
| 6. Throttle Trim |
Throttle Trigger

- Pull the trigger to go forwards and speed up
- Push the trigger forward to brake
- Push again for reverse
Steering Wheel
Turn the steering wheel to the left or right to make the vehicle turn left or right
Steering Dual Rate (D/R)

The dual-rate settings adjust the maximum degree of movement from the servo.
Move the D/R lever down to increase or up to decrease the maximum steering angle.
Reverse Switches

The Steering (ST) and Throttle (TH) reverse switches are set to “NOR” (Normal) as standard. To switch the direction of travel of either the steering or throttle move the switch to the “REV” (Reverse) position.
Throttle End Point Adjustment (EPA)

The throttle EPA allows you to adjust the maximum degree of movement of the throttle channel. “Hi” sets the EPA for the throttle direction, “Lo” sets the EPA for the brake direction. Turn the dial anti-clockwise to reduce or clockwise to increase the allowable degree of movement. When using this transmitter with an electric-powered vehicle, set the endpoints to the maximum setting.
Trim Setup
If the steering is not straight with the transmitter on, make sure the trim dial is set to the central position and adjust the Servo horn on the car if needed. Then make fine adjustments with the steering trim whilst driving the vehicle.

Throttle Trim
Throttle neutral adjustments can be made by moving the throttle trim lever up for more throttle or down for more brake.
Steering Trim
Steering neutral adjustments can be made by moving the steering trim lever left or right.
![]() | ![]() | ![]() |
| If the wheels point left, turn clockwise | If they point straight no adjustment is required. | If the wheels point right, turn anti-clockwise. |
Turning on the power
Turn on the transmitter first and then turn on the receiver.
Turn on the transmitter switch and the LED battery indicator will light up.
Turn on the receiver. The automatic set-up of the factory set speed control should have been completed. If you experience any problems with the speed control settings refer to the Electronic Speed Control Section for correct setup information.
Power LED

The Red LED will show if the installed AA batteries have sufficient charge.
The Red LED will flash and there will be an audible beep if the batteries need replacing.
Turning off the power
Turn off the receiver first and then turn off the transmitter.
If you switch off the transmitter first before the R/C car, you may lose control of the R/C car.
- Turn off the receiver switch.
- Turn off the transmitter switch.
- Disconnect the battery connector from the speed control connector.

Binding the Transmitter and Receiver
You may need to set up your transmitter to ‘bind’ with the receiver if you change to a new receiver or for any reason lose signal.
- Place the transmitter and the receiver close to each other (within one meter).
- Turn the power switch on the transmitter to the ON position.
- Press and hold the receiver setup button, then turn the power switch to the ON position.
- The receiver LED will flash quickly. Release the setup button after 1 second.
- Press and hold the binding button on the transmitter for 1 second until the LED on the Receiver is continuously lit.

Fail-Safe Setup
Caution
Any new binding of transmitter & receiver will clear the pre-set fail-safe.
- With the transmitter and car switched on, press the setup button on the receiver then release. The LED will flash.
- Electric setup
Leave the throttle trigger in a neutral position, and press the setup button. The LED will flash quickly. Once the receiver LED remains lit, then release the setup button on the receiver.
Nitro setup
Hold full brake on the transmitter, and press the setup button. The LED will flash quickly. Release full brake on the transmitter once the receiver LED remains lit, then release the setup button on the receiver.
Specification
| Transmitter MTX-244 • System: 3CH • (Steering, Throttle, Push switch) • Frequency : 2.4Ghz – 2.4835Ghz • Maximum power Output: 20dBm • Radio wave type: FHSS • Battery: AA x4 • Weight: 420g | Receiver MRX-244 • Frequency: 2.4GHz • System: 3CH • Fail-Safe • Battery: 4.8 – 7.4V |
Electronic Speed Control Setup
MSC-30BR-WP Features:
| Model | MSC-30BR-WP | |
| FWD Continuous / Burst Current | 40A / 180A | |
| REV Continuous / Burst Current | 20A/ 90A | |
| Resistance | FWD: 0.002 Ohm; REV: 0.004 Ohm: | |
| Application | 1/10 scale On-Road and Off-Road | |
| Motor Limit | 2S LiPo / 6 cell NiMh | 540 or 550 size motor? 12T |
| RPM < 30000 @7.2V | ||
| 3S LiPo / 9 cell NiMh | 540 or 550 size motor? 18T | |
| RPM < 20000 @7.2V | ||
| Battery | 5-9 cells NiMh or 2-3S LiPo | |
| Built-in BEC | 6V/2A | |
| PWM Frequency | 1KHz | |
| Dimension | 46.5x34x28.5mm | |
| Weight | 65g | |

Caution
Failure to follow these instructions can cause injury to yourself or others. You might also cause property damage or damage to your kit.
Always disconnect the battery from the speed controller after driving.
Never connect the speed controller incorrectly or with reversed polarity.
Wrong connection or reversed polarity will damage the speed controller.
Please use an optional capacitor with the motor for good frequency reception.
Do not use a motor under 12T when using 2S Lipo or 6 cells NiMH (Example: 11T,10T, 9T, and lower turn motors), Using a lower turn motor may damage the speed controller. (Although your motor may be in the safe range, your ESC may go into overheat protection mode due to your choice of gearing or track conditions (off-road, high traction, etc.))
Do not use a motor under 18T when using 3S Lipo or 9 cells NiMH (Example: 17T,16T, 15T, and lower turn motors), Using a lower turn motor may damage the speed controller. (Although your motor may be in the safe range, your ESC may go into overheat protection mode due to your choice of gearing or track conditions (off-road, high traction, etc.))
After running in water, dry off any excess water from ESC and connectors.
During and after running, your speed controller will become hot. Do not touch the heatsink with bare hands otherwise, they will get burned.
The speed control has 2 types of battery modes to choose from depending on which type of battery you use (NiMH and LiPo). Setup for the proper battery is needed. If you do not set up your speed control correctly, your battery may explode, swell, smoke, or become useless.
Choose Battery Mode
The ESC is programmed with the use of jumpers to select settings. (Tweezers are recommended to plug in the jumpers)

Low voltage cut-off protection
If the voltage of the battery pack is lower than the threshold for 2 seconds, the ESC will enter the protection mode.
When the car stops, the red LED blanks on the ESC to indicate that the low voltage cut-off protection has been activated.
| Beep Sound | |
| 1 Short Beep | The battery is NiMH/NiCd |
| 2 Short Beep | The battery is a 2S LiPo |
| 3 Short Beep | The battery is a 3S LiPo |
| 1 Long Beep | Self-test and throttle calibration are okay. The ESC is ready to run |
| LED Status | |
| LED is off | When the throttle trigger is in the neutral range |
| LED blinks | Forward, brake, or reverse at partial throttle |
| LED is solid | Forward, brake, or reverse at full throttle |
Overheat Protection
When the internal temperature of the ESC is higher than a factory preset threshold for 5 seconds, the ESC will reduce and will cut off the output power.
Once the Overheat Protection is activated, the throttle repeats turning on and off quickly and acceleration becomes erratic. Stop driving immediately and solve the problem by referring to the Troubleshooting guide. Do not drive the R/C car until the LED turns off. Allow the Speed Controller to cool down for 15 minutes.
The Overheat Protection function will turn off and you can drive the R/C car again.
Throttle signal loss protection
The ESC will cut off the output power if the throttle signal has been lost for 0.1 seconds.
The “Fail Save“ function of the radio system is strongly recommended to be activated.
Driving
Driving an R/C car can be very difficult to master. We want you to have fun with your RC vehicle but please read the cautions detailed below followed by some basic tips to help you understand how to use your RC vehicle for the first time.
- Drive the vehicle in a very large space, especially until you get the feel of driving the vehicle.
- Do not drive on public streets or highways. This could cause serious accidents, personal injuries, and/or property damage.
- Do not drive near members of the general public that could be placed at risk of injury.
- Do not drive in water or sand.
- 2.4Ghz radio frequency only functions in a line of sight. If you drive behind a solid object or around a corner and lose sight of the vehicle you may lose control of the car.
If you hold a full-throttle on the transmitter, the vehicle will keep accelerating and run very fast. It is difficult to steer the vehicle running at high speeds. Drive the vehicle slowly by only pulling the throttle trigger a small amount to get used to how fast the car can go.
When the car is running towards the driver, the directions of the steering wheel are reversed.
Once you become conformable driving the vehicle, practice driving on a track with cones.
Keep practicing until you feel comfortable with the steering, throttle, and brake at low speeds.
Once you are feeling comfortable try the above-using reverse.
When you have mastered the basics you will be able to drive at higher speeds in a more controlled fashion.
Allow the car to cool down for 15 minutes between each run
DISCONNECT THE BATTERY PACK AFTER USE!
Maintenance after driving
Proper maintenance is very important. Make sure to always perform appropriate maintenance after driving so that you can enjoy driving without problems next time.
Completely remove all dirt and debris from the vehicle, especially in the suspension, driveshafts, and steering parts.
Inspect each part and screws for loosening, missing parts, or damages.
You should always make sure your wheels are tight and parts move freely after and before use.
Driving in wet conditions
This vehicle is designed to provide water protection for the onboard radio system components so it can be driven in wet conditions. The vehicle is not designed to be completely submerged in water. Driving in wet conditions will require additional maintenance.
Notes:
Never drive the vehicle in stormy conditions where lightning could be present. The transmitter is not waterproof, always keep it protected from rain and water.
Remove all water/mud and dry the vehicle completely after driving. Check the vehicle for trapped water in the tires, transmission, etc. Some metal parts like bearings and hinge pins will need lubrication after driving in wet or damp conditions. The electric motor is not designed to be submerged in water. If water gets inside it can reduce the life of the motor.
Most LiPo battery packs are not designed to operate in wet conditions. Consult the instruction manual or manufacturer for limitations.
After running in water, dry off any water from the ESC and connectors.
Trouble Shooting
Please read this section if you have any fault trying to operate the vehicle
| Problem | Cause | Remedy |
| The vehicle does not move | Transmitter or receiver is off | Turn on both the transmitter and receiver |
| Batteries are not placed correctly in the transmitter | Place batteries in the transmitter properly | |
| The main battery is not charged enough | Charge the main battery | |
| The vehicle does not follow your driving inputs | Transmitter or receiver is off | Turn on both the transmitter and receiver |
| Transmitter reverse switches are set incorrectly | Check the reverse switch settings | |
| Transmitter End Point Adjustments (EPA) is set incorrectly | Check that your EPA Dials on your transmitter. | |
| Weak batteries in either the transmitter or the car | Replace batteries in the transmitter and recharge the main battery. | |
| The front and rear wheels rotate in opposing directions | Incorrect user differential placement | Insert the differential the correct way |
If you encounter any other fault whilst operating the vehicle please contact your local hobby shop or alternatively contact your local distributor.
FCC COMPLIANCE STATEMENT
This equipment has been tested and found to comply with the limits for a Class B digital device, pursuant to part 15 of the FCC Rules. These limits are designed to provide reasonable protection against harmful interference in a residential installation. This equipment generates, uses, and can radiate radio frequency energy and, if not installed and used in accordance with the operating instructions, may cause harmful interference to radio communications, however, there is no guarantee that interference will not occur in a particular installation. If this equipment does cause harmful interference to radio or television reception, which can be determined by turning the equipment off and in, the user is encouraged to try to correct the interference by one or more of the following measures:
- Reorient or relocate the receiving antenna.
- Increase the separation between the equipment and the receiver.
- Connect the equipment into an outlet on a circuit different from that to which the receiver is connected.
- Consult the dealer or an experienced technician for help.
This device complies with Part 15 of the FCC Rules and with RSS-210 of industry Canada. Operation is subject to the following two conditions:
- This device may not cause harmful interference, and….
- This device must accept any interference received, including interference that may cause undesired operation.
WARNING: Changes or modifications made to this equipment not expressly approved by the party responsible for compliance may void the FCC authorization to operate this equipment.
RF Exposure Statement. The transmitter has been tested and meets the FCC RF exposure guidelines when used with the accessories supplied or designated for this product, and provided at least 20cm separation between the antenna the user\s body is maintained. The use of other accessories may not ensure compliance with FCC RF exposure guidelines.
CE Compliance statement
The radio equipment type in this product is in compliance with EU Directive 2014/53/EU. The full text of the Declaration of Conformity is available
at www.hpiracing.com/ce
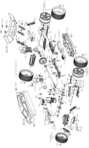
Parts List
| Part Number | Description |
| 100556 | FLATHEAD SCREW M3x14mm (HEX SOCKET/10PCS) |
| 100557 | FLATHEAD SCREW M3x16mm (HEX SOCKET/8PCS) |
| 100560 | BUTTON HEAD SCREW 3X16mm (6PCS) |
| 101929 | PLAZMA 7.2V 2000mAh NI-MH BATTERY PACK |
| 103729 | SERRATED FLANGE LOCK NUT M4 (SILVER/10pcs) |
| 107890 | CAP HEAD SCREW M2.5x10mm (10pcs) |
| 150001 | CHASSIS (1PC) |
| 150002 | UPPER DECK (1PC) |
| 150003 | FRONT SHOCK TOWER (1PC) |
| 150004 | REAR SHOCK TOWER (1PC) |
| 150005 | REAR HUB SET |
| 150006 | KNUCKLE ARM SET |
| 150007 | ASSEMBLED DIFFERENTIAL FR/RR (1PC) |
| 150008 | DIFFERENTIALINTERNAL BEVEL GEARS |
| 150009 | DIFFERENTIAL CASE /SEALS |
| 150010 | MOTOR MOUNT |
| 150011 | MOTOR MOUNT SUPPORT |
| 150012 | FRONT SERVO SAVER ARM SET |
| 150013 | STEERING SHAFT (2PCS) |
| 150014 | SERVO STEERING LINKAGE (2PCS) |
| 150015 | SERVO MOUNTS (2PCS) |
| 150016 | SERVO SAVER SET |
| 150017 | WHEEL AXLE (2PCS) |
| 150018 | UPPER HINGE PIN (2PCS) |
| 150019 | FRONT LOWER HINGE PIN (2PCS) |
| 150020 | ASSEMBLED FRONT SHOCK (2PCS) |
| 150021 | ASSEMBLED REAR SHOCK (2PCS) |
| 150022 | 12mm WHEEL HEX (4PCS) |
| 150023 | BATTERY TRAY STRAP |
| 150024 | BATTERY TRAY POSTS |
| 150025 | REAR LOWER HINGE PIN (2PCS) |
| 150026 | BALL HEAD 8.0mm (6PCS) |
| 150027 | TRUCK BODY MOUNT (2PCS) |
| 150028 | SUSPENSION HINGE PIN HOLDER |
| 150029 | TRUCK FRONT BUMPER |
| 150030 | FRONT UPPER SUSPENSION ARM (2PCS) |
| 150031 | FRONT LOWER SUSPENSION ARM (2PCS) |
| 150032 | REAR LOWER SUSPENSION ARM (2PCS) |
| 150033 | DOGBONE 97.2mm (2PCS) |
| 150034 | STEERING LINKAGE (2PCS) |
| 150035 | REAR UPPER LINKAGE (2PCS) |
| 150037 | 56T SPUR GEAR |
| 150039 | DIFF OUTPUT (2PCS) |
| 150040 | MM-550 15T Brushed Motor |
| 150041 | MOUNTED TIRES AND WHEELS (MT) |
| 150042 | BUTTON HEAD SCREW 2X10mm (6PCS) |
| 150043 | BUTTON HEAD SCREW 3X26mm (6PCS) |
| 150044 | BUTTON HEAD SCREW 3X38mm (6PCS) |
| 150045 | FLANGED BUTTON HEAD SCREW 3X8mm (6PCS) |
| 150046 | FLANGED BUTTON HEAD SCREW 3X16mm (6PCS) |
| 150047 | CLEAR LEXAN PHANTOM TRUCK BODY – W/ DECAL SHEET |
| 150067 | DIFFERENTIAL CROWN GEAR 38T W/SEALS |
| 150068 | Phantom Truck Body – With Decals |
| 150069 | BALL HEAD 5.8mm (6PCS) |
| 150071 | CENTER SHAFT (1PC) |
| 150072 | DIFFERENTIAL PINION GEAR (2PCS) |
| 150073 | 5.1X9X0.8MM WASHER (6PCS) |
| 150076 | FRONT UPPER SUSPENSION ARM (2PCS) |
| 150077 | FRONT LOWER SUSPENSION ARM (2PCS) |
| 150078 | REAR LOWER SUSPENSION ARM (2PCS) |
| 150079 | DOGBONE 77.3mm (2PCS) |
| 150080 | STEERING LINKAGE (2PCS) |
| 150081 | REAR UPPER LINKAGE (2PCS) |
| 150082 | PHANTOM XB WING (PRINTED and DECALED) |
| 150083 | XB BODY MOUNT SET |
| 150084 | XB WING SUPPORT SET |
| 150085 | MOUNTED WHEEL AND TYRE SET (XB/FRONT/2PCS) |
| 150086 | MOUNTED WHEEL AND TYRE SET (XB/REAR/2PCS) |
| 150087 | 18T PINION GEAR (0.8 MODULE) |
| 150088 | PHANTOM BUGGY BODY PRINTED – W/ DECAL SHEET |
| 150089 | CLEAR LEXAN PHANTOM XB BODY & WING – W/ DECAL SHEET |
| 150166 | MS-06WR SERVO (Water-Resistant/6.0V/6kg/Plastic Geared) |
| 160048 | 7.2v NiMh 500mA USB Charger |
| B021 | BALL BEARING 5x10x4mm (2PCS) |
| B030 | BALL BEARING 10x15x4mm (2PCS) |
| MV22029 | BODY CLIPS (8PCS) |
| MV22127 | PIN 2×10 (10PCS) |
| MV22691 | 15T PINION GEAR (0.8 MODULE) |
| MV22778 | MOTOR HEATSINK |
| MV22782 | MTX-244 MAVERICK 2.4GHZ 3CH TRANSMITTER |
| MV22783 | MRX-244 MAVERICK 2.4GHZ 3CH RECEIVER WITH BUILT-IN FAILSAFE |
| MV30001 | MSC-30BR-WP BRUSHED SPEED CONTROLLER |
| Z150 | ANTENNA PIPE SET |
| Z224 | WASHER M3x8mm (10pcs) |
| Z241 | E CLIP E2.5mm (20PCS) |
| Z351 | BUTTON HEAD SCREW M3x6mm (HEX SOCKET/10PCS) |
| Z357 | BUTTON HEAD SCREW M3x20mm (HEX SOCKET/10PCS) |
| Z516 | BINDER HEAD SCREW M3x10mm (6PCS) |
| Z517 | BINDER HEAD SCREW M3x8mm (10PCS) |
| Z518 | BINDER HEAD SCREW M3x12mm (6PCS) |
| Z526 | FLATHEAD SCREW M3x8mm (6PCS) |
| Z527 | FLATHEAD SCREW M3x10mm (6PCS) |
| Z528 | FLATHEAD SCREW M3x12mm (6PCS) |
| Z721 | SET SCREW M4x4mm (4pcs) |
| OPTIONAL PARTS | |
| Part Number | Description |
| 150056 | Alum Front Shock Absorber 2P |
| 150057 | Alum Rear Shock Absorber 2P |
| 150062 | F/R Universal Shaft 2P |
| 150065 | Alum Knuckle Arm 1 Set 2P |
| 150066 | Alum Rear Hub 1 Set 2P |
| 150090 | PHANTOM XB F/R UNIVERSAL SHAFT (2PCS) |





HPI RACING A/S
Jegindoevej 21
8800 Viborg, Denmark
[email protected]
WWW.MAVERICK-RC.COM























