

FLEXX24HP230V1BH Inverter Heat Pump System
Installation Guide
INSTALLATION MANUAL
Indoor Unit
MODELS:
FLEXX24HP230V1BH
FLEXX36HP230V1BH
FLEXX48HP230V1BH
FLEXX60HP230V1BH
Thank you for choosing our product. Please read this Installation Manual carefully before operation and retain it for future reference.
If you would like a copy of this Manual, please contact your local distributor or visit www.greecomcomfort.com/resources now to download and file the electronic version.
INTRODUCTION
Thank you for choosing GREE!
GREE systems are among the most environmentally friendly and energy efficient in the market today. You can feel confident in your selection because the same pride in craftsmanship and engineering knowledge that goes into millions of other GREE-installed products worldwide has gone into your unit.
COMFORT AND WELLNESS, IT’S WHAT WE DO
In 1991, GREE set out to make the world a cooler place. To this end, we’ve become a global leader in air conditioners, developing some of the most advanced commercial and residential air conditioners in the world. Based in Zhuhai, China, we’re now the world’s largest specialized air conditioner company integrating R&D, manufacturing, sales, and service. It’s our mission to innovate and create new ways to help people live well and stay comfortable no matter where they live, work or play.
INNOVATION IS IN OUR DNA
Part of our responsibility is being mindful of the world we live in, which means we’re committed to using innovation to design more eco-friendly air conditioners. Every year we commit 3% of our budget to R&D. And, as a pioneer in the air conditioning industry, our R410A Refrigerant is eco-friendly.
LEADING THE WAY
From our humble beginning in 1991, GREE has grown over 80,000 strong across the world. With 3 research institutes, 9 product development centers, over 300+ labs and 5000+ engineers, we’ve absolutely committed to finding newer and more efficient ways to keep our customers comfortable, healthy and productive.
A GLOBAL CITIZEN OF THE WORLD
Today, we’ve developed some of the world’s most energy-efficient and technically advanced air conditioners. From the 2008 Beijing Olympic Games Media Village to the main stadium of the 2010 Africa World Cup, GREE is trusted to help people stay comfortable in the most extreme environments. Residentially, we’ve created wonders of technology that are just as contemporary, beautiful, and efficient. Every day, over 100 million customers stay cool with GREE air conditioners.
For more information on the GREE product line please visit our site at www.greecomfort.com or use the camera on your smartphone to scan the QR code below:
SAFETY PRECAUTIONS
WARNING
Please read this manual in its entirety and contact your local distributor with any questions before installing and operating this equipment.
Installation must be completed by a licensed HVAC contractor and must comply with all applicable local, state, and federal codes and regulations. Licensed HVAC installing contractors must use factory-authorized kits or accessories when modifying this equipment. Improper installation, operation, adjustment, alteration, service, maintenance, or use can cause an explosion, fire, electrical shock, or other conditions which may cause death, personal injury, or property damage.
Recognize and be aware of all safety information and alert symbols. When you see the following symbols on the equipment and in the Installation Manuals, be alert to the potential for personal injury.
| Indicates a hazardous situation that, if not avoided, will result in death or serious injury. | |
| Indicates a hazardous situation that, if not avoided, could result in death or serious injury. | |
| Indicates a hazardous situation that, if not avoided, may result in minor or moderate injury. | |
| NOTICE | Indicates important but non-hazard related information, used to indicate risk of property damage. |
It is important to understand these signal words: DANGER, WARNING, CAUTION, and NOTICE, as these words are used with the safety-alert symbol.
GENERAL INFORMATION
2.1 Physical Dimensions……….
Unit: inch (mm)
Indoor Unit
| Indoor Unit | Dimensions | ||||
| iVr | D | H | A | B | |
| FLEXX24HP230V1BH | 21-1/4 | 21-1/4 | 48-1/4 | 11-5/8 | 20 |
| FLEXX36HP230V1BH | (540) | (540) | (1224) | (295) | (508) |
| FLEXX48HP230V1BH | 24-3/4 | 21-1/4 | 57 | 11-5/8 | 20 |
| (630) | (540) | (1448) | (295) | (508) | |
Unit: inch (mm)
| Air Filter | Dimensions |
| FLEXX24HP230V1BH | 19-1/4 x 20-1/4 x 1/2 |
| FLEXX36HP230V1BH | (490 x 516 x 15) |
| FLEXX48HP230V1BH | 20-1/2 x 20-1/4 x 1/2 |
| FLEXX60HP230V1BH | (525 x 516 x 15) |
2.2 Fan Performance………….
| Model | FLEXX24HP230V1BH | |||||||||||
| Level | Static Pressure (In W.c.) and CFM | |||||||||||
| 0 | 0.1 | 0.15 | 0.2 | 0.3 | 0.4 | 0.5 | 0.6 | 0.7 | 0.8 | 0.9 | 1.0 | |
| Speed 1 | 1030 | 900 | 840 | – | – | – | – | – | – | – | – | – |
| Speed 2 | 1080 | 960 | 900 | 840 | – | – | – | – | – | – | – | – |
| Speed 3 | 1220 | 1120 | 1060 | 990 | 850 | – | – | – | – | – | – | – |
| Speed 4 | 1390 | 1290 | 1240 | 1180 | 1070 | 960 | – | – | – | – | – | – |
| Speed 5 | 1580 | 1490 | 1440 | 1390 | 1290 | 1180 | 1090 | 970 | 830 | – | – | – |
| Speed 6 | 1720 | 1640 | 1600 | 1550 | 1450 | 1360 | 1250 | 1130 | 960 | – | – | – |
| Speed 7 | 1800 | 1730 | 1680 | 1630 | 1550 | 1460 | 1370 | 1270 | 1150 | 970 | 830 | – |
| Speed 8 | 1850 | 1820 | 1790 | 1740 | 1660 | 1580 | 1500 | 1410 | 1340 | 1200 | 1080 | 930 |
| Model | FLEXX36HP230V1BH | |||||||||||
| Level | Static Pressure (In W.c.) and CFM | |||||||||||
| 0 | 0.1 | 0.15 | 0.2 | 0.3 | 0.4 | 0.5 | 0.6 | 0.7 | 0.8 | 0.9 | 1.0 | |
| Speed 1 | 1150 | 1050 | 950 | 880 | – | – | – | – | – | – | – | – |
| Speed 2 | 1200 | 1100 | 1000 | 940 | 850 | – | – | – | – | – | – | – |
| Speed 3 | 1380 | 1260 | 1200 | 1100 | 950 | – | – | – | – | – | – | – |
| Speed 4 | 1550 | 1460 | 1390 | 1310 | 1160 | 1010 | 830 | – | – | – | – | – |
| Speed 5 | 1710 | 1650 | 1600 | 1560 | 1480 | 1400 | 1310 | 1210 | 1080 | 930 | – | – |
| Speed 6 | 1840 | 1800 | 1750 | 1710 | 1640 | 1590 | 1500 | 1420 | 1330 | 1220 | 1100 | 960 |
| Speed 7 | 1870 | 1830 | 1810 | 1800 | 1760 | 1690 | 1620 | 1520 | 1440 | 1350 | 1250 | 1150 |
| Speed 8 | 1900 | 1860 | 1840 | 1830 | 1790 | 1720 | 1660 | 1600 | 1540 | 1440 | 1320 | 1220 |
| Model | FLEXX48HP230V1BH | |||||||||||
| Level | Static Pressure (In W.c.) and CFM | |||||||||||
| 0 | 0.1 | 0.15 | 0.2 | 0.3 | 0.4 | 0.5 | 0.6 | 0.7 | 0.8 | 0.9 | 1.0 | |
| Speed 1 | 1640 | 1500 | 1450 | 1350 | – | – | – | – | – | – | – | – |
| Speed 2 | 1680 | 1560 | 1500 | 1380 | 1300 | – | – | – | – | – | – | – |
| Speed 3 | 1810 | 1690 | 1620 | 1550 | 1380 | – | – | – | – | – | – | – |
| Speed 4 | 1930 | 1830 | 1770 | 1710 | 1580 | 1430 | 1280 | – | – | – | – | – |
| Speed 5 | 2200 | 2110 | 2040 | 1980 | 1860 | 1720 | 1620 | 1490 | 1380 | – | – | – |
| Speed 6 | 2240 | 2190 | 2145 | 2100 | 2010 | 1870 | 1750 | 1615 | 1500 | 1380 | – | – |
| Speed 7 | 2280 | 2240 | 2200 | 2180 | 2130 | 2080 | 2000 | 1880 | 1750 | 1600 | 1420 | – |
| Speed 8 | 2300 | 2260 | 2220 | 2190 | 2140 | 2090 | 2040 | 1980 | 1930 | 1800 | 1700 | 1550 |
| Model | FLEXX60HP230V1BH | |||||||||||
| Level | Static Pressure (In W.c.) and CFM | |||||||||||
| 0 | 0.1 | 0.15 | 0.2 | 0.3 | 0.4 | 0.5 | 0.6 | 0.7 | 0.8 | 0.9 | 1.0 | |
| Speed 1 | 1660 | 1540 | 1470 | 1400 | – | – | – | – | – | – | – | – |
| Speed 2 | 1850 | 1720 | 1650 | 1600 | 1400 | – | – | – | – | – | – | – |
| Speed 3 | 1920 | 1800 | 1730 | 1650 | 1480 | 1315 | – | – | – | – | – | – |
| Speed 4 | 2110 | 2000 | 1950 | 1860 | 1760 | 1640 | 1490 | 1325 | – | – | – | – |
| Speed 5 | 2250 | 2200 | 2190 | 2140 | 2040 | 1930 | 1800 | 1670 | 1520 | 1370 | – | – |
| Speed 6 | 2260 | 2220 | 2200 | 2170 | 2090 | 2010 | 1910 | 1760 | 1650 | 1550 | 1430 | 1380 |
| Speed 7 | 2300 | 2260 | 2230 | 2200 | 2150 | 2115 | 2050 | 1990 | 1920 | 1840 | 1750 | 1660 |
| Speed 8 | 2320 | 2280 | 2250 | 2230 | 2190 | 2140 | 2080 | 2040 | 2000 | 1950 | 1920 | 1890 |
INSTALLATION
3.1 Preparation………………
EQUIPMENT SIZING AND DUCT DESIGN
Using ACCA Manual J Residential Load Calculation and Manual D Residential Duct Design is recommended prior to installing the Indoor Unit to ensure optimum performance, efficiency, and comfort. Installing undersized or oversized equipment and ductwork will result in insufficient cooling or heating, high energy costs, and premature failure, and will reduce the overall lifespan of the equipment.
CODES & REGULATIONS
This product is designed and manufactured to comply with all national codes. It is the licensed HVAC installing contractor’s responsibility to install the product in accordance with all local, state, and federal codes and regulations. The manufacturer assumes no responsibility for equipment installed in violation of any codes or regulations.
FREIGHT DAMAGE, CONCEALED DAMAGE, AND MISSING ITEMS
It is the licensed HVAC installing contractor’s responsibility to inspect the Indoor Unit for any damage and missing items at the time of receiving the equipment. Contact your local distributor immediately to report any issues before beginning the installation process.
EQUIPMENT AND MATERIALS
It is the licensed HVAC installing contractor’s responsibility to VERIFY all of the following before installing the Indoor Unit:
- The model number of the Indoor Unit and Outdoor Unit is compatible sizes.
- Refrigerant pipe sizes required and minimum/maximum allowable lengths.
- Condensate drain line size required.
- Size/rating required for power supply wiring, circuit breaker, and fused disconnect.
- Size/rating required for 24VAC low voltage control wiring.
- Size, length, and ductwork material are required per Duct Design to ensure that the airflow is in accordance with the Indoor Unit fan performance.
PERSONAL PROTECTIVE EQUIPMENT
It is the licensed HVAC installing contractor’s responsibility to follow all safety procedures and to utilize all required personal protective equipment including but not limited to gloves, safety glasses, steel toe boots, ear plugs, hard hats, respirators, coveralls, etc.
TOOLS It is the licensed HVAC installing contractor’s responsibility to ensure the proper tools are utilized during the Installation and Start-Up of the Indoor Unit including but not limited to a Level, Tubing Cutter, Deburring Tool, R-410a Flaring Tool, Torque Wrench, Allen Wrenches, R-410a Refrigerant Gauges & Hoses, 1/4″ x 5/16″ Adapter, Digital Refrigerant Scale, Dry Nitrogen and Regulator capable of reaching 500psi minimum, Vacuum Pump, Micron Gauge, Multimeter, Amp Clamp, Wire Strippers & Cutter, all miscellaneous screwdrivers & wrenches, and any additional tools needed to complete a proper installation.
3.2 Required Clearances……..
NOTE: Front clearance required for air filter, blower wheel, evaporator coil, and condensate drain pan maintenance. It is the licensed HVAC installing contractor’s responsibility to install the product in accordance with any prevailing local, state, and federal codes and regulations.
3.3 Refrigerant Piping……………
REFRIGERANT PIPE SIZES
| Model | Outside Pipe Diameter (inch) | |
| Liquid Pipe | Gas Pipe | |
| FLEXX24HP230V1BH | 3/8 | 3/4 |
| FLEXX36HP230V1BH | ||
| FLEXX48HP230V1BH | ||
| FLEXX60HP230V1BH | ||
FLARED CONNECTION
Remove factory flare nuts from service valves and use with field-installed refrigerant lines.
| Outside Pipe Diameter (inch) | Tightening Torque (N-m) |
| 3/8 | 35 – 40 |
| 3/4 | 70 – 75 |
BRAZED CONNECTION
(With the use of an optional accessory Adapter Pipe Kit) Removed factory flare nuts from service valves and install optional accessory Adapter Pipe Kit. Braze field installed refrigerant lines to the coupled end of each adapter pipe while flowing dry nitrogen through the copper pipe during the brazing process.
3.4 Condensate Drain………………………
CONDENSATE DRAIN LINE CONNECTION
Remove condensate drain line cover to access primary and secondary drain line connections. Remove the 3/4″ male threaded plug in order to field install a 3/4″ I.D. copper or PVC adapter fitting, P-trap, and drain line to allow for condensate drainage during the cooling mode operation.
NOTE: It is the licensed HVAC installing contractor’s responsibility to install the condensate drain line in accordance with any prevailing local, state, and federal codes and regulations.
CONDENSATE DRAIN PAN CONFIGURATION
The condensate drain pan is configured from the factory to allow for Vertical or Horizontal Left installations. For Horizontal Right installations, remove the condensate drain pan and configure it to the opposite side of the Indoor Unit as shown below, for all condensate to drain through the factory drain pan and drain line connection.
3.5 Electrical…………….
POWER SUPPLY
| Model | Nominal Operating Voltage | Operating Voltage Range | Minimum Circuit Ampacity | Maximum Overcurrent Protection |
| FLEXX24HP230V1BH | 208-230V /1Ph / 60Hz | 187-253V | 4 | 15 |
| FLEXX36HP230V1BH | ||||
| FLEXX48HP230V1BH | 8 | |||
| FLEXX60HP230V1BH |
WARNING
The Indoor Unit is manufactured for use with a 208-230V / 1Ph / 60Hz electrical power supply and must not be reconfigured to operate with any other voltages. The Indoor Unit must have an uninterrupted, unbroken, electric grounding to minimize the possibility of serious injury or death if an electric fault occurs. It is the licensed HVAC installing contractor’s responsibility to install and/or hire a licensed electrical contractor to install the properly sized wiring, circuit breaker, and fused service disconnect as well as follow all proper grounding methods in accordance with all local, state, and federal codes and regulations.
NOTE: Installation of a field-supplied Surge Protector is recommended to help protect equipment and electronics from electrical surges, blackouts, brownouts, and any other power supply issues.
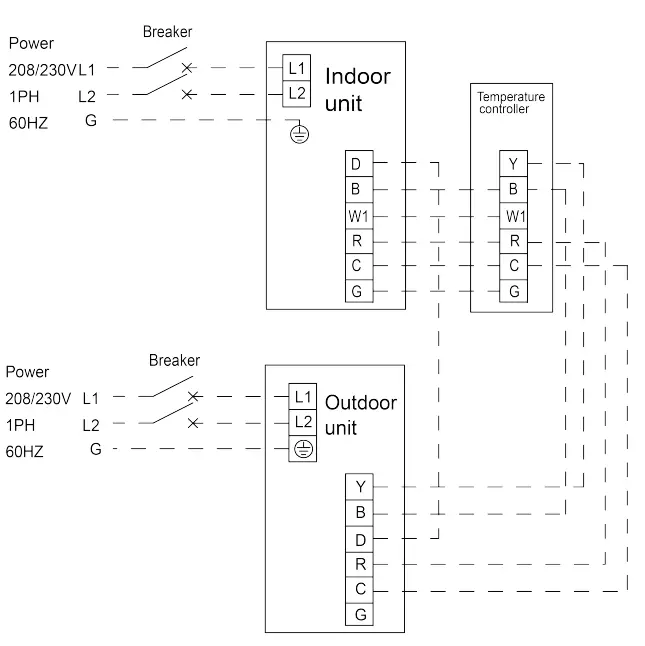
LOW VOLTAGE CONTROL WIRING
NOTE:
Y means Compressor control signal for the outdoor unit;
B which is energized under the heating mode means a 4-way valve control signal;
D means defrosting signal; R means 24V AC power supply;
C means 24V common;
G means indoor unit fan signal for the indoor unit; W1 means heater control signal.
NOTE: For a cooling-only unit, there is no need to connect the B and D terminals.
NOTE: When outdoor defrosts, D of outdoor unit will send 24V signal to avoid cold winds.
NOTE: When the electric heating operates, the indoor unit is forced to open the indoor unit fan.
Warranty
- High and low-voltage wires should be led through different rubber rings of the electric box cover.
- Do not bundle up the ht thermostat wires or lay them side by side, otherwise, errors will occur.
- High and low-voltage wires should be secured separately. Secure the former ones with big clamps and the latter ones with small clamps.
- Use screws to tighten up the thermostat wires and power cords of the unit on the terminal board. Wrong connections may lead to fire hazards.
- If the thermostat wires of the unit and power cords are not correctly connected, the air conditioner may get damaged.
- Ground the unit by connecting the ground wire.
- The units should comply with applicable local and national rules and regulations on power consumption.
- When connecting the power cords, make sure the phase sequence of the power supply matches with the corresponding terminals, otherwise, the compressor will get reversed and operate abnormally.
3.6 Optional Electric Heater……………….
| Indoor Unit Model | Cooling Capacity | Electric Heater Model | Electric Heater Size(kW) |
| FLEXX24 / 36HP230V1BH | 24K / 36K | FLEXXHTR5KW | 5 |
| FLEXX24 / 36HP230V1BH | 24K / 36K | FLEXXHTR8KW | 8 |
| FLEXX36 / 48 / 60HP230V1BH | 36K / 48K / 60K | FLEXXHTR10KW | 10 |
| FLEXX48 / 60HP230V1BH | 48K / 60K | FLEXXHTR15KW | 15 |
| FLEXX48 / 60HP230V1BH | 48K / 60K | FLEXXHTR20KW | 20 |
NOTES:
- Optional Electric Heater “Sold Separately”.
- When Optional Electric Heater is installed, the Indoor Unit power supply must be connected to circuit breakers provided with Electric Heater. *Refer to Electric Heater Installation Instructions for all electrical requirements*
For more information on the optional Electric Heater, power supply requirements, and step-by-step installation instructions please visit www.greecomfort.com or use the camera on your smartphone to scan the QR code below:
3.7 Ductwork…
WARNING
Do not install any return ductwork in an area that can introduce toxic, or objectionable fumes and/or odors into the system and supply air. It is the licensed HVAC installing contractor’s responsibility to properly install, seal, and insulate all ductwork and air distribution in accordance with all local, state, and federal codes and regulations.
NOTES:
- Do not operate the Indoor Unit without all ductwork attached and completed.
- Do not operate the Indoor Unit in any dust-laden construction sites or high chemical latent load environments where corrosion and damage to the equipment will occur.
- The indoor Unit can be ducted for a Vertical, Horizontal Left, or Horizontal Right installation.
- The indoor Unit cannot be installed for any Down Discharge applications.
- See the previous “2.1 Physical Dimensions” section for dimensions needed to size plenums.
- Ductwork must be designed based on the Indoor Units fan capabilities, see the previous “2.2 Fan Performance” section for details.
- Using the ACCA Manual D Residential Duct Design to size all ductwork, and properly air balancing the system, is recommended to ensure optimum performance, efficiency, and comfort.
3.8 Leak Test……………………….
WARNING
It is the licensed HVAC installing contractor’s responsibility to follow all safety procedures and to utilize all required personal protective equipment while leak testing with high-pressure dry nitrogen. Failure to do so could result in death or serious injury.
NOTES:
- The indoor Unit has a factory R-410a holding charge as shown on the data plate. Liquid and Gas service valves on Indoor Unit must remain in the closed position while leak testing both refrigerant lines with dry nitrogen.
- Refrigerant lines must be leak tested to a minimum of 500 psi with the use of dry nitrogen and pressure must hold at 500 psi or higher for a minimum of 1 hour.

Recommend first pressurizing refrigerant lines to 100 psi with the use of dry nitrogen, then continuing to a minimum of 500 psi if no leaks are found to be present.
3.9 Evacuation………………..
NOTES:
- Safely release dry nitrogen from refrigerant lines.
- Evacuate refrigerant lines with the use of a vacuum pump and micron gauge.
- Refrigerant lines must be evacuated to a minimum of 200 microns or less. After shutting of vacuum pump, the vacuum must hold for a minimum of 1 hour without rising above 500 microns to ensure that no moisture or non-condensables are present.

Recommend attaching a micron gauge directly to the vacuum pump to test and verify it is capable of reaching 50-100 microns or less, before starting the evacuation process. If this level of vacuum cannot be reached during the test, replacing the vacuum pump oil or vacuum pump itself may be necessary to achieve the 500 microns or less vacuum required.
3.10 Refrigerant Charge……..
NOTES:
- The indoor Unit has a factory R-410a holding charge as shown on the data plate.
- Refer to FLEXX Outdoor Unit Installation Manual for refrigerant charge instructions.
3.11 Dip Switch Settings……………..
NOTES:
- Any changes to the dip switch settings must be done while the power is off.
- The blower motor will NOT operate if the dip switch configuration does not meet what is shown below for each setting.
- Dip switches will be viewed in an upside-down orientation when Indoor Unit is installed vertically and will change orientation in a Horizontal Left and Horizontal Right installation.
- See the previous “2.2 Fan Performance” section for details of Static Pressure and CFM.

START-UP
5.1 Start-Up Checklist ……….
It is the licensed HVAC installing contractor’s responsibility to CHECK and VERIFY all of the following BEFORE turning on power and starting up the Indoor Unit:
- The Indoor Unit has been installed in accordance with all local, state, and federal codes and regulations.
- Front clearance required for air filter, blower wheel, evaporator coil, and condensate drain pan maintenance has been met.
- Refrigerant pipe sizes and lengths are in accordance with the size and lengths required.
- Condensate drain line size has been installed in accordance with the size required.
- The condensate drain line has been tested by pouring water in the drain pan and verifying all water drains properly.
- Power supply wiring, circuit breaker, and fused disconnect have been installed in accordance with the size/rating required.
- The power supply has been verified with a multimeter to ensure it is in accordance with the Nominal Operating Voltage and Operating Voltage Range required.
- Low voltage control wiring has been installed in accordance with the size/rating required.
- Low voltage control wiring has been verified to ensure each wire is landed on the correct terminal in the Indoor Unit and at the field supplied/installed thermostat.
- All ductwork is completely installed and sealed and volume dampers are in the open position.
- All return and supply grilles in each room are in the open position and are not closed or blocked.
- The leak test and evacuation have been completed.
- Dip switches have been set in accordance with the required positions for the desired fan performance.
- Air filter is installed and all access panels of the Indoor Unit have been reinstalled and secured.
- Liquid and Gas service valves are in the open position.
5.2 Start-Up Report……………..
COMPLETE SECTIONS BELOW AND KEEP FOR FUTURE REFERENCE
Product Information
Installation Date:
Indoor Model No:
Indoor Serial No:
Outdoor Model No:
Outdoor Serial No:
Installer information
Contractor Company:
Contractor Name:
Operating Data
| Operating Data | Cooling | Heating |
| Power Supply (At Indoor Unit) | ||
| L1 to Ground: | ||
| L2 to Ground: | ||
| L1 to L2: | ||
| Low Voltage (At Indoor Unit) R to C terminals: | ||
| Amps Blower Motor: | ||
| Electric Heater (If installed): | ||
| Airflow Supply External Static Pressure: | ||
| Return External Static Pressure: | ||
| Total External Static Pressure: | ||
| Temperature Setpoint at thermostat: | ||
| Supply Air: | ||
| Return Air: | ||
| Indoor Ambient: |
It is the licensed HVAC installing contractor’s responsibility to provide the homeowner/end user with instruction and training on how to operate the system in cooling and heating from the field supplied/installed thermostat.
TROUBLESHOOTING
Check the following before contacting your local distributor and Tech Support:
Problem | Possible Cause | Possible Remedy |
|
Cooling, heating, or indoor fan does not operate. | The thermostat is not set to cool, heat, or fan on. | Verify thermostat mode settings and adjust accordingly. |
| Thermostat temperature setting. | Adjust thermostat temperature setpoint. | |
| No power. | Verify circuit breakers and service disconnects are in the on position | |
| The utility company overrides control. | If enrolled in an energy discount plan, contact the utility company for further details. | |
| Insufficient cooling or heating. | Dirty air filter. | Clean or replace the indoor return air filter. |
| Thermostat temperature setting. | Adjust thermostat temperature setpoint. | |
| Closed or blocked grilles. | Verify all return and supply grilles in each room are not closed or blocked. | |
| Opened doors or windows. | Keep all doors and windows closed while operating the system in cooling or heating. | |
| Rooms are exposed to excessive direct sunlight. | Close window coverings to reduce heat load. | |
| Restricted airflow at the outdoor unit. | Keep the area around the outdoor unit clear and remove any debris or leaves from the unit. |
If none of the possible remedies above were able to resolve the problem, then please contact your local distributor and Tech support for further assistance in troubleshooting.
MAINTENANCE & CARE
Routine maintenance & care must be performed on this equipment to ensure that the system is running at its optimum performance and efficiency.
AIR FILTER
Check the air filter every 30 days during cooling and heating seasons, and clean or replace it if it’s dirty. To access the air filter, remove the filter access door and pull the air filter out of the Indoor Unit, as shown in the steps below:
INDOOR UNIT
Routine inspection and maintenance of the following must be completed regularly by a licensed HVAC contractor:
- Inspect and clean the blower motor, blower wheel, and housing.
- Inspect all electrical components and tighten all wiring connections.
- Inspect and clean the evaporator coil, condensate drain pan, and drain line.
- Test operation of equipment and perform any repairs necessary.
U.S. CONTACT INFORMATION TRADEWINDS, LLC
E-mail: [email protected]
Contractor Support: 888-850-7928
Mon-Fri 8 AM – 5 PM EDT
GREECOMFORT.COM
CATNO:GREE_GREE_FLEXX_BH_INSTALL_041422
For more information on the optional Electric Heater, power supply requirements, and step-by-step installation instructions please visit www.greecomfort.com or use the camera on your smartphone to scan the QR code below:





















