
Signature Electric Fireplace Instructions

MODEL#: EF19-42A
THIS PRODUCT WAS MANUFACTURED BY PAITE FOR ASHLEY FURNITURE INDUSTRIES, INC.
IMPORTANT SAFETY INFORMATION
PLEASE READ AND CAREFULLY FOLLOW ALL OF THE INFORMATION AND INSTRUCTIONS IN THIS USER GUIDE, INCLUDING ALL SAFETY, OPERATING, AND MAINTENANCE INFORMATION.
IF THE INFORMATION IN THIS USER GUIDE IS NOT FOLLOWED EXACTLY, FIRE, ELECTRIC SHOCK, BURN, DEATH OR OTHER SERIOUS INJURY AND/OR PROPERTY DAMAGE MAY RESULT.
You electric fireplace is fully assembled from the factory. No assembly is required to begin using the fireplace. There are no user serviceable parts inside the fireplace. If the unit appears to malfunction, turn the unit off and unplug the unit from the wall immediately. Please contact the Customer Service. Alteration of the fireplace will void its warranty and may cause the fireplace to malfunction resulting in electrical shock, fire, death or serious bodily injury or property damage.
WHILE IN USE AND FOR SEVERAL MINUTES THEREAFTER, THE FIREPLACE UNIT CAN GET HOT INCLUDING, BUT NOT LIMITED TO, THE TOP CENTER OF THE FIREPLACE. KEEP CHILDREN AWAY FROM THE FIREPLACE AT ALL TIMES TO AVOID BURN, SHOCK OR SERIOUS INJURY OR DEATH. Always supervise children to ensure they do not play with or touch the fireplace. Do not place any cloth, decorations or other combustible material over the fireplace outlet of the fireplace, or otherwise obstruct the fireplace outlet of the fireplace, as this may cause a fire and serious injury or death may result.
If you have any questions regarding the use of this unit, or find that your fireplace unit needs service, please contact Ashley Furniture Industries at the below number.
1 (800) 477-2222 Customer Service
IMPORTANT SAFETY INSTRUCTIONS
Read all instructions before using this fireplace.
When using electrical appliances, basic precautions should always be followed to reduce the risk of fire, electrical shock, injury or death and property damage. Such precautions include, but are not limited to, the following:
- This fireplace is hot when in use and for several minutes after use. To avoid burns, do not touch hot surfaces of the fireplace such as the heated venting areas of the fireplace. DO NOT ATTEMPT TO MOVE THE FIREPLACE WHILE IT IS PLUGGED IN OR IN OPERATION OR FOR SEVERAL MINUTES AFTER OPERATION. If provided, use handles when moving this fireplace. Keep all combustible materials including, but not limited to, furniture, pillows, bedding, papers, clothes and curtains at least 3 feet(0.9 meters) from the entire fireplace unit
- Always keep children away from the fireplace and be sure to supervise children when they are around the fireplace.
- Always unplug fireplace when not in use.
- To avoid the risk of electrical shock, fire, death or serious bodily injury and property damage, do not operate the fireplace if it has a damaged cord or plug or if the fireplace malfunctions, has been dropped or damaged in any manner. Please call the Customer Service.
- DO NOT USE THE FIREPLACE OUTDOORS as this may result in electrical shock, fire, death or serious bodily injury or property damage.
- This fireplace is not intended for, and must not be used in bathrooms, laundry areas or any other location in, around, or near water or that may become wet. Never locate fireplace where it may fall into a bathtub or other water source. Failure to follow this instruction may result in electrical shock, fire, and serious bodily injury, death or property damage.
- Do not run power cord under carpeting. Do not cover power cord with throw rugs, runners, or the like. Arrange power cord away from traffic area and where it will not be tripped over or damaged.
- To disconnect fireplace, turn controls to off, then remove plug from outlet.
- Connect to properly grounded outlets only.
- Do not insert or allow foreign objects to enter any ventilation or exhaust openings as this may cause an electric shock or fire, or damage the fireplace.
- To prevent a possible fire, do not block fireplace air intakes or exhaust in any manner. Do not operate fireplace on soft surfaces, like a bed, where opening may become blocked.
- A fireplace has hot and arching or sparking parts inside. Do not use in areas where gasoline, paint, or other flammable liquids or fumes are used or stored.
- There is a thermostat limiter inside the fireplace. When the inner temperature becomes equal or over the set thermostat level or abnormal heating occurs, the thermostat protective device will cut off power supply to avoid the fireplace damaged or risk of fire.
- Use this fireplace only as described in this user guide. Failure to do so or using the fireplace in a manner not listed herein may cause fire, electrical shock, death or serious bodily injury or property damage.
- Always plug fireplace directly into a grounded wall outlet/receptacle. Never use with an extension cord or power strip.
SAVE THESE INSTRUCTIONS
PREPARATION
GROUNDING INSTRUCTIONS
This product must be grounded. This product is equipped with a cord having an equipment-grounding conductor and a grounding plug. The plug must be plugged into an appropriate outlet that is properly installed and grounded in accordance with all local codes and ordinances.
This fireplace is for use on 120 volts circuit and has a grounded plug that looks like the one illustrated on Figure 1. See Figure 1 for grounding instruction. An adapter as shown at C is available for connecting three-blade grounding type plugs to two-slot receptacles. The green grounding plug extending from the adapter must be connected to a permanent ground such as a properly grounded outlet box. The adapter should not be used if a three-slot grounded receptacle is available.
Figure 1

Improper connection of the equipment-grounding conductor can result in a risk of electric shock. Check with qualified electrician or service person if you are in doubt as to whether the product is properly grounded. Do not modify the plug provided with the product. If it will not fit the outlet; have a proper outlet installed by qualified electrician.
Note:
A 15amp, 120 volt circuit is required. A dedicated circuit is preferred but not essential in all cases. A dedicated circuit will be required if, after installation, the circuit breaker trips or a fuse blows on a regular basis when the fireplace is operating. Additional appliances on the same circuit may exceed the current rating of the circuit breaker.
SITE PREPARATION
Ensure the power cord is not installed so that it is pinched or against a sharp edge and ensure that the power cord is stored and secured to avoid tripping or snagging to reduce the risk of fire, eletric shock,property damage, serious injury or death.
Locating Your Fireplace
Read and follow the important safety instruction in this user guide. Failure to do so may result in serious bodily injury, death, or property damage.
![]()
Failure to provide a minimum of a 1-1/2 inch gap as instructed could result in a fire, bodily
Injury, death or property damage.
Specification

FCC STATEMENT
NOTE: This equipment has been tested and found to comply with the limits for a Class B digital device, pursuant to Part 15 of the FCC Rules. These limits are designed to provide reasonable protection against harmful interference in a residential installation. This equipment generates, uses, and can radiate radio frequency energy and, if not installed and used in accordance with the instructions, may cause harmful interference to radio communications. However, there is no guarantee that interference will not occur in a particular installation. If this equipment does cause harmful interference to radio or television reception, which can be determined by turning the equipment off and on, the user is encouraged to try to correct the interference by one or more of the following measures:
- Reorient or relocate the receiving antenna.
- Increase the separation between the equipment and the receiver.
- Connect the equipment into an outlet on a circuit different from that to which the receiver is connected.
- Consult the dealer or an experienced radio/TV technician for help.
This device complies with Part 15 of the FCC Rules. Operation is subject to the following two conditions.
- This device may not cause harmful interference and
- This device must accept any interference received, including interference that may cause undesired operation.
Modifications not approved by the party responsible for compliance could void user’s authority to operate the equipment.
OPERATIONS AND FEATURES
Using the Remote Control

Power
This will turn the unit ON and OFF. When it is turn OFF, the fan will continue to continue to run after turning off the heating function to cool and protect heating function to cool and protect period of 3 minutes .When the unit is turned back ON, the system will recall the last heat setting used. Store flame and heating setting.
Adjust Brightness
This allows you to raise or lower the level of flame brightness.
Adjust Speed
This allows you to raise or lower of flame speed with 6 levels. Note: the speed from ┍3–┌4–┌5–┌6–┌1–┌2–┌3.
Timer
This allows you to set the fireplace to automatically shut OFF after the amount of time displayed on the screen, the timer can be set from 10 minutes to 9 hours, the display shows 10, 20, 30, 40, 50, 1H, 2H, 3H, 4H, 5H, 6H, 7H, 8H, 9H. Do not operate fireplace while unattended.
Ambient Light
This will turn the ambient logs ON/OFF.
Adjust Temperature
This allows programming of the thermostat. The fireplace can be used without the heater if desired. Simply cycle through the function until seconds to switch temperature readout from ℉(Fahrenheit) and ℃(Celsius) and back. Must be in Heat mode.
Wireless Connection Power
This will turn the wireless connection power ON and OFF.
Previous
This allows you to select previous track during Wirelesss Connection play or USB.
Next
This allows you to select next track during Wirelesss Connection play or USB.
Pause
This allows you to pause the Wirelesss Connection play or USB.
Volume Down/Up
This allows you to adjust the volume.
Using the Fireplace Touch Control Panel




Using the Wireless Touch Control Panel
Power
This will turn the Wireless Connection ON and OFF.
Volume +
This allows you to turn up the volume.
Volume -
This allows you to turn down the volume.
Pause
This allows you to pause the player. Note: Hold the button for 3 seconds you can enter AUX, USB, wireless selection mode, then select the right mode for playing..
Next
This allows you to select next track.
Previous
This allows you to select previous track.
AUX Indicator
This indicator lights up means enter the AUX mode.
Wireless Connection Indicator
This indicator lights up means enter to the Wireless Connection mode.
NOTE
The fireplace with wireless connection feature, and the device name “Wireless Connection”.
The Fireplace Remote Control
The remote combines all the functions of the front panel controls for flexibility and convenience when changing desired settings.
The first thing to do with the remote control is to remove the plastic sheet insulated the battery. (The battery is supplied with the remote control.) Replacement batteries can be purchase at any electronics store. The part number for the battery is CR2025. Please follow the sequence below to replace the battery.
- Take out battery bracket, and locate the battery bracket (Figure 1)

- The battery number is CR2025. The battery has two sides, one with a button feature, and the other is flat. (Figure 2)

- Insert the battery with the button side into the battery bracket, making sure the battery is firmly seated. (figure 3)

- Press the battery bracket into the remote control, making sure it snaps into position. (Figure 4)

CARE AND MAINTENANCE
Light Emitting Diode
This fireplace is fitted with LED (Light Emitting Diode) bulbs in place of conventional bulbs. These generate the same light levels as convention bulbs, but use a fraction of the energy. These LED bulbs are maintenance free and should not require replacing during the life of the product.
Cleaning
WHILE IN USE AND FOR SEVERAL MINUTES AFTER USE, THE FIREPLACE UNIT CAN GET HOT INCLUDING, BUT NOT LIMITED TO, THE TOP CENTER OF THE FIREPLACE.
Use caution before attempting any maintenance or cleaning to reduce the risk of fire, electric shock, injury or death.
![]()
When transporting or storing the unit and cord, make certain unit is unplugged and has had time to cool down. The fireplace and cord should be kept in a dry place, free from excessive vibration or dust and stored so as to avoid damage.
Before cleaning the fireplace, make sure it has been shut off, unplugged and it has had time to cool down to avoid the risk of burns, fire, shock, serious injury or death. Dust the unit using a clean dry cloth. Use warm water and a clean cloth to wipe off all painted surfaces. Do not use abrasive cleaners.
Use a standard non-flammable glass cleaner for the glass panel of the unit.
IN NO EVENT WILL ASHLEY FURNITURE INDUSTRIES, INC. OR ITS SUBSIDIARIES, AFFILIATES, DIRECTORS, OFFICERS, OR AGENTS (COLLECTIVELY “AFI”), BE LIABLE TO THE PURCHASER OR ANY THIRD PARTY, WHETHER IN CONTRACT, IN TORT, OR ON ANY OTHER BASIS, FOR ANY INDIRECT, SPECIAL, PUNITIVE, EXEMPLARY, CONSEQUENTIAL, OR INCIDENTAL LOSS, COST, OR DAMAGE ARISING OUT OF OR IN CONNECTION WITH THE SALE, MAINTENANCE, USE, OR INABILITY TO USE THE FIREPLACE, EVEN IF AFI OR ITS DIRECTORS, OFFICERS, OR AGENTS HAVE BEEN ADVISED OF THE POSSIBILITY OF SUCH LOSSES, COSTS OR DAMAGES, OR IF SUCH LOSSES, COSTS, OR DAMAGES ARE FORESEEABLE. IN NO EVENT WILL AFI BE LIABLE FOR ANY DIRECT LOSSES, COSTS, OR DAMAGES THAT EXCEED THE PURCHASE PRICE OF THE PRODUCT.
SOME JURISDICTIONS DO NOT ALLOW THE EXCLUSION OR LIMITATION OF INCIDENTAL OR CONSEQUENTIAL DAMAGES, SO THE ABOVE LIMITATION OR EXCLUSION MAY NOT APPLY TO THE PURCHASER.
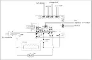
CIRCUIT DIAGRAM

![]()
If the fireplace appears to malfunction, turn the unit off and unplug the fireplace from the wall immediately. Please contact the store that this was purchased from with the original purchase receipt or call 1 (800) 477-2222 for service related questions or concerns. Please do not attempt to repair the electric fireplace.
HARDWARE
The fireplace includes brackets to fix the insert in place inside the furniture. For additional details for installation please check the furniture assembly instructions.
Hardware included: (2) adjustable brackets, (1) Allen key (M4), (2) Phillips screws and (2) bolts with (1) 1/4” Flat Washer, (1) 1/4” Lock Washer.

TROUBLE SHOOTING GUIDE
There are no user serviceable parts inside the fireplace. If the unit appears to malfunction, turn the unit off and unplug the unit from the wall immediately. Please contact the store that this was purchase from with the original purchase receipt or call 1 (800) 477-2222 for service related questions or concerns. Alteration of the fireplace will void its warranty and may cause the fireplace to malfunction resulting in electrical shock, fire, death or serious bodily injury or property damage.


Warranty & Return Policies
Please refer to the included warranty card. Be sure to keep this manual and warranty card for possible future use.
Manufactured by Guangdong Paite Electrical Technology Co. LTD for Ashley Furniture Industries, Inc.
FCC Radiation Exposure Statement
This equipment complies with FCC radiation exposure limits set forth for an uncontrolled environment. This equipment should be installed and operated with a minimum distance of 20cm between the radiator and your body. This transmitter must not be co-located or operating in conjunction with any other antenna or transmitter.
Specification






















