Clarke PC20 Phase Converter Instructions
INTRODUCTION
Please read these instructions carefully before operating the converter
Thank you for purchasing this CLARKE Single to 3 Phase Converter. i.e. to run 3- phase asynchronous motors ONLY, from a 230V single phase supply.
Please note that this device, because of its characteristics is for use primarily with constantly running motors. It is not desirable for use with stop start operations.
Before using the device, please read this manual thoroughly and carefully follow all instructions given. This is for your own safety and that of others around you, and is also to help you achieve long and trouble free service from your new product.
SPECIFICATIONS
| Dimensions (D x W x H) | 260 x 220 x 335 mm |
| Weight | 13.8 kg |
| Input Voltage | 230V AC, ~ 50 – 60Hz, |
| Max input current | 10 Amps |
| Input current fuse | 13 Amps |
| Input cable size | 1.5 mm |
| Output voltage | 3ph 400VAC |
| Max output | 2 HP |
GUARANTEE
This CLARKE product is guaranteed against faulty manufacture for a period of 12 months from the date of purchase. Please keep your receipt as proof of purchase.
This guarantee is invalid if the product is found to have been abused or tampered with in any way, or not used for the purpose for which it was intended.
Faulty goods should be returned to their place of purchase, no product can be returned to us without prior permission.
This guarantee does not effect your statutory rights
SAFETY
WARNING: AS WITH ALL MACHINERY, THERE ARE CERTAIN HAZARDS INVOLVED WITH THEIR OPERATION AND USE. EXERCISING RESPECT AND CAUTION WILL CONSIDERABLY LESSEN THE RISK OF PERSONAL INJURY. HOWEVER, IF NORMAL SAFETY PRECAUTIONS ARE OVERLOOKED, OR IGNORED, PERSONAL INJURY TO THE OPERATOR MAY RESULT.
Special care is taken during all stages of manufacture to ensure that your Clarke Phase Converter reaches you in good condition.
Before using this equipment, it is in your own interest and others around you, that you read and comply with ALL the information given.
NEVER open or remove any covers on this equipment while it is still connected to the mains. NEVER operate with any panels open or removed.
NEVER attempt to repair this equipment, unless you are a qualified electrician.
If you do experience any problems which you are unable to safely resolve, contact your local dealer or Clarke International Service Department on: 020 8988 7400
NEVER use in wet or damp environments.
Whilst this unit has been built to comply with current EMC regulations, the user is responsible for installing and using it. If electromagnetic disturbances are detected then it shall be the responsibility of the user to resolve the situation. In some cases it could involve constructing an electromagnetic screen enclosing the power source and the work complete with associated input filters. In all cases electromagnetic disturbances must be reduced to the point where they are no longer troublesome.
IMPORTANT: HEALTH AND SAFETY AND IEE REGULATIONS MUST BE OBSERVED AT ALL TIMES.
ENVIRONMENTAL RECYCLING POLICY
Through purchase of this product, the customer is taking on the obligation to deal with the WEEE in accordance with the WEEE regulations in relation to the treatment, recycling & recovery and environmentally sound disposal of the WEEE.
In effect, this means that this product must not be disposed of with general household waste. It must be disposed of according to the laws governing Waste Electrical and Electronic Equipment (WEEE) at a recognized disposal facility
INSTALLATION
We would recommend that the installation of this equipment is carried out by a qualified electrician, who has a full understanding of industrial switching applications.
It is the users responsibility to provide adequate protection for the intended motor and to ensure that the supply and cabling is of sufficient capacity to enable the motor to start without causing undue supply disturbances due to a voltage drop.
Before installing this equipment, careful consideration must be given to the location in which it is to be used, also what machinery it is intended to run, such as drills, lathes, milling machines, circular saws etc.
WARNING: THESE CONVERTERS ARE NOT SUITABLE FOR USE WITH CAR HOISTS, COMPRESSORS & VACUUM PUMPS DUE TO THEIR HIGH START UP LOADS.
Once the location has been established, the installation may be carried out as follows.
ELECTRICAL CONNECTION
Check details on converter rating plate are compatible with the electric supply and the machine to be driven. (machine details should be found on the motor data plate).
NOTE: The converter will only supply a 3 phase, 3 line load as standard, if a neutral is required. Contact your nearest dealer or Clarke Service for advice.
NOTES:
- Cable sizes above are the minimum sizes for up to 20 metres. For cables over this length refer to the current IEE regulations.
- Model PC20 is provided with 2M (minimum) of 3-core cable fitted with a 13amp plug, for use with a standard, domestic 13 amp supply.
IMPORTANT: The wires in the mains lead are coloured in accordance with the following code:
- Green & Yellow: Earth
- Blue: Neutral
- Brown: L
As the colours of the flexible cable of this appliance may not correspond with the coloured markings identifying terminals in your plug, proceed as follows:
- Connect GREEN & YELLOW wire to plug terminal marked with a letter “E” or Earth symbol “
”, or coloured GREEN or GREEN & YELLOW. - Connect BROWN wire to plug terminal marked letter “L” or coloured RED.
- Connect BLUE wire to plug terminal marked letter “N” or coloured BLACK.
CONNECTING THE OUTPUT
The output is plugged into the socket (E, Fig. 2), using a 4-pin -plug (not provided). The illustration below shows the socket configuration.
This unit requires a 16A, 400V (3-pin+ earth) plug which should be wired ensuring pins L1 and L3 are used for the connections across the motor windings;- i.e. these are the ‘hot phases’.

OPERATION
- Before inserting the output plug, switch all three switches (G) to OFF. Then switch the converter ON, using the ON/OFF switch (A) on the front panel. In this condition the lamp (B) and the rocker switch A will illuminate. Check to ensure the ammeter (C) is set to zero. If necessary, adjust using the small adjustment screw located at the bottom centre of the ammeter so that it reads zero.
- Switch OFF the converter and connect the plug from the motor to the output socket (E).
- Using the three switches (G), set the output so that it is equivalent to the HP of the motor to be driven. This value should be found on the motor data plate. The chart below shows the switch settings for the required outputs.
- With the switches set, and the output plugged in, switch ON the converter and proceed to start the motor/machine. Note that indicator lamp (F) will illuminate when the switches (G) are set.

DO NOT ADJUST THE SWITCHES (G) WHEN THE PHASE CONVERTER IS SWITCHED ON.
Model PC20
| Motor HP | SW 1 0.5HP | SW 2 0.5HP | SW3 1|HP |
| 0.5 | ON | OFF | OFF |
| 0.5 | OFF | ON | OFF |
| 1 | ON | ON | OFF |
| 1 | OFF | OFF | ON |
| 1.5 | ON | OFF | ON |
| 1.5 | OFF | ON | ON |
| 2 | ON | ON | ON |
THERMAL OVERLOAD
Should the unit overheat, the thermal overload will trip, shutting off supply to the motor/machine. In this event, switch OFF and wait for at least 5 minutes to allow it to cool before pressing the Reset button (D, Fig.2), and restarting. You should also investigate the reason for overheating and take the necessary steps to avoid this re-occuring. If necessary, consult a qualified engineer.

NOTES:
- Please take into account the various losses which are incurred in the conversion from single to three phase supply. It will be necessary to select an output from the Converter which is greater than the rated power of the motor being driven. Ensure also the wiring to the motor is of sufficient size so as not to incur losses.
- If the machine, which is to be fed from the converter, has a contactor starter it should be noted that the control circuit should be fed from the two live phases (pins ‘L1’ and ‘L3 in the socket). Should the contactor chatter or not operate at all, this indicates that the control circuit is not fed from lines ‘L1’ and ‘L3’.
- If the control circuit is designed for 230 volts AC, a separate feed for the control circuit must be provided. Ask a qualified technician if in doubt.
- When using the converter with multispeed machines, care must be take to allow the machine to slow down before switching from high to low speeds, If this procedure is not followed, the excess motor, back E.M.F. could damage both the converter and motor.
- When reversing the motor, ensure that the motor has stopped fully before doing so.
- For some applications of small motors or motors of unusual magnetic characteristics, it may be necessary to provide a pilot motor to obtain a balance of phases. Generally the pilot motor should be a 2 pole (2800 rpm) motor and as a general guide should be at least twice as big as the motor to be driven.
If necessary, consult a qualified technician.
PARTS LIST & DIAGRAM
| No | Description | Suppliers No |
| 1 | Frame | EM21690441 |
| 2 | Green Pilot Light Switch 16A-250V | EM22200039 |
| 3 | Circuit Breaker 10A | EM22210005 |
| 4 | Ammeter 8A F516 | EM 22600045 |
| 5 | Front Panel | EM 33710372 |
| 6 | Handle | EM 21600045 |
| 7 | Contactor 220V 10A | EM 22225006 |
| 8 | Cover Panel | EM 33705460 |
| 9 | Relay LY2 24VDC | EM 22225318 |
| 10 | Socket For LY2 Relay PTF 80A | EM 22225319 |
| 11 | Orange Pilot Lamp 220V | EM 22610013 |
| 12 | Cable Clamp For Cable Diam.6+ Screw | EM 04600233 |
| 13 | Input Cable 3×1,5 M2,5 W/UK Plug +Fuse 13A | EM 20220068 |
| 14 | Double Pole Black Switch | EM 22200043 |
| 15 | CEE 16A 380V 3PH Socket + Panel Earth | EM22105067 |
| 16 | Capacitor 4.7mf-63V 5×11 P-2 | EM26000005 |
| 16 | W10 Rectifier | EM 26014005 |
| 17 | 6k8 Ohm 50W Armoured Resistance | EM26031001 |
| 18 | Auto transformer | EM 44145002 |
| 19 | Capacitor Support | EM 33640256 |


| 20 | Lower Panel | EM33700265 |
| 21 | Capacitor MKM 5MF 450V 35×48 | EM22315025 |
| 21 | Capacitor MKM 8MF 450V 30x 78 | EM22315026 |
| 21 | Capacitor MKM 16MF 450V 45 x 80 | EM22315028 |
| 21 | Capacitor MKM 20MF 450V 45×80 | EM22315029 |
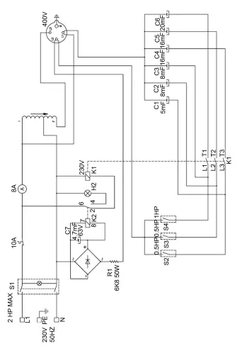
WIRING DIAGRAM

DECLARATION OF CONFORMITY
DECLARATION OF CONFORMITY
This is an important document and should be retained.
We hereby declare that this product(s) complies with the following directive(s): 2014/30/EU Electromagnetic Compatibility Directive. 2014/35/EU Low Voltage Equipment Directive. 2011/65/EU Restriction of Hazardous Substances (amended by (EU) 2015/863).
The following standards have been applied to the product(s): EN 61000-6-1, EN 61000-6-3.
The technical documentation required to demonstrate that the product(s) meet(s) the requirement(s) of the aforementioned directive(s) has been compiled and is available for inspection by the relevant enforcement authorities.
The CE mark was first applied in: 2007
Product Description: Phase Converter
Model number(s): PC 20
Serial I batch Number: N/A
Date of Issue: 15/12/2020
Signed:


PARTS & SERVICE
0208 988 7400
Parts & Service: 020 8988 7400
Parts Enquiries: [email protected]
Servicing & Technical Enquiries [email protected]
SALES: UK 01992 565333 or Export 00 44 (0)1992 565335
1:11114:11 INTERNATIONAL Hemnall Street, Epping, Essex CM16 4LG
www.clarkeinternational.co


















