
SHADOW 3 & 4kW INDUSTRIAL INFRARED HEATERS
Safety Instructions and Operation Manual
Model numbers
903670 Shadow 4kW Horizontal
903670-15 Shadow 3kW Horizontal
903675 Shadow 4kW Vertical
903676 Shadow 3kW Vertical

Introduction
High Power Industrial Heating
Shadow industrial and warehouse infrared heaters combine the marketed leading Ultra Low Glare infrared lamp technology, with advanced outer casing construction, allowing us to achieve up to 18kW of short-wave infrared heat.
The Shadow 3kW or 4kW Industrial Heater is the perfect option to heat medium sized industrial areas designed specifically for higher ceiling spaces.
Heating large or difficult to heat buildings generally requires high power and energy efficient heating solutions. The Shadow Industrial heater range is just that and possesses all the necessary characteristics to make it the best choice for large spaces.
Impressive Heat. Fast.
The Shadow Industrial Heater excels at taking no time at all to produce truly impressive amounts of heat and warm up people and objects within its coverage area, an important factor when dealing with large open spaces. The 3kW is the lowest power industrial model we currently offer, with 4kW, 6kW, 9kW, 12kW, 13.5kW and 18kW models also available for customers that require more power. Units with a power of 9kW or above use a 3 phase power supply of 415v.
More Power, Less Waste.
The short-wave infrared our heaters operate, cuts through airflow to directly target the surrounding objects and people. This is different to gas heaters, where the heat will rise and result in much of the heat being wasted.
Flexible, Stylish Design.
The Shadow 3kw or 4kW Industrial heater offers a flexible design that allows it to be mounted almost anywhere, so you can maximise its heat output and ensure it is running to its full potential. This infrared heater has been operated in a number of different settings, including indoor sports venues, churches, large factories, zoos, shopping malls and many more.
Important Safety Instructions
When using electrical appliances, basic safety precautions should always be followed to reduce the risk of fire, electric shock, or injury to persons, etc. Read through the operation and assembly instructions conscientiously before operating the appliance. Be sure to keep the manual in a safe place for future reference. If you pass the appliance on, pass on the instructions too.
- Check if the voltage indicated on the nameplate of the appliance corresponds to the local mains voltage before you connect the appliance.
- The power supply to the appliance should correspond to the relevant regulations of the power supply companies and the regional construction regulations. Extension cords and multi-sockets may be used only if care is exercised in their use. The marked electrical rating of the extension cord or multi-socket should have adequate current carrying capacity and correspond to the relevant regulations of the power supply companies and the regional construction regulations. Check if the voltage indicated on the appliance corresponds to the marked electrical rating of the extension cord or multi-socket before you connect the appliance.
- The appliance is not located immediately below a wall socket-outlet.
- Never install this appliance close to anything combustible material, such as furniture, curtains, etc.
- In order to avoid overheating and fire hazard, do not cover or obstruct the appliance. Do not put any of the following materials on the appliance, such as clothes, blanket, pillow, paper etc.
- The casing and the front cover of the appliance become extremely hot during operation. Pay attention that, no combustible material due to Wind or other environmental influences covers or obstructs the appliance, such as curtains, marquees, flags, plastic foil etc. Do not touch the appliance. Caution! Risk of scald injury!
- Do not let the cord hang over edge of table or counter, or touch hot surfaces.
- If the supply cord is damaged, it must be replaced by the manufacturer or its service agent or a similarly qualified person in order to avoid a hazard.
- In case of improper use, there is a risk of electrical shock and/or fire hazard. Operation of the appliance must be discontinued and remove the mains plug immediately. Do not try to repair the appliance by your-self. Please contact with the service agent or a suitably qualified electrician for maintenance.
- Remove the unit from the power outlet and wait until the appliance is sufficiently cooled off before cleaning.
- This appliance is not intended for use by persons (including children) with reduced physical, sensory or mental capabilities, or lack of experience and knowledge, unless they have been given supervision or instruction concerning use of the appliance by a person responsible for their safety.
- Keep out of reach of children. In order to keep children from the dangers of electrical appliances, never leave them unsupervised with the machine. Consequently, when selecting the location for your machine, do so in such a way that children do not have access to the machine. Children being supervised not to play with the appliance.
- The appliance must only be mounted by a competent person, paying attention to the relevant regulations of the power supply companies and the regional construction regulations.
Installation
For additional protection the installation of a residual current device (RCD) is advisable.
- Remove all package material (including anti-vibration object of the lamp) and check the appliance, supply cord and the plug for signs of damage.
- Pay attention to the mounting place and all mounting material(dowels, screws). Ensure they are suitable and stable enough for mounting and lastingly holding of the appliance.
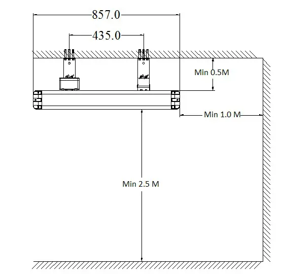
- Before mounting, the minimum safe mounting distances and tilt angles shown in the figures must be strictly followed.
1. The distance between the bottom edge of the appliance and the floor must be at least 2.5 M.
2. There must be a distance of at least 0.5 M between the appliance and the ceilings, roofs or other covers.
3. There must be a distance of at least 1.0 M at each side between the appliance and walls or the like. See figure 2.
4. When wall mounting the optimum angle to mounting surface is 45°. Figure 3
5. The heaters are also widely used hung from the ceiling. When ceiling mounted the heaters are more efficient if mounted at a slight angle of between 10-20° to create better heat distribution. - Pay attention that, the installation of the appliance must not add excessive wind load.
- Fix the mounting bracket on the wall or ceiling first. Ensure that the place to be installed is secure and firm and is capable of supporting the required weight.
- Adjust the desired angle of radiation and fasten all screws. Check regularly the screw’s connection. Mechanical bearing pressure and oscillation due to wind or rain could lead to loose.
- Plug in the power source. Then observe, whether during the first 10-15 minutes the appliance works trouble-free.
| Figure 1: Mounting bracket (wall bracket) and anchor dowels provided. Connection from the wall to the infrared heater. | Figure 2 Min. distance to floor, ceiling and wall – |
![]() | ![]() |
| Figure 3 :Tilt angle | |
![]() | |
Specifications
| Specification | □ 903670 – Horizontal □ 903670 – Vertical | □ 903670 – Horizontal □ 903670 – Vertical |
| Voltage (V) | □ 240V ~, 50Hz | □ 240V ~, 50Hz |
| Power consumption (W) | □ 3000W (13A) | □ 4000W (17A) |
| Lamps | □ 1500W x2 | □ 2000W x2 |
| Replacement lamp part no. | □ 903670L15 | □ 903670L |
| Cable length | □ 1.8m (1.5mm²) | □ 1.8m (2.5mm²) |
| IP protection | □ IP65 | □ IP65 |
Cleaning and Maintenance
- This appliance is consist of a robust and maintenance-free aluminum casing. No user serviceable parts inside.
- Before cleaning, remove the plug from the power outlet and wait until the appliance is sufficiently cooled off.
- Wipe the appliance only with clean and lint-free cloth or a soft brush.
- Never use abrasive cleaners, scrubbing brushes and chemical cleaners for cleaning!
- The alcohol can be used to clean the appliance. When cleaning the reflector, please contact with the service agent or a suitably qualified electrician if the reflector needs to be removed
- To protect against electrical shock and danger of life, do not immerse cord, plug, or any part of the appliance in water or other liquid.
- For infrared heating lamp replacements, please contact Heat Outdoors.
Disposal
Correct Disposal of this product
This marking indicates that this product should not be disposed with other household wastes throughout the EU. To prevent possible harm to the environment or human health from uncontrolled waste disposal, recycle it responsibly to promote the sustainable reuse of material resources. To return your used device, please use the return and collection systems or contact the retailer where the product was purchased. They can take this product for environmentally safe recycling.
Customer Service
Repairs must be carried out by authorize specialists, thus ensuring electrical safety. Please contact with the service agent or a suitably qualified electrician. Improper repairs could lead to danger to the user. This warranty does not cover damage of failure which results from alteration, accident, misuse, abuse, neglect, commercial use or improper maintenance.
In line with our policy of continuous product development we reserve the right to change the product and documentation specifications without notice.

www.heat-outdoors.co.uk
Help Line
01279 466500
[email protected]




















