cooking collection
Instructions for use and warranty details
Gas Cooktop
Model No.: GCTK6012
GCTK6012 Gas Cooktop
Dear Customer,
Thank you and congratulations for choosing Kleenmaid.
Your new appliance has been designed and meticulously tested to ensure that it meets all your culinary requirements, and has been carefully manufactured using top quality materials to give you years of reliable performance.
For best results, carefully read the instructions on how your new appliance is to be installed. Correct installation will avoid delays and unnecessary service call costs.
Once installation is complete, please read this instruction manual carefully and get to know the controls and the features of your new Kleenmaid appliance. These simple instructions will enable you to achieve excellent results from the very first time you use it.
Again, congratulations and thank you for choosing The Best You Can Own.
KLEENMAID Please read carefully
If you are unsure of any of the information contained in these instructions, please contact our customer care centre.
The manufacturer shall not be responsible for any damages to persons or property caused by incorrect installation or use of the appliance. be considered necessary or useful, also in the interests of the user, without jeopardising the main functional and safety features of the product itself.
The appliance is designed for a domestic environment and not for commercial use.
Safety instructions
- Please take the time to read this User Manual before installing or using the appliance.
- This User Manual must be kept with the appliance for any future reference. If the appliance is sold or transferred to another person, ensure the booklet is passed on to the new user. The latest version of this manual is available on our website. (See back cover for details.)
- The manufacturer declines any liability should these safety measures not be observed.
- The following marks are made to be easily understood so that you can prevent in advance any accident caused by misuse, and use the appliance more conveniently.
- Read the following contents thoroughly and ensure you understand them .
| Neglect of this mark may result in severe personal injury or death. | |
| Neglect of this mark may result in minor personal injury or property damage. |
- The following marks are used in the Instruction Manual as follows:
| Caution | |
| No Fire Tool | |
| No Access | |
| Must Do |
Danger
- Do not turn on the light.
- Do not switch on/off any electrical appliance and do not touch any electric plug.
- Do not use a telephone.
1 Stop using the product and close the intermediate valve.
2 Open the window to ventilate.
3 Contact our service centre by using a phone outside.
![]()
- The fuel gas contains mercaptan, so that you can smell the gas leak (smell of rotten garlic or egg) even where the gas is present in a proportion of only 1/1000 of the air.
installation safety
Warning
- This appliance shall be installed in accordance with regulations in force and only used in a well ventilated space.

- Prior to installation, ensure that the gas and electrical supply complies with the type stated on the rating plate.

- Where this appliance is installed in marine craft or in caravans, it should not be used as a space heater.

- The gas pipe and electrical cable must be installed in such a way that they do not touch any parts or the appliance.

Caution
- This appliance should be installed by a qualified technician or installer.
- The adjustment conditions for this appliance are stated on the label o r data plate.
- Remove all packaging before using the appliance. There are specific accessories supplied which should be retained for installation and not discarded with packaging eg. screws. Also see page 10 for a list of included accessories.
- After unpacking the appliance, make sure the product is not damaged and that the connection cord is in perfect condition. Otherwise, contact the dealer before installing
the appliance. - The adjacent furniture and all materials used inthe installation must be able to withstand a minimum temperature of 85°C above the ambient temperature of the room it is located in, whilst in use.
- In the event of burner flames being accidentally extinguished, turn off the burner control and do not attempt to re-ignite the burner for at least one minute.
- The use of a gas cooking appliance results in the production of heat and moisture in the room in which it is installed. Ensure that the kitchen i s well ventilated: keep natural ventilation holes open or install a mechanical ventilation device (mechanical extractor hood).
- Prolonged intensive use of the appliance may call for additional ventilation, for
example opening of a window, or more effective ventilation, for example increasing the level of mechanical ventilation where oresent.
Child and pseoole safety
Warning
- Do not allow children to play near or with the appliance. The appliance gets hot when it is in use. Children should be kept away until it has cooled.

Caution
- This appliance is designed to be operated by adults.
- Children can also injure themselves by pulling pans or pots off the appliance.
- This appliance is not intended for use by children or other persons whose physical, sensory or mental capabilities or lack of experience and knowledge prevents them
from using the appliance safety without supervision or instruction by a responsible person to ensure that they can use the appliance safety.
DURING USE
Warning
- Only use the appliance for preparing food.

- Do not modify this appliance. Burner panel is not designed to operate from an external timer or separate remote control system.

- The use of a gas cooking appliance results in the production of heat and moisture in the room i n which it is installed. Ensure that the kitchen i s well ventilated : keep natural ventilation holes open or install a mechanical ventilation device (mechanical extractor hood).

- Do not use this appliance if it comes i n contact with water. Do not operate this appliance with wet hands.

- The heating and cooking surfaces of the appliance become hot when they are in use, take all due precautions.

- Do not use large cloths, tea towels or similar as the ends could touch the flames and catch fire.

- Never leave the appliance unattended when cooking.

- Unstable or mis-shapen pans should not be used on the appliance as they can cause an accident by tipping or spillage.

- Do not use or store flammable materials in the storage drawer near this appliance.

- Perishable food, plastic items and aerosols may be affected by heat and should not stored above or below the appliance.

- Do not spray aerosols in the vicinity of this appliance while it is in operaiton.

- Ensure the control knobs are i n the ‘
’ position when not i n use.
Caution
- This appliance is intended for domestic cooking only. It is not designed for commercial or industrial purposes.
- Prolonged intensive use of the appliance may call for additional ventilation, for example opening of a window, or increasing the level of mechanical ventilation where present.
- Use heat-resistant pot holders or g loves when handling hot pots and pans.
- Do not let pot holders come near open flames when lifting cookware.
- Take care not to let pot holders or g loves get damp or wet, as this causes heat to transfer through the material quicker, with the risk of burning yourself.
- Only ever use the burners after placing pots and pans on them. Do not heat up any empty pots or pans.
- Never use plastic or aluminium foil dishes on the appliance.
- When using otherelectrical appliances, ensure the cable does not come into contact with the appliance surfaces of the cooking appliance.
- If you have any mechanical parts eg. an artifical heart in your body, consult a doctor before using the appliance.
- Do not use a tea towel or similar materials in place of a pot holder. Such cloths can catch fire on ahot burner.
- When using glass cookware, make sure it is designed for top plate cooking. If the cooktop’s glass surface is accidentally cracked, immediately switch off the power to
the appliance to avoid the possibility of electric shock. - To minimise the possibilityof burns, ignition of flammable materials and spillage, turn cookware handles toward the side or centreof the top plate without extending over
adjacent burners. - A ways turn burner controls off before removing cookware.
- Always heat fat slowly and carefully watch foods being fried at high flame setting.
- Foods for frying should be as dry as possible. Frost on frozen foods or moisture on fresh foods can cause hot fat to bubble up and over the sides of the pan.
- Never try to move a pan of hot fat especially a deep fryer. Wait until the fat is completely cool.
Cleaning and service
Warning
- Never use abrasive or caustic cleaning agents.

- This appliance should only be repaired or serviced by a n authorised Service Engineer and only genuine approved spare parts should be used.

Caution
- Before attempting to clean the appliance, it should be disconnected from the mains and cooled.
- You should not use a steam jet or any other high pressure cleaning equipment to clean the appliance.
Enwironmental information
- After installation, please dispose o f the packaging with due regard to safety and the environment.
- When disposing of an old appliance, make it unusable, by cutting off the cable.
![]()
Correct Disposal of This Product (Waste Electrical & Electronic Equipment)
- This marking shown on the product or its literature, indicates that it should not be disposed with other household wastes at the end of its working life. To prevent
possible harm to the environment or human health from uncontrolled waste disposal, please separate this from other types of wastes and recycle it responsibly to promote the sustainable reuse of material resources. - Household users should contact either the retailer where they purchased this product, or their local government office, for details of where and how they can take this item for environmentally safe recycling.
- Business users should contact their supplier and check the terms and conditions of the purchase contract. This product should not be mixed with other commercial wastes for disposal.
Descniotion of tne appliance
| Top Plate | Dimension (W*D*H) | Ignition device | Gas Connection | Electric supply | Burner Feature | EQn |
| Glass | 600*510*110 | Continuous Ignition Type | G1/2 thread | 220-240Vac, 50Hz-60Hz, 2W | Triple-Crown(1) Semi-rapid(2), Auxiliary (1) | 30.4MJ/h |
Accessories

How to use the appliance
The following symbols will appear on the control panel, next to each control handle
Black circle: gas off
Large flame: maximum setting
Small flame: minimum setting
![]()
- The minimum setting is at the end of the anti-clockwise rotation of the control handle.
- All operation positions must be selected between the maximum and minimum position.
- The symbol on the control panel, next to the control handle will indicate which burner i t operates.
Automatic ignition with flame failure safety device
The appliance is fitted with a flame failure safety device on each burner, which is designed to stop the flow of gas to the burner head in the event of the flame going out.
how to use the appliance
![]()
Automatic ignition with flame failure safety device
The appliance is fitted witha flame failure safety device on each burner, which is designed to stop the flow of gas to the burner head in the event of the flame going out.
To ignite a burner:
- Press i n the control knob of the burner that you wish to light and turn it anti-clockwise to the maximum position.
- If you keep the control knob depressed, the automatic ignition for the burner will operate.
- You should hold down the control knob for 15 seconds after the flame on the burner has lit. If after 15s the burner has not lit, stop operating the device and open the compartment door and/or wait a t least 1 min before attempting a further ignition of the burner.
- After this 15-second interval, to regulate the flame you should continue turning the control knob anti-clockwise until the flame is at a suitable level.
- The operating position MUST be ataposition between the maximum and minimum position.
- To switch the burner off, turn the control knob fully clockwiseto the gas off position.
- In case of power failure, the burners can be lit by carefully using a match.
Safety and eneray saving advice
- The diameter of the bottom of the pan should correspond to that of the burner.
| BURNERS | PANS | |
| min. | max. | |
| Triple Crown-Wok | 200mm | 240mm |
| Rapid Semi- | 200mm | 240mm |
| Rapid | 160mm | 180mm |
| Auxiliary | 120mm | 1 60mm |
Do not use cookware that overlaps the edge of the bumer.
| NO | YES | ||
| Do not use small diameter cookware on large burners. The flame should never come up the sides of the cookware. | Always use cookware that is suitable for each burner, to avoid wasting gas and discolouring the cookware. | ||
| Avoid cooking without a lid or with the lid half off as this wastes energy | Place a lid on the cookware. | ||
| Do not use a pan with a convex or concave bottom. | Only use pots, saucepans and frying pans with a thick, flat bottom. | ||
| Do not place cookware on one side of a burner, asit could tip over. | Always place the cookware right over the burners, not to one side. | ||
| Do not use cookware with a large diameter on the burners near the controls, which when placed on the middle o f the burner may touch the controls or be so close to them that they increase the temperature in this area and may cause damage. | |||
| Never place cookware directly on top of the burner. | Place the cookware on top of the trivet. | ||
| Do not place anything, eg. flame tamer, asbestos mat, between pan and pan support a s serious damage to the appliance may result. | |||
| Do not use excessive weight and do not hit the cooktop with heavy objects. | Handle cookware carefully when they are on the burner. | ||
It is not recommended to use roasting pans, frying pans or grill stones heated simultaneously on several burners because the resulting heat build-up may damage the appliance.- Do not touch the top plate and trivet whilstin use for a certain period after Use
As soon as aliquid starts boiling, turn down the flame so that it will barely keep the liquid simmering.
Cleaning and maintenance
- Cleaning operations must only be carried out when the appliance is completely cool.
The appliance should be disconnected from your mains supply before commencing any cleaning process.- Clean the appliance regularly, preferably after each use.
- Abrasive cleaners or sharp objects will damage the appliance surface; you should clean it using water and a little washing up liquid.

Pan support, Control handles
- Take off the Pan support.
- Clean these and the control handles with a damp cloth, washing up liquid and warm water. For stubbon soiling, soak beforehand.
- Dry everything with a clean softcloth.
Top plate
- Regularly wipe over the top plate using a soft cloth well wrung-out in warm water to which a little washing up liquid has been added.
- Dry the top plate thoroughly after cleaning.
- Thoroughly remove salty foods or liquids from the hob as soon as possible to avoid the risk of corrosion.
- Stainless steel parts of the appliance may become discoloured over time. This is normal because of the high temperatures. Each time the appliance is used these parts should be cleaned with a product that is suitable for stainless steel.
BURNERS
- Remove the burner caps and burner heads by pulling them upwards and away from the top plate.
- Soak them in hot water and a little detergent or washing up liquid.
- After cleaning and washing them, wipe and dry them carefully. Make sure that the flame holes are clean and completely dry.
- Wipe the fixed parts o f the burner base with a damp cloth and dry afterwards.
- Gently wipe the ignition safety device and igniter with a well wrung-out cloth and wipe dry with a clean cloth.
- Before placing the burners back on the top plate, make sure that the injector is not blocked.
Re-assemble the Auxiliary, Semi-Rapid, Rapid and Triple-Crown burners as follows

- Place the burner head ( 4 ) on to the burner base ( 5 ) so that the ignition safety device (6) and the igniter (7) extend through their respective holes i n the burner
head. The burner head must click into place correctly. - Position the burner caps ( 1,2,3 ) onto the burner head ( 4 ) so that the retaining pins fit into their respective recesses.
Replace parts in the correct order a fter cleaning.
- Do not mix up the top and bottom.
- The locating pins must fit exactly into the notches.
Installation instructions
Warnings
NOTE: Before making preparations for or commencing installation, the installer should refer to the current online version of the User Manual, which is available on the
Kleenmaid website (see back cover for details).
- Do not modify this appliance.
- This appliance must be installed by an authorised technician or installer.
- Prior to installation, ensure that the local distribution conditions (nature of the gas and gas pressure) and the adjustment of the appliance are compatible.
- The adjustment conditions for this appliance are stated on the label (or data plate).
- This appliance is not connected to a combustion products evacuation device. It should be installed and connected i n accordance with current installation regulations. Particular attention should be given to the relevant requirements regarding ventilaton.
- Before installing, turn off the gas and electricity supply to the appliance.
- All appliances containing any electrical components must be earthed.
- Ensure that the gas pipe and electrical cable are installed in such a way that they do not touch any parts of the appliacne which may become hot.
- Gas pipe or connector shouldn’t be bent or blocked by any other appliances.
- Check the dimensions of the appliance as well as the dimensions of the gap to be cut i n the kitchen unit.
- The panels located above the work surface, directly next to the appliance, must be made of non-flammable material. Both the strati- fied surfacing and the glue used t o secure it should be heat resistant, to prevent deterioration.
- Turn on appliance tap and light each burners.
Check for a clear blue flame without yellow tipping.
I f burners shows any abnormalities check the following:
– Burner lid on correctly
– Flame spreader positioned correctly
– Burner vertically aligned with injector nipple - A full operational test and a test for possible leakages must be carried out by the fitter after installaion.
- The flexible hose shall be fitted in such a way that it cannot come into contact with a moveable part of the housing unit and does not pass through any space susceptible of becoming congested.
- The grease applied to the valve mechanism at the factory is designed t o last the life of the hob.
Positioning
CLEARANCES REQUIRED WHEN FITTING THE HOB WITH A COOKER HOOD ABOVE

- This appliance is to be built into a kitchen unit or 600mm worktop, providing the following minimum distances are allowed ;
- The edges of the hob must be a minimum distance of 60 mm from a side or rear wall.
- The safety gap between the hob and the rangehood placed above must comply with the recommendations o f the rangehood manufacturer. In case of no instructions, a minimum distance of 650mm (or other minimum distance as may be specified by AS/NZS 5601 and interpreted by a certified installer) should ap ply.
- 400 mm between the hob surfaces, providing that the underside of the horizontal surface is in line with the outer edge o f the hob. If the underside of the horizontal surface is lower than 400 mm, then it must be at least 50 mm away from the outer edges of the hob.
- 50 mm clearance around the appliance and between the hob surface and any combustible materials.
- You must have a gap of at least 25mm and at most 74 mm between the underneath of the appliance and any surface that is below it.

- An oven must have forced ventilation to install a hob above it.
- Check the dimensions o f the oven in the user manual.
- The cut out size must comply with the specified dimensions.
Installing the appliance
- Remove the pan supports, the burner caps and burner heads and carefully turn the appliance upside down and place it on a cushioned mat.
Take care that the ignition safety devices and igniters are not damaged i n this operation. - Apply the sponge provided around the edge o f the appliance.
- Do not leave a gap in the sealing agent or overlap the thickness.

Do not use a silicon sealant to seal the appliance against the aperture.
This will make it difficult to remove the appliance from the aperture in future, particularly if it needs to be serviced.
- Place the bracket(B) over the holes that match the size of the screws.There are one set of screw holes in each corner of the hob(H). Slightly tighten a screw(C) through the bracket(B) so that the bracket is attached to the hob, but so that you can still adjust the position.
- Carefully turn the hob back over and then gently lower it into the aperture hole that you have cut out.
- On the underneath of the hob, adjust the brackets into a position that is suitable for your worktop. Then fully tighten the screws(C) to secure the hob into position.
gas connection
- This appliance must be installed and connected in accordance with installa- tion regulations in force in the country i n which the appliance is to be used.
- This appliance is supplied to run on natural gas only and cannot be used on any other type of gas without modification. Conversion for use on LPG and other gases must only be undertaken by a qualified person.
Statutory requirements
This installation must conform with the following:
- Manufacturer’s Installation instructions
- Local Gas Fitting Regulations
- Municipal Building Codes
- Refer to AS/NZS 5601.1 for Gas Installations
- S.A.A. Wiring Code
- Local Electrical Regulations
- Any other statutory regulations
- Preparing to install
Refer to AS/NZS 5601. 1 for piping size details. These built-in cooktops are intended to be inserted in a benchtop cutout. Only an officially authorised technician should connect the appliance. Before you begin, turn off the gas and electricity supply
.
full operational test and a test for possible leakages must be carried out by the fitter after installation.
Access to the whole lengthof the connection hose must be possible and the gas hose must be replaced before its use before the end of service life (indicated on the hose).- Before Leaving- Check all connections for gas leaks with soap and water.
- DO NOT useanaked flame for detecting leaks. Ignite all bumers both individually and concurrently to ensure correct operation of gas valves, bumers and ignition.
Turn gas taps to low flame position and observe stability of the flame for each bur ner individually and alltogether. Adhere the duplicate data plateto an accessible location near the hotplate. When satisfied with the hotplate, please instruct the user on the correct method o f operation. In case the appliance fails to operate correctly after all checks have been carried out, refer to the auth orised service provider in your area. - Flexible Hose: I f installing with a hose assembly, i t must comply with AS/NZS 1869, 10 mm ID, class B or D, no more than 1mm long and installed in accordance with AS/NZS 5601.1.
- Ensure that the hose does not contact the hot surfaces of the hotplate, oven, dishwasher or any other appliance that may be installed underneath or next to the hotplate. The hose should not be subjected to abrasion, kinking or permanent deformation and should be able to be inspected along its entire length with the cooktop in the installed position. Unions compatible with the hose fittings must be used and all connections tested for gas leaks.The supply connection point shall be accessible with the appliance installed.
- WARNING: Ensure that the hose assembly is restrained from accidental contact with the flue outlet of an underbench oven.
WARNING: THE BURNER FLAME MUST BE ADJUSTED BY THE INSTALLER. FAULTY INSTALLATION IS NOT COVERED BY THE MANUFACTURER’S WARRANTY.
| Gas type & pressure | Heat input and orifice size marked(mm) | |||
| Wok burner | Rapid burner | Semi-rapid | Auxiliary | |
| 13.5MJ/h | 10.8MJ/h | 6.3MJ/h | 4.3MJ/h | |
| Universal LP Gas 2.75kPa | 1.00 | / | 0.68 | 0.58 |
| Natural Gas 1.0kPa | 2. | / | 1. | 0.93 |
LPG CONVERSION – REGULATOR
This appliance is supplied set up for Natural Gas usage. A conversion kit is included with the product for Universal LPG usage. The conversion kit contains the appropriate injectors and 1 LPG sticker.
Please follow the procedure below ifa conversion to suit
UNIVERSAL LPG is required:
- Remove the hotplate trivets, burner caps and burner crowns to access the hotplate injectors. Replace the factory fitted in jectors with the appropriate i n jectors, as
supplied. Refer to injector orifice table for injector sizes.
The injector size is stamped on the side o f the injector. - Unscrew the top hat nut from the regulator. The top hat nut and control pressure spring assembly will disengage as an assembly.
- Unscrew the threaded pin from top hat.
- Upturn threaded pin, so spring is free and screw pin back into the top hat until firm.
- Refit the top hat nut assembly to the regulator ensuring that it is fully screwed down. The regulator is now set for connection to LPG.
- Turn on the gas supply and at each new connection check for leaks using soapywater. Each hotplate valve should be turned on, one at a time, and the injector hole blanked off for several seconds.
- The operation of the regulator can be confirmed by connecting a manometer to the pressure test point located on the side of the regulator body adjacent to the outlet.
With the appliance operating check the outlet pressure
• when all burners of the appliance are operating at maximum,
• when the smallest burner ofthe appliance is operating at minimum.
Under these conditions the outlet pressure should not vary from the nominal outlet pressure of 2.60kPa by more than +0.52kPa. - Ifthe regulator appears to not be performing satisfactorily then check the following points:
• If the outlet pressure is consistently too low then the inlet pressure may be too low and adjustment of an upstream regulator may be needed, or an upstream regulator or valve with insufficient flow capacity may be present in the gas supply line.
• lf this is suspected then it may be necessary t o repeat the checks whilst measuring both the inlet and outlet pressure to determine if the inlet pressure is in the range 2.75 — 7 . 0 0 k K P a .
• Check that the insert has been fitted correctly.
• Check that the turret screw is fully screwed down.
• Check that the regulator has been fitted to the gas supply line in the correct orientation, the arrow on the base of the body indicates the direction of gas flow.
Once these checks have been completed, if the regulator still fails to perform ina satisfactory manner it should be replaced. - One by one, turn the Knobs to minimum and screw in the bypass screw (accessible when the knob is removed) until a small stable flame results. Turn the knob to maximum and then back t o minimum to ensure that the correct minimum flame is maintained.
- Attach the LPG sticker to the cooker, near the gas supply inlet. Cover the Natural Gas label that is factory fitted.

Electrical connection
- This appliance must be earthed.
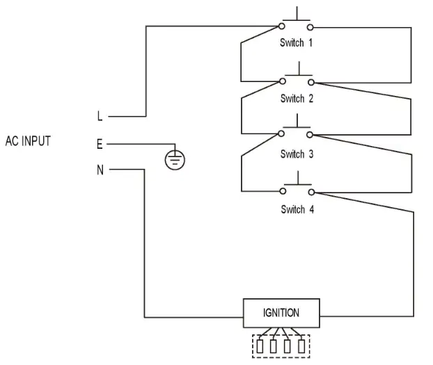
- This appliance is designed to be connected to a 220-240V, 50HZ-60Hz AC electricity supply.
- The wires i n the mains lead are coloured in accordance with the following code;
- Green/yellow = Earth
- Blue = Neutral
- Brown = Live
The wire which is coloured green and yellow must be connected to the terminal which is marked with the letter E or by the earth symbol.
WIRING DIAGRAM

When the power cord is damaged it must be replaced by the manufacturer, customer service agent or similarly qualified personnel.
WARNING: IT MUSTBE ENSURED THAT THIS APPLIANCE IS CONNECTED O N L Y TOA 230vAC. +10%/-6% 50Hz MAINS POWER SUPPLY WHICH CONTINUOUSLY COMPLIES W I T H THE RELEVANT AUSTRALIAN STANDARD. FAILURE TO DO SO MAY SERIOUSLY DAMAGE THE APP LIANCE AND ANY SUCH DAMAGE I S NOT COVERED BY THE MANUFACTURER’S WARRANTY.
Gas adustment
- Take precautions on the operations and adjustments to be carried out when converting from one gas to an other.
All work must be carried out by a qualified technician.- Before you begin, turn off the gas and electricity supply to the appliance.
- Change the injector of the burners.
Remove the pan support, Burner lid and Flame spreader.
Unscrew the injector using a 7 mm box spanner and replace it with the stipulated injector for new gas supply.
Carefully reassemble all components.
After injectors are replaced, it is advisable to strongly tighten the injector in place. - Adjustment of minimum level of the flame

- Turn the taps down t o minimum
- Remove the knob from the tap and place a small bladed screwdriver i n the centre of the tap shaft.
- The correct adjustment is obtained when the flame has aleng the of about 3 – 4 mm.
– For butane/propane gas, the adjusting screw must be tightly screwed in.
– Refit the control knob.
– Make sure that the flame does not go out by quickly turning from maximum flow to minimum flow. I f it does then remove the control knob and make further
adjustments to the gas flow, testing it again once the adjustment has been made. - Repeat this process for each one of the gas taps.
- Attach the ULPG sticker to the cooker, near the gas supply inlet. Cover the Natural label that is factory fitted.
- Do not dismantle the tap shaft : in the event of a malfunction, change the whole tap.
Before placing the burners back on the top place, make sure that the injector is not blocked.- A full operational test and a test for possible leakages must be carried out after gas conversion. (such as soap water or gas detector)
- After completing conversion, a qualified technician or installer has to mark “V” on the right gas category t o match with the setting in rating plate. Remove the previous setting “V” mark.
Troubleshooting
- Repairs should be performed by a licensed technician only. Improper repair may result in considerable danger to you and others.
- However, some minor problems can be resolved as follows :
| Problem | Probable cause | Solution |
| Not ignited | No Spark. | Check the electricity supply. |
| The burner cap is badly assembled. | Assemble the cap correctly. | |
| The gas supply is closed. | Open the gas supply completely. | |
| Badly ignited | The gas supply is not completely open. | Open the gas supply completely. |
| The burner cap is badly assembled. | Assemble the cap correctly. | |
| The ignition plug is contaminated with alien substance. | Wipe alien substance with a dry cloth . | |
| The burners are wet. | Dry the burners lids carefully. | |
| The holes in the burner head arc clogged. | Clean the burner head. | |
| Noise made when combusted and ignited | The burner cap is badly assembled. | Assemble the burner cap correctly. |
| Flame goes out when in use. | The ignition safety device is contaminated with alien substance, | Clean the ignition safety device. |
| Product being cooked has boiled over and extinguished the flame. | Turn off burner knob. Wait one minute and reignite zone. | |
| A strong draught may have blown the flame out . | Please turn off zone and check cooking area for draught such as open windows. Wait one minute and reignite zone | |
| Yellow Flame | The holes in the burner head are clogged. | Clean the burner head. |
| Different gas is used. | Check the gas used. | |
| Unstable Flame | The burner cap is badly assembled. | Assemble the burner cap correctly. |
| Gas Smell | Gas leakage | Stop using the product and close the middle valve. Open the window to ventilate. Contact our service centre by using a phone outside. |
If the appliance fails to operate correctly during the warranty period please visit our website to request a warranty service ( see back cover of this manual for details). When booking a service please provide your Model No.: GCTK6012 and the individual Serial Number of your appliance, which is found on the rating plate on the base of this cooktop.
KLEENMAID WARRANTY
TERMS AND CONDITIONS
- Compass Capital Services Pty Ltd ABN 96 138 214 525 trading as Kleenmaid will provide parts and labour to you the customer as set out herein.
- Kleenmaid may engage a Service Agent to provide service under this warranty.
- Kleenmaid’s Products come with guarantees that cannot be excluded under the Australian Consumer Law. You are entitled to a replacement or refund for a major failure and for compensation for any other reasonably foreseeable loss or damage. You are also entitled to have the goods repaired or replaced if the goods fail to be of acceptable quality and the failure does not amount to a major failure.
- The benefits given to you under this Kleenmaid Warranty are in addition to other rights and remedies to which you may be entitled under the Australian Consumer Law in relation to the Product to which this Kleenmaid Warranty relates. Subject to the conditions below, the Product is warranted by Kleenmaid and/or its agents to be free from defects in materials and workmanship for the Warranty Period for normal Domestic Use.
- Product Identification: –
a. Kleenmaid reserves the right to reject claims for any services or work where you cannot produce for verification the serial number and a proof of purchase for the Product (including but not limited to the original invoice).
b. this Kleenmaid Warranty will be voided if the serial number for the Product cannot be verified. This is not intended to exclude, restrict or modify any right or remedy to which you may otherwise be entitled under the consumer guarantee provisions of the Australian Consumer Law.
c. in the event that a request for repair is made against this Kleenmaid Warranty where the serial number for the Product cannot be verified or you cannot produce for verification a proof of purchase for the Product (including but not limited to the original invoice), the repairer will not carry out any repairs on the Product and you will be charged a service call-out fee. - What is covered by this Kleenmaid Warranty: –
a. the Product is covered for faulty workmanship or parts that have failed under normal Domestic Use.
b. Kleenmaid and/or its agents will determine by objective testing if there are any defects in the Product and/or faulty workmanship.
c. this Kleenmaid Warranty is only applicable if repairs on Products are carried out within Mainland Australia.
d. this Kleenmaid Warranty: –
i. covers a Product purchased as new, manufactured for use in Mainland Australia;
ii. commences from the date of delivery of the Product;
iii. provides for the labour and replacement parts necessary to maintain the Product in good operating condition as specified in this Kleenmaid Warranty, however, if repair is needed because of Product failure during normal Domestic Use, Kleenmaid has the option to repair or replace the defective Product or part of the Product with a product or part of like kind and quality. A replacement part may be new or reconditioned of like kind and quality and may cost less than the original Product purchased and no charges or refunds will be made based on the replacement product or part cost difference; and
iv. is only applicable when the Product is used and operated in accordance with the Manufacturer’s instructions. - What is not Covered by this Kleenmaid Warranty (excluded):-
a. any damage or failure to or of the Product or part of the Product:
i. due to the Product being inadequately serviced to manufacturer’s recommendations;
ii. resulting from environmental conditions including and not limited to dirt, dust, rodents, insects, rust, corrosion, salt built-up, of or in any part of the Product;
iii. resulting from excessive use but fair wear and tear is excepted;
iv. resulting from installation by an unqualified or uncertified tradesperson;
v. resulting from poor or incorrect installation including and not limited to positioning and externally fitted equipment such as plumbing and drainage, cabling, antennae or due to incompatibility of connected equipment;
vi. caused by overheating as a result of sitting or positioning of the Product, where there is no provision for adequate ventilation or adequate protection from excessive dust;
vii. if the Product has been dismantled, repaired or serviced by any person other than someone authorised by Kleenmaid or its agents or representatives;
viii. caused by power surges or spikes, including and not limited to, mains power and telecommunications connections, or to other unspecified sources, incorrect power current, voltage fluctuation, amperage fluctuation, rust or corrosion;
ix. if the Product is dropped, collision of the Product with another object, use for which the Product is not designed, damage to the Product caused by your own negligence, accidental or deliberate misuse of the Product by you, theft, abuse, vandalism, flood, fire, earthquake, electrical storms or any other act of God or any war related events; or
x. due to the introduction of abnormal heat loads to the Product;
b. costs of attendance and testing where no fault or defect covered by the terms of this Kleenmaid Warranty is identified in the Product;
c. initial setup and installation of the Product;
d. normal maintenance costs and costs incurred through the installation of items listed as requiring periodic replacement;
e. Products with removed or altered serial numbers;
f. broken or cracked glass other than transport damage to the initial point of delivery;
g. consumables such as but not limited to bulbs/globes, seals, filters, batteries and remote controls;
h. removal and reinstallation of an internal component not performed by an authorised Kleenmaid agent or representative or authorised service centre;
i. cosmetic or structural items; or
j. any failures due to interference from or with other products and/or sources. - This Kleenmaid Warranty ceases if: –
a. the Product ceases to carry the original manufacturer’s serial number or is sold at an auction;
b. the Product is rented; or
c. there is failure to pay monies owing on invoices as a result of non-warranty work being carried out at the request of the end user as per point 16 below. - Service under this warranty may be limited by the area in which you live. Service to remote and regional areas may incur additional travel costs which will be payable by you. You will be advised of this at the time you make a claim and Kleenmaid arranges to attend your premises.
- Neither Kleenmaid nor its representatives provide loan equipment under the terms of this Kleenmaid Warranty.
- Any unauthorised access to the internal hardware of the Product will void this Kleenmaid Warranty.
- Repair Notice: Products presented for repair may be replaced by refurbished Products of the same type rather than being repaired. Refurbished parts may be used to repair the Products.
- Replacement items are “like for like” and is not “new for old” and does not indicate in any way that a faulty Product will be replaced with a new part or unit. “Like for like” may either be a quality checked, refurbished or reconditioned unit of the same or later batch of model/size/specifications
- The cost of making a claim under this Kleenmaid Warranty is not covered by Kleenmaid, including any costs of transportation or travel expenses between your home and your nearest authorised service agent.
- Kleenmaid accepts no liability for items that are lost, damaged, or stolen as a result of freight, transport or storage. If you are required to transport the Product to an authorised service centre, you must ensure that it is securely packed and insured.
- On Public Holidays or other periods when regular business and wholesale operations are temporarily ceased, repairer availability and warranty response times may extend beyond the standard response times due to the unavailability of repairers and parts.
- For any repair performed on a Product under this Kleenmaid Warranty where no fault can be found, or the item is deemed by Kleenmaid or an authorised agent, to be not faulty under this Kleenmaid Warranty, or the repair or fault is not covered under this Kleenmaid Warranty, a ‘No Fault Found’ fee is payable by you. Kleenmaid will advise you of this cost and seek your agreement to pay such costs before commencing such repairs.
- Any repairs or services required that are outside the terms and conditions of this Kleenmaid Warranty can be carried out at your request at your cost (including where the Product has not been installed or set up correctly). Kleenmaid will always advise you of this cost and seek your agreement to pay such costs before commencing such repairs. A credit card may be required prior to the commencement of such services.
- Extra charges will be payable by the customer should the Product not be readily accessible without special equipment, such as but not limited to cranes and lifts or should the Product be installed in a position that service access is blocked and/or repair work is not possible without uninstalling the Product to gain access.
- You, the customer, may be entitled to purchase an extended warranty in respect of the Product. Any extended warranty will not be issued by Kleenmaid but by a third party. Any extended warranty services will be provided directly by the third party as principal and not as agent for Kleenmaid, under their extended warranty terms and conditions and not under this Kleenmaid Warranty.
- To make a claim under this Kleenmaid Warranty, please have your proof of purchase and the serial number of the Product ready and call (02) 9310 1207 during business hours.
- This Kleenmaid Warranty is given by: Name:
Compass Capital Services Pty Ltd ABN 96 138 214 525 trading as Kleenmaid Business address: Level 2, Suite 3, 204 Botany Rd, Alexandria NSW Australia 2015 Telephone: (02) 9310 1207 - Definitions:
a. Australian Consumer Law means the Competition and Consumer Act 2010 (Cth).
b. Domestic Use means use of the Product for personal, domestic or household purposes.
c. Kleenmaid means Compass Capital Services Pty Ltd ABN 96 138 214 525 trading as Kleenmaid.
d. Mainland Australia means the following States and Territories of Australia: New South Wales, Victoria, South Australia, Western Australia, Queensland, Tasmania, Northern Territory, Australian Capital Territory.
e. Product means the appliance sold by Kleenmaid to you as evidenced by the original purchase invoice.
f. Service Agent means any independent service agent engaged by Kleenmaid to carry out any repair or service under this warranty.
g. Warranty Period means for domestic use and for Products purchased on or after 1 January 2019 the period of 60 months, otherwise 36 months. For non-domestic use 12 months or such alternative period as may be specified.
UPDATE NOTICE: This Kleenmaid Warranty is current as at 1 December 2022 but is subject to variation from time to time. For the latest version of the Kleenmaid Warranty, please see our website https://kleenmaid.com.au/warranty/ or phone us on (02) 9310 1207.
Other products available in the Kleenmaid range of appliances
- Washing machines
- Clothes dryers
- Dishwashers
- Ovens
- Cooktops
- Steam ovens
- Microwave ovens
- Built i n espresso coffee machines
- Rangehoods
- Freestanding ovens
- Refrigerators & Freezers
- Beverage Serving Cabinets
- Water Dispensers
- Vacuum Cleaners
Compass Capital Services Pty Limited trading as Kleenmaid ABN 96188214525To
register your warranty or make a warranty claim, scan this QR code:
http://www.kleenmaidwarranty.com.au/
Level 2, 204 Botany Road Alexandria
NSW 2015
Register your Kleenmaid Appliances Warranty
www.kleenmaidwarranty.com.au
Request a Warranty Service
www.kleenmaidwarranty.com.au
E : [email protected]
Please download the current User Manual for this appliance at www.kleenmaid.com.au














full operational test and a test for possible leakages must be carried out by the fitter after installation.
Remove the pan support, Burner lid and Flame spreader.


















