warmtoo WQP6-8211 6 Place Dishwashers
Important safety information
Please read this instruction carefully before using and keep it safe.
Warning
There are some important safety instructions in this manual, Please read carefully before installing and using,
- This appliance is intended to be used in household and similar applications such as:
- staff kitchen areas in shops, offices and other working environments;
- farm houses;
- by clients in hotels, motels and other residential-type environments;
- bed and breakfast type environments.
- And the dishwasher can only be used to wash household utensils. The dishwasher will be damaged or the user will be injured when the operation is wrong.
- Please contact the after-sales sevice department immediately if the appliance breaks down.
- Do not reassembly or fix the appliance by youself.
- Please contact the after-sales sevice department or the maintenance department that vendor assigned for fixing or displacing if the power cord is damaged.
- The power source of a dishwasher has to adopt earth line for safe. This adoption will protect the person maximumly, who is shocked by leakage.
- Disconnect the power cord stormy.
- After installation, please make sure the connection of water and power well is connected before using.
- The installation position of the drainage pipe could not exceed 40cm higher than the top of the appliance, which will cause poor drainage, electrical leakage and water leakage.
- Knives and other utensils with sharp points must be loaded in the basket with their points down or placed in a horizontal position.
- This dishwasher is an automatic appliance, do not add water manually when the appliance is working. It will cause overflow and danger.
- Do not move or clean the appliance when it is working. It might cause electrical or water leakage.
- Do not open the door during operation as the steam will hurt you. If it is necessary to load or unload some utensils, please push pause button and wait 10 seconds, then open the door slightly and wait for the steam dissipate completely, then open the door and move your utensils.
- Please use specialized detergents. Do not use washing- up liquid, washing powder, hand sensitizer soup or others detergents that not specialized for dishwashers.
- There are some cable ties on the drainage pipe and power cord, please use falt scissor to cut the ties. Sharp scissors might burst the pipe and cord and cause leakage.
- Do not try to use this appliance in damp place. High humidity will make the appliance rust, even leakage.
- The specialized detergent should be put on the place where kids can not reach. because the detergents contain acidoid and alkaline, which are really dangerous to kids.
- Utensils will be hot after washing, please take it out after 30 minutes.
- Please keep the appliance at room temperature for 8 hours after receiving the product in winter, To aviod the droplets appearing on the surface of the glass, and it may damage the appliance.
- The appliance is to be connected to the water mains using new hose-sets and that old hose-sets should not be reused.
- During installation, the power supply must not be excessively or dangerously bent or flattened.
- Please use flat scissors to cut the tie of water pipes and power lines when unpacking boxes.
- Position the appliance in the desired location. Confirm that the machine has been leveled.
- Please don’t put anything else on either side, The openings must not be obstructed by a carpet.
- Please use cold water or warm water not exceeding 120°F.
- This appliance is not intended for use by persons (including children) with reduced physical, sensory or mental capabilities, or lack of experience and knowledge, unless they have been given supervision or instruction concerning use of the appliance by a person responsible for their safety. Children should be supervised to ensure that they do not play with the appliance.
- If the supply cord is damaged, it must be replaced by the manufacturer, its service agent or similarly qualified persons in order to avoid a hazard.
- The door should not be left in the open position since this could present a tripping hazard
- Please keep kids stay away from the dishwasher, especially when the door open.
- After using the appliance, please cut off the power and water.
WARNING: When using your dishwasher, follow basic precautions, including the following:
- Read all instructions before using the dishwasher.
- Use the dishwasher only for its intended function.
- Use only detergents or wetting agents recommended for use in a dishwasher and keep them out of the reach of children.
- When loading items to be washed:
- Locate sharp items so that they are not likely to damage the door seal;
- Load sharp knives with the handles up to reduce the risk of cut-type injuries.
- Do not wash plastic items unless they are marked ” dishwasher safe” or the equivalent. For plastic items not so marked, check the manufacturer’s recommendations.
- Do not touch the heating element during or immediately after use.
- Do not operate your dishwasher unless all enclosure panels are properly in place.
- Do not tamper with controls.
- Do not abuse, sit on, or stand on the door or dish rack of the dishwasher.
- To reduce the risk of injury, do not allow children to play in or on a dishwasher.
- Under certain conditions, hydrogen gas might be produced in a hot-water system that has not been used for two weeks or more. HYDROGEN GAS IS EXPLOSIVE. If the hot-water system has not been used for such a period, before using the dishwasher turn on all hot-water faucets and let the water flow from each for several minutes. This will release any accumulated hydrogen gas. As the gas is flammable, do not smoke or use an open flame during this time.
- Remove the door to the washing compartment when removing an old dishwasher from service or discarding it.
Grounding instruction
- This appliance must be grounded. In the event of a malfunction or breakdown, grounding will reduce the risk of an electric shock by providing a path of least resistance of electric current. This appliance is equipped with a cord having an equipment-grounding conductor and a grounding plug.
- The plug must be plugged into an appropriate outlet that is installed and grounded in accordance with all local codes and ordinances.
- Improper connection of the equipment-grounding conductor can result in a risk of electric shock.
- Check with a qualified electrician or service representative if you are in doubt about whether the appliance is properly grounded. Do not modify the plug provided with the appliance; If it will not fit the outlet. have a proper outlet installed by a qualified electrician.
- Please do not use a power strip.
Product Overview
Accessories
| Name | Quantity | Name | Quantity |
| Complete appliance | 1 | Screws | 2 |
| Basket | 1 | Clamping band | 1 |
| Cutlery basket | 1 | User instruction | 1 |
| Inlet hose | 1 | ||
| Drain hose | 1 |
Technical Data
| Outline size | W550XH450XD500mm |
| Water pressure | 5.8-145PSI |
| Inlet water temperature | <120°F |
| Nominal voltage | 120V~ |
| Frequency | 60Hz |
| Rated power | 870W |
| Waterproof | IPX1 |
| Capacity | 6 Place settings + 6 Serving pieces |
| Executive standards | UL749 |
NOTE: Due to the continuous improvement of products, such as the technical parameters in this manual are modified with out prior notice.
Parts of Dishwasher

Installation Instruction
Installation diagram: (unit:mm)
- The direction of perforation(60*60) according to the position of the sewer.
Table layout diagram
Inlet hose connection
Table layout diagram: Running water inlet
- Connect the drain and drain port
- Connect the inlet pipe to inlet valve.
NOTE
- The inlet pipe can not be recycled.
- Do not use the old inlet pipe in installation.
Drain hose connection
- After the machine is fixed to the kitchen cabinet, the power cord, inlet
- pipe and the drain pipe should go through the reserved entrance andexit hole.
- Connect the drain pipe to the drain port.(The heigh of the drain pipe hanging must not be over 40cm above the top of the machine.)
- Connect the intake pipe to the reserved intake port and ensure that there is no drop leakage.
- Ensure that the power outlet is well grounded and connected to the power supply.
- Note: The drain pipe can not be folded, if extention is needed, do not exceed 5 meters, otherwise may affect the washing effect;
- The water inlet pipe, drain pipe and power outlet must be installed in the cabinet adjacent to the dishwasher and cannot be installed directly behind the appliance.
Warning: Power outlet must be well grounded!
Stay and place dishwasher
- Ensure that the appliance is situated securely on the floor; otherwise it will cause overt low and electric leakage
- If the dishwasher can not be placed vertically, you can adjust the adjustable foot to make it balance.
- If it is a build-in dishwasher, please screwed two sides of machine after it is balanced.
- There is no need to screw the countertop freely, but the side safety caps must be covered.
- Embedded-installed,Fix the screw thought the machine’ s internal hole into the cabinet board;
- Put on the side safety caps.
You should check these items after installation finished:
- If the appliance is situated securely on the floor and screwed up.
- Ensure that the protective conductor system of the domestic supply has been correctly installed and the power is supplying.
- If the inlet pipe and drain pipe have been connected with appliance.
- Take the package out from appliance.
TIPS
- After installation.please retain all documents and components forlater use or for the subsequent owner.
- When the first time that water in, the. water in appliance turns yellow which is normal; It is because the water softener in water for a long time. Please feel free to use.
- Every appliance have passed the water test in factory, It is normal if you found some water leave in appliance. Please feel free to use it.
Operating Instruction
Control panel
Operate the dishwasher
Child lock
- It means button lock. You can secure your appliance from being unintentionally the programme terminated (e.g. improper operation by children).
- Activating the button lock: Hold down the button
for 3 seconds until “Lock” is indicated on the digital display. - Deactivating the button lock: Hold down the button
for 3 seconds until the display “Lock” goes out.
Delay start
You can delay the start of the programme by up to 24 hours.
Steps

The meaning of the light
- Rinser Aid: Rinse aid refill indicator
- Faucet: Display “Check Water Supply”
Overview of program
| Program | Type of soiling | Dishwasher detergent washin(i powder g) | Time cycle (Hour:Minute) |
| Eco | Suitble for washing tableware with medium amount of greasy dirt This program is the energy efficiency recommendation program |
11.5+11.5 |
2:25 |
| Normal | Suitble for washing tableware in daily life with less run time | 23 | 1:10 |
| Intensive | Suitble for washing tableware with heavy greasy dirt | 23 | 2:10 |
| Glass | Slightly adhesive, temperature- sensitive plastic and glasses | 23 | 1:40 |
| Rapid | Suitble for rinsing tableware with little dirt and grease / tableware unused for a long time | – | 0:25 |
Tips: To get better washing results when using the Eco program, it is recommended that put 1 /2 detergent powder directly into the interior of dishwasher and 1 /2 of it into the dispenser.
Notes
- Please don’t overuse the detergent. Excessive detergent will not only produce a lot of bubbles, but also affect the cleaning effect.
- The actual runtime of each program is possibly different from the preset time cycle due to the water temperature, the amount of utensils, the type of soiling and the recovery of water softening. It is a normal condition, please use it with confidence.
Utensils Wash
Detergent
Function
Special dishwasher detergent will remove oil and food residues. It is necessary every time you use the appliance. detergent dosage depends on the amount of and type of siiling. Full load with heavy soiling , use 22.5g.
Adding tips
- Press convex button on the detergent powder /tablet feeder.
- The flap will spring open.
- Add the required amount of detergent.
- Close the flap.
Rinse aid
Function
Help to dry and shine crockery, make it as good as new.
Adding tips
- Rinse aid is necessary when you use dishwasher for the first time. It is a reusable consumable. As soon as indicator is lit on display, rinse aid should be topped up.
- Adjust setting based on use. Default setting is 3 . Large value means increasing dosage, and viceversa. If you feel surface is greasy, please lower setting and wash again.
Loading the basket
Utensils selection
Dishwasher-proof utensils: Ceramic tableware , Glassware and Stainless steel tableware.
Utensils notes
- Precious metal, aluminium and colored glaze utensils may turn cloudy after being washed in a dishwasher.
- Cutlery made of bamboo or wood: It may come loose orcrack at high temperatures.
- Plastics items: Please see manufacturer ‘ s instructions for plastics cutlery or items with plastics parts, because these items may come loose or crack at high temperature.
- Cleaning cloth: Cleaning cloth may cause dishwasher fault.
- Cast iron items: Cast iron items may rust after being washed in a dishwasher.
Tableware placement attention
- Remove large food remnants such as bones or leaves;
- All utensils with dirt should be face down. If their opening face or closing face down will leave the water on the top.
- Utensils are secure and cannot tip over, one place for one utensil.
- Do not let the utensils out of basket to obstruct rotation of spray arms.
- The small size of utensils might drop out from the basket and obstruct the spray arms rotation, Please do not put these small items in the appliance.
- When pushing basket back, do not let the sharp parts of utensils cut the seal.
- The top coat of basket can not be scratched, or it will be rusted.
- Place cutlery, always unsorted with the tips face down, in the cutlery basket.
TIPS: Flip the spray arm after pushed basket, to check if the spray arm still can be rotates.
Maintenance
After appliance ran a while, there will be some residue and other things left in it. Please clean it when you see the residue and things, also clean the appliance immediately.
Take filtration system out
- Turn the cylinder filter out with anticlockwise.
- Take the stainless steel filter out in the same time.
Flush
- Use flowing water to flush filter assembly.Do not use steel woolor iron brush, it will cause the filter rust.
- Flush cylinder filter and filter net.
- You can put the filter back after cleaned. The cylinder filter should be assemble with clockwise until the triangle mark of filter, filter net and stainless steel in the same time.
Spray arms cleaning
- Pull the main basket out of appliance, and lift the lower spray arm a little bit for loss the clips.
- Check if the spray arms blocked. If it does, please use a thin wire to pull the blockages out or flush the hole with water.
Troubleshooting Tips
Error code list
| Error code | Cause | Remedy |
| E01 | Thermistor short circuit | Please contact the after-sales service department |
| E02 | Thermistor open circuit | Please contact the after-sales service department |
| E03 | The machine is not heated | 1. Please make sure the utensils be placed correctly. Water will be lack if it is in the plate/bow. 2. Please contact the after-sales service department |
| E04 | Inlet valve failure | Please contact the after-sales service department |
|
E05 |
Overflow | 1. Lean the appliance about 30° to 45° to pour out the water in the bottom plate. 2. Check if the drainage pipe is placed too high. 3. Check if the pipe be tired a knot. blocked or pressed. 4.Check if the appliance be placed right 5.Exclude above cause. try to restart the appliance again. Please contact the after-sales service department. |
| E06 | Heating function abnormal | Please contact the after-sales service department |
| E10 | Water inflow abnormal | 1.The tap was not fully opened. 2.Small inflow and low water pressure. 3.Start-up multiple times in case of water shortage. 4.Please contact the after-sales service department. |
Troubleshooting
| Problem | Cause | Remedy |
|
Utensils is wet |
| Add more rinse aid and turn the gear to maximum |
| Refer to utensils place rule | |
| Wait until process finished | |
| The wash mode doesn’t has drying function | |
|
The washing powder and washing tablet have not been cleaned up |
| Clean the holes of spary arms and run the quick wash mode again to clean the utensil |
| Run the quick wash mode again and put moderate washing powder as instruction next tim | |
| Use specialized washing powder and washing tablet with quick wash mode to wash the utensil again | |
| Too many drops in the inner of liner | There’s no rinse aid in the container | Add rinse aid |
| Some drops in the inner of liner | It’s normal and it won’t impact the utensil. | |
| Some foam in the liner | Didn’t use speciallized washing powder or put too much washing powder in it. | If there’s not much foam.you can open the door and let the foam come less and less; If there’s too much foam.you can remove it with tools. At last.restart any programme about 3minutes. Redo this again and again until the foam is disappear |
| Appliance makes the noise as blowing something when is plugging. And the dispaly shows “FAN”. |
The air renewal system is working |
It’s normal situation |
| It is hard to open the door | There are some dirt in groove, which stuck the door. | Clean the groove |
|
Have no reflection when ressing power utton |
| Please plug the power in and make sure the power have no issue |
| Clean plug the power in and make sure they are dry. | |
| Unlock the childproof lock | |
| Press the power icon for 1 second | |
|
Have no reflection when ressing any utton except the power botton. |
| close the door. |
| clean the glass ang hand ,make sure they are dry | |
| Unlock the childproof lock | |
| Please contact the after sales service department | |
| The water light in control panel is lighting when water comes in | 1.Check if the water supply have problem | Make sure the water supply have no problem |
| Please contact the after sales service department | |
| Please contact the after sales service department | |
| Have crashing noise when it Is working | Place the utensil in improper way ,some utensils is obstructing the spray arms; or some utensils are crashing each other. | Unload the dishwasher and replace the utensils in proper way |
|
There utensil was not cleaned up | 1.utensils be piled up and without lean | Refer to utensils place rule |
| 2.Do not chose the right programme of washing | Please chose the right programme of washing | |
| 3.Do not use pecialized washing powder or put too little of washing power. | Use specialized washing powder and put enough of it before washing | |
| 4.Do not install the filter in right position and the food remnants get in it | Re-install the filter in rightposition | |
| Clean the inner part of spray arms | |
| Check if the spray arm is stuck by the utensil | |
| Soak the utensil for a while before washing | |
| Restart the washing programme | |
| Suggest wash utensil with steel wool before put it in appliance to wash | |
|
A lot of water were left in appliance when is not working |
| Refer to drainage pipe installation |
| Untie the pipe and remove the heavy thing | |
| Please contact the after-sales service department | |
| Please contact the after-sales service department |
If the solutions above can not fix the problems, please stop to use appliance immediately and cut off the power and water supply. Please contact the after-sales department.
After sales service
Warranty requirements
- Provide valid vouchers for purchasing products during the warranty period: Invoice or product SN code.
- Free warranty within 12 months based on the date of SN code of the product leaving the factory.
The following conditions do not fall within the scope of free maintenance during the warranty period:
- Damage caused by improper use and maintenance of users;
- Failure to produce valid vouchers (neither invoices nor product SN codes), unclear valid vouchers, unable to confirm or altered;
- Damage caused by irresistible natural disasters (typhoons, snow disasters, hail, earthquakes, debris flows, etc.1
- Repair by an unqualified third party.
Maintenance record card
| Maintenance frequency | Fault phenomenon | Maintenance record | Maintenance date | Signature of maintenance personnel |
| 1 | ||||
| 2 | ||||
| 3 | ||||
| 4 | ||||
| 5 |
Note: After maintenance, the maintenance staff need to make a record of the maintenance status, for offer you a better service in the future.
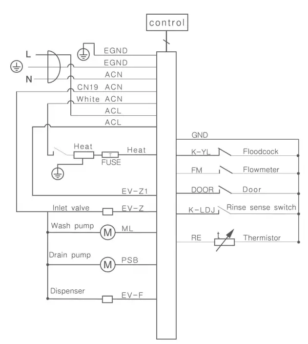
Circuit diagram
- This picture is fully equipped circuit diagram, the dashed part is optional. It is all depends on the situation.
STATEMENT
With the innovation and improvement of product technology, the product specifications of the same model as this product may be changed, and the change part will be notified without further notice. The pictures of the products in the instruction are all borrowed from the appearance of the dishwasher, and the pictures are only used as an example. The actual appearance should be based on the purchased products. As a result of product improvement, the execution standards of product manufacturing may be changed, and the revised standards of execution will be changed. There is no retroactive effect on the sold product.























