Airone DOLIBACHEVO0000056 Bach Evo Kitchen Hood

INSTRUCTIONS FOR USING, MAINTAINING AND INSTALLING THE HOOD
ATTENTION: The hood must only be installed by a qualified technician. The company accepts no liability if it is installed by an unauthorised person. Please read these instructions carefully before beginning the installation. Conserve this handbook together with the hood
WARNINGS
Before cleaning or performing any periodic or urgent maintenance to the hood, ensure the power is turned off by removing the plug from the socket and turning the main switch to 0 (off).
Do not connect the hood to any piping used for combustion appliances, such as burners, boilers or fireplaces.
Check that the main power supply corresponds to the voltage required by the hood, which is given on the silver label stuck inside the hood.
Ensure that the electric system is correctly earthed and that the earth discharge works correctly.
When cooking do not use any materials that could form high or unusual flames. Oil that has been used twice and fats are very dangerous and could easily catch fire.
Do not prepare flambè dishes.
Attention: accessible parts may become hot when the downdraft is used with cooking appliances.
This appliance can be used by children aged from 8 years and above and persons with reduced physical, sensory or mental capabilities, or lack of experience and knowledge if they have been given supervision or instruction concerning use of the appliance in a safe way and understand the hazards involved.
Children shall not play with the appliance. Cleaning and user maintenance shall not be made by children without supervision.
Once the installation is complete, the electrical components (cables, connectors, motor and control box) will no longer be accessible to the user. To allow access to those parts place a removable panel secured with screws.
The cooking hood must only be used with the extraction unit supplied with it, as indicated by the manufacturer with a maximum output of 690W.
The device is only suitable for domestic use. We recommend that you turn the hood on a few minutes before use and turn off 10 minutes after use.
Respect local legislation and regulations issued by the relative authorities regarding the exhaust air when the suction is operating.
Failure to respect and perform all the maintenance and cleaning operations described in this handbook could cause a fire hazard.
Text, images and specifications correspond to the status of the appliance at the date of print. The appliance is subject to changes und further development.
INSTALLATION
The hood must be combined with domino hobs (induction or glass-ceramic) . Combined operation with gas hobs is not permissible and explicitly prohibited. Once the installation is complete, the electrical components (cables, connectors, motor and control box) will no longer be accessible to the user.
To allow access to those parts place a removable panel secured with screws. The hood can be used for both filtering and suction.
When the filtering function is operating, i.e. with air recycle, carbon filters must be used (refer to the paragraph on CARBON FILTERS).
When the suction function is operating, i.e. exhausting the filtered air on the outside, a suitable compensation system must be used according to current standards in force. The diameter of the fume exhaust pipe must be the same or greater than the diameter of the hood pipe union.
There must be sufficient ventilation in the room where the hood is installed, to allow the simultaneous use of other appliances that use gas or other fuel.
ASSEMBLY INSTRUCTIONS
The hood must be combined with domino hobs (induction or glass-ceramic) . Combined operation with gas hobs is not permissible and explicitly prohibited.
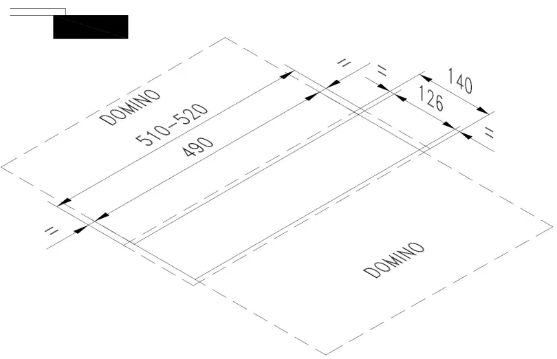
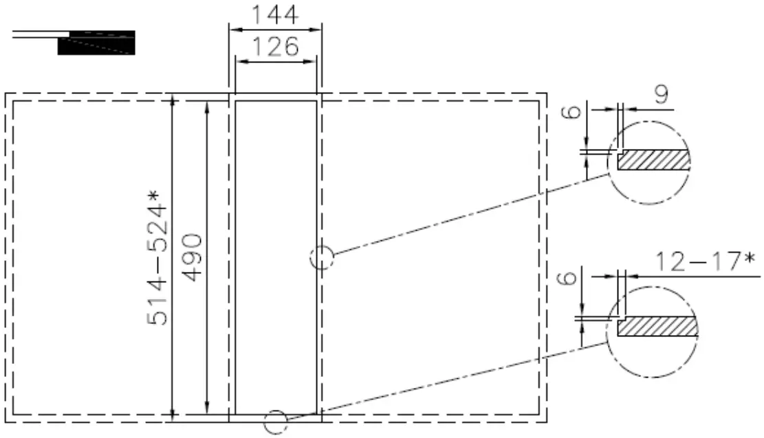
For the dimensions of the hole, see drawing here below (ATTENTION: one hole hood – domino) Top mounting of the built-in units:
Flush mounting of the built-in units:
To assemble the hood use the accessories that are supplied and follow the instructions.






ELECTRIC WIRING
he electric wiring must be performed by a specialised electrician fully respecting current standards and legislation in force.
Check that the power supply corresponds to the voltage requested by the hood, which is given on the silver label stuck inside the hood.
Ensure that the wiring system conforms to current standards and the earth discharge works efficiently.
Pay special attention to the hood power cable, ensure that it does not pass through any holes without a cable clamp
For direct connection to the electrical mains is necessary to provide a device that ensures disconnection from the electrical mains, with an opening distance of the contacts that allows the complete disconnection under the conditions ofovervoltage category III, in accordance with the rules of installation.
The plug or omnipolar switch must be accessible when the unit is installed
If the power cord is damaged, it must be replaced by a special cord or assembly available from the manufacturer or its service agent. The cable used must be of type H05VV-F 3 x 0.75 mm2 minimum crosssection
The manufacturer declines all responsibility if the current accident prevention standards in force are not respected, which are needed for the wiring system to operate correctly
CONTROL
DIGITAL CONTROLS
In this version there are four soft touch buttons and a display
> One button for turning on at 2nd speed and for turning the motor off.
> Two buttons + and – for increasing and decreasing the motor speed.
> A TIMER button for turning the motor off after 10 minutes.
When the timer is activated, the number on the display flashes. Special functions:
After 100 hours use, a 0 or a letter A will start flashing on the DISPLAY to remind the user to clean the metal filters.
After washing the metal filters, reset the hour meter by pressing the TIMER button for more than three seconds with the hood turned off.
When the hour meter has been reset a dash appears on the display, with the hood turned off.

USE AND MAINTENANCE
Before beginning any sort of cleaning or maintenance work, turn power off to the hood by turning the main switch to 0 (OFF).

Cleaning the metal filters:
The metal filters fitted in the hood should be washed every month, depending on how much the hood is used, using hot water and a liquid detergent that is not too aggressive. After washing the filters, they must be thoroughly dried and reassembled correctly.

Carbon filters OPTIONAL (KFCPZ)
If the hood is used with an internal recycle filtering system must be used carbon filters (KFCPZ). The active carbon in the filters traps the cooking smells.
Cleaning the hood
Regular cleaning of the surface areas saves the hassle of removing tougher stains later.
For the painted or copper plated hoods just use a soft cloth with warm water and a neutral detergent. Do not pour the detergent directly onto the hood or use powdery or abrasive products
Do not use aggressive products, chemical solvents or derivatives of oil distillates that could leave oily traces which could cause oxidation and polymerisation.
The manufacturer accepts no responsibility for damage to the surface of the hood due to failure to respect these instructions.
Airone S.r.l. -Via Ghebo, 12 – 35017 Piombino Dese (PD) Italy
tel +39.049.9369333 fax +39.049.9369399
www.aironehoods.com

















