FRANKE FMY 907 MG Hood

Warning! Before proceeding with installation, read the safety information in the User Manual.
Package Contents

Safety Precautions


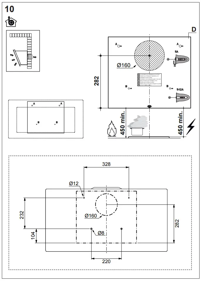
Dimension



Installation











Franke S.p.a.
Via Pignolini, 2
37019 Peschiera del Garda (VR)
www.franke.it
991.0620.207_03 – 220125 – D000000006451_02

















