
AUDIO
THUNDER FORM
JWTJ97C20A-TN / JWTJ97T20A-TN
JEEP WRANGLER
VEHICLE SPECIFIC SUBWOOFER ENCLOSURE
OWNER’S MANUAL
THANK YOU
Thank you for making the AWESOME decision to purchase our MTX Audio vehicle-specific subwoofer enclosure designed for the Jeep Wrangler TJ. Our sub enclosure, with ts two 10″ Terminator subwoofers, will belt out the bass and deliver ground-pounding audio making you the party vehicle! With a few basic hand tools in your trusty toolbox, you can have this installed in no time. So, what are you waiting for? It’s time to get the rumble in your ride! Oh, and congratulations on your purchase, thanks for your support and most importantly, enjoy the ultimate audio experience with MTX!
WE’RE HERE TO HELP
We’re here to help with any installation or technical support. Visit mtx.com to chat, call 1-800-225-5689 to speak with an MTX Technical Support representative, or visit youtube.com/user/MTXAudioUSA to view product videos.
DON’T FORGET TO REGISTER YOUR PRODUCT
Don’t forget to register your new MTX Audio product. Visit mtx.com/productregistration or scan the QR code to the right.
Model #;…………………………..
Serial #;…………………………….
Dealer’s Name;………………………..
Date of Purchase;……………………..
IMPORTANT NOTICE
Whenever working on the vehicle, it is recommended to disconnect the battery prior to starting work. Failure to do so may lead to a risk of electric shock or equipment damage.
When connecting power and ground wires ensure that the red power wire is fused at the point where it is connected to the vehicle’s battery. Failure to do so can result in damage to the vehicle if a short circuit develops between the vehicle connection point and the product.
FEATURES
- Includes two MTX 10″ Terminator Subwoofers
- Integrated Amplifier Easily Connects to Existing Systems
- Rotationally Molded Design, Finished in Charcoal and Tan
- Mounts Behind Rear Seat
- EBC and Wiring Harness Included
SPECIFICATIONS
- Dual 10″ Amplified Subwoofer Enclosure
- RMS Power Handling: 200-Watts
- Peak Power Handling: 400-Watts
- Signal-to-Noise Ratio (1 Watt): > 75dB
- Frequency Response: 10Hz – 78Hz
- Impedance: 4Ω
REQUIRED TOOLS
- Powered Screwdriver
- ‘Right Angle Screwdriver
- 6″ Bit Holder Extension
- Wire Ties
- 10mm Wrench
- Utility Knife
- Phillips Screw Driver
IN THE BOX
- JWTJ97C20A-TN or JWTJ97T20A-TN Amplified Subwoofer Enclosure
- EBC
- Wiring Harness
INSTALLATION
Step 1 – Flip the rear seat to the full forward position. This will give you more room to work with.
Step 2 – You may also want to remove the top to make moving around the vehicle, during installation, easier.
Step 3 – Place enclosure on the floor behind the rear seats with woofers firing down as shown below.

Step 4 – If externally amplified, make speaker connections to the enclosure from the amplifier.
Connect speaker wires from amplifier to enclosure, positive to the red terminal and negative to the black terminal.
Amplified ThunderForm
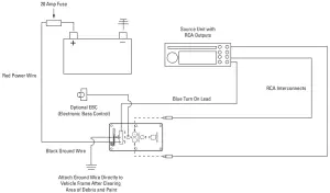
Note: When routing power wire we recommend a connection directly to the battery.
Step 5 – Locate the factory wire harness running under the driver-side threshold.
Step 6 – Use a Phillips screw driver to remove the three clips holding the factory wire harness under the door threshold on the driver side.
Step 7 – Make a small cut in the carpet located just under the pre-amp location of the enclosure. This will allow you to hide the wires under the floor mat.
Step 8 – Using the furnished wiring harness, route the 10ga red power wire starting at the pre-amp location. Route wire to driver side, under the carpet following the factory wire harness to the front of the vehicle. Wire tie as you go to secure the wiring.
Step 9 – Open hood.
Step 10 – Drill a hole through the firewall. Locate a spot high on the firewall on the driver side. You should always look to find a clear path. Drill a hole from the inside of the vehicle into the engine compartment and insert the grommet. You may also find a pre-existing, unused rubber grommet in this location that you can pass the wire through. Note: To avoid any damage to parts inside the engine compartment, drill from inside of the vehicle using a short bit.
Step 11 – Route 10ga red power wire through the grommet into the engine compartment.
Step 12 – Route 10ga red power wire through engine compartment safely away from any moving or hot parts that could damage the wire.
Step 13 – Cut 10ga red power wire to length, connect the supplied fuse holder from the wire kit to the end of the wire.
Step 14 – Remove 20 amp fuse from MTX fuse holder. Connect furnished ring terminal to the positive side of the battery. Remove 10mm nut from the factory battery terminal. Place ring terminal on battery post and retighten the nut.
Note: Always turn the ignition OFF when connecting or disconnecting battery cables Failing to do so may damage electronic components.
Step 15 – Ground amplifier to chassis of the vehicle; connect the terminal provided to the 10ga black wire from the furnished wiring harness. A good ground is as important as the power connection. The ground should be as short as possible and the contact point should be free of paint and debris.
Step 16 – Connect a remote (Blue) wire to the 12-volt switched accessory. To turn on the amplifier unit, a switched 12-volt signal is required. Locate a 12-volt wire that is active when the vehicle key is on and connect the blue remote wire to it. This may be found in the fuse panel, key switch, or radio harness.
Speaker Wires
Step 17 – In the channel on the driver-side threshold, locate the left and right rear speaker wires. Wire colors for the left rear speakers are; dark green/dark blue (positive) and dark green/purple (negative). The right rear speaker wire colors are; gray/dark blue (positive) and gray/tan (negative). Tap into wires and route under the carpet to pre-amp the enclosure. Connect to the supplied High-Level input harness wires and plug into the matching port on the pre-amp.
Although MTX has made every effort to assure proper wiring colors, MTX is not responsible for any changes made by the vehicle manufacturer which sometimes occur. If iring colors do not match then physical verification is required.
Connection to Enclosure
Conventional Wiring of Factory Radio 
Conventional Wiring of Aftermarket Radio
Step 18 – Plug power wire harness into amplifier pre-amp. 
Step 19 – Replace 20 amp fuse under hood.
Step 20 – When the amp turns on, LED will display red during the diagnostic mode, and then green, signaling the amp is on and functioning. Amp will only turn on when the radio is on.
Step 21 – Adjust gain.
Setting Gain
Turn gain knob on ThunderForm pre-amp to a minimum, counter clockwise. Play a favorite song that contains consistent music and bass. Turn the source unit to maximum listening level. You should know that some source units will produce distortion or “clip” before the unit reaches maximum volume. Reduce volume to the loudest listening level before distortion. Turn the gain knob on the ThunderForm pre-amp clockwise until the speaker starts to distort and reduce the gain to the loudest listening level before distortion.
Optional – The EBC, or Electronic Bass Control, allows a remote bass control to be adjusted from the driver’s seat.
Troubleshooting Tips if Amp Does Not Turn On
• Check all connections at the battery and that fuse is installed
• Check speaker wire connections
• Check ground
• Check the fuse on the pre-amp
Step 22 – Check the wire harness under the driver-side threshold to be sure it’s secure in its factory location and replace the three screw clips.
Step 23 – Using the supplied hardware, secure the enclosure to the floor of the vehicle.
Step 24 – Make sure the enclosure is at the far rear of the vehicle with the rear mounting feet pressed against the tailgate threshold, secure the enclosure into place. Attach rackets to mounting feet on the front of the enclosure and secure to the sides of the cargo area using a right-angle screwdriver as shown below.

Step 25 – Flip the rear seatback and lock it into place against your new enclosure.
These instructions are guidelines only and in no way are intended to replace a professional installation. As always before screwing or drilling check to make sure you will not damage any wires or hoses or cause damage to the vehicle.
Warning: Batteries normally produce explosive gases which can cause personal injury. Therefore, do not allow flames, sparks, or lighted substances to come near the battery. When charging or working near a battery, always shield your face and protect your eyes. Always provide ventilation.
WARRANTY PERIOD
At MTX Audio we engineer products that will stand up to the test of time. We also realize that from time to time a problem may occur. That’s why our products carry a 2-year limited warranty that begins at the time of sale to the end-user. Of course, we’re here to help. If you experience an issue with any of our products within the warranty period, please contact our customer service technical line at 1-800-CALL-MTX to help troubleshoot your issue. If, after speaking with our technical experts it is determined that a problem lies with the product, the technician will provide you with a Return Authorization number and all relevant details you’ll need to get the product taken care of.
MITEK WARRANTY
MiTek Mobile products (including, but not limited to MTX, Coustic, Streetwires, Xtant, BassSlammer, and Thunder Marine) purchased in the USA from an AUTHORIZED MITEK DEALER are guaranteed against defects in material and workmanship for the period of time specified. The warranty period begins the day the product is purchased by the end-user, and this warranty is limited to the original retail purchaser of the product. Products found to be defective during the warranty period will be repaired or replaced with the equivalent product by MiTek at no charge. This warranty is void if it is determined that unauthorized parties have attempted repairs or alterations of any nature, and the
warranty does not extend to cosmetics or finish. MiTek disclaims any liability for other incurred or consequential damages resulting from product defects. MiTek’s total liability will not exceed the purchase price of the product.
Let’s Get Social mtx.com![]()
Like, Follow, & Subscribe
© 2021 MiTek Corporation. All rights reserved. MTX is a trademark of MiTek Corporation.
All other trademarks are property of their respective owners. Designed and Engineered in the U.S.A.
Due to continual product development, all specifications are subject to change without notice.
MTX Audio,
4545 East Baseline Rd. Phoenix,
AZ 85042 U.S.A. 1-800-225-5689
MTX006402 RevA 2/21



















