EXOR International eSMART107B 7 Inch Resistive Touch Display

Product Information
The eSMART107B is a device that requires the installation and is accompanied by an installation guide in multiple languages. The device has the following features:
- Extra low-voltage power supply
- SELV (Safety Extra-Low Voltage) ports according to European standards
- ETH0 – 10/100Mbit/s port for Ethernet connectivity
- USB port for USB connectivity
- Designed for use in a Pollution Degree 2 environment
- Complies with various European directives and standards related to electromagnetic compatibility and waste disposal
Product Usage Instructions
Before using the eSMART107B, ensure that you have read the installation guide carefully. Follow the steps below to use the device:
- Dimension Cut Out: Refer to the manual for the correct dimensions and cut out the required hole for installation.
- Fixing Bracket: Use the provided fixing bracket to securely mount the device.
- Power Supply: Connect a power supply of 11-30Vdc with enough power capacity for the device’s operation. Do not open the panel rear cover when the power supply is applied. Dispose of batteries according to local regulations.
- ETH0 Port: Use the ETH0 port for Ethernet connectivity.
- USB Port: Use the USB port for USB connectivity.
- CAUTION: For use in a controlled environment, refer to the manual.
Please note that the eSMART107B is designed for use in a Pollution Degree 2 Environment and complies with various European directives and standards related to electromagnetic compatibility and waste disposal. If you need to dispose of the device, please doso in accordance with local regulations.
DIMENSION-CUT OUT
FIXING BRACKET
- A eSMART107B
- B. Installation cut-out

- Tightening torque: 75 Ncm
REARVIEW
- Power supply (11-30Vdc)
- ETH0 – 10/100Mbit/s
- USB port
All ports are SELV (Safety Extra – Low Voltage) according to European Standards and Class 2 according UL Standards
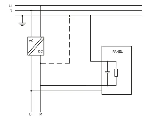
POWER SUPPLY
- Extra low voltage power supply / Limited power source

- DC Power Connector – AWG24 wire size – R/C Terminal Blocks (XCFR2), Female pitch 5.08mm, torque 4.5 lb-in (50Ncm)
Don’t open the panel rear cover when the power supply is applied
The unit must always be grounded to earth. Earth connection will have to be done using either the screw or the faston terminal located near the power supply terminal block. Also connect to ground the terminal 3 on the power supply terminal block.
For use in Pollution Degree 2 Environment, Maximum Surrounding Air Temperature 50°C
CAUTION: FOR USE IN A CONTROLLED ENVIRONMENT, REFER TO MANUAL FOR ENVIRONMENTAL CONDITIONS.
Ensure that the power supply has enough power capacity for the operation of the equipment.
DISPOSE OF BATTERIES
BATTERY
The products have been designed for use in an industrial environment in compliance with the 2014/30/EU directive
The products have been designed in compliance with
- EN 61000-6-4
- EN 55011 Class A
- EN 61000-6-3
- EN 55022 Class B
- EN 61000-6-2
- EN 61000-4-2
- EN 61000-6-1
- EN 61000-4-3
- EN 61000-4-4
- EN 61000-4-5
- EN 61000-4-6
- EN 61000-4-8
Software available in this product is based on OpenSource. Visit oss.exorint.net for more details
DISPOSAL
- Dispose of batteries according to local regulations
- This device cannot be disposed of as a domestic waste but according to WEEE European Directive 2012/19/EU
Reproduction of the contents of this copyrighted document, in whole or part, without written permission of Exor International S.p.A., is prohibited.
User Manual available on
©2014-2022 Exor International S.p.A
Exor International S.p.A. – San Giovanni Lupatoto VR, Italy
www.exorint.com






















