CORNRUSH POPCORN POPPER Instruction Manual

CORNRUSH POPCORN POPPER
This is a industrial-strength kettle popper The same kettle used by sport stadiums, theatres, concession stands, convenience stores and minimarts Fresh popcorn for ever event in just minutes. A professional popcorn scoop and bags are included. Just form an orderly line, there is plenty for everyone We use only the finest grade material and workmanship when manufacturing our poppers. If for any reason our popper doesn’t live up to these standards described, please write us a [email protected]
purchased our best selling popcorn popper for personal use. By purchasing the Popper you have joined an elite group of popcorn aficionado’s. In the world of popcorn you have now reached the next level.
You have left behind the stove top saucepan with a gob of white shortening and a handful of popcorn. Welcome to Pop Culture!
This instruction manual covers the following poppers.
8oz Kettle Corn rush
Popcorn Maker
8OZF-R Popper Red
8OZF-B Popper Black
8OZH-R Popper Red
8OZH-B Popper Black
110 volts – 850watts – 60 HZ
for a complete selection of concession supplies
IMPORTANT SAFEGUARDS and DO NOT’S
• READ ALL INSTRUCTIONS BEFORE USING YOUR POPCORN MACHINE.
DANGER! HOT!
- Extreme caution must be used when dumping kettle after popping action stops, a heat resistant mitt is recommended. Our kettles can reach temperatures up to 475°F.Do not touch hot surface. Always use handle to operate. Touching the kettle directly will result in burns.
- Keep loose clothing and other flammables away from hot kettle to avoid combustion, melting, or bums
- KEEP PLASTIC BAGS or other containers not recommended for use away from hot kettles to avoid melting, combustion, or berms from melted plastic.
- STEAM IS HOT! It is NOT recommended that you open the lids of the kettle when in use or when hot Escaping steam can BURN. Use only the kettle handle to tilt the kettle to extract any hot contents.
- DO NOT immerse cord or plug into water or other liquids. DO NOT use extension cords or adapters to connect the unit to an electrical power source.
- DO NOT operate the appliance with damaged cord or plug, malfunction or with any mechanical damages.
- ALWAYS wear safety glasses when servicing this popper.
- DO NOT move the popper during operation. Allow hot parts to cool down before moving or handling.
- DO NOT add kernels into a dry pot(without oil). To avoid overheating, always have oil and kernels ready before turning on heat.
- DO NOT place kettle into a dishwasher. DO NOT immerse kettle into water.
- Make sure ALL switches are in the “OFF” position after each use, disconnect power cord from the electric outlet before cleaning.
- DO NOT use this appliance for anything other than the indicated usage. This Popcorn Popper is intended for residential or personal use only. This appliance is NOT intended for commercial use.
- The popper must be properly assembled before using it Follow instructions and recommendations carefully.
- DO NOT place the unit on or near a gas or electric burner or near a heated oven.
- DO NOT use outdoors, in wet environments or near a swimming pool, pond or hot tub/Jacuzzi.
- DO NOT use accessories or attachments that are not provided or recommended by manufacturer.
- 0NLY connect to an electrical outlet with the correct electrical supply and proper grounding to reduce the risk of shock and fire. Do Not cut or remove the grounding pin. If you do not have a three -prong electric receptacle outlet available, have a certified electrician install a proper outlet.
- DO NOT use a wall receptacle that is not properly grounded. Consult a qualified electrician to make sure your wiring and circuit can handle the electrical load required to operate this appliance.
- KEEP CHILDREN well away from popper while in operation.
- DO NOT use abrasive cleaning products or abrasive cloth or materials on any surface of this machine. Mild synthetic abrasive cloth may be used on inside of pot. Absolutely NO Steel Wool.
- NEVER force any parts or brackets into position.
- SAVE these instructions for future reference.

CAUTION: Pot, oil and popcorn are extremely hot. Escaping steam can cause severe scalding. Children are naturally attracted to the excitement of the popping event. Keep children well
back out of harm’s way.
- First, find a flat surface near an electrical outlet before starting. Make sure your cord is away from any water source. It is acceptable to use an extension cord if needed.
- Use the Oil Measuring Spoon supplied with your POPCORN CART add 2 tbsp. of oil. Light vegetable oil is recommended. Add 4OZ of popcorn kernels to the Kettle using supplied Kernel Measuring Cup.
- Close lid and door.
- Switch the Stirrer to ON so that it starts stirring. Switch the kettle heater to ON. You will hear the sizzle in just a few minutes.
- Switch the warming tray and spot light to ON.
- Popcorn starts popping out through the lid after about 3 to 4 minutes.
- When popping action stops (no more popping sound from the pot), switch the Stirrer and Pot Heater to the OFF position. Popping is complete. Rotate the handle bar on the pot and pour out all remaining popcorn. Gently shake if necessary.
- Pot Heater switch must remain OFF if the unit is not popping. Only the spot light and warming deck should be left ON, this will keep the popcorn warm, dry and tasty for a longer period of time.
- Serve popcorn with the scoop provided. Note: Do not add butter or other liquid flavouring in main unit popcorn bin. Avoid a big mess! Remove popcorn to a suitable serving bowl or popcorn container before adding this type of flavouring.
- Always remove plug from power supply before cleaning and if the unit is not being used for a period time.
IMPORTANT KNOWLEDGE FOR UNPACKING
Unpacking the shipping crate that holds your new popper is the most exciting moment for a true popcorn aficionado like yourself. Onrush has carefully engineered this shipping carton to insure your popper arrives in pristine condition.
Upon removing anything from the carton, inspect the parts for damage. Photograph any damage that may have occurred to the outside of the carton. Photograph any damage to the machine.
For more information on Corn rush’s contact our customer service at : [email protected]
Compare the parts in the carton to the list on the following page. If you find that the carton is missing a part contact us at [email protected]

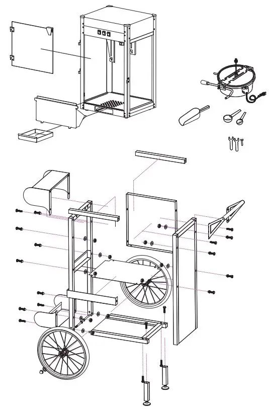
ASSEMBLY PROCEDURE
If you bought a popcorn machine with a Cartc8OZF-R/8OZF-B, please follow the steps below to assemble the Cart.

The foot pad (18) is screwed into the column (8) and connected with the bottom support plate (9) with M8 screws (3), and the fixed frame right (10) is connected with the bottom support plate (9) with M8 screws (3) to fix the frame The left (4) and lower platform (6) are connected to the bottom support plate (9) with M8 screws (3).

The wheels (7) are connected to the main body with M8X95 screws (16), 08 spring washers (17) and dome nuts (14) and installed firmly

The armrest (12), the cross brace (1), the upper platform (2) are connected to the main body with M8 screws (3) and installed firmly, the middle floor (11) is placed in the middle of the main frame and connected with M4 screws and nuts (19). The installation is firm.

The middle horizontal plate (5) is connected with the main part with M8 screws (3) and installed firmly, and the runt baffle (13) is connected with the main part with M8 screws(3)and installed firmly
SUCCESS!
Now that you have assembled your popper, you are ready to make popcorn the way it’s made in theatres and concessions everywhere. Below are instructions on how to operate your popper.. Read them carefully to make yourself a popping expert. When operated correctly your popper will give you many years of service and happiness.

WARM ER
The Warmer switch operates the light in the back left corner of the popper unit and the warming element in the bottom tray. The warmer can be left on for extended periods of time. The two elements work together to keep the popcorn fresh and warm. Ready to Eat! Warning: Do not dump liquid toppings onto popped corn while in the popper. It will cause a huge mess and result in much clean-up time. Remove popcorn to a serving bowl before adding wet toppings.
STIRRER
The Stirrer switch operates the stirrer located inside the pot. Make sure it is free of obstruction and the axle gear and the motor gear are properly seated before turning the Stirrer switch on. If pot is not cleaned at appropriate intervals or recommended popping oils are not used, the bottom of the pot will gum with burnt oil and debris. If the stirrer sounds the least bit strained, switch off immediately and solve the problem.
Pot Heater
The Pot Heater switch operates the heating element in the bottom of the pot. (Kettle) It is engineered to deliver the perfect temperature for popping Popcorn. It is extremely hot! Care should be taken when in close proximity of the pot. When pot is hot use heat resistant gloves. Only touch the safety knob on the pouring handle.
PRODUCT WARRANTY
Appliance 1 Year Limited Warranty Corn rush warrants this appliance from failures in the material and workmanship for one (1) year from the date of original purchase with proof of purchase, provided that the appliance is operated and maintained in conformity with the Instruction Manual. Any failed part of the appliance will be repaired or replaced without charge at the Company’s discretion.
This warranty applies to indoor household use only. This warranty does not cover any damage, including discoloration, to any non-stick surface of the appliance. This warranty is null and void, as determined solely by the Company, if the appliance is damaged through accident, misuse, abuse, negligence, scratching, or if the appliance is altered in any way.
THIS WARRANTY IS IN LIEU OF ALL IMPLIED WARRANTIES, INCLUDING WARRANTIES OF MERCHANTABILITY, FITNESS FOR A PARTICULAR PURPOSE, PERFORMANCE, OR OTHERWISE, WHICH ARE HEREBY EXCLUDED. IN NO EVENT SHALL THE COMPANY BE LIABLE FOR ANY DAMAGES, WHETHER DIRECT, INDIRECT, INCIDENTAL, FORSEEABLE, CONSEQUENTIAL, OR SPECIAL ARISING OUT OF OR IN CONNECTION WITH THIS APPLIANCE.
If you think the appliance has failed or requires service within its warranty period, please e-mail us at [email protected]. A receipt proving the original purchase date will be required for all warranty claims, hand written receipts are not accepted. You may also be required to return the appliance for inspection and evaluation. Not apply to: A. cosmetic damage, such as broken glass, scratches, nicks and dents; B. consumable
CUSTOMER SERVICE
Customer service and product support are available on line at www.cornrush.com
















