aube technologies CT230-120GA Slave and Master Thermostat

Introduction
This master and slave unit system is specially designed for large floor heating applications exceeding 15 A.
The master thermostat controls a single or multiple floor heating zones driven by slave units. The master thermostat can control up to 10 slave units.
Each slave unit drives its own zone and is equipped with a GFCI test button and warning light as well as an On/Standby switch to facilitate maintenance on specific zones of the floor installation.
Operation
Master Thermostat
The master unit controls the temperature and sends a signal to slave units when heating is required. The floor sensor is connected to the master unit. The master unit is powered by the slave units.
Slave Unit
The slave unit receives the signal sent by the master unit and activates its load.
NOTE: There must be a minimum of one slave unit ON to power the master unit.
Installation
Turn off power to the heating system at the main power panel to avoid electrical shock. Installation should be carried out by an electrician.
Wiring Guidelines
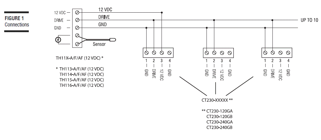
- The wire distance between the master thermo-stat and slave unit should not exceed 500 ft.(150 m).
- The floor sensor cable should not exceed 200 ft. (60 m).
- A 3-wire 20 AWG cable is recommended.
Slave Units – Installation and Wiring
The slave units can operate on different voltages (e.g. 5 units @ 120 V and 5 @ 240 V).
- Required parts: CT230-120GA, -120GB, -240GA or -240GB
- Installation: On an electrical box
- Location: Installation near the master thermostat is not required (i.e. can be installed in a utility room).
- Wiring: The power bases are joined through a daisy chain connection.

- Connect the 120 V or 240 V power base wires to the power (line) and to the load (floor) using solderless connectors for copper wires, and secure the base to the electrical box.
- Affix the wiring sticker (in the CT230 box) to the base.
- Connect the slave power bases together as per FIGURE 1.
- Once installation and wiring is complete, mount the CT230 interface:
- Align the bracket tabs of the CT230 with the holes located on top of the power base.
- Secure the CT230 interface using the screw (captive).

- Switch all slave power bases to STANDBY by sliding the protective door upwards and positioning the switch to STANDBY. Install and connect the master unit (see 3.3).

Master Thermostat – Installation and Wiring
WARNING: Make sure all slave units are in STANDBY mode.
Required parts
- TH113-A/F/AF (12VDC),
- TH114-A/F/AF (12VDC),
- TH115-A/F/AF (12VDC)
- TH116-A/F/AF (12VDC
- Location: anywhere easily accessible to users.
- Temperature control: AF (ambient with floor limit) / A (ambient)
- Install the master thermostat in the controlled area.
- Choose a location about 5 ft. above the floor in an area where the temperature is stable.
- Avoid locations where there are air drafts (top of staircase, air outlet), dead air spots (behind a door), direct sunlight or concealed chimneys or stove pipes.
Temperature control: F (floor)
Can be installed anywhere
- Wire the 12 VDC base to the nearest slave unit.The floor sensor must be installed in an area where average temperature can b eread. The cable must follow the wall down to the floor and must not cross any heater wires or be directly on or adjacent to a heating wire. For maximum performance, the sensor probe should be centered between the wires in the mat (max. 80°C).
- Push the excess wire into the wall, secure the base using the provided screws and wall anchors, and install the TH11x thermostat onto the base.
- Once the thermostat is installed, return power to heating system and switch all slave units and the master thermostat to ON.

Slave Units – GFCI Test
We recommend you test the GFCI immediately after installing the thermostat, and once a month thereafter to ensure it is operating properly. If the test warning light comes ON during normal operation, cut power to heating system from the main power panel and verify the installation

- Slide the protective door upwards and make sure the switch is ON.
- Press TEST.
- The test is successful if the TEST warning light is ON and power is cut off.
- If the test fails (first installation test):
- Verify installation
- Check the load wires
- Once you’ve identified the problem, run the GFCI test again
- If the test fails (monthly maintenance):
- Cut power to heating system from the main power panel and call customer service
- When the test is successful, reset the slave unit by switching from ON to STANDBY then back to ON.
- Repeat steps 1 to 3 for all slave units.
Technical Specifications
Temperature:
- Operation: 32°F to 122°F (0°C to 50°C)
- Storage: -4°F to 122°F (-20°C to 50°C)
TH113/TH114/TH115/TH116 (A/F/AF-12VDC)

NOTE: Refer to the TH11x user guide for technical specifications
CT230-120GA/120GB/240GA/240GB

Warranty
Aube warrants this product, excluding battery, to be free from defects in the workmanship or materials, under normal use and service, for a period of three (3) years from the date of purchase by the consumer. If at any time during the warranty period the product is determined to be defective or malfunctions, Aube shall repair or replace it (at Aube’s option). If the product is defective,
- return it, with a bill of sale or other dated proof of purchase, to the place from which you purchased it, or
- contact Aube. Aube will make the determination whether the product should be returned, or whether a replacement product can be sent to you.
This warranty does not cover removal or reinstallation costs. This warranty shall not apply if it is shown by Aube that the defect or malfunction was caused by damage that occurred while the product was in the possession of a consumer. Aube’s sole responsibility shall be to repair or replace the product within the terms stated above. AUBE SHALL NOT BE LIABLE FOR ANY LOSS OR DAMAGE OF ANY KIND, INCLUDING ANY INCIDENTAL OR CONSEQUENTIAL DAMAGES RESULTING, DIRECTLY OR INDIRECTLY,0 FROM ANY BREACH OF ANY WARRANTY, EXPRESS OR IMPLIED, OR ANY OTHER FAILURE OF THIS PRODUCT. Some provinces, states or regions do not allow the exclusion or limitation of incidental or consequential damages, so this limitation may not apply to you. THIS WARRANTY IS THE ONLY EXPRESS WARRANTY AUBE MAKES ON THIS PRODUCT. THE DURATION OF ANY IMPLIED WARRANTIES, INCLUDING THE WARRANTIES OF MERCHANTABILITY AND FITNESS FOR A 0PARTICULAR PURPOSE, IS HEREBY LIMITED TO THE THREE-YEAR DURATION OF THIS WARRANTY. Some provinces, states or regions do not allow limitations on how long an implied warranty lasts, so the above limitation may not apply to you. This warranty gives you specific legal rights, and you may have other rights which vary from one province, state or region to another.
Service
For any questions regarding the product installation or operation, contact us at: 705 Montrichard Saint-Jean-sur-Richelieu, Quebec J2X 5K8 Canada
- Tel.: (450) 358-4600
- Toll-free: 1-800-831-AUBE
- Fax: (450) 358-4650
- E-mail: [email protected]
- For more information on our products, visit us at: www.aubetech.com





















