
Pioneer 3-Way Speaker Instruction Manual


Be sure to read this instruction manual before installing this speaker.
WARNING Over time, your hearing comfort level” adapts to higher volumes of sound, so that what sounds “normal” can actually be doing harm. To protect against hearing loss, set your equipment’s volume at a low setting, slowly increase it until you can hear it comfortably and clearly, and leave it there. Do not turn up the volume so high that you can’t hear what’s around you.
CAUTION
- Do not touch the speaker flexible wire (A).
- Do not change the direction of the speaker terminal assembly (B).
- Make sure lead and speaker terminals do not contact metal.
- When making connections, refer also to the instruction manual of the car stereo used.


A-series sound design delivers better car-music-life
- Powerful and well controlled bass
- High sensitivity and Wide dynamic range
- Clarity of vocal
FEATURES

- OPEN and SMOOTH delivers smooth frequency response and an expansive soundstage
- Carbon and Mica reinforced IMPP cone provides fast response and solid bass
- Optimized symmetrical motor design reproduces accurate sound
- Cellulose fiber midrange cone provides natural vocal

PARTS INCLUDED

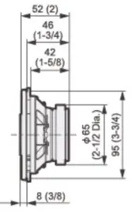
DIMENSIONS




SPECIFICATIONS

HOW TO INSTALL


Read More About This Manual & Download PDF:


















