ZEBRA MIX05XSW Economy Mixer
Parts Information

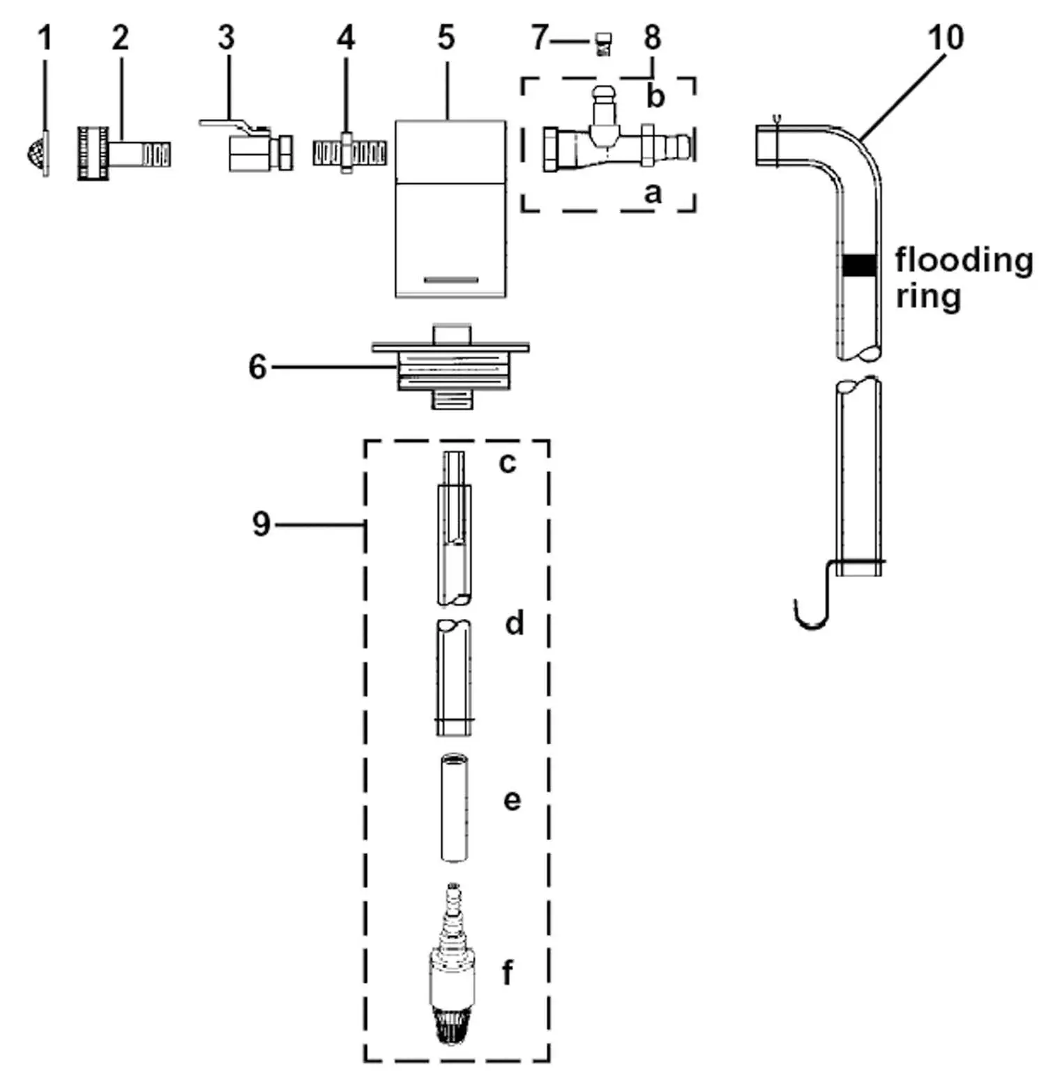
Ref# Zebra Part# Description
- MIX05XSW Strainer Washer
- MIX05XHSW Hose Swivel
- MIX05XBV Ball Valve
- MIX05XN Nipple
- MIX05XMB Mounting Bracket (5a) Bung Adaptor Assembly (5b)
- MIX05XMTK Metering Tip Kit
- MIX05XEDA Eductor (7a) Suction Stub (7b)
- MIX05XSVIT Suction Tube Assembly 1/4” x 7” tubing (8c) 1/2” ID suction tube (8d) Ceramic weight 8e) Foot valve (8f)
- MIX05XDTA Discharge Tube Assembly
Metering Tip Selection
Concentration value of the mixed fluid is related to both the size of the metering tip orifice and the viscosity of the concentrate. The metering tips supplied are specified with use at 40 psi (a common pressure) on a water-thin (universal) viscosity concentrate. If your concentrate is more viscous than water, reference the tip that provides the nearest required concentration/ratio value, then use the next larger output size. You may also reference the Measurement of Concentration section of this manual for more information, and a tip that can be drilled to meet your specific need is also supplied.
Color Drill Size Dec. Equiv. Ratio % Value
- (no tip) – – 4.5:1 22.2
- Gray 30 .1285 5:1 20.0
- Black 40 .0980 6:1 16.6
- Beige 50 .0700 9:1 11.1
- Red 55 .0520 20:1 5.0
- White 57 .0430 24:1 4.16
- Blue 60 .0400 26:1 3.84
- Tan 65 .0350 31:1 3.23
- Green 70 .0280 50:1 2.0
- Orange 72 .0250 70:1 1.43
- Brown 74 .0225 90:1 1.11
- Yellow 76 .0200 100:1 1.0
- Purple 80 .0135 200:1 .50
- Pink 87 .0100 400:1 .25
Function
Strains pipe scale Connection to water supply Opens/closes off water supply Connects water supply to eductor assembly Encases eductor assembly Mounts unit to concentrate (drum) container Provides mixing ratio (see chart below) This chamber is where vacuum is created The metering tip is installed here Prevents crimping of the intake tube Draws in concentrate
Weights tube to suction from bottom of container Opens when water on allowing concentrate through intake tube; closes when water off to prevent concentrate from draining out suction tube Flooding ring prevents crimp in tube; hook prevents siphoning of concentrate.
Measurement of Concentration
You can determine the dispensed ratio for any metering tip and concentrate viscosity. Operate the mixer (after the suction tube is primed, or full) for a minute or so. Note the volume of dispensed water/concentrate mixture and the amount of concentrate used in preparation of the fluid actually dispensed.
The water”to”concentrate ratio is then calculated as follows:
Dilution (X) = Amount of dispensed solution – amount of concentrate drawn Dilution ratio, then, equals X parts water to one part concentrate (X:1). If the test does not yield the desired ratio, select a different tip, accordingly, and repeat the test.
Installation & Opertaion
- Place the metering tip that meets your desired ratio into the suction stub (7b).
- Slide the open end of the suction tube (8) through the bung adaptor (5b), then over the suction stub.
- Slide the end of the discharge tube (9) over the eductor stub discharge outlet. Note: For use with totes, remove the suction stub and rotate the eductor assembly.
- Remove the 2” bung cap from the concentrate drum.
- Unseat the breather hole cap of the drum.
- Insert the foot valve (8f) end of the suction stub into the drum. Note: When installing a new mixing unit, it is recommended to blow air up through the foot valve first to unseat its rubber gasket, in the event it is sticking to the plastic portion of this component.
- Screw the bung adaptor several turns until the mounting bracket (5a) is secure.
- Install your 1/2” ID, minimum, water inlet hose into the hose swivel (2).
- Place the discharge tube in your preferred receiving vessel.
- Turn on your water supply, making sure the ball valve (3) is in the open position. Note: A minimum water pressure of 25 psi is required to create a vacuum for proper concentrate suction. Water pressure should be no greater than 75 psi to prevent excessive water flow, and thus little to no concentration value. Should your pressure be tested at or above 70 psi, we suggest installing a pressure limiting device to reduce the incoming pressure.
- When finished dispensing mixed fluid, raise the discharge hose and hook it to the edge of your concentrate container to prevent concentrate siphoning.
Troubleshooting

*Mineral deposits, known as scale, may form on the eductor, especially in hard water areas. Soak the eductor in a descaling, or deliming, solution until it is easily removed with a cloth.



















