apollo SA4705-703APO Soteria UL Switch Monitor Input or Output Module

GENERAL
The Switch Monitor I/O Module is a loop-powered device that incorporates a monitored input circuit for connection to a remote switch alongside a 240 Volt-free relay output. It is mounted with a plastic fascia plate for use with a UL listed 4” electrical box or dual gang.
Please Note:
- The Switch Monitor I/O Module is designed for indoor dry use only.
- The unit must be installed in a dedicated suitable UL listed enclosure, employing only power limited circuit.
CONTROL PANEL COMPATIBILITY
The Switch Monitor I/O Module has been approved by UL, LLC. For details of compatible panels contact Apollo America Inc. For relay compatibility contact the Panel manufacturer
TECHNICAL INFORMATION
All data is supplied subject to change without notice. Specifications are typical at 24V, 25°C and 50% RH unless otherwise stated.
| Part Number | SA4705-703APO |
| Replacement Part Number | 55000-859, 55000-785, 55000-820 |
| Type | Switch Monitor Input/Output Module |
| Dimensions | 4.9” width x 4.9” height x 1.175” depth |
| Temperature Range | 32°F to 120°F (0°C to 49 °C) |
| Humidity | 0 to 95% RH (Non-Condensing) |
| Signal Line Circuit (SLC) | Supervised |
| Operating Voltage | 17-28 V DC |
| Modulation Voltage | 5-9 V (peak to peak) <700 µA 1.6 mA per LED 1A UL, ULC, CSFM, FM UL 94 V-0 |
| Supervisory Current | |
| LED Current | |
| Maximum Loop Current | |
| Approvals | |
| Material |
| Initiating Device Circuit (IDC) | |
| Wiring Styles | Supervised power limited Class A and Class B |
| Voltage | 3.3 V DC (<200 µA) |
| Line Impedance | 100 Ω max |
End-of-Line resistors* 47k Ω
Note: A UL listed end-of-line resistor is available at Apollo, Part no. 44251-146
Analogue Values
| Analogue Values | ||
| Without Ground Fault | With Ground Fault* | |
| Normal | 16 | 19 |
| Alarm | 64 | 64 |
| Trouble | 4 | 4 |
Note: Ground fault values need to be enabled by the dip switch (by Default no ground Fault values will show up).
OUTPUT CIRCUIT
| OUTPUT CIRCUIT | ||
| Realy Output – Non Supervised | 30 V DC | 4 A-resistive |
| Programmable – Dry Contact | 240 V AC | 4 A-resistive |
INSTALLATION
This product must be installed in accordance with the applicable NFPA standards, local codes and jurisdictional authorities. Failure to follow these instructions may result in failure of devices to report an alarm condition. Apollo America Inc. is not responsible for devices which are improperly installed, maintained and tested. Before installing this product, check the continuity, polarity and insulation resistance of all wiring. Check that wiring is in accordance with the fire system drawings and conforms to all applicable local codes such as NFPA 72.
- Mount the electrical box as required and install all cables for termination.
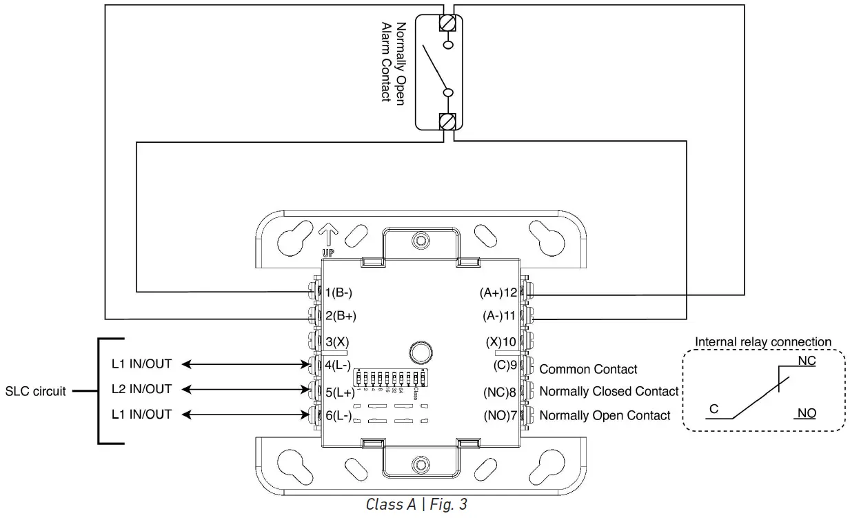
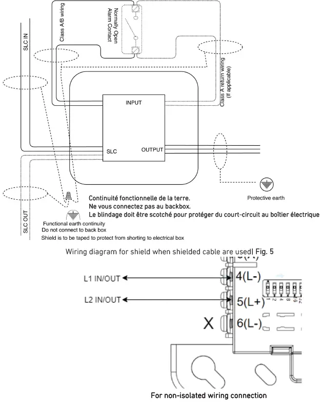
- Terminate all cables in compliance with local codes and regulation. Ensure that cable shield/earth continuity is maintained and no short occurs with the back box (see Fig. 3 and 4 for wiring instructions)
- Set the address on dip switch of the unit as shown on page 4.
- Install the wire separator provided.
- Gently push the completed assembly towards the mounting box and verify wiring and address. Align the fixing holes.
- Secure the module to the electrical box with provided screws. Do not over tighten screws.
- Place the face plate over the module and secure with provided screws.
- Commission the module.
WARNING: DISCONNECT POWER BEFORE OPENING
AVERTISSEMENT: COUPER LE COURANT AVANT D’OUVRIR
WARNING: ELECTRICAL SHOCK HAZARD
AVERTISSEMENT: RISQUE DE CHOC ELECTRIQUE

WIRING INSTRUCTION
Note: ‘X’ denotes unused terminals.
CAUTION:
- When Making Installation, Route Field Wiring Away From Sharp Projections, Corners, and Internal Components
- A minimum of 1/4 inch space is required between Power Limited and Non-Power Limited circuits while wiring.
MISE EN GARDE
- Lors de la pose, acheminer le câblage extérieur de manière à éviter les arêtes vives, les coins et les composants internes
- Un espace minimum de 1/4 pouce est requis entre les circuits à puissance limitée et non limitée lors du câblage.


Note: A UL listed end of Line resistor is required in Class B

ADDRESS SETTING
Steps:
- The dip switch used to address your device has 10 individual switches (Figure 6).
- Address setting is done by dip switches 1-8 (see page 6 for address matrix).
- In XP/Discovery Protocol, only dip switch 1-7 are used, dip switch 8 is used to enable ground fault analogue value.
- Dip switch down = 1 and up = 0.
- Dip switch 9 is used to set Wiring Class A/B (Figure 7).

ADRESS SETTING EXAMPLE

LED STATUS
LED Color Description
- Green: Polling
- Yellow (Solid): Isolation
- Red: Command Bit
A green LED flashes in synchronization with the current pulse reply from the device.
ADDRESS MATRIX
| ADDRESS MATRIX 1 1000 0000 43 1101 0100 85 1010 1010 | ||||||
| 2 | 0100 0000 | 44 | 0011 0100 | 86 | 0110 1010 | |
| 3 | 1100 0000 | 45 | 1011 0100 | 87 | 1110 1010 | |
| 4 | 0010 0000 | 46 | 0111 0100 | 88 | 0001 1010 | |
| 5 | 1010 0000 | 47 | 1111 0100 | 89 | 1001 1010 | |
| 6 | 0110 0000 | 48 | 0000 1100 | 90 | 0101 1010 | |
| 7 | 1110 0000 | 49 | 1000 1100 | 91 | 1101 1010 | |
| 8 | 0001 0000 | 50 | 0100 1100 | 92 | 0011 1010 | |
| 9 | 1001 0000 | 51 | 1100 1100 | 93 | 1011 1010 | |
| 10 | 0101 0000 | 52 | 0010 1100 | 94 | 0111 1010 | |
| 11 | 1101 0000 | 53 | 1010 1100 | 95 | 1111 1010 | |
| 12 | 0011 0000 | 54 | 0110 1100 | 96 | 0000 0110 | |
| 13 | 1011 0000 | 55 | 1110 1100 | 97 | 1000 0110 | |
| 14 | 0111 0000 | 56 | 0001 1100 | 98 | 0100 0110 | |
| 15 | 1111 0000 | 57 | 1001 1100 | 99 | 1100 0110 | |
| 16 | 0000 1000 | 58 | 0101 1100 | 100 | 0010 0110 | |
| 17 | 1000 1000 | 59 | 1101 1100 | 101 | 1010 0110 | |
| 18 | 0100 1000 | 60 | 0011 1100 | 102 | 0110 0110 | |
| 19 | 1100 1000 | 61 | 1011 1100 | 103 | 1110 0110 | |
| 20 | 0010 1000 | 62 | 0111 1100 | 104 | 0001 0110 | |
| 21 | 1010 1000 | 63 | 1111 1100 | 105 | 1001 0110 | |
| 22 | 0110 1000 | 64 | 0000 0010 | 106 | 0101 0110 | |
| 23 | 1110 1000 | 65 | 1000 0010 | 107 | 1101 0110 | |
| 24 | 0001 1000 | 66 | 0100 0010 | 108 | 0011 0110 | |
| 25 | 1001 1000 | 67 | 1100 0010 | 109 | 1011 0110 | |
| 26 | 0101 1000 | 68 | 0010 0010 | 110 | 0111 0110 | |
| 27 | 1101 1000 | 69 | 1010 0010 | 111 | 1111 0110 | |
| 28 | 0011 1000 | 70 | 0110 0010 | 112 | 0000 1110 | |
| 29 | 1011 1000 | 71 | 1110 0010 | 113 | 1000 1110 | |
| 30 | 0111 1000 | 72 | 0001 0010 | 114 | 0100 1110 | |
| 31 | 1111 1000 | 73 | 1001 0010 | 115 | 1100 1110 | |
| 32 | 0000 0100 | 74 | 0101 0010 | 116 | 0010 1110 | |
| 33 | 1000 0100 | 75 | 1101 0010 | 117 | 1010 1110 | |
| 34 | 0100 0100 | 76 | 0011 0010 | 118 | 0110 1110 | |
| 35 | 1100 0100 | 77 | 1011 0010 | 119 | 1110 1110 | |
| 36 | 0010 0100 | 78 | 0111 0010 | 120 | 0001 1110 | |
| 37 | 1010 0100 | 79 | 1111 0010 | 121 | 1001 1110 | |
| 38 | 0110 0100 | 80 | 0000 1010 | 122 | 0101 1110 | |
| 39 | 1110 0100 | 81 | 1000 1010 | 123 | 1101 1110 | |
| 40 | 0001 0100 | 82 | 0100 1010 | 124 | 0011 1110 | |
| 41 | 1001 0100 | 83 | 1100 1010 | 125 | 1011 1110 | |
| 42 | 0101 0100 | 84 | 0010 1010 | 126 | 0111 1110 | |
Notes
- For XP95/Discovery Protocol only panel address is only limited from 1-126.
- Dip Switch 8 is used to enable ground fault detection on XP95/Discovery Protocol only.
Apollo America Inc.
30 Corporate Drive, Auburn Hills, MI 48326 Tel: (248) 332-3900. Fax: (248) 332-8807
Email: [email protected]
www.apollo-fire.com




















