Autonics CT Series Programmable Digital Counters

For your safety, read and follow the considerations written in the instruction manual, other manuals and Autonics website. The specifications, dimensions, etc. are subject to change without notice for product improvement. Some models may be discontinued without notice.
Features
- Communication function supported (communication model): RS485 (Modbus RTU)
- One-shot output time setting range: 0.01 sec to 99.99 sec by setting per 10ms
[Counter]
- Prescale value setting range: 6-digit model: 0.00001 to 99999.9 / 4-digit model: 0.001 to 999.9
- Various input / output modes (9 input /11 output modes)
- BATCH counter, count Start Point (counting initial value) setting function
[Timer]
- Various output modes (13 modes)
- Various time setting range: 6-digit model: 0.001 sec to 99999.9 hour / 4-digit model: 0.001 sec to 9999 hour
- ‘0’ time setting function
- Selectable timer memory retention function for indicator model.
Safety Considerations
- Observe all ‘Safety Considerations’ for safe and proper operation to avoid hazards.
- symbol indicates caution due to special circumstances in which hazards may occur.
Warning Failure to follow instructions may result in serious injury or death.
- Fail-safe device must be installed when using the unit with machinery that may cause serious injury or substantial economic loss. (e.g. nuclear power control, medical equipment, ships, vehicles, railways, aircraft, combustion apparatus, safety equipment, crime / disaster prevention devices, etc.) Failure to follow this instruction may result in personal injury, economic loss or fire.
- Do not use the unit in the place where flammable / explosive / corrosive gas, humidity, direct sunlight, radiant heat, vibration, impact, or salinity may be present.
Failure to follow this instruction may result in explosion or fire. - Install on a device panel to use.
Failure to follow this instruction may result in fire or electric shock. - Do not connect, repair, or inspect the unit while connected to a power source.
Failure to follow this instruction may result in fire or electric shock. - Check ‘Connections’ before wiring.
Failure to follow this instruction may result in fire. - Do not disassemble or modify the unit.
Failure to follow this instruction may result in fire or electric shock.
Caution Failure to follow instructions may result in injury or product damage.
- When connecting the power / sensor input, relay output and communication, use AWG 20 (0.50 mm2) cable or over, and tighten the terminal screw with a tightening torque of 0.74 to 0.90 N m.
Failure to follow this instruction may result in fire or malfunction due to contact failure. - Use the unit within the rated specifications.
Failure to follow this instruction may result in fire or product damage. - Use a dry cloth to clean the unit, and do not use water or organic solvent.
Failure to follow this instruction may result in fire or electric shock. - Keep the product away from metal chip, dust, and wire residue which flow into the unit.
Failure to follow this instruction may result in fire or product damage.
Cautions during Use
- Follow instructions in ‘Cautions during Use’. Otherwise, it may cause unexpected accidents.
- Power supply should be insulated and limited voltage / current or Class 2, SELV power supply device.
- Use the product, 0.1 sec after supplying power.
- When supplying or turning off the power, use a switch or etc. to avoid chattering.
- Install a power switch or circuit breaker in the easily accessible place for supplying or disconnecting the power.
- When the counter is operating, in case of contact input, set count speed to low speed mode (1 cps or 30 cps) to operate. If set to high speed mode (1 k, 5 k, 10 kcps), counting error occurs due to chattering.
- Use twisted pair wire for communication line.
- Keep away from high voltage lines or power lines to prevent inductive noise. In case installing power line and input signal line closely, use line filter or varistor at power line and shielded wire at input signal line. Do not use near the equipment which generates strong magnetic force or high frequency noise.
- This unit may be used in the following environments.
- Indoors (in the environment condition rated in ‘Specifications’)
- Altitude max. 2,000 m
- Pollution degree 2
- Installation category II
Ordering Information
This is only for reference, the actual product does not support all combinations. For selecting the specified model, follow the Autonics website.

Display digits
- 4: 4-digit
- 6: 6-digit
Size
- S: DIN W 48 × H 48 mm
- Y: DIN W 72 × H 36 mm
- M: DIN W 72 × H 72 mm
Output
- 1P: 1-stage preset
- 2P: 2-stage preset
- I: indicator
Power supply
- 2: 24 VAC
± 10 % 50 / 60 Hz, - 24 – 48 VDC
± 10 % - 4: 100 – 240 VAC
± 10 % 50 / 60 Hz
Communication
- No mark: none
- T: RS485 communication output
Manual
For proper use of the product, refer to the manuals and be sure to follow the safety considerations in the manuals. Download the manuals from the Autonics website.
Dimensions
- Unit: mm, For the detailed drawings, follow the Autonics website.


Unit Descriptions


Connections
- Counter operation: If INHIBIT signal is applied, count input will be prohibited. Timer operation: If INHIBIT signal is applied, time progressing will stop.(HOLD)
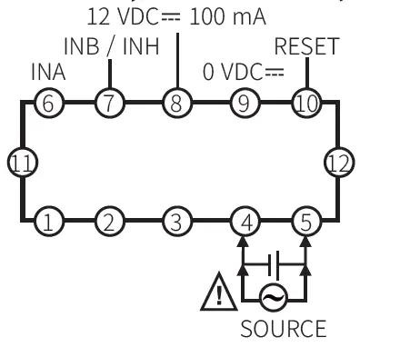
- SOURCE: 100 – 240 VAC
50 / 60 Hz 12 VA 24 VAC
50 / 60 Hz 10 VA, 24 – 48 VDC
8 W
CTS
- 1-stage preset, standard model (CT□S-1P□)

- 1-stage preset, comm. model (CT□S-1P□T)

- 2-stage preset, standard model (CT□S-2P□)

- 2-stage preset, comm. model (CT□S-2P□T)

- Indicator, standard model (CT6S-I□)

- Indicator, comm. model (CT6S-I□T)

CTY
- 1-stage preset, standard model (CT6Y-1P□)

- 1-stage preset, comm. model (CT6Y-1P□T)

- 2-stage preset, standard model (CT6Y-2P□)

- 2-stage preset, comm. model (CT6Y-2P□T)

- Indicator, standard model (CT6Y-I□)

- Indicator, comm. model (CT6Y-I□T)

CTM
- 1-stage preset, standard model (CT6M-1P□)

- 1-stage preset, comm. model (CT6M-1P□T)

- 2-stage preset, standard model (CT6M-2P□)

- 2-stage preset, comm. model (CT6M-2P□T)

- Indicator, standard model (CT6M-I□)

- Indicator, comm. model (CT6M-I□T)

Specifications

- It varies depending on the setting of decimal points.

Communication Interface
RS485

Software
Download the installation file and the manuals from the Autonics website.
DAQMaster
It is the comprehensive device management program for Autonics’ products, providing
Detach the Case
CTS, CTY
- Press to direction ① and pull toward direction ② for detaching the case and contents.

Caution: Turn OFF the power before detaching the case.
Select Input Logic
- For CTS, CTY, detach the case and proceed the settings. See the ‘Detach the Case’.
- The position of internal switch varies depending on the each model.
- How to change the settings: power OFF → change settings → power ON → press [RESET] key or input the RESET signal (≥ 20 ms) to the external terminal.
CTS, CTY

CTM

Mode Setting

- Use [▲], [▼] key to check the parameter setting.
In 2-stage preset model, 1-stage preset value and 2-stage preset value are displayed each time when pressing [MD] key. In timer, it is available for the output operation mode: OND, OND.1, OND.2. - For CT6M-1P / 2P model only. Press [◀] key to set BATCH counter setting value.
Preset Value Change Mode
Even if the mode of preset value change, input operation and output control will continue. The preset value could be set to 0 and the output of 0 preset value occurs.
- The preset value could not be set to 0 depending on the output operation mode. (When setting to 0, the value of setting value display part flashes 3 times.)
- If no key is touched for 60 sec, the product will return to RUN mode without being restored.
- E.g.: To set 1-stage preset value = 180, 2-stage preset value = 200
- Press [◀] key to enter preset value change mode. PS1 indicator turns ON and 1 digit of preset value flashes.
- Use [◀], [▲], [▼] key to set 1-stage preset value = 180.
- Press [MD] key to enter 2-stage preset value change mode.
- Use [◀], [▲], [▼] key to set 2-stage preset value = 200.
- Press [MD] key to return RUN mode.
Reset
In RUN mode, if pressing [RST] key or applying the signal to RESET terminal on the back side, present value will be reset. For RESET signal terminals based on the input method, refer to the ‘Connections’ and the following table. The output maintains OFF state.

Error Display and Output Operation
- When error occurs, the output turns OFF.
- When setting 1-stage preset value = 0, OUT1 output turns OFF. In case of 2-stage preset value < 1-stage preset value, OUT1 output is ignored and only OUT2 output operates.
- Indicator model does not have error display function.

Parameter Setting
- Some parameters are activated / deactivated depending on the model or setting of other parameters. Refer to the description of each parameter.
- If changing the setting value of parameter 1 group via communication, reset display value, and output.
- [MD] key: Saves current setting value and moves to the next parameter. [◀] key: Checks fixed value / Changes setting digits. [▲], [▼] key: Changes setting values.
Parameter 1 group (counter)




- When the setting value of the parameter is changed, all outputs are OFF and reset the current value when returning to the RUN mode.
- C1-3 Output operation mode: in case of D, 1, 30, 1k cps selectable. C1-5 Max. counting speed: 5k, 10k cps & C1-3 Output operation mode: When D is set, the max. counting speed is automatically changed to 30 cps.
- In case of 1-stage preset model, C1-7 OUT1 output time is not displayed, C1-6 OUT2 output time is displayed as OUT.T.
- For other output operation modes, Hold is fixed.
- It can not be set smaller than the digits of C1-9 Counting value / preset value decimal point.
- The setting range is connected to the C1-9 Counting value / preset value decimal point.
Parameter 1 group (timer)


- When the setting value of the parameter is changed, all outputs are OFF and reset the current value when returning to the RUN mode
- [6-digit model] setting range

- Appears for 2-stage preset model only
- In case of T1-6 Output operation mode: FLK.1, FLK.2, INTG, or T1-6 Output operation mode of 1-stage preset model: OND, OND.1, OND.2, T1-8 OUT1 output time is not displayed, T1-7 OUT2 output time is displayed as OUT.T.
Parameter 2 group (communication)
- Only for RS485 communication model.

Output Operation Mode
- For the detailed timing chart for operation output mode, refer to the manual.
Input Connections
- Input: INA, INB / INH, RESET, INHIBIT, BATCH RESET
- Max. counting speed in the contact input: 1 or 30 cps setting (counter)
No-voltage (NPN) input
Solid-state input

Voltage (PNP) input

Output Connections
- Solid-state output

- A: When using inductive load (relay etc.), surge absorber (diode, varistor etc.) must be connected between both sides of the load.
Contact output

Description of Function
Switching display in setting display part
- stage preset value and 2-stage preset value are displayed each time when pressing [MD] key in 2-stage preset model.
- In timer, it is available for output operation mode: OND, OND.1, OND.2 only
BATCH counter
- Counting value display part: BATCH counter value, setting display part: BATCH counter setting value is displayed.
- In counter operation, count the number of reaching value of CT6M-1P□□ to preset value, and CT6M-2P□□ to 2-stage preset value.
- In timer operation, count the number of reaching setting time.
- Output operation mode: in case of FLK, count the number of reaching T.off setting time and T.on setting time
BATCH counter operation
BATCH counting value is increasing until BATCH reset signal applied. BATCH counting value will be circulated when it is over 999999

BATCH RESET
- If pressing [RST] key on the front side or the signal to BATCH RESET terminal on the back side panel, BATCH counting value will be reset and BATCH output maintains OFF state.
- When selecting voltage input (PNP), short terminals 10 and 14, or when selecting no-voltage input (NPN), short terminals 11 and 14 to reset.
Applications
- [counter]
- In case, put 5 products in a box then pack the boxes when they reaches to 200.
- PRESET = 5, BATCH = 200
- When the count value of counter reaches to the preset value 5, the control output (OUT) will be on, and at this time the count value of the BATCH counter will be increased by 1.
- The control box which is received the control output (OUT) repeatedly controls conveyor to move the full box and to place the next empty box for standby.
- When the BATCH counting value reaches to 200, BATCH output will be ON. Then the control box stops conveyor and provides a control signal for packing.

[timer]
- Fills milk into the bottle for 3 sec when 500 bottles are filled
- Setting time = 3 sec, BATCH = 500

Start Point (counter)
- This function is that start at initial value set at Start Point value.
- When reset is applied, the present value is initialized to Start Point value.
- After Count Up at output operation mode: C, R, P, Q, present value starts at Start Point value.
Prescale (counter)
This function is to set and display calculated unit for actual length, liquid, position, etc. It is called ‘prescale value’ for measured length, liquid, or position, etc per 1 pulse.
- When moving L, the desired length to be measured, and P, the number of pulses per 1 revolution of a rotary encoder, occurs, prescale value is L/P.
- Application
- Diameter of pulley connected with encoder is 22 mm, the number of pulses by 1 rotation of encoder is 1,000

- Select decimal point: —–.-, prescale decimal point: —.— and set prescale value: 0.069, it is available to control conveyor position by 0.1 mm unit.
Counter Operation
Input operation mode




- A should be over min. signal width, B is over 1/2 of min. signal width. If the signal is smaller than these widths, it may cause counting error (±1).
- Min. signal width by counting speed

Output operation mode
- Out output of 1-stage preset model operates as same with the OUT2 output of 2-stage preset model.
- OUT1 output of 2-stage preset model is operated One-shot output or retained (Hold) output. (except S, T, D of input operation mode)
- OUT1 output could be set to 0 in all modes and 0 value output turns ON.
- OUT2 output could not set to 0 in output operation mode: C, R, P, Q.
- Output type





Output operation description in input operation mode
UD – A / B / C




Output operation for other conditions
Output operation for the relation of Start Point value, PRESET value
- Output operation description: 2-stage preset value > Start Point = 1-stage preset value OUT1 occurs when RESET OFF.
- Output operation description: 2-stage preset value > Start Point > 1-stage preset value


Timer Operation
Output operation mode
- Power reset: There is no memory retention.
- Initialize the display value and output state when power on again.
- Power hold: There is memory retention.
- Memorize the display value at the moment of power off, restoring the memorized display value and output state when power on gain.



Mode Time chart and output operation description

- Power reset, retained (hold) output
- Time starts when INA input is ON.
- When INA input is ON: Power on time start operates, Reset off time start operates.
- Only the first signal is valid in case INA input signal is repeatedly applied.
- In case of using the contact output, min. setting time must be set over 100 ms


- Power reset, One-shot output
- Time starts when INA input is ON.
- When INA input is ON: Power on time start operates, Reset off time start operates.
- Only the first signal is valid in case INA input signal is repeatedly applied.
- In case of using the contact output, min. setting time must be set over 100 ms.


- Power reset
- Control output turns ON and time starts when INA signal turns ON.
- Time is RESET when INA input is OFF.
- When INA input is ON: Power on time start operates, Reset off time start operates.
- When reaching the setting time, Auto reset is activated. Control output is ON when Time is progressing.

Mode Time chart and output operation description

INT.1 (Interval 1)
- Power reset
- Control output turns ON and time starts when INA input is ON.
- When INA input is ON: Power on time start operates, Reset off time start operates.
- When reaching the setting time, Auto reset is activated.
- Control output is ON when Time is progressing.
- INA input is ignored while time is progressing.


INT.2 (Interval 2)
- Power reset
- Time starts when INA input is ON. OUT1 is ON during T1 (hold) or t1 time.
- RESET when INA input is OFF.
- When reaching the setting time 1, the progressed time is reset.
- OUT2 is ON during T2 (hold) or t2 time.
- Output turns OFF when reaching the setting time even if One-shot time is longer than the setting time.

OFD (Signal off delay)

- Power reset
- If INA input is ON, control output remains ON. (except when power is off and reset is on)
- When INA input is OFF, time progresses. When reaching the setting time, Auto reset is activated.


NFD (On-Off delay)
- Power reset
- When INA input is ON, output is ON and time is progressing, then output is OFF after On_Delay time.
- When INA input is OFF, output is ON and time is progressing, then output is OFF after Off_Delay time. If INA input is OFF within On_Delay time, step 2 starts again.
If INA input is ON within Off_Delay time, step 1 starts again.

Mode Time chart and output operation description

NFD.1 (On-Off delay 1)
- Power reset
- When INA input turns ON, time progresses and output turns ON after On_Delay time.
- When INA input turns OFF, time progresses and output turns OFF after Off_Delay time. If INA input turns OFF within On_Delay time, output will turn ON and step2 operate. If INA input turns ON within Off_Delay time, output will turn OFF and step1 operate.

INTG (Integration time)

- Power reset
- Time is progressing during INA input is ON.
- Time stops during INA input is OFF.
- Control output is ON when reaching the setting time.
Timer operation of indicator model
Mode Time chart and output operation description
- Memory retention parameter = CLR

- Memory retention parameter = REC
TOTAL

- Time starts when INA input is ON.
- Time is initialized when RESET input is ON.
- Time stops during INHIBIT input is ON.
- Memory retention parameter = CLR

HOLD
- Memory retention parameter = REC

- Time starts during INA input is ON.
- Time stops during INA input is OFF.
- When time reaches the setting time, time progress stops and is flashed.
- When RESET input is ON, progressed time is initialized.
Mode Time chart and output operation description
- Memory retention parameter = CLR

ONT.D (On time display)
- Memory retention parameter = REC

- ON time indication mode of INA input
- Time reset start operates when INA input turns ON.
- Time progress stops while INA input is OFF.
- If progress time is greater than setting time when INA input turns off, display value flashes and operation stops until reset signal is applied.
0 time setting
- It is available to set in output operation mode: OND, OND.1, OND.2, NFD, NFD.1.
- Output type


Mode
- Time chart at 0 time setting and operation description
- Off_delay setting time = 0 On_delay setting time = 0

Setting when 1-stage preset value > 2-stage preset value
- Output operation mode: OND, OND.1, OND.2
- UP mode: OUT1 output does not turn ON.
- DOWN mode: OUT1 output does not turn ON.
- In 1-stage preset value = 2-stage preset value, when Start signal is applied, OUT1 turns ON immediately.
Segment Table
The segments displayed on the product indicate the following meanings. It may differ depending on the product.


1.888.610.7664 www.calcert.com [email protected]


Communication Interface






















