EATON P3-63/I4, Load Break Disconnect Switch Instruction Manual

Electric current! Danger to life!
Installation, commissioning and
maintenance work must be carried out by qualified personnel only
P3-63/I4 P3-63/I4/SVB P3-100/I5 P3-100/I5/SVB
P3-100/I5(-RT) P3-100/I5/SVB(-SW)
DANGER
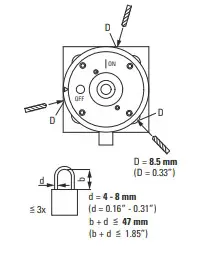
Only SVB-SW-P3: Lockable in ON position.
Locking the red-yellow switch in ON position is forbidden!
Eaton Industries GmbH, Hein-Moeller-Straße 7-11, 53115 Bonn, Germany
























