MAC17*A 4th Gen DIY Ductless Mini-Split
Instruction Manual
Signature Series
MAC17*A A/C SPLIT SYSTEM
MAC17*A 4th Gen DIY Ductless Mini-Split
The Signature Series is NOT designed for amateur installation. Installation SHOULD be performed by an authorized technician. Please read this manual carefully before installation and keep it for future reference.
This manual must be left with the homeowner for future reference.
This is a safety alert symbol and should never be ignored. When you see this symbol on labels or in manuals, be alert to the potential for personal injury or death.
WARNING Installation and servicing of air conditioning equipment can be hazardous due to internal refrigerant pressure and live electrical components. Only trained and qualified service personnel should install or service this equipment. Installation and service performed by unqualified persons can result in property damage, personal injury, or death.
WARNING
ELECTRICAL SHOCK HAZARD!
Risk of electrical shock. Disconnect all remote power supplies before installing or servicing any portion of the system. Failure to disconnect power supplies can result in property damage, personal injury, or death.
WARNING
Sharp metal edges can cause injury. When installing the unit, use care to avoid sharp edges.
Manufactured By
MRCOOL, LLC
Hickory, KY 42051
General
Read this entire instruction manual, as well as the instructions supplied in separate equipment, before starting the installation. Observe and follow all warnings, cautions, instructional labels, and tags. Failure to comply with these instructions could result in an unsafe condition and/or premature component failure.
These instructions are intended as a general guide only for use by qualified personnel and do not supersede any national or local codes in any way. The installation must comply with all provincial, state, and local codes as well as the National Electrical Code (U.S.) or Canadian Electrical Code (Canada). Compliance should be determined prior to installation.
This unit uses R-410A, which is an ozone-friendly HFC refrigerant. The unit must be installed with a matching indoor coil and line set. A filter drier approved for use with R-410A is installed in the unit.
*P508255-01*
(P) 508255-01
When servicing or repairing HVAC components, ensure the fasteners are appropriately tightened. Table 1 shows torque values for fasteners.
| Fastener | Torque |
| Stem Caps | 8 ft. lbs. |
| Service Port Caps | 8 ft. lbs. |
| Sheet Metal Screws | 16 in. lbs. |
| #8 Machine Screws | 16 in. lbs. |
| #10 Machine Screws | 28 in. lbs. |
| Compressor Bolts | 90 in. lbs. |
Table 1. Torque Table
Inspection of Shipment
Upon receipt of equipment, carefully inspect it for possible shipping damage. If damage is found, it should be noted on the carrier’s freight bill. Take special care to examine the unit inside the carton if the carton is damaged. Any concealed damage discovered should be reported to the last carrier immediately, preferably in writing, and should include a request for inspection by the carrier’s agent.
If any damages are discovered and reported to the carrier DO NOT INSTALL THE UNIT, as claim may be denied. ordered.
Check the unit rating plate to confirm specifications are as ordered.
Safety Precautions
Follow all safety codes. Wear safety glasses and work gloves. Use quenching cloth for brazing operations. Have fire extinguisher available. Read these instructions thoroughly and follow all warning or cautions attached to the unit.
- Always wear proper personal protection equipment.
- Always disconnect electrical power before removing panel or servicing equipment.
- Keep hands and clothing away from moving parts.
- Handle refrigerant with caution; refer to proper MSDS from refrigerant supplier.
- Use care when lifting, avoid contact with sharp edges.
Installation
NOTE: In some cases, noise in the living area has been traced to gas pulsations from improper installation of equipment.
- Locate unit away from windows, patios, decks, etc. where unit operation sounds may disturb customer.
- Leave some slack between structure and unit to absorb vibration.
- Place a sound-absorbing material, such as Isopoda, under the unit if it will be installed in a location or position that will transmit sound or vibration to the living area or adjacent buildings.
- In heavy snow areas, do not locate the unit where drifting snow will occur. The unit base should be elevated above the depth of average snows.
NOTE: Elevation of the unit may be accomplished by constructing a frame using suitable materials. If a support frame is constructed, it must not block drain holes in unit base. - When installed in areas where low ambient temperatures exist, locate unit so winter prevailing winds do not blow directly into outdoor coil.
- Locate unit away from overhanging roof lines which would allow water or ice to drop on, or in front of, coil or into unit.
When outdoor unit is connected to factory-approved indoor unit, outdoor unit contains system refrigerant charge for operation with matching indoor unit when connected by 15 ft. of field-supplied tubing. For proper unit operation, check refrigerant charge using charging information located on control box cover.
Outdoor Section
Zoning ordinances may govern the minimum distance the condensing unit can be installed from the property line.
Install on a Solid, Level Mounting Pad
The outdoor section is to be installed on a solid foundation.
This foundation should extend a minimum of 2” (inches) beyond the sides of the outdoor section. To reduce the possibility of noise transmission, the foundation slab should NOT be in contact with or be an integral part of the building foundation. See Figure 1.
If conditions or local codes require the unit be attached to pad or mounting frame, tie down bolts should be used and secured to unit base pan.

Elevate Unit
CAUTION
Accumulation of water and ice in base pan may cause equipment damage.
Elevate unit per local climate and code requirements to provide clearance above estimated snowfall level and ensure adequate drainage of unit. Use snow stand in areas where prolonged freezing temperatures are encountered.
If conditions or local codes require the unit be attached to pad or mounting frame, tie down bolts should be used and fastened through knockouts provided in unit base pan.
Clearance Requirements
When installing, allow sufficient space for airflow clearance, wiring, refrigerant piping, and service. For proper airflow, quiet operation and maximum efficiency. Position so water, snow, or ice from roof or eaves cannot fall directly on unit. Refer to Table 2 for installation clearances.
| Location | Clearance | |
| Sides | 1st side* | 30″ |
| 2nd side | 36″ | |
| 3rd side | 12″ | |
| 4th side | 6″ | |
| Top** | 48″ | |
| Between units | 24″ | |
| ‘ Must be one of the sides adjacent to the control box. ** Maximum soffit overhand is 36″. | ||
Table 2. Clearances

DO LOCATE THE UNIT:
- With proper clearances on sides and top of unit
- On a solid, level foundation or pad (unit must be level to within ± 1/4 in./ft. per compressor manufacturer specifications)
- To minimize refrigerant line lengths
DO NOT LOCATE THE UNIT:
- On brick, concrete blocks or unstable surfaces
- Near clothes dryer exhaust vents where debris accumulates
- Near sleeping area or near windows
- Under eaves where water, snow or ice can fall directly on the unit
- With clearance less than 2 ft. from a second unit
- With clearance less than 4 ft. on top of unit
Rooftop Installations Install unit at a minimum of 6″ above surface of the roof to avoid ice buildup around the unit. Locate the unit above a load bearing wall or area of the roof that can adequately support the unit. Consult local codes for rooftop applications.
If unit cannot be mounted away from prevailing winds, a wind barrier should be constructed. Due to variation in installation applications, size and locate barrier according to the best judgment of the installer.
Refrigeration Piping
- Use only refrigerant grade copper tubes.
- Split systems may be installed with up to 50 feet of line set (no more than 20 feet vertical) without special consideration (see long line set guidelines).
- Ensure that vapor and liquid tube diameters are appropriate to capacity of unit.
- Run refrigerant tubes as directly as possible by avoiding unnecessary tums and bends.
- When passing refrigerant tubes through the wall, seal opening with RN or other silicon-based caulk.
- Avoid direct tubing contact with water pipes, duct work, floor joists, wall studs, floors, walls, and any structure.
- Do not suspend refrigerant tubing from joists and studs with a rigid wire or strap that comes in direct contact with tubing.
- Ensure that tubing insulation is pliable and completely surrounds vapor tube.
It is important that no tubing be cut or seals broken until you are ready to actually make connections to the evaporator and to the condenser section. DO NOT remove rubber plugs or copper caps from the tube ends until ready to make connections at evaporator and condenser. Under no circumstances leave the lines open to the atmosphere for any period of time, if so unit requires additional evacuation to remove moisture.
| Model | Line Sizes | |
| Liquid Line | Suction Line | |
| 18 | 3/8 | 3/4 |
| 24 | 3/8 | 3/4 |
| 30 | 3/8 | 3/4 |
| 36 | 3/8 | 7/8 |
| 42 | 3/8 | 7/8 |
| 48 | 3/8 | 7/8 |
| 60 | 3/8 | 1-1/8 |
| * Fittings should be supplied by the installer. | ||
Table 3.
Be extra careful with sharp bends. Tubing can “kink” very easily, and if this occurs, the entire tube length will have to be replaced. Extra care at this time will eliminate future
service problems.
It is recommended that vertical suction risers not be upsized. Proper oil return to the compressor should be maintained with suction gas velocity.
Filter Drier
The filter drier is very important for proper system operation and reliability. If the drier is shipped loose, it must be installed by the installer in the field. Unit warranty will be void, if the drier is not installed.
Installation of Line Sets
DO NOT fasten liquid or suction lines in direct contact with the floor or ceiling joist. Use an insulated or suspension type of hanger. Keep both lines separate, and always insulate the suction line. Liquid line runs (30 feet or more) in an attic will require insulation. Route refrigeration line sets to minimize length.
DO NOT let refrigerant lines come in direct contact with foundation. When running refrigerant lines through the foundation or wall, openings should allow for a sound and vibration absorbing material to be placed or installed between tubing and foundation. Any gap between foundation or wall and refrigerant lines should be filled with a vibration damping material.
CAUTION
If ANY refrigerant tubing is required to be buried by state or local codes, provide a 6 inch vertical rise at service valve.
Installation into an Existing R-22 System
If the unit will be installed in an existing system that uses an indoor unit or line sets charged with R-22 refrigerant, installer must perform the following procedures to convert
the system to an R-410A system.
Remove Existing Fixed Orifice (if applicable)
- On fully cased coils, remove the coil access and plumbing panels.
- Remove any shipping clamps from the liquid line and distributor assembly.
- Using two wrenches, disconnect liquid line from liquid line orifice housing. Take care not to twist or damage distributor tubes during this process.
- Remove and discard fixed orifice, valve stem assembly (if present) and Teflon® washer (see Figure 3).
- Use a field-provided fitting to temporarily reconnect the liquid line to the indoor unit’s liquid line orifice housing.

Remove Existing Expansion Valve (if applicable)
- On fully cased coils, remove the coil access and plumbing panels.
- Remove any shipping clamps from the liquid line and distributor assembly.
- Disconnect the equalizer line from the check expansion valve equalizer line fitting on the vapor line.
- Remove the vapor line sensing bulb.
- Disconnect the liquid line from the check expansion valve at the liquid line assembly.
- Disconnect the check expansion valve from the liquid line orifice housing. Take care not to twist or damage distributor tubes during this process.
- Remove and discard check expansion valve and the two Teflon rings (see Figure 4).
- Use a field-provided fitting to temporarily reconnect the liquid line to the indoor unit’s liquid line orifice housing.

Flushing Line Sets
If the unit will be installed in an existing system that uses an indoor unit or line sets charged with R-22 refrigerant, installer must perform the following flushing procedure.
NOTE: Existing system components (including line set and indoor coil) must be an AHRI match with the unit in order to fulfill unit warranty requirements.
WARNING Refrigerant must be reclaimed in accordance with national and local codes.
CAUTION Do NOT attempt to flush and re-use existing line sets or indoor coil when the system contains contaminants (i.e., compressor burn out).
NOTE
In lieu of R-410A, an industry-standard flushing agent may also be used.
NOTE
“Clean refrigerant” is any refrigerant in a system that has not had compressor burnout. If the system has experienced burnout, it is recommended that the existing line set and indoor coil be replaced.
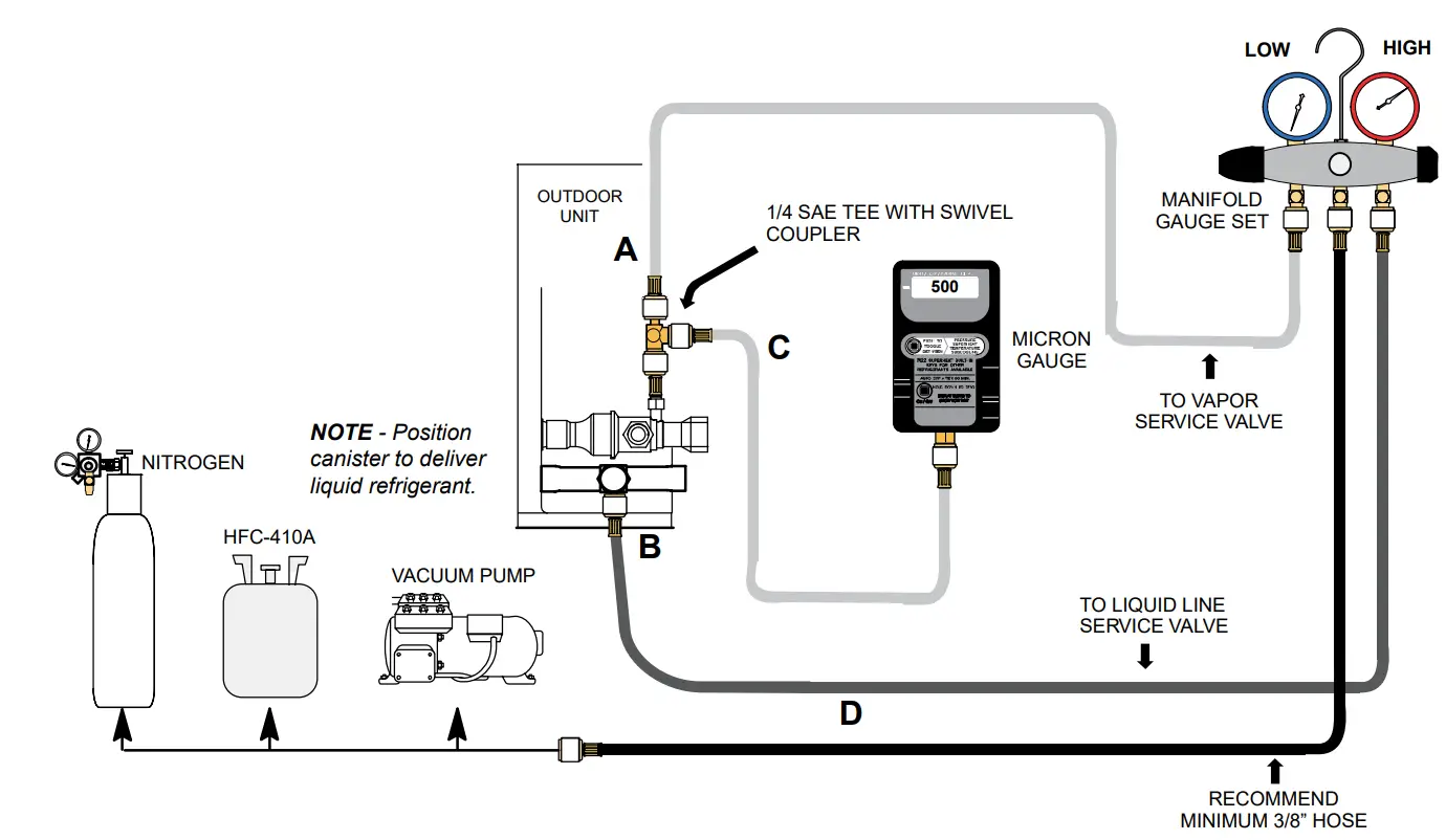
![]() | |
| A | Cylinder with clean R-410A (positioned to deliver liquid refrigerant) to the vapor service valve. |
| B | Refrigerant gauge set (low side) to the liquid line valve. |
| C | Refrigerant gauge set center port to inlet on the recovery machine with an empty recovery tank connected to the gauge set. |
| D | Connect recovery tank to recovery machine per machine instructions. |
Figure 5.
- Connect gauges and equipment as shown in Figure 5.
- Set the recovery machine for liquid recovery and start the recovery machine. Open the gauge set valves to allow the recovery machine to pull a vacuum on the existing system line set and indoor unit coil.
- Position the cylinder of clean R-410A for delivery of liquid refrigerant and open its valve to allow liquid refrigerant to flow into the system through the vapor line valve. Allow the refrigerant to pass from the cylinder and through the line set and the indoor unit coil before it enters the recovery machine.
- After all of the liquid refrigerant has been recovered, switch the recovery machine to vapor recovery so that all of the R-410A vapor is recovered. Allow the recovery machine to pull the system down to 0.
- Close the valve on the inverted R-410A drum and the gauge set valves. Pump the remaining refrigerant out of the recovery machine and turn the machine off.
Refrigerant Piping – Install Indoor Expansion Valve
This outdoor unit is designed for use in systems that include an expansion valve metering device (purchased separately) at the indoor coil. See the Product Specifications for approved expansion valve kit match-ups and application information. The check expansion valve unit can be installed internal or external to the indoor coil. In applications where an uncased coil is being installed in a field-provided plenum, install the check/expansion valve in a manner that will provide access for future field service of the expansion valve. Refer to below illustration for reference during installation of expansion valve unit.
INDOOR EXPANSION VALVE INSTALLATION

EQUALIZER LINE INSTALLATION
- Remove and discard either the flare seal cap or flare nut with copper flare seal bonnet from the equalizer line port on the vapor line as illustrated in the figure below.
- Remove the field-provided fitting that temporarily reconnected the liquid line to the indoor unit’s distributor as-seemly

- Install one of the provided Teflon® rings around the stubbed end of the check expansion valve and lightly lubricate the connector threads and expose surface of the Tefera® ring with refrigerant oil.
- Attach the stubbed end of the check expansion valve to the liquid line orifice housing. Finger tighten and use an appropriately sized wrench to turn an additional 1/2 turn clockwise as illustrated in the figure above, or tighten to 20 ft-lb.

- Place the remaining Teflon® washer around the other end of the check expansion valve. Lightly lubricate connector threads and expose surface of the Teflon® ring with refrigerant oil.
- Attach the liquid line assembly to the check expansion valve. Finger tighten and use an appropriately sized wrench to turn an additional 1/2 turn clockwise as illustrated in the figure above or tighten to 20 ft-lb.
SENSING BULB INSTALLATION
- Attach the vapor line sensing bulb in the proper orientate ion as illustrated to the right using the damp and screws provided.

NOTE – Though it is pm furred to have the sensing bulb installed on a horizontal run of the vapor line. installation on a vertical run of piping is acceptable if necessary. NOTE – Confirm proper thermal contact between vapor tine and check/expansion bulb before insulating the sensing bulb once installed. - Connect the equalizer line from the check expansion valve to the equalizer vapor port on the vapor line. Finger tighten the flare nut plus 1/8 turn (7 fibs) as illustrated below.

Refrigerant Piping – Brazing Procedures
- CUT AND DEBUR
Cut ends of the refrigerant lines square (free from nicks or dents) and deburr the ends. The pipe must remain round. Do not crimp end of the line.
- CAP AND CORE REMOVAL
Remove service cap and core from both the vapor and liquid line service ports.
- ATTACH THE MANIFOLD GAUGE SET FOR BRAZING LIQUID AND VAPOR LINE SERVICE VALVES
Flow regulated nitrogen (at 1 to 2 sprig) through the low-side refrigeration gauge set into the liquid line service port valve, and out of the vapor line service port valve.
NOTE
Use a manifold gauge set designed for use on R-410A refrigerant systems.
WARNING
Before brazing, ensure the system is fully recovered of all refrigerant. Application of a brazing torch to a pressurized system may result in ignition of the refrigerant and oil mixture. Check the high and low pressures before applying heat.
WARNING Brazing alloys and flux contain materials which are hazardous to your health. Avoid breathing vapors or fumes from brazing operations. Perform operations only in well-ventilated areas.
Wear gloves and protective goggles or face shield to protect against bums. Wash hands with soap and water after handling brazing alloys and flux.- WRAP SERVICE VALVES
To help protect service valve seals during brazing, wrap water-saturated cloths around service valve bodies and copper tube stubs. Use additional water-saturated cloths underneath the valve body to protect the base paint. - FLOW NITROGEN
Flow regulated nitrogen (at 1 to 2 psig) through the refrigeration gauge set into the valve stem port connection on the liquid service valve and out of the vapor valve stem port. See steps 3A, 3B and 3C on manifold gauge set connections. - BRAZE LINE SET
Wrap both service valves with water-saturated cloths as illustrated here and as mentioned in step 4, before brazing to line set. Cloths must remain water-saturated throughout the brazing and cool-down process.

WARNING
While protecting the service valve seals with water-saturated cloths, ensure that water does NOT enter the system.
IMPORTANT — Allow braze joint to cool. Apply additional water-saturated cloths to help cool brazed joint. Do not remove water-saturated cloths until piping has cooled. Temperatures above 250ºF will damage valve seals.
WARNING
FIRE, PERSONAL INJURY, OR PROPERTY DAMAGE
may result if you do not wrap a water-saturated cloth around both liquid and suction line service valve bodies and copper tube stub while brazing the line set! The braze,
when complete, must be quenched with water to absorb any residual heat.
Do not open service valves until refrigerant lines and indoor coil have been leak-tested and evacuated. Refer to Leak Test and Evacuation section of this manual.
PREPARATION FOR NEXT STEP
After all connections have been brazed, disconnect manifold gauge set from service ports. Apply additional water-saturated cloths to both services valves to cool piping. Once piping is cool, remove all water-saturated cloths.
Leak Test and Evacuation

- CONNECT GAUGE SET
A – Connect the high pressure hose of an HFC-410A manifold gauge set to the vapor valve service port.
NOTE – Normally, the high pressure hose is connected to the liquid line port. However, connecting it to the vapor port better protects the manifold gauge set from high pressure damage.
B – With both manifold valves closed, connect the cylinder of HFC-410A refrigerant to the center port of the manifold gauge set.
NOTE – Later in the procedure, the HFC-410A container will be replaced by the nitrogen container. - TEST FOR LEAKS
After the line set has been connected to the indoor and outdoor units, check the line set connections and indoor unit for leaks. Use the following procedure to test for leaks:
A – With both manifold valves closed, connect the cylinder of HFC-410A refrigerant to the center port of the manifold gauge set. Open the valve on the HFC-410A cylinder (vapor only).
B – Open the high pressure side of the manifold to allow HFC-410A into the line set and indoor unit. Weigh in a trace amount of HFC-410A. [A trace amount is a maximum of two ounces (57 g) refrigerant or three pounds (31 kPa) pressure.] Close the valve on the HFC-410A cylinder and the valve on the high pressure side of the manifold gauge set. Disconnect the HFC-410A cylinder.
C – Connect a cylinder of nitrogen with a pressure regulating valve to the center port of the manifold gauge set.
D – Adjust nitrogen pressure to 150 sprig (1034 kPa). Open the valve on the high side of the manifold gauge set in order to pressurize the line set and the indoor unit.
E – After a few minutes, open one of the service valve ports and verify that the refrigerant added to the system earlier is measurable with a leak detector.
F – After leak testing, disconnect gauges from service ports.
NOTE – Service valve cores remain removed for the following evacuation procedure.
CONNECT GAUGE SET
NOTE – Remove cores from service valves (if not already done).
A – Connect low side of manifold gauge set with 1/4 SAE in-line tee to vapor line service valve
B – Connect high side of manifold gauge set to liquid line service valve
C – Connect available micron gauge connector on the 1/4 SAE in-line tee.
D – Connect the vacuum pump (with vacuum gauge) to the center port of the manifold gauge set. The center port line will be used later for both the HFC-410A and nitrogen containers.
EVACUATION

EVACUATE THE SYSTEM
A – Open both manifold valves and start the vacuum pump.
B – Evacuate the line set and indoor unit until a slight vacuum is indicated on the micron gauge (approximately 23,000 microns or 29.01 inches of mercury).
NOTE – During the early stages of evacuation, it is desirable to close the manifold gauge valve at least once. A rapid rise in pressure indicates a relatively large leak. If this occurs, repeat the leak testing procedure.
NOTE – The term absolute pressure means the total actual pressure above absolute zero within a given volume or system. Absolute pressure in a vacuum is equal to atmospheric pressure minus vacuum pressure.
C – When the absolute pressure reaches 23,000 microns (29.01 inches of mercury), perform the following:
- Close manifold gauge valves.
- Close valve on vacuum pump.
- Turn off vacuum pump.
- Disconnect manifold gauge center port hose from vacuum pump.
- Attach manifold center port hose to a nitrogen cylinder with pressure regulator set to 150 sprig (1034 kPa) and purge the hose.
- Open manifold gauge valves to break the vacuum in the line set and indoor unit.
- Close manifold gauge valves.
WARNING !
Possible equipment damage.
Avoid deep vacuum operation. Do not use compressors to evacuate a system. Extremely low vacuum can cause internal arcing and compressor failure. Damage caused by deep vacuum operation will void warranty.
D – Shut off the nitrogen cylinder and remove the manifold gauge hose from the cylinder. Open the manifold gauge valves to release the nitrogen from the line set and indoor unit.
E – Reconnect the manifold gauge to the vacuum pump, turn the pump on, and continue to evacuate the line set and indoor unit until the absolute pressure does not rise above 500 microns (29.9 inches of mercury) within a 20-minute period after shutting off the vacuum pump and closing the manifold gauge valves.
F – When the absolute pressure requirement above has been met, disconnect the manifold hose from the vacuum pump and connect it to a cylinder of HFC-410A positioned to deliver liquid refrigerant. Open the manifold gauge valve 1 to 2 sprig in order to release the vacuum in the line set and indoor unit.
G – Perform the following:
Close manifold gauge valves.
Shut off HFC-410A cylinder.
Reinstall service valve cores by removing manifold hose from service valve. Quickly install cores with core tool while maintaining a positive system pressure.
Replace stem caps and finger tighten them, then tighten an additional one-sixth (1/6) of a turn as illustrated.![]()
H – Open suction service valve first before liquid valve to release the unit charge into the system. Replace valve caps and tighten (8 ft. lb.). Caps are the primary seal.
Liquid and Suction Line Service Valves
The liquid line and suction line service valves (see Figure 6) and service ports are used for leak testing, evacuation, charging, and checking charge.
Each valve is equipped with a service port which has a factory-installed Schrader valve. A service port cap protects the Schrader valve from contamination and serves as the
primary leak seal.
To Access the Schrader Port:
- Remove the service port cap with an adjustable wrench.
- Connect gauge to the service port.
- When testing is completed, replace service port cap. Tighten finger tight, then an additional 1/6 turn.
To Open Liquid or Suction Line Service Valve:
- Remove stem cap with an adjustable wrench.
- Use service wrench with a hex-head extension to back the stem out counterclockwise as far as it will go. Use a 3/16″ hex head extension for liquid line service valves and a 5/16″ extension for suction line service valves.
- Replace the stem cap. Tighten finger tight, then tighten an additional 1/6 turn.
To Close Liquid or Suction Line Service Valve:
- Remove the stem cap with an adjustable wrench.
- Use a service wrench with a hex-head extension to turn the stem clockwise to seat the valve. Tighten firmly.
- Replace the stem cap. Tighten finger tight, then tighten an additional 1/6 turn.

Suction Line (Ball Type) Service Valve
Suction line (ball type) service valves function the same way as the other valves; the difference is in the construction (see Figure 7).
The ball valve is equipped with a service port with a factory-installed Schrader valve. A service port cap protects the Schrader valve from contamination and serves as the primary seal.
Electrical Wiring
All field wiring must be done in accordance with the National Electrical Code (NEC) recommendations, Canadian Electrical Code (CEC) and CSA Standards, or local codes, where applicable.
WARNING
Electrical Shock Hazard!
Turn OFF electric power before connecting unit, performing any maintenance or removing panels or doors. More than one disconnect may be required to turn off all power. FAILURE TO DO SO COULD RESULT IN BODILY INJURY OR DEATH.
WARNING
Unit must be grounded in accordance with national and local codes. Failure to ground unit properly can result in personal injury or death.
WARNING
Line voltage is present at all components when unit is not in operation on units with single pole contactors. Disconnect all remote electric power supplies before opening access panel. Unit may have multiple power supplies. Failure to disconnect all power supplies could result in personal injury or death.
Refer to the furnace or blower coil Installation Instructions for additional wiring application diagrams and refer to unit rating plate for minimum circuit ampacity and maximum overcurrent protection size.
- Install line voltage power supply to unit from a properly sized disconnect switch. Any excess high voltage field wiring should be trimmed or secured away from the low voltage field wiring.
- High voltage power connections to 3-phase models is made to “Pig Tail” leads with field supplied splice connectors.
- Ground unit at unit disconnect switch or to an earth ground. To facilitate conduit, a hole is in the bottom of the control box. Connect conduit to the control box using a proper conduit fitting. Units are approved for use only with copper conductors. 24V Class II circuit connections are made in the low voltage junction box. A complete unit wiring diagram is located inside the unit control box cover.
- Install room thermostat according to thermostat installation instruction and on an inside wall that is not subject to drafts, direct sunshine, or other heat sources.
- Install low voltage wiring from outdoor to indoor unit and from thermostat to indoor unit (see Figure 8).
- Do not bundle any excess 24V control wire inside control box. Run control wire through installed wire tie and tighten wire tie to provide low voltage strain relief and to maintain separation of field-installed low and high voltage circuits.
Figure 8. Thermostat Designations –
Non-Communicating
Start-Up
CAUTION
If unit is equipped with a crankcase heater, it should be energized 24 hours before unit start-up to prevent compressor damage as a result of slugging.
If unit is equipped with a crankcase heater, it should be energized 24 hours before unit start-up to prevent compressor damage as a result of slugging. |
- Rotate fan to check for frozen bearings or binding.
- Inspect all factory and field-installed wiring for loose
- After evacuation is complete, open liquid line and suction line service valves to release refrigerant charge (contained in outdoor unit) into system.
- Replace the stem caps and secure finger tight, then tighten an additional 1/6 of a turn.
- Check voltage supply at the disconnect switch. The voltage must be within the range listed on the unit nameplate. If not, do not start equipment until the power company has been consulted and the voltage condition corrected.
- Set thermostat for cooling demand, turn on power to indoor blower, and close the outdoor unit disconnect switch to start the unit.
- Recheck unit voltage with unit running. Power must be within range shown on unit nameplate.
Refrigerant Charging
| A CAUTION Excessive amounts of liquid refrigerant entering the suction line can damage the compressor. When adding refrigerant, precautions must be taken to control the flow of liquid into the system. This can be done by using a liquid vaporizing adapter or manual control using a sight glass as indicator. |
Units are factory charged with the amount of R-410A refrigerant indicated on the unit rating plate. This charge is based on a matching indoor coil and outdoor coil with 15′ line set. For varying lengths of line set, refer to Table 4 for refrigerant charge adjustment. A blank space is provided on the unit rating plate to list the actual field charge.
| Liquid Line Set Diameter | Oz. Per 5 ft. adjust from 15 ft. line set* |
| 3/8 in. | 3 oz. per 5 ft. or 0.6 oz. per 1 ft. |
| * If line length is greater than 15 ft., add this amount. If line length is less than 15 ft., remove this amount. | |
Table 4. Refrigerant Charge Adjustment
IMPORTANT
Mineral oils are not compatible with R-410A. If oil must be added, it must be a polyol ester oil.
NOTE: Both airflow and refrigerant charge must be monitored for proper system set-up. It may be necessary to alternately check and adjust the airflow and the refrigerant charge.
If the system is void of refrigerant, or if the outdoor ambient temperature is cool, use the weigh-in method to charge the unit. Do this after any leaks have been repaired.
- Recover the refrigerant from the unit.
- Conduct a leak check, then evacuate as previously outlined.
- Weigh in the charge according to the total amount shown on the unit nameplate.
If weighing facilities are not available or if unit is being charged during warm weather, use one of the following procedures.
- For systems using a fixed orifice on the indoor evaporator and outdoor temperatures above 65°F — charge using the superheat method and table provided on the unit access panel.
- For systems using a TXV on the indoor evaporator and outdoor temperature above 60°F — charge ii cooling mode using the sub cooling method and table provided on the unit access panel.
- For systems below 60°F — charge in heating mode using the sub cooling method and table provided of the unit access panel. Attach low pressure gauge hose to auxiliary service port to access suction side in heating mode.
NOTE: All unit table values are based on 70 to 80°F indoor return air temperature for cooling mode, and 65°F to 75°F return air temperature for heat mode.
Maintenance
Regular Maintenance Requirements
Your system should be regularly inspected by a qualified service technician. These regular visits may include (among other things) checks for:
- Motor operation
- Ductwork air leaks
- Coil & drain pan cleanliness (indoor & outdoor)
- Electrical component operation & wiring check
- Proper refrigerant level & refrigerant leaks
- Proper airflow
- Drainage of condensate
- Air filter(s) performance
- Blower wheel alignment, balance & cleaning
- Primary & secondary drain line cleanliness
Air Filter
Inspect air filters at least monthly and replace or clean as required. Disposable filters should be replaced. Washable filters may be cleaned by soaking in mild detergent and rinsing with cold water. Allow filter to dry before reinstalling. Replace filters with the arrows pointing in the direction of airflow. Dirty filters are the most common cause of poor heating / cooling performance and compressor failures.
Indoor Coil
If the system has been operated with a clean filter in place, it should require minimal cleaning. If cleaning is needed, call your dealer for service.
Condensate Drain
During cooling season check at least monthly for free flow of drainage and clean if necessary.
Condenser Coils
Grass cuttings, leaves, dirt, dust, lint from clothes dryers, and foliage from trees can be drawn into coils by movement of the air. Clogged condenser coils will lower the efficiency of your unit and could cause damage to the condenser. Periodically, debris should be brushed from the condenser coils. Use a soft bristle brush with light pressure only. DO NOT damage or bend condenser coil fins. Damaged or bent fins may affect unit operation.
WARNING
SHARP OBJECT HAZARD!
Condenser coils have sharp edges. Wear adequate body protection on body extremities (e.g. gloves). FAILURE TO FOLLOW THIS WARNING COULD RESULT IN BODILY INJURY.
Painted Surfaces
For maximum protection of the unit’s finish, a good grade of automobile wax should be applied every year. In geographical areas where water has a high concentration of minerals (calcium, iron, sulfur, etc.), it is recommended that lawn sprinklers not be allowed to spray tie unit. In such applications, the sprinklers should be directed away from the unit. Failure to follow this precaution may result in premature deterioration of the unit finish and metal components. In sea coast areas, special maintenance is required due to the corrosive atmosphere provided by the high salt concentration in ocean mists and the air. Periodic washing of all exposed surfaces and coil will add additional life to your unit. Please consult your installing dealer for proper procedures in your geographic area.
Homeowner Information
WARNING
ELECTRICAL SHOCK HAZARD!
Turn OFF electric power to unit before performing any maintenance or removing panels or doors.
FAILURE TO DO SO COULD RESULT IN BODILY INJURY OR DEATH.
Thermostat Operation
The wall-mounted thermostat controls your air conditioner. The thermostat is available in various configurations from different manufacturers. The information below is typical for most thermostats. Ask your dealer for specific information regarding the model of thermostat installed.
Fan Switch
In AUTO or INT (intermittent) mode, the blower operates only when the thermostat calls for heating or cooling. This mode is generally preferred when humidity control is a priority.
The ON or CONT mode provides continuous indoor blower operation, regardless of whether the compressor is operating. This mode is required when constant air circulation or filtering is desired. On models without a fan selection switch, the fan will cycle with the outdoor unit.
Temperature Indicator
The temperature indicator displays the actual room temperature.
Important System Information
- Your system should never be operated without a clean air filter properly installed.
- Return air and supply air registers should be free from restrictions or obstructions to allow full flow of air.
IF YOUR SYSTEM DOES NOT WORK, BEFORE REQUESTING A SERVICE CALL:
- Ensure thermostat is set below (cooling) or above (heating) room temperature and that the system lever is in the “COOL”, “HEAT” or “AUTO” position.
- Check indoor and outdoor disconnect switches. Confirm circuit breakers are ON or that fuses have not blown. Reset breakers/replace fuses as necessary.
- Inspect the outdoor unit for clogged condenser coils, (grass cuttings, leaves, dirt, dust or lint). Ensure That branches, twigs or other debris are not obstructing the condenser fan.
IF YOUR SYSTEM STILL DOES NOT OPERATE, CONTACT YOUR SERVICING DEALER.
Be sure to describe the problem, and have the model and serial numbers of the equipment available.
If warranty replacement parts are required, the warranty must be processed through a qualified distribution location.
Figure 9. MAC13/14/16 Wiring Diagram (Single-Speed Condenser Fan)
Figure 10. MAC13/14/16 Wiring Diagram (Multi-Speed Condenser Fan)
Figure 11. MAC17 Wiring Diagram (PSC Condenser Fan)
Figure 12. MAC17 Wiring Diagram (ECM Condenser Fan)

Signature Series
MAC17*A A/C SPLIT SYSTEM
ELECTRICIAN and/or HVAC TECHNICIAN:
LICENSE #:
INSTALLATION DATE:
INSTALLATION LOCATION:
SERIAL NUMBER:
The design and specifications of this product and/or manual are subject to change without prior notice.
Consult with the sales agency or manufacturer for details.



















