POTTER PVX-150 Series 150 Watt Voice Evacuation System

Features
- Clean Dead-front Construction
- Digitally Recorded Automatic Evacuation Message (Up to 20 Minutes of Message Capacity)
- 50/100 Watt Bullet-Proof Amplifier
- 25 or 70 VRMS Field Selectable
- Class A/B Speaker Circuit
- 120 VAC Power Supply and Battery Charger
- Live Microphone Override of Message and Tone
- Analog Addressable Compatible
- High Reliability, No Maintenance, Fully Supervised
- Easy Installation and Operation
- Studio Quality Voice Recordings
- Built in Alarm and Alert Signals
- Works with 12 VDC or 24 VDC Fire Alarm Panels
- Works with Microprocessor based and Network Fire Alarm Systems
- 3 Minute Message Restart on Microphone Key
- 24 Hour Backup with 12V 7AH Batteries
- Made in the USA
Description
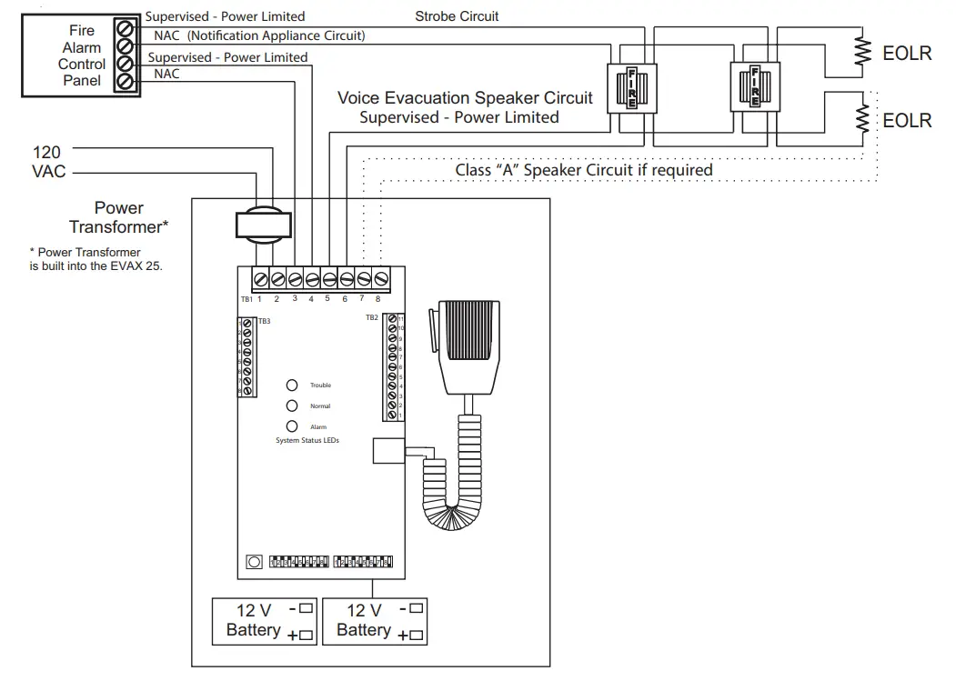
The PVX-200 / PVX-150 panels provide 200W and 150W of speaker power respectively. Speaker zones can be configured for general alarm or alarm by zone operation as required. Digital message repeater, microphone, 120 VAC power supply and battery charger are all built in. The PVX Series voice evacuation can be configured for Churches, Restaurants, Movie Theaters, Auditoriums, and High Rise buildings.
The paging microphone is an integral component removal of the microphone will cause a “Trouble” condition which will be reporting locally, as well as through the FACP. The PVX-150 / PVX-200 is housed in a surface or semi-flush mounted backbox with a hinged and key locked door.
Technical Specifications
Specifications are given per module:
PVX-50 – 50 watt module | |
| Primary Power | 120VAC @0.8A |
| 24VDC Battery Power | 0.15a Standby .80A Alarm |
| Output | 50 Watts @ 25/70 VRMS |
PVX-100 – 100 watt module | |
| Primary Power | 120VAC @0.8A |
| 24VDC Battery Power | 0.16a Standby 1.1A Alarm |
| Output | 100 Watts @ 25/70 VRMS |
| Backbox Dimensions (WxHxD) | 14.5 x 27 x 4” |
| Color | Red (standard) Charcoal Grey (optional) |
Typical Installation
Standard Message – 15 Seconds:
“Attention Please, there has been a report of an emergency.
Proceed calmly to the nearest exit and leave the building immediately.Do not use the elevators, use stairwells where necessary. Standard Message – 15 Seconds:
All handicapped occupants shall use the building evacuation plan.“ “Attention Please, there has been a report of an emergency.
Proceed calmly to the nearest exit and leave the building immediately.
Do not use the elevators, use stairwells where necessary. All handicapped occupants shall use the building evacuation plan.“

Ordering Information
| Model Number | Stock Number | Description |
| PVX-150/8Z | 3500007 | 150W Voice Evacuation System with:
|
| PVX-150/12Z | 3500008 | |
| PVX-150/16Z | 3500009 | |
| PVX-200/8Z | 3500010 | 200W Voice Evacuation System with:
|
| PVX-200/12Z | 3500011 | |
| PVX-200/16Z | 3500012 |
Optional Components
- PVX-ZM Zone Module 4-Class B / 2-Class A Circuits
- PVX-SL8 8 Switch/LED Card
- PVX-IL8 8 Input/LED Card
- PVX-OL8 8 Output/LED Card
- PVX-RM / SC Remote MIC / Supervisory Card
Engineering Specifications
The voice evacuation system shall be Potter PVX 150/200 or approved equal. The voice evacuation system shall provide 150/200 Watts of signal and voice power, and shall be UL listed. All speaker circuits shall be field selectable for 25 or 70 VRMS operation and shall be power limited. The voice evacuation shall be micro-processor based, and shall contain an integral microphone, audio amplifer, tone generator and digital message repeater. A 120 VAC Power Supply and battery charger for standby shall be included. The voice evacuation message/ signal shall be broadcast until the FACP is reset, or until fire emergency personnel interrupt the broadcast with a manual page. Remote paging microphone(s) will be supported through a supervised circuit.
Customer Support
Potter Electric Signal Company, LLC • St. Louis, MO •
Tech Support: 866-956-1211 / Customer Service: 866-572-3005 • www.pottersignal.com




















