
FNV 25 / FNV 50 / FNV 100
VOICE EVACUATION INTERFACE SYSTEM
INSTALLATION INSTRUCTIONS
FNV 100 Voice Evacuation Interface System
The FNV 25/ FNV 50/FNV 100 is a self contained amplifier, tone generator, digital message repeater and supervisory interface. It is designed to be used in conjunction with a UL listed Fire Alarm Control Panel (FACP) to provide a Listed Voice Evacuation Alarm System.
The FACP provides all initiating circuitry and a signaling circuit to the FNV 25/ FNV 50/ FNV 100. The FNV 25/ FNV 50 /FNV 100 provides its own internal supervision as well as supervision for its speaker lines. Any fault is reported back to the FACP. In normal standby the supervisory circuit from the panel is connected to a matching OLR. Should the FNV 25/FNV 50 FNV 100 suffer an internal failure or should there be any fault on the speaker line a contact would open and the FACP would report it as an open fault for that circuit.
The FNV 25/ FNV 50 /FNV 100 is designed to be powered from 120 VAC at 60 Hz. The FNV 25 will provide 25W to the speaker circuit. The FNV 50 will provide 50W The FNV 100 will provide 100W. . Speakers may be 25 or 70 VRMS (jumper selected, 25 V is factory set).
INSTALLATION
Installer must insure that all wiring and devices installed in system meet the following standards:
National Electrical Code (NFPA 70)
NFPA Standard 72
Life Safety Code (NFPA 101)
Install equipment in a clean, dry environment, avoid installation where equipment could be subjected to vibration.
Remove electronic assemblies from the enclosure prior to any drilling or punching of the enclosure. Where possible, make all cable entries from the rear or sides. Before making any modifications to the enclosure, be certain that they will not interfere with assemblies or batteries.
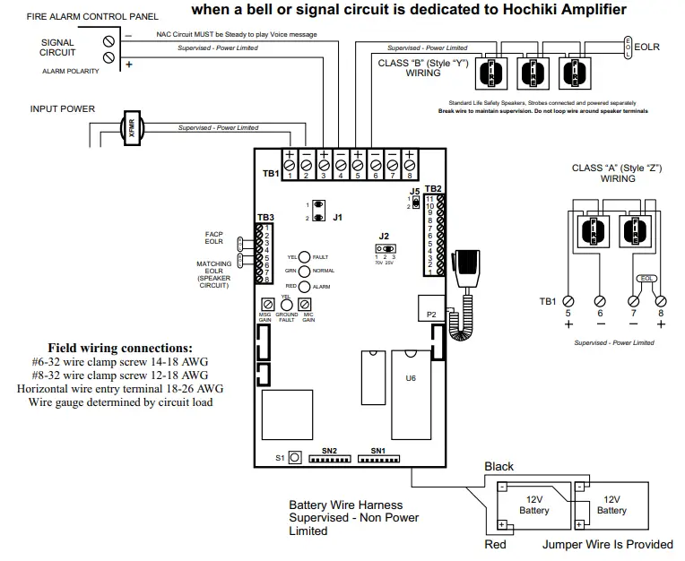
WIRING (Refer to wiring and terminal designation diagrams)
- Connect speaker lines to TB1 – 5(+) & 6(-), observe polarity and insure all speakers are connected likewise.
For Class “A” (Style “Z”) the returns are TB1 – 7(-) & 8(+). - Insure that the microphone is attached to connector P2. If Microphone is not installed insure that switch SN2 – 8 is in the OFF position.
- Attach the appropriate EOLR for the FACP to TB3 – 3 & 4 and TB3 – 5 & 6. The TB3 term 5 & 6 value must be placed at the end of the speaker line as well. You must use EOLR value as specified in the FACP manufactures installation instructions for the indicating appliance circuit. Note: if your system includes one or more EVX-4Z zone splitters, the FACP EOLR is relocated. See EVX-4Z install instructions P/N 1-5010 Rev C.
- Connect FACP signaling circuit to TB1 – 3(+) & 4(-), Alarm Polarity (alarm polarity is shown).
- Connect 120 VAC, 60 Hz, power to the black and white pigtail leads from transformer primary.
Secure ground lead to grounding stud in cabinet. - Once power is on to the unit, connect battery wiring harness, Red (+) / Black (-).Observe polarity. Minimum battery size is 24V 7AHr. Maximum battery size is 18Ahr on FNV 25 / 50 & 24Ahr on FNV 100. (use 2 12V batteries connected in series, see typical installation diagram). If the unit does not have its own batteries and relies on an external power supply with battery back-up, insure that switch SN2 – 7 is in the OFF position. NOTE: Wiring for batteries is Non Power-Limited.
Care must be taken to insure that all Power-Limited wiring maintain a minimum spacing of ¼” from any Non Power-Limited wiring. If batteries must be located in separate enclosure, provide separate conduit run for battery wiring only.
Once all power and circuits are connected, the Green LED will remain on to indicate that the FNV 25/ FNV 50/
FNV 100 is fully operational and all circuits are nominal.
TERMINAL DESIGNATIONS
TB1:
TER 1 & 2 – Power Input 24-32V AC/DC (NOTE 1, 4)
TER 3 & 4 – FACP Signal Circuit Input – 10mA max. (Alarm Polarity shown) (NOTE 1, 4)
TER 5 & 6 – 25/70 VRMS Speaker Loop Style Y/Z (Class “A”/”B” start) (NOTE 2,
TB3:
TER 1 & 2 (NOTE 1, 4)
Optional FACP Supervisory Circuit (See installation instructions page 5 diagram 2 for details (32V – 0.4A max.)).
Factory set for none – J1 (installed)
TER 3 & 4
FACP Signal/Supervisory Circuit EOLR
TER 5 & 6
Matching EOLR for speaker supervisory circuit
TER 7 (NOTE 1, 3, 5)
General purpose output (pulls to circuit neg on fault condition
32V – 0.2A max). Not for Fire Protective Signaling use.
NOTES:
- Intended for connection to
Listed Class 2 / Class 3 (Power
Limited) sources only. - Power Limited
- Non-Supervised
- Supervised
- Terminating equipment must be installed in same room as

Field wiring connections:
#6-32 wire clamp screw 14-18 AWG
#8-32 wire clamp screw 12-18 AWG
Horizontal wire entry terminal 18-26 AWG
Wire gauge determined by circuit load
TB2:
TER 1 – Circuit Neg
TER 2 (NOTE 1, 3) Aux Audio Input (0.5V nominal) (1VRMS – 1mA max.)
TER 3 (NOTE 1, 3, 5)
PreAmp In/Out (600 Ohm 0dBm)
TER 4 (NOTE 1, 3, 5) Master – Programmable +24VDC Active Slave – +24VDC Input
TER 5 (NOTE 1, 3, 5) Signal Active Master – Out / Slave – In
TER 6 (NOTE 1, 3) Aux Audio Enable (+24V)(32V – 5mA max.)
TER 7 (NOTE 1, 3) Aux Signal Activate (+24V) (32V – 5mA max.)
TER 8 (NOTE 2, 3, 5) Alarm Voltage +24V when unit is in alarm condition (0.1A)
TER 9 (NOTE 2, 3) Int V+ (+24V) disconnected in alarm condition (0.1A)
TER 10 (NOTE 2, 3) V+ (+24V 0.1A)
TER 11 (NOTE 5) Mic PTT (+24V 0.1A)
FACTORY DEFAULT SWITCH / JUMPER SETTINGS:
| SN1 1 = OFF 8 sec. initial delay 2 = ON 3 = OFF 4 = ON 8 sec. repeat delay 5 = OFF 6 = ON Message On 7 = OFF 3 Repeats 8 = ON | SN2 1 = OFF Temporal Whoop Signal 2 = OFF 3 = OFF 4 = Fault Code Lock (default up (off)) 5 = X Do not use (default up (off)) 6 = AC Fault Delay 7 = ON Battery connected 8 = ON Mic connected | J1 A/B 1 – 2 = SHORT J2 25 VRMS 2-3 = SHORT 70 VRMS 1-2 = SHORT To change output voltage move shorting block. J5 1 + 2 SHORT = Ground Fault Enable |
OPTIONS:
AUX +24VDC OUTPUT – TB2-4,8, 9 & 10
These terminals provide a max. 200 mA of regulated 24VDC power for auxiliary functions. Do not exceed 200 mA load combined on these terminals. For connection to Listed General Signal devices only (Non-Fire Protective Signaling applications). Terminal 4 activation is programmed in the U6 ePROM chip. Standard chips are programmed for TB2-4 to go active +24VDC under the following conditions: Aux Signal Active, Aux Audio Enable, Bell Circuit Active, RSI Active. Reprogramming of these functions must be done at the factory and require replacing eprom U6.
CONNECTION OF AN AUX AUDIO SOURCE – TB2-1 & 2
An aux audio source from additional paging equipment may be connected to the FNV 25/50/100 to augment an existing paging system. It is not intended for continuous signal input, but may be used for paging applications. For such an operation the Aux Audio Enable input, TB2-6, must be powered from Int V+, TB2-9. This is to insure that in the event of an alarm, the aux audio will not override the evacuation signal. See Wiring Diagram 5 for connection detail.
OPTIONAL SUPERVISORY CIRCUIT – TB3-1 & 2
In place of normal supervision via the signaling circuit, an alternate method may be employed using any supervisory circuit from the FACP. Connection would be made to Terminal Block 3, Ter. 1 and 2. This would provide a normally closed connection to the EOLR on Ter. 3 and 4. The relay contact in the circuit will open upon any trouble condition and report an open circuit trouble to the FACP.
NOTE, jumper shorting blocks A and B must be removed from J1 if a circuit is to be connected in this manner. See Optional Supervisory Circuit Application (Wiring Diagram 2) for connection detail.
OPERATION
In normal standby the Green LED will remain on.
In alarm condition the Red LED will remain on as long as the unit is in alarm. Green LED will also remain on.
Alarm Sequence Factory settings:
Alarm Tone – Alarm Signal 5 seconds / Digital Message plays / Alarm Signal 5 seconds / Digital Message plays / Alarm Signal 5 seconds / Digital Message plays / unit reverts to Alarm Signal until alarm condition is cleared. If the Mic is keyed it will override both the tone and the message so a direct broadcast may be made. If this occurs during the initial sequence the digital message will be reset and will not play.
When the Mic is keyed or when the message is played the Green LED will dim. The intensity of the Green LED will vary with the level of the broadcast audio. This is true in Alarm condition as well.
Under a fault condition, the Yellow LED will remain on. The Green LED will flash. The number of flashes display a code depending on the specific type of fault. When there is a fault condition the contact connecting the FACP signal circuit to the EOLR will open indicating the fault to the panel which will provide annunciation. During a ground fault condition, Yellow LED 4 will illuminate.
SPECIFICATIONS:
| Input Voltage Input Current Current (Battery) Output power Freq. Response Output Voltage *Optional 24 VDC input | FNV 25 120 VAC at 60 Hz 1.4 A @ 120 VAC 0.18 A Standby 1.0 AAlarm 0.31 A Standby w/Aux Load 25 Watt 800 – 2800 Hz 25/70 VRMS Selectable 0.6 A Standby 1.0 A Alarm 2.9 A Sine | FNV 50 120 VAC at 60 Hz 0.8 A @ 120 VAC 0.13 A Standby 1.0 AAlarm 0.26 A Standby w/Aux Load 50 Watt 400 – 4000 Hz 25/70 VRMS Selectable 0.6 A Standby 1.0 A Alarm 3.4 A Sine | FNV 100 120 VAC at 60 Hz 1.2 A @ 120 VAC 0.18 AStandby 2.60 AAlarm 1.20 Astandby w Aux load 100 Watt 400 – 4000 Hz 25/70 VRMS Selectable 0.18 A standby 2.50 A Alarm 6.4A Sine |
Output Protection Power Limited, Open and Short Circuit protected
100 watt MODELS
The FNV-100 is a complete Voice Evacuation Module. It is not equipped with a power transformer or a cabinet.
The FNV 100 is a complete Voice Evacuation Panel. It is equipped with a power transformer and a cabinet.
The FNV-100E is a complete slave amplifier with built-in tone generator. It is capable of operating as a slave amplifier when connected to the fFNV-100, which supplies source audio to the slave. It is also capable of operating as a stand-alone Voice Evacuation System with only tone and microphone amplification.
Different Model numbers are derived from the amplifier sizes used together: These multiple amplifier configurations are Factory setup and pre-wired. The following are in their own cabinet with power transformers. They are complete Panels.
| FNV 100 FNV 150 FNV 200 FNV 100E FNV 150E FNV 200E | Contains: 1) FNV-100 Contains: 1) FNV-100 and 1) FNV-50E Contains: 1)FNV-100 and 1) FNV-100E Contains: 1) FNV-100E Contains: 1) FNV-100E and 1) FNV-50E Contains: 2) FNV-100E | 1) Speaker Circuit 2) Speaker Circuits 2) Speaker Circuits 1) Speaker Circuit 2) Speaker Circuits 2) Speaker Circuits |
*Input current measurements are determined by test conditions under UL 1711. Sine represents measurements made while unit produces a continuous non-distorted sine wave of 1 Khz into the rated load of 25/50/100W at rated output voltage. Alarm is the average current the unit experiences delivering an alarm signal, Temporal Whoop, to the rated load. Standby is the current draw of the unit with all normal power on and aux. terminals fully loaded. Battery Standby is current draw from the batteries on loss of power and otherwise normal standby.
TYPICAL INSTALLATION

CABINET LAYOUT

OPTIONAL SUPERVISORY CIRCUIT APPLICATION

ADDRESSABLE SYSTEM
APPLICATION

MULTIPLE UNIT CONNECTION DETAIL

AUX AUDIO ENABLE
CONNECTION DETAIL

SWITCH SETTINGS

| SN2 Default = 0/0/0/0/0/0/1/1 SW 1/2/3 Sets the evac tone. 8 Settings: 0/0/0 Temporal slow whoop 1/0/0 Hi Lo 0/1/0 Horn 1/1/0 Bell 0/0/1 Empty 1/0/1 Chime 0/1/1 None 1/1/1 1kHz Sine SW 4 Sets the diagnostics mode. 2 Settings: 0 Diagnostics off 1 Diagnostics on SW 5 NA SW 6 AC power failure report delay. 2 Settings: 0 No delay 1 6 hour delay SW 7 Batteries. 2 Settings: 0 Batteries are not connected 1 Batteries are connected SW 8 Microphone. 2 Settings: 0 Microphone is not connected | SN1 Default = 0/1/0/1/0/1/0/1 SW 1/2/3 Sets the initial delay before the message starts to play. Tone sounds during delays. 8 Settings: 0/0/0 No delay 1/0/0 4 second delay 0/1/0 8 second delay 1/1/0 12 second delay 0/0/1 16 second delay 1/0/1 20 second delay 0/1/1 24 second delay 1/1/1 28 second delay SW 4/5 Sets the delay between repeats of the message. 4 Settings: 0/0 4 second delay 0/1 8 second delay 1/0 12 second delay 1/1 16 second delay SW 6 Sets the message play. 2 Settings: 0 Message off 1 Message on SW 7/8 Sets the number of times the message plays. 4 Settings: 0/0 1 play 0/1 3 plays 1/0 2 plays |
TROUBLE CODES
When a unit goes into a Trouble Condition, the Yellow LED wil remain on until the trouble is cleared.
The Green LED will flash a Code to indicate the type of Trouble Condition. There will be a pause between repeats of the code. When multiple Trouble Conditions occur at the same time, the codes will add together.
The number of flashes and associated Trouble Condition are listed below.
| Code | Trouble | Code | Trouble |
| 1 2 4 | Power Failure Open Speaker Circuit Shorted Speaker Circuit | 8 16 32 | Amplifier Trouble Microphone Trouble Battery Trouble |
* 6 flashes typically indicates “External Trouble”, such as an EVX-RM. If LED 4 is on, the 6 flash indicates a ground fault.
If both a ground fault condition and an external trouble occur simultaneously, the fault codes will not combine for 12 flash.
END OF LINE RESISTORS
NOTE 1: If the Fire Alarm Signal Circuit requires a 4.7K end-of-line resistor, then R1 must be a 4.7K. Normally, this resistor is connected to the Signal Circuit through a closed Trouble contact. When the FNV 25/50/100 goes into Trouble, the contact opens, producing an “Open” on that Signal Circuit, notifying the FACP.
NOTE 2: R2 and R3 must match each other. R2 “Sets” what the value of R3 needs to be. R2 tells the FNV 25/50/100 what to expect on the end of the Speaker Circuit. If a Speaker EOLR (R3) already exists, simply match that value for R2.

P/N H-5001 REV. F
7051 Village Drive, Suite 100
Buena Park, CA 90621-2268
800.845.6692 Technical Support
firealarmresources.com



















