POTTER AVSM Series Gangable Synchronization Control Module

INTRODUCTIONS
Product includes a 5 year warranty
| Model Number | Part Number |
| AVSM-R | 4890250 |
| AVSM-W | 4890251 |
| AVSM Series Product Current Draw | |
| Product | AVSM |
| 12 VDC | 27 mA |
| 12 VDC UL Max1 | 31 mA |
| 24 VDC | 37 mA |
| 24 VDC UL Max1 | 45 mA |
1RMS current ratings are per UL average RMS method. UL max current rating is the maximum RMS current within the listed voltage range (16-33 VDC for 24 VDC units) (8-17 VDC for 12 VDC units). For strobes the UL max current is usually at the minimum listed voltage (16 VDC for 24 VDC units) (8 VDC for 12 VDC units). For audibles, the max current is usually at the maximum listed voltage. For unfiltered FWR ratings, see installation manual.
Features
- Operates with S-24, HS-24, CS, and CHS series.
- Synchronize horn and strobe with the use of only two wires.
- No limit to the number of modules that can be synchronized together.
- Module is rated for 3 amps continuous current and 5 amps surge or inrush current.
- Synchronizes to 1Hz flash rate.
- Operates 1 class ‘A’ circuit or 2 class ‘B’ circuits at 3 amps per circuit.
- Dual synchronization module ONLY when using 2 class ‘B’ circuits.
- A green LED status indicator to signal operation of module.
- Option to silence the horn while strobes continue to flash when using temporal 3 mode.
- The AVSM WILL NOT operate the ST/HS Series.
- Module Dimensions: 3.85″ (9.78 cm) H x 3.82″ (9.70 cm) W x 1.32″ (3.35 cm) D
- Box Dimensions: 5.57″ (14.15 cm) H x 4.55″ (11.56 cm) W x 2.39″ (6.07 cm) D
Description
The Potter AVSM synchronization control module is designed to provide an easy way to synchronize multiple horns, strobes, and horns/strobes using only two wires in instances where a synchronized flash is required.
When synchronizing multiple horns and horn/strobes there is the ability to silence the horn while allowing the strobes to continue to flash.
Incorporating the control module as shown in the following diagrams, the control module will control the power to the signaling device to produce synchronized operation.
The AVSM module is shipped with a back box and cover plate. A green LED status indicator will flash once every four seconds if zone 1 is operational. The LED will flash twice every four seconds if zones 1 and 2 are operational. Strobes should not be used on coded or pulsing signaling circuits.
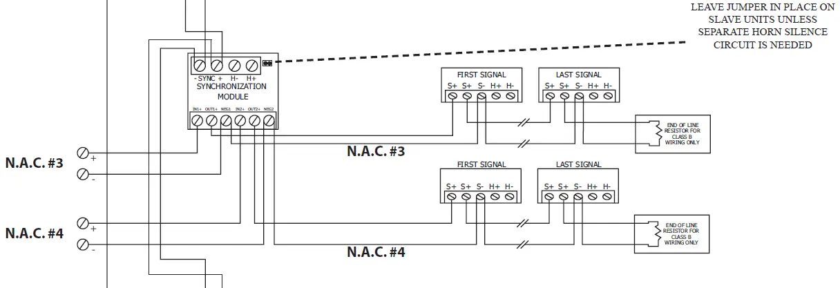
Wiring for Multiple CLASS B Circuit and Use of a Slave Module


NOTES:
- CROSSING LINES DO NOT INDICATE CONNECTIONS
- The incoming positive power lead must be broken and each lead is to be inserted into each of the top two terminals. If two power runs are made to the signal, one for the strobe and one for the horn, only one of the runs must have its positive lead broken and placed under the two separate top terminals. A barrier is provided to prevent both leads from being placed under the same terminal.
- The AVSM module is listed per ANSI/UL 1971 with a voltage range of 8-33VDC/FWR. The AVSM module was tested to the stated voltage range(s); do not apply 80% and 110% of this range for system operation. It is for indoor use only, with a temperature range of 0°C – 49°C (32°F – 120°F) and a maximum humidity of 93% humidity.
- CAUTION: The AVSM module is to be connected only to circuits that provide continuously applied voltage. Do not use this module on coded or interrupted circuits in which the voltage is cycled on and off.
- A steady DC power is to be applied, without any other protocol (including temporal 3).
Wiring for synchronized strobes and horns
Using this method you may:
- Use only two wires to synchronize the temporal horn and strobe with the ability to mute the horn
- Mute the horn only when the temporal horn option has been selected.
- Use the Gentex synchronization protocol to provide synchronization and mute the horn, if available.
Wiring for synchronized parallel (unison) horn/strobe operation
Using this method you may:
- Use four wires where two wires are used to power and synchronize the strobe and two additional wires are used to power and synchronize the horn
- Choose either continuous horn and allow the FACP to control the horn or choose temporal horn and synchronize the horns with the Gentex synchronization protocol.
- Use the Gentex synchronization protocol to provide synchronization and mute the horn, if available.
Wiring for Multiple CLASS B Circuit and Use of Multiple Slave Modules



Wiring for Multiple CLASS A Circuits and Use of a Slave Module


NOTES:
- CROSSING LINES DO NOT INDICATE CONNECTIONS
- The incoming positive power lead must be broken and each lead is to be inserted into each of the top two terminals. If two power runs are made to the signal, one for the strobe and one for the horn, only one of the runs must have its positive lead broken and placed under the two separate top terminals. A barrier is provided to prevent both leads from being placed under the same terminal.
- The AVSM module is listed per ANSI/UL 1971 with a voltage range of 8-33VDC/FWR. The AVSM module was tested to the stated voltage range(s); do not apply 80% and 110% of this range for system operation. It is for indoor use only, with a temperature range of 0°C – 49°C (32°F – 120°F) and a maximum humidity of 93% humidity.
- CAUTION: The AVSM module is to be connected only to circuits that provide continuously applied voltage. Do not use this module on coded or interrupted circuits in which the voltage is cycled on and off.
- A steady DC power is to be applied, without any other protocol (including temporal 3).
Wiring for synchronized strobes and horns Using this method you may:
- Use only two wires to synchronize the temporal horn and strobe with the ability to mute the horn
- Mute the horn only when the temporal horn option has been selected.
- Use the Gentex synchronization protocol to provide synchronization and mute the horn, if available.
Wiring for synchronized parallel (unison) horn/strobe operation Using this method you may:
- Use four wires where two wires are used to power and synchronize the strobe and two additional wires are used to power and synchronize the horn
- Choose either continuous horn and allow the FACP to control the horn or choose temporal horn and synchronize the horns with the Gentex synchronization protocol.
- Use the Gentex synchronization protocol to provide synchronization and mute the horn, if available.
Potter Electric Signal Company, LLC
St. Louis, MO 63042 USA
Cust Service: 866-572-3005
Tech Support: 866-956-0988
Canada 888-882-1833
www.pottersignal.com
PRINTED IN USA
MFG. #8830064 – REV A 06/13
PAGE 4 OF 4




















